SCAS291W MARCH   1993  – October 2016 SN54LVC138A , SN74LVC138A

PRODUCTION DATA.  

  1. Features
  2. Applications
  3. Description
  4. Revision History
  5. Pin Configuration and Functions
  6. Specifications
    1. 6.1 Absolute Maximum Ratings
    2. 6.2 ESD Ratings
    3. 6.3 Recommended Operating Conditions
    4. 6.4 Thermal Information
    5. 6.5 Electrical Characteristics
    6. 6.6 Switching Characteristics—SN54LVC138A
    7. 6.7 Switching Characteristics—SN74LVC138A
    8. 6.8 Operating Characteristics
    9. 6.9 Typical Characteristics
  7. Parameter Measurement Information
  8. Detailed Description
    1. 8.1 Overview
    2. 8.2 Functional Block Diagram
    3. 8.3 Feature Description
      1. 8.3.1 3-Line to 8-Line Decoder
      2. 8.3.2 1.65-V to 3.6-V Operation With Inputs up to 5.5 V
    4. 8.4 Device Functional Modes
  9. Application and Implementation
    1. 9.1 Application Information
    2. 9.2 Typical Application
      1. 9.2.1 Design Requirements
      2. 9.2.2 Detailed Design Procedure
      3. 9.2.3 Application Curve
  10. 10Power Supply Recommendations
  11. 11Layout
    1. 11.1 Layout Guidelines
    2. 11.2 Layout Example
  12. 12Device and Documentation Support
    1. 12.1 Related Links
    2. 12.2 Receiving Notification of Documentation Updates
    3. 12.3 Community Resources
    4. 12.4 Trademarks
    5. 12.5 Electrostatic Discharge Caution
    6. 12.6 Glossary
  13. 13Mechanical, Packaging, and Orderable Information

封装选项

请参考 PDF 数据表获取器件具体的封装图。

机械数据 (封装 | 引脚)
  • DB|16
  • PW|16
  • NS|16
  • RGY|16
  • D|16
  • DGV|16
  • RSV|16
散热焊盘机械数据 (封装 | 引脚)
订购信息

Features

  • Operate From 1.65 V to 3.6 V
  • Inputs Accept Voltages to 5.5 V
  • Max tpd of 5.8 ns at 3.3 V
  • Typical VOLP (Output Ground Bounce)
    < 0.8 V at VCC = 3.3 V, TA = 25°C
  • Typical VOHV (Output VOH Undershoot)
    > 2 V at VCC = 3.3 V, TA = 25°C
  • Latch-Up Performance Exceeds 250 mA Per
    JESD 17

Applications

  • LED Displays
  • Servers
  • White Goods
  • Power Infrastructure
  • Building Automation
  • Factory Automation

Description

The SN74LVC138A devices are designed for high-performance memory-decoding or data-routing applications requiring very short propagation delay times. In high-performance memory systems, these decoders minimize the effects of system decoding. When employed with high-speed memories using a fast enable circuit, delay times of these decoders and the enable time of the memory usually are less than the typical access time of the memory. This means that the effective system delay introduced by the decoders is negligible.

Device Information(1)

PART NUMBER PACKAGE BODY SIZE (NOM)
SNx4LVC138A LCCC (20) 8.89 mm × 8.89 mm
CDIP (16) 19.56 mm × 6.92 mm
CFP (16) 10.30 mm × 6.73 mm
SOIC (16) 9.90 mm × 3.91 mm
SSOP (16) 6.20 mm × 5.30 mm
TVSOP (16) 3.60 mm × 4.40 mm
BGA MICROSTAR JUNIOR (20) 4.00 mm × 3.00 mm
TSSOP (16) 5.00 mm × 4.40 mm
UQFN (16) 2.60 mm × 1.80 mm
  1. For all available packages, see the orderable addendum at the end of the data sheet.

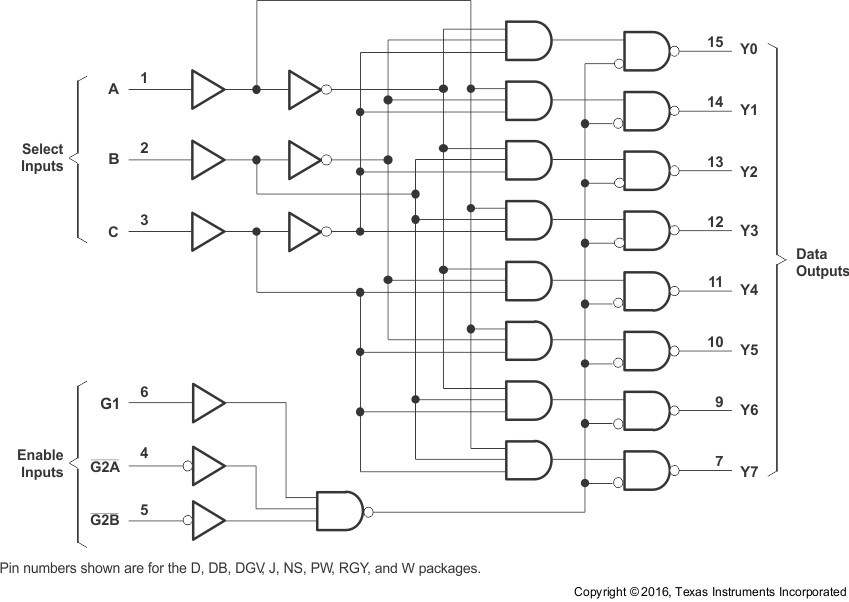
Logic Diagram (Positive Logic)

SN54LVC138A SN74LVC138A ld_cas291.gif