SCAS291W MARCH   1993  – October 2016 SN54LVC138A , SN74LVC138A

PRODUCTION DATA.  

  1. Features
  2. Applications
  3. Description
  4. Revision History
  5. Pin Configuration and Functions
  6. Specifications
    1. 6.1 Absolute Maximum Ratings
    2. 6.2 ESD Ratings
    3. 6.3 Recommended Operating Conditions
    4. 6.4 Thermal Information
    5. 6.5 Electrical Characteristics
    6. 6.6 Switching Characteristics—SN54LVC138A
    7. 6.7 Switching Characteristics—SN74LVC138A
    8. 6.8 Operating Characteristics
    9. 6.9 Typical Characteristics
  7. Parameter Measurement Information
  8. Detailed Description
    1. 8.1 Overview
    2. 8.2 Functional Block Diagram
    3. 8.3 Feature Description
      1. 8.3.1 3-Line to 8-Line Decoder
      2. 8.3.2 1.65-V to 3.6-V Operation With Inputs up to 5.5 V
    4. 8.4 Device Functional Modes
  9. Application and Implementation
    1. 9.1 Application Information
    2. 9.2 Typical Application
      1. 9.2.1 Design Requirements
      2. 9.2.2 Detailed Design Procedure
      3. 9.2.3 Application Curve
  10. 10Power Supply Recommendations
  11. 11Layout
    1. 11.1 Layout Guidelines
    2. 11.2 Layout Example
  12. 12Device and Documentation Support
    1. 12.1 Related Links
    2. 12.2 Receiving Notification of Documentation Updates
    3. 12.3 Community Resources
    4. 12.4 Trademarks
    5. 12.5 Electrostatic Discharge Caution
    6. 12.6 Glossary
  13. 13Mechanical, Packaging, and Orderable Information

封装选项

请参考 PDF 数据表获取器件具体的封装图。

机械数据 (封装 | 引脚)
  • DB|16
  • PW|16
  • NS|16
  • RGY|16
  • D|16
  • DGV|16
  • RSV|16
散热焊盘机械数据 (封装 | 引脚)
订购信息

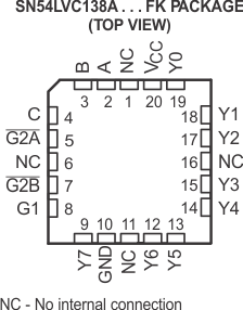
Pin Configuration and Functions

SN54LVC138A SN74LVC138A po_cas291.gif
SN54LVC138A SN74LVC138A po_cas291_2ndpin.gif
SN54LVC138A SN74LVC138A po_cas291_3rdpin.gif
SN54LVC138A...RSV PACKAGE
(TOP VIEW)
SN54LVC138A SN74LVC138A po2_cas291.gif
GQN OR ZQN PACKAGE
(TOP VIEW)
SN54LVC138A SN74LVC138A po3_cas291.gif

Table 1. Pin Assignments for ZQN (BGA)

1 2 3 4
A B A VCC Y0
B C NC(1) NC(1) Y1
C G2B G2A Y3 Y2
D G1 NC(1) NC(1) Y4
E GND Y7 Y6 Y5
NC - No internal connection

Pin Functions

PIN DESCRIPTION
NAME SOIC, SSOP, TVSOP, SO, TSSOP, VQFN, UQFN LCCC BGA
MICROSTAR
JUNIOR
I/O
A 1 2 A2 I Select input A (least significant bit)
B 2 3 A1 I Select input B
C 3 4 B1 I Select input C (most significant bit)
G2A 4 5 C2 I Active low enable A
G2B 5 7 C1 I Active low enable B
G1 6 8 D1 I Active high enable
GND 8 10 E1 Ground
NC 1, 11, 16 B2, B3, D2, D3 No internal connection
VCC 16 20 A3 Supply voltage
Y0 15 19 A4 O Output 0 (least significant bit)
Y1 14 18 B4 O Output 1
Y2 13 17 C4 O Output 2
Y3 12 15 C3 O Output 3
Y4 11 14 D4 O Output 4
Y5 10 13 E4 O Output 5
Y6 9 12 E3 O Output 6
Y7 7 9 E2 O Output 7 (most significant bit)