SCDS003P November   1992  – December  2015 SN74CBT3383

 

  1. Features
  2. Applications
  3. Description
  4. Revision History
  5. Pin Configuration and Functions
  6. Specifications
    1. 6.1 Absolute Maximum Ratings
    2. 6.2 ESD Ratings
    3. 6.3 Recommended Operating Conditions
    4. 6.4 Thermal Information
    5. 6.5 Electrical Characteristics
    6. 6.6 Switching Characteristics
    7. 6.7 Typical Characteristics
  7. Parameter Measurement Information
  8. Detailed Description
    1. 8.1 Overview
    2. 8.2 Functional Block Diagram
    3. 8.3 Feature Description
      1. 8.3.1 Bidirectional Data Flow With Near-Zero Propagation Delay
    4. 8.4 Device Functional Modes
  9. Application and Implementation
    1. 9.1 Application Information
    2. 9.2 Typical Application
      1. 9.2.1 Design Requirements
      2. 9.2.2 Detailed Design Procedure
      3. 9.2.3 Application Curve
  10. 10Power Supply Recommendations
  11. 11Layout
    1. 11.1 Layout Guidelines
    2. 11.2 Layout Example
  12. 12Device and Documentation Support
    1. 12.1 Documentation Support
      1. 12.1.1 Related Documentation
    2. 12.2 Related Links
    3. 12.3 Community Resources
    4. 12.4 Trademarks
    5. 12.5 Electrostatic Discharge Caution
    6. 12.6 Glossary
  13. 13Mechanical, Packaging, and Orderable Information

封装选项

请参考 PDF 数据表获取器件具体的封装图。

机械数据 (封装 | 引脚)
  • DBQ|24
  • DW|24
  • DB|24
  • PW|24
散热焊盘机械数据 (封装 | 引脚)
订购信息

1 Features

  • High-Bandwidth Data Path (Up to 200 MHz)
  • Low and Flat ON-State Resistance (rON) Characteristics Over Operating Range
    (rON = 5 Ω Typical)
  • Control Inputs Can Be Driven by TTL or 5-V and 3.3-V CMOS Outputs
  • Bidirectional Data Flow With Near-Zero Propagation Delay
  • Low Input and Output Capacitance Minimizes Loading and Signal Distortion (Cio(OFF) = 6 pF Typical)
  • VCC Operating Range From 4.5 V to 5 V
  • Low Power Consumption (ICC = 50 µA Maximum)

2 Applications

  • Enterprise Servers
  • Ethernet Switches
  • Routers
  • Servers
  • Industrial PCs

3 Description

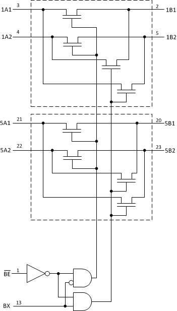
The SN74CBT3383 and SN54CBT3383 devices provide ten bits of high-speed TTL-compatible bus switching or exchanging. The low ON-state resistance of the switch allows connections to be made with minimal propagation delay.

The devices operate as a 10-bit bus switch or a 5-bit bus exchanger, which provides swapping of the A and B pairs of signals. The bus-exchange function is selected when BX is high. The switches are connected when BE is low.

Device Information(1)

PART NUMBER PACKAGE BODY SIZE (NOM)
SN74CBT3383DB SSOP (24) 8.40 mm × 5.30 mm
SN74CBT3383DBQ SSOP (24) 8.65 mm × 3.90 mm
SN74CBT3383DW SOIC (24) 15.40 mm × 7.50 mm
SN74CBT3383PW TSSOP (24) 7.80 mm × 4.40 mm
SNJ54CBT3383JT CDIP (24) 32.00 mm × 6.92 mm
SN54CBT3383W CFP (24) 14.35 × 9.08 mm
  1. For all available packages, see the orderable addendum at the end of the data sheet.

Logic Diagram (Positive Logic)

SN74CBT3383 SN54CBT3383 SCDS003logicdiag.gif