SBBS002B January 1994 – June 2015 OPT101
PRODUCTION DATA.
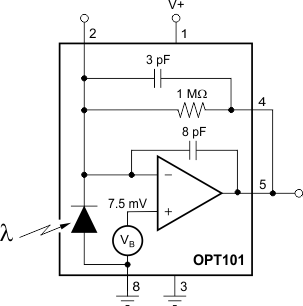
The OPT101 is a monolithic photodiode with on-chip transimpedance amplifier. The integrated combination of photodiode and transimpedance amplifier on a single chip eliminates the problems commonly encountered in discrete designs, such as leakage current errors, noise pick-up, and gain peaking as a result of stray capacitance. Output voltage increases linearly with light intensity. The amplifier is designed for single or dual power-supply operation.
The 0.09 inch × 0.09 inch (2.29 mm × 2.29 mm) photodiode operates in the photoconductive mode for excellent linearity and low dark current.
The OPT101 operates from 2.7 V to 36 V supplies and quiescent current is only 120 μA. This device is available in clear plastic 8-pin PDIP, and J-lead SOP for surface mounting. The temperature range is 0°C to 70°C.
| PART NUMBER | PACKAGE | BODY SIZE (NOM) |
|---|---|---|
| OPT101 | PDIP (8) | 9.53 mm × 6.52 mm |
| SOP (8) | 9.52 mm × 6.52 mm |

