ZHCSEI6 January   2016 LM5140-Q1

PRODUCTION DATA.  

  1. 特性
  2. 应用
  3. 说明
  4. 简化电路原理图
  5. 修订历史记录
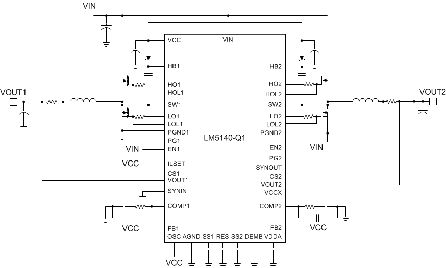
  6. Pin Configuration and Functions
  7. Specifications
    1. 7.1 Absolute Maximum Ratings
    2. 7.2 ESD Ratings
    3. 7.3 Recommended Operating Conditions
    4. 7.4 Thermal Information
    5. 7.5 Electrical Characteristics
    6. 7.6 Switching Characteristics
    7. 7.7 Typical Characteristics
  8. Detailed Description
    1. 8.1 Overview
    2. 8.2 Functional Block Diagram
    3. 8.3 Feature Description
      1. 8.3.1  High Voltage Start-up Regulator
      2. 8.3.2  VCC Regulator
      3. 8.3.3  Oscillator
      4. 8.3.4  SYNIN and SYNOUT
      5. 8.3.5  Enable
      6. 8.3.6  Power Good
      7. 8.3.7  Output Voltage
      8. 8.3.8  Minimum Output Voltage Adjustment
      9. 8.3.9  Current Sense
      10. 8.3.10 DCR Current Sensing
      11. 8.3.11 Error Amplifier and PWM Comparator
      12. 8.3.12 Slope Compensation
    4. 8.4 Device Functional Modes
      1. 8.4.1 Hiccup Mode Current Limiting
      2. 8.4.2 Standby Mode
      3. 8.4.3 Soft-Start
      4. 8.4.4 Diode Emulation
      5. 8.4.5 High and low-side Drivers
  9. Application and Implementation
    1. 9.1 Application Information
    2. 9.2 Typical Application
      1. 9.2.1 Design Requirements
      2. 9.2.2 Detailed Design Procedure
        1. 9.2.2.1  Inductor Calculation
        2. 9.2.2.2  Current Sense Resistor
        3. 9.2.2.3  Output Capacitor
        4. 9.2.2.4  Input Filter
        5. 9.2.2.5  EMI Filter Design
        6. 9.2.2.6  MOSFET Selection
        7. 9.2.2.7  Driver Slew Rate Control
        8. 9.2.2.8  Sub-Harmonic Oscillation
        9. 9.2.2.9  Control Loop
        10. 9.2.2.10 Error Amplifier
      3. 9.2.3 Application Curves
  10. 10Power Supply Recommendations
  11. 11Layout
    1. 11.1 Layout Procedure
    2. 11.2 Layout Example
  12. 12器件和文档支持
    1. 12.1 器件支持
    2. 12.2 社区资源
    3. 12.3 商标
    4. 12.4 静电放电警告
    5. 12.5 Glossary
  13. 13机械、封装和可订购信息

封装选项

机械数据 (封装 | 引脚)
散热焊盘机械数据 (封装 | 引脚)
订购信息

1 特性

  • 符合 AEC-Q100 1 级标准
    (TA = -40ºC 至 125ºC)
  • 输入工作电压范围为 3.8V 至 65V(最高绝对电压为 70V)
  • 两个具有以下电压特性的交错式降压控制器:
    • VOUT1:3.3V、5V 固定电压或 1.5V 至 15V
      可调节电压,精度为 ±1%
    • VOUT2:5V、8V 固定电压或 1.5V 至 15V
      可调节电压,精度为 ±1%
  • 2.2MHz 或 440kHz 固定开关频率,精度为 ±7%
  • 可选择与外部时钟保持同步
  • 用于附加转换器的 SYNC 输出时钟
  • 关断模式电流:9µA(典型值)
  • 无负载待机电流:35µA(典型值)(单通道运行)
  • 电流限值阈值可编程为 50mV 或 75mV,精度为 ±10%
  • 用于 VOUT1 和 VOUT2 的独立使能输入
  • 针对持续过载条件的断续模式保护
  • 独立的电源正常输出
  • 具有可调节转换率控制的高侧和低侧栅极驱动器
  • 在轻负载条件下可选择二极管仿真或连续导通
  • 具有可湿性侧面的超薄型四方扁平无引线 (VQFN)-40 封装

2 应用

  • 汽车电子产品
  • 信息娱乐系统
  • 仪表板
  • 高级驾驶员辅助系统 (ADAS)

3 说明

LM5140-Q1 是一款双路同步降压控制器,用于高电压、宽 VIN 降压转换器 应用. 此控制方法基于电流模式控制。电流模式控制可提供固有线路前馈、逐周期电流限制和简化的环路补偿。

LM5140-Q1 具有 可调节转换率控制功能,能够简化 CISPR 和汽车级电磁干扰 (EMI) 要求的合规性。LM5140-Q1 可在 2.2MHz 或 440kHz 的可选开关频率下运行,两条控制器通道发生 180º 出相。在轻负载或无负载条件下,LM5140-Q1 通过在跳周期模式下运行来提升低功耗效率。LM5140-Q1 具备一个自动切换至外部偏置电源的高电压偏置稳压器,能够提升效率并降低输入电流。其他 功能 包括频率同步、逐周期电流限制、针对持续过载条件的断续模式保护、独立的电源正常输出以及独立的使能输入。

器件信息(1)

器件型号 封装 封装尺寸(标称值)
LM5140-Q1 VQFN (40) 6.00mm x 6.00mm
  1. 要了解所有可用封装,请见数据表末尾的可订购产品附录。

4 简化电路原理图

LM5140-Q1 simplified_schematic_snvsa02.gif