ZHCSCD7D April   2014  – August 2017 LM43603

PRODUCTION DATA.  

  1. 特性
  2. 应用
  3. 说明
  4. 修订历史记录
  5. Pin Configuration and Functions
  6. Specifications
    1. 6.1 Absolute Maximum Ratings
    2. 6.2 ESD Ratings
    3. 6.3 Recommended Operating Conditions
    4. 6.4 Thermal Information
    5. 6.5 Electrical Characteristics
    6. 6.6 Timing Requirements
    7. 6.7 Switching Characteristics
    8. 6.8 Typical Characteristics
  7. Detailed Description
    1. 7.1 Overview
    2. 7.2 Functional Block Diagram
    3. 7.3 Feature Description
      1. 7.3.1  Fixed Frequency Peak Current Mode Controlled Step-Down Regulator
      2. 7.3.2  Light Load Operation
      3. 7.3.3  Adjustable Output Voltage
      4. 7.3.4  Enable (EN)
      5. 7.3.5  VCC, UVLO and BIAS
      6. 7.3.6  Soft-Start and Voltage Tracking (SS/TRK)
      7. 7.3.7  Switching Frequency (RT) and Synchronization (SYNC)
      8. 7.3.8  Minimum ON-time, Minimum OFF-time and Frequency Foldback at Drop-Out Conditions
      9. 7.3.9  Internal Compensation and CFF
      10. 7.3.10 Bootstrap Voltage (BOOT)
      11. 7.3.11 Power Good (PGOOD)
      12. 7.3.12 Over Current and Short Circuit Protection
      13. 7.3.13 Thermal Shutdown
    4. 7.4 Device Functional Modes
      1. 7.4.1 Shutdown Mode
      2. 7.4.2 Stand-by Mode
      3. 7.4.3 Active Mode
      4. 7.4.4 CCM Mode
      5. 7.4.5 Light Load Operation
      6. 7.4.6 Self-Bias Mode
  8. Application and Implementation
    1. 8.1 Application Information
    2. 8.2 Typical Applications
      1. 8.2.1 Design Requirements
      2. 8.2.2 Detailed Design Procedure
        1. 8.2.2.1  Custom Design With WEBENCH® Tools
        2. 8.2.2.2  Output Voltage Set-Point
        3. 8.2.2.3  Switching Frequency
        4. 8.2.2.4  Input Capacitors
        5. 8.2.2.5  Inductor Selection
        6. 8.2.2.6  Output Capacitor Selection
        7. 8.2.2.7  Feed-Forward Capacitor
        8. 8.2.2.8  Bootstrap Capacitors
        9. 8.2.2.9  VCC Capacitor
        10. 8.2.2.10 BIAS Capacitors
        11. 8.2.2.11 Soft-Start Capacitors
        12. 8.2.2.12 Under Voltage Lockout Set-Point
        13. 8.2.2.13 PGOOD
      3. 8.2.3 Application Performance Curves
  9. Power Supply Recommendations
  10. 10Layout
    1. 10.1 Layout Guidelines
      1. 10.1.1 Compact Layout for EMI Reduction
      2. 10.1.2 Ground Plane and Thermal Considerations
      3. 10.1.3 Feedback Resistors
    2. 10.2 Layout Example
  11. 11器件和文档支持
    1. 11.1 器件支持
      1. 11.1.1 开发支持
        1. 11.1.1.1 使用 WEBENCH® 工具创建定制设计
    2. 11.2 文档支持
      1. 11.2.1 相关文档
    3. 11.3 相关链接
    4. 11.4 接收文档更新通知
    5. 11.5 社区资源
    6. 11.6 商标
    7. 11.7 静电放电警告
    8. 11.8 Glossary
  12. 12机械、封装和可订购信息

封装选项

机械数据 (封装 | 引脚)
散热焊盘机械数据 (封装 | 引脚)
订购信息

特性

  • 27µA 稳压静态电流
  • 可在轻负载条件下实现高效率(DCM 和 PFM)
  • 符合 EN55022/CISPR 22 电磁干扰 (EMI) 标准
  • 集成同步整流
  • 可调频率范围:200kHz 至 2.2MHz(缺省值 500kHz)
  • 与外部时钟频率同步
  • 内部补偿
  • 几乎可与陶瓷、固态电解、钽和铝质电容器的任一组合一同工作时保持稳定
  • 电源正常标志
  • 软启动至预偏置负载
  • 内部软启动:4.1ms
  • 可由外部电容器延长的软启动时间
  • 输出电压跟踪功能
  • 程序系统欠压闭锁 (UVLO) 精确使能
  • 具有断续模式的输出短路保护
  • 过热关断保护
  • 使用 LM43603 并借助 WEBENCH® 电源设计器创建定制设计方案

应用

  • 工业用电源
  • 电信系统
  • AM 以下波段汽车应用
  • 通用宽 VIN 稳压
  • 高效负载点稳压
  • 空白

    空白

说明

LM43603 稳压器是一款易于使用的同步降压直流/直流转换器,能够驱动高达 3A 的负载电流,输入电压范围为 3.5V 至 36V(最大绝对值 42V)。LM43603 以极小的解决方案尺寸提供优异的效率、输出精度和压降。扩展系列产品能够以引脚到引脚兼容封装提供 0.5A、1A 和 2A 负载电流选项。采用峰值电流模式控制来实现简单控制环路补偿和逐周期电流限制。可选 功能 包括可编程开关频率、同步、电源正常标志、精确使能、内部软启动、可扩展软启动和跟踪,可为各种 应用提供灵活且易于使用的平台。轻载时的断续传导和自动频率调制可提升轻载效率。此系列只需要很少的外部组件,并且引脚排列可实现简单、最优的印刷电路板 (PCB) 布局布线。保护 功能 包括热关断、VCC 欠压锁定、逐周期电流限制和输出短路保护。LM43603 器件采用 HTSSOP/PWP 16 引线式封装 (5.1mm × 6.6mm × 1.2mm) 和可湿侧面的 VSON-16 封装。HTSSOP 封装与 LM43600、LM43601、LM43602、LM46000、LM46001、LM46002 实现了引脚对引脚的兼容。VSON-16 封装仅与 LM43602 实现了引脚对引脚的兼容。

器件信息

订货编号 封装 封装尺寸
LM43603PWP HTSSOP (16) 5.10mm x 6.60mm
LM43603DSU VSON (16) 4.10mm × 5.10mm

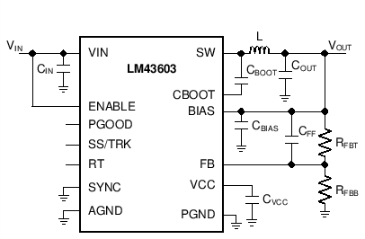
简化原理图

LM43603 sch_basic01_LM43603.png

LM43603PWPEVM 辐射发射图
12VIN 至 3.3VOUT,FS = 500kHz,IOUT = 3A

LM43603 Rad_12VIN3p3V500k3AGr.png