SNVS071C March   2000  – September 2015 LM2766

PRODUCTION DATA.  

  1. Features
  2. Applications
  3. Description
  4. Revision History
  5. Pin Configuration and Functions
  6. Specifications
    1. 6.1 Absolute Maximum Ratings
    2. 6.2 ESD Ratings
    3. 6.3 Recommended Operating Conditions
    4. 6.4 Thermal Information
    5. 6.5 Electrical Characteristics
    6. 6.6 Typical Characteristics
  7. Parameter Measurement Information
    1. 7.1 Test Circuit
  8. Detailed Description
    1. 8.1 Overview
    2. 8.2 Functional Block Diagram
    3. 8.3 Feature Description
      1. 8.3.1 Test Circuit
    4. 8.4 Device Functional Modes
      1. 8.4.1 Shutdown Mode
  9. Application and Implementation
    1. 9.1 Application Information
    2. 9.2 Typical Application
      1. 9.2.1 Design Requirements
      2. 9.2.2 Detailed Design Procedure
        1. 9.2.2.1 Positive Voltage Doubler
        2. 9.2.2.2 Capacitor Selection
        3. 9.2.2.3 Paralleling Devices
        4. 9.2.2.4 Cascading Devices
        5. 9.2.2.5 Regulating VOUT
      3. 9.2.3 Application Curve
  10. 10Power Supply Recommendations
  11. 11Layout
    1. 11.1 Layout Guidelines
    2. 11.2 Layout Example
  12. 12Device and Documentation Support
    1. 12.1 Device Support
      1. 12.1.1 Third-Party Products Disclaimer
    2. 12.2 Community Resources
    3. 12.3 Trademarks
    4. 12.4 Electrostatic Discharge Caution
    5. 12.5 Glossary
  13. 13Mechanical, Packaging, and Orderable Information

封装选项

机械数据 (封装 | 引脚)
散热焊盘机械数据 (封装 | 引脚)
订购信息

1 Features

  • Doubles Input Supply Voltage
  • SOT-23 6-Pin Package
  • 20-Ω Typical Output Impedance
  • 90% Typical Conversion Efficiency at 20 mA
  • 0.1-µA Typical Shutdown Current

2 Applications

  • Cellular Phones
  • Pagers
  • PDAs
  • Operational Amplifier Power Supplies
  • Interface Power Supplies
  • Handheld Instruments

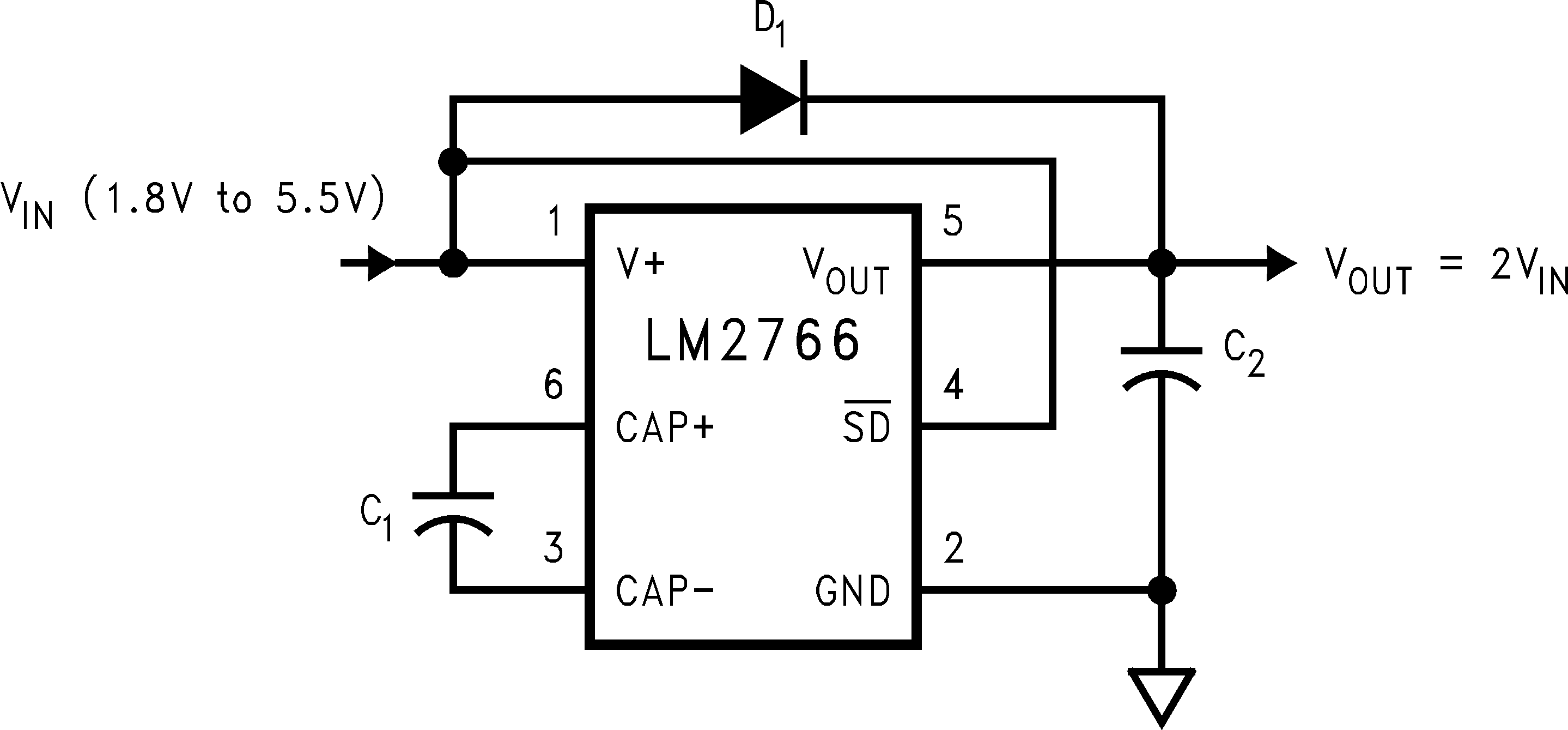
3 Description

The LM2766 CMOS charge-pump voltage converter operates as a voltage doubler for an input voltage in the range of 1.8 V to 5.5 V. Two low-cost capacitors and a diode are used in this circuit to provide up to
20 mA of output current.

The LM2766 operates at 200-kHz switching frequency to reduce output resistance and voltage ripple. With an operating current of only 350 µA (operating efficiency greater than 90% with most loads) and 0.1-µA typical shutdown current, the LM2766 provides ideal performance for battery-powered systems. The device is manufactured in a SOT-23 6-pin package.

Device Information(1)

PART NUMBER PACKAGE BODY SIZE (NOM)
LM2766 SOT-23 (6) 2.90 mm × 1.60 mm
  1. For all available packages, see the orderable addendum at the end of the data sheet.

space

space

space

space

Typical Voltage Doubler Application

LM2766 10128201.png