ZHCUAK7B March   2011  – July 2021 TPS56221

 

  1. 引言
  2. 说明
    1. 2.1 应用
    2. 2.2 特性
  3. 电气性能规格
  4. 原理图
  5. 测试设置
    1. 5.1 测试设备
      1. 5.1.1 电压源
      2. 5.1.2 仪表
      3. 5.1.3 负载
      4. 5.1.4 示波器
      5. 5.1.5 风扇
    2. 5.2 推荐的线规
      1. 5.2.1 VIN 至 J1
      2. 5.2.2 J2 至 LOAD
    3. 5.3 设备设置过程
  6. 配置
    1. 6.1 启用选择 (J3)
  7. 测试点说明
    1. 7.1 输入电压监控(TP1 和 TP2)
    2. 7.2 输出电压监控(TP3 和 TP4)
    3. 7.3 使能/软启动监测 (TP5)
    4. 7.4 电源正常状态监测 (TP6)
    5. 7.5 环路响应测试(TP7、TP8、TP9 和 TP10)
    6. 7.6 开关节点电压监测(TP11 和 TP12)
  8. 测试过程
    1. 8.1 启动/关断程序
    2. 8.2 输出波纹电压测量步骤
    3. 8.3 控制环路增益和相位测量步骤
    4. 8.4 设备停机
  9. 性能数据和典型特性曲线
    1. 9.1  效率
    2. 9.2  负载调节
    3. 9.3  线性调整率
    4. 9.4  输出电压纹波
    5. 9.5  开关节点
    6. 9.6  负载瞬态
    7. 9.7  启动
    8. 9.8  电源关闭
    9. 9.9  过流保护
    10. 9.10 控制环路波特图
    11. 9.11 热像图
  10. 10EVM 装配图和 PCB 布局布线
  11. 11物料清单
  12. 12修订历史记录

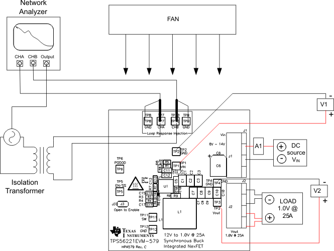
控制环路增益和相位测量步骤

  1. 遵循Topic Link Label8.1,将 VIN 和 LOAD 设置为所需的工作条件。
  2. 图 8-2 所示,将隔离变压器连接到测试点 TP7 和 TP10。
  3. 图 8-2 所示,将输入信号振幅测量探头(通道 A)连接到 TP7。
  4. 图 8-2 所示,将输出信号振幅测量探头(通道 B)连接到 TP10。
  5. 图 8-2 所示,将通道 A 和通道 B 的接地引线分别连接到 TP8 和 TP9。
  6. 通过隔离变压器注入 10mV 或更低的信号。
  7. 扫描频率从 500 Hz 到 500 kHz,使用 10-0Hz 或更低的后置滤波器。
  8. 通过此公式测量控制环路增益:GUID-10EEDFBD-3596-4EB5-A1B3-96CD8A94F6DB-low.gif
  9. 控制环路相位可通过通道 A 和通道 B 之间的相位差来测量。
  10. 按照第 Topic Link Label8.1 节说明断电。
GUID-BE290D8D-1731-4C4C-B1D4-E6438021C098-low.gif图 8-2 控制环路测量设置