ZHCSRO6B June   2024  – November 2025 TRF0208-SP

PRODUCTION DATA  

  1.   1
  2. 特性
  3. 应用
  4. 说明
  5. 引脚配置和功能
  6. 规格
    1. 5.1 绝对最大额定值
    2. 5.2 ESD 等级
    3. 5.3 建议运行条件
    4. 5.4 热性能信息
    5. 5.5 电气特性
    6. 5.6 典型特性
  7. 详细说明
    1. 6.1 概述
    2. 6.2 功能方框图
    3. 6.3 特性说明
      1. 6.3.1 全差分放大器
      2. 6.3.2 单电源供电
    4. 6.4 器件功能模式
      1. 6.4.1 断电模式
  8. 应用和实施
    1. 7.1 应用信息
      1. 7.1.1 驱动高速 ADC
      2. 7.1.2 计算输出电压摆幅
      3. 7.1.3 散热注意事项
    2. 7.2 典型应用
      1. 7.2.1 TRF0208-SP 在接收链中
        1. 7.2.1.1 设计要求
        2. 7.2.1.2 详细设计过程
        3. 7.2.1.3 应用曲线
    3. 7.3 电源相关建议
    4. 7.4 布局
      1. 7.4.1 布局指南
      2. 7.4.2 布局示例
  9. 器件和文档支持
    1. 8.1 器件支持
      1. 8.1.1 第三方产品免责声明
    2. 8.2 文档支持
      1. 8.2.1 相关文档
    3. 8.3 接收文档更新通知
    4. 8.4 支持资源
    5. 8.5 商标
    6. 8.6 静电放电警告
    7. 8.7 术语表
  10. 修订历史记录
  11. 10机械、封装和可订购信息

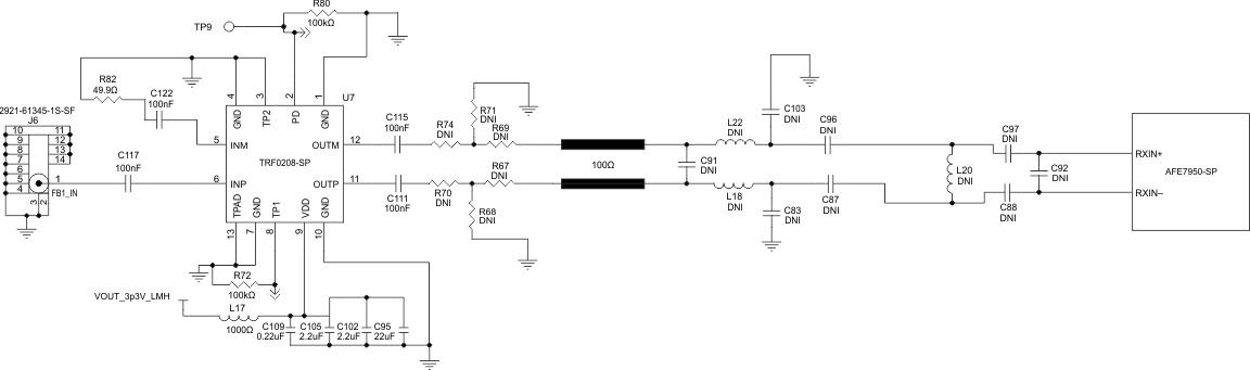
TRF0208-SP 在接收链中

本节介绍了一个射频接收器链,其中 TRF0208-SP 用作单端转差分 (S2D) 放大器并驱动 AFE7950-SP 的接收通道。

图 7-4 显示了由 TRF0208-SP 驱动 AFE7950-SP 接收通道的设计的通用原理图。元件的确切值取决于匹配 AFE7950-SP 前端的频带。

TRF0208-SP TRF0208-SP 在采用 AFE7950-SP 的接收链中图 7-4 TRF0208-SP 在采用 AFE7950-SP 的接收链中