ZHCSL25 April   2019 PCM1840

PRODUCTION DATA.  

  1. 特性
  2. 应用
  3. 说明
    1.     简化方框图
  4. 修订历史记录
  5. Pin Configuration and Functions
    1.     Pin Functions
  6. Specifications
    1. 6.1 Absolute Maximum Ratings
    2. 6.2 ESD Ratings
    3. 6.3 Recommended Operating Conditions
    4. 6.4 Thermal Information
    5. 6.5 Electrical Characteristics
    6. 6.6 Timing Requirements: TDM, I2S or LJ Interface
    7. 6.7 Switching Characteristics: TDM, I2S or LJ Interface
    8. 6.8 Typical Characteristics
  7. Detailed Description
    1. 7.1 Overview
    2. 7.2 Functional Block Diagram
    3. 7.3 Feature Description
      1. 7.3.1 Hardware Control
      2. 7.3.2 Audio Serial Interfaces
        1. 7.3.2.1 Time Division Multiplexed Audio (TDM) Interface
        2. 7.3.2.2 Inter IC Sound (I2S) Interface
        3. 7.3.2.3 Left-Justified (LJ) Interface
      3. 7.3.3 Phase-Locked Loop (PLL) and Clock Generation
      4. 7.3.4 Input Channel Configurations
      5. 7.3.5 Reference Voltage
      6. 7.3.6 Microphone Bias
      7. 7.3.7 Signal-Chain Processing
        1. 7.3.7.1 Digital High-Pass Filter
        2. 7.3.7.2 Configurable Digital Decimation Filters
          1. 7.3.7.2.1 Linear Phase Filters
            1. 7.3.7.2.1.1 Sampling Rate: 8 kHz or 7.35 kHz
            2. 7.3.7.2.1.2 Sampling Rate: 16 kHz or 14.7 kHz
            3. 7.3.7.2.1.3 Sampling Rate: 24 kHz or 22.05 kHz
            4. 7.3.7.2.1.4 Sampling Rate: 32 kHz or 29.4 kHz
            5. 7.3.7.2.1.5 Sampling Rate: 48 kHz or 44.1 kHz
            6. 7.3.7.2.1.6 Sampling Rate: 96 kHz or 88.2 kHz
            7. 7.3.7.2.1.7 Sampling Rate: 192 kHz or 176.4 kHz
          2. 7.3.7.2.2 Low-Latency Filters
            1. 7.3.7.2.2.1 Sampling Rate: 16 kHz or 14.7 kHz
            2. 7.3.7.2.2.2 Sampling Rate: 24 kHz or 22.05 kHz
            3. 7.3.7.2.2.3 Sampling Rate: 32 kHz or 29.4 kHz
            4. 7.3.7.2.2.4 Sampling Rate: 48 kHz or 44.1 kHz
            5. 7.3.7.2.2.5 Sampling Rate: 96 kHz or 88.2 kHz
      8. 7.3.8 Dynamic Range Enhancer (DRE)
    4. 7.4 Device Functional Modes
      1. 7.4.1 Hardware Shutdown
      2. 7.4.2 Active Mode
  8. Application and Implementation
    1. 8.1 Application Information
    2. 8.2 Typical Application
      1. 8.2.1 Design Requirements
      2. 8.2.2 Detailed Design Procedure
      3. 8.2.3 Application Curves
  9. Power Supply Recommendations
  10. 10Layout
    1. 10.1 Layout Guidelines
    2. 10.2 Layout Example
  11. 11器件和文档支持
    1. 11.1 接收文档更新通知
    2. 11.2 社区资源
    3. 11.3 商标
    4. 11.4 静电放电警告
    5. 11.5 Glossary
  12. 12机械、封装和可订购信息

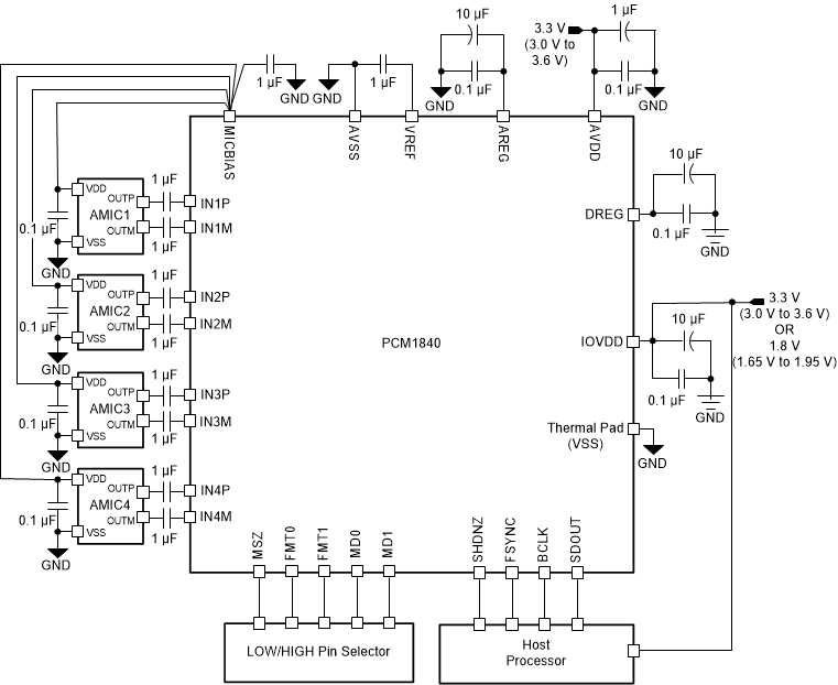
Typical Application

Figure 48 shows a typical configuration of the PCM1840 for an application using four analog microelectrical-mechanical system (MEMS) microphones for simultaneous recording operation with a time-division multiplexing (TDM) audio data slave interface. For best distortion performance, use input AC-coupling capacitors with a low-voltage coefficient.

PCM1840 apps-01-pcm1840-sbas989.gifFigure 48. Four-Channel Analog Microphone Recording Diagram for 3.3-V AVDD Operation