ZHCSK30B August   2019  – April 2020 AMC1336

PRODUCTION DATA.  

  1. 特性
  2. 应用
  3. 说明
    1.     Device Images
      1.      简化原理图
  4. 修订历史记录
  5. Pin Configuration and Functions
    1.     Pin Functions
  6. Specifications
    1. Table 1.  Absolute Maximum Ratings
    2. Table 2.  ESD Ratings
    3. Table 3.  Recommended Operating Conditions
    4. Table 4.  Thermal Information
    5. Table 5.  Power Ratings
    6. Table 6.  Insulation Specifications
    7. Table 7.  Safety-Related Certifications
    8. Table 8.  Safety Limiting Values
    9. Table 9.  Electrical Characteristics
    10. Table 10. Switching Characteristics
    11. 6.1       Insulation Characteristics Curves
    12. 6.2       Typical Characteristics
  7. Detailed Description
    1. 7.1 Overview
    2. 7.2 Functional Block Diagram
    3. 7.3 Feature Description
      1. 7.3.1 Analog Input
      2. 7.3.2 Modulator
      3. 7.3.3 Isolation Channel Signal Transmission
      4. 7.3.4 Clock Input
      5. 7.3.5 Digital Output
    4. 7.4 Device Functional Modes
      1. 7.4.1 Output Behavior in Case of a Full-Scale Input
      2. 7.4.2 AVDD Diagnostics and Fail-Safe Output
  8. Application and Implementation
    1. 8.1 Application Information
      1. 8.1.1 Digital Filter Usage
    2. 8.2 Typical Application
      1. 8.2.1 Design Requirements
      2. 8.2.2 Detailed Design Procedure
      3. 8.2.3 Application Curve
      4. 8.2.4 What to Do and What Not to Do
  9. Power Supply Recommendations
  10. 10Layout
    1. 10.1 Layout Guidelines
    2. 10.2 Layout Example
  11. 11器件和文档支持
    1. 11.1 器件支持
      1. 11.1.1 器件命名规则
        1. 11.1.1.1 隔离相关术语
    2. 11.2 文档支持
      1. 11.2.1 相关文档
    3. 11.3 接收文档更新通知
    4. 11.4 社区资源
    5. 11.5 商标
    6. 11.6 静电放电警告
    7. 11.7 Glossary
  12. 12机械、封装和可订购信息

Typical Application

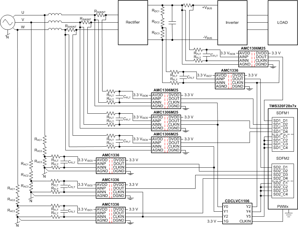
Isolated ΔΣ modulators are widely used in frequency inverter designs because of their high AC and DC performance. Frequency inverters are critical parts of industrial motor drives, photovoltaic inverters (string and central inverters), uninterruptible power supplies (UPS), and other industrial applications.

Figure 50 shows a simplified schematic of a frequency inverter application with the AMC1336 used for the DC-link and output phase voltage sensing. In this example, the ground reference point for the microcontroller is not connected by any means to the power stage. This configuration is usually the case in systems with the microcontroller located on a dedicated control card or PCB.

Current feedback is performed with shunt resistors (RSHUNT) and TI's AMC1306M25 isolated modulators. Depending on the system design, either all three or only two motor phase currents are sensed.

Depending on the overall digital processing power requirements and with a total of eight ΔΣ modulator bitstreams to be processed by the microcontroller (MCU), a derivate from either the low-cost single-core TMS320F2807x or the dual-core TMS320F2837x families can be used in this application.

AMC1336 ai_inv_bas951.gifFigure 50. The AMC1336 in a Frequency Inverter Application

Figure 51 shows an additional example of the AMC1336 used for input phase and DC-link voltage sensing. Also in this case, the microcontroller is located on a dedicated control card and the AMC1306M25 is used for shunt-based current sensing.

AMC1336 ai_VAC_bas951.gifFigure 51. Input Phase Voltage Sensing Application with AMC1336