ZHCSJ98M November   2006  – November 2024 TS3USB221

PRODUCTION DATA  

  1.   1
  2. 特性
  3. 应用
  4. 说明
  5. Pin Configuration and Functions
  6. Specifications
    1. 5.1  Absolute Maximum Ratings
    2. 5.2  ESD Ratings
    3. 5.3  Recommended Operating Conditions
    4. 5.4  Thermal Information
    5. 5.5  Electrical Characteristics
    6. 5.6  Dynamic Electrical Characteristics, VCC = 3.3V ± 10%
    7. 5.7  Dynamic Electrical Characteristics, VCC = 2.5V ± 10%
    8. 5.8  Switching Characteristics, VCC = 3.3V ± 10%
    9. 5.9  Switching Characteristics, VCC = 2.5V ± 10%
    10. 5.10 Typical Characteristics
  7. Parameter Measurement Information
  8. Detailed Description
    1. 7.1 Overview
    2. 7.2 Functional Block Diagram
    3. 7.3 Feature Description
      1. 7.3.1 Low Power Mode
    4. 7.4 Device Functional Modes
  9. Application and Implementation
    1. 8.1 Application Information
    2. 8.2 Typical Application
      1. 8.2.1 Design Requirements
      2. 8.2.2 Detailed Design Procedure
      3. 8.2.3 Application Curves
    3. 8.3 Power Supply Recommendations
    4. 8.4 Layout
      1. 8.4.1 Layout Guidelines
      2. 8.4.2 Layout Example
  10. Device and Documentation Support
    1. 9.1 Documentation Support
      1. 9.1.1 Related Documentation
    2. 9.2 接收文档更新通知
    3. 9.3 支持资源
    4. 9.4 Trademarks
    5. 9.5 静电放电警告
    6. 9.6 术语表
  11. 10Revision History
  12. 11Mechanical, Packaging, and Orderable Information

Parameter Measurement Information

TS3USB221 Turnon
                        (tON) and Turnoff Time (tOFF) Figure 6-1 Turnon (tON) and Turnoff Time (tOFF)
TS3USB221 OFF
                    Isolation (OISO) Figure 6-2 OFF Isolation (OISO)
TS3USB221 Crosstalk
                        (XTALK) Figure 6-3 Crosstalk (XTALK)
TS3USB221 Bandwidth
                    (BW) Figure 6-4 Bandwidth (BW)
TS3USB221 Propagation Delay Figure 6-5 Propagation Delay
TS3USB221 Skew
                    Test Figure 6-6 Skew Test
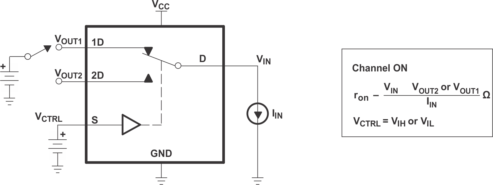
TS3USB221 ON-State
                    Resistance (ron) Figure 6-7 ON-State Resistance (ron)
TS3USB221 OFF-State
                    Leakage Current Figure 6-8 OFF-State Leakage Current
TS3USB221 Capacitance Figure 6-9 Capacitance