ZHCSIQ1A August   2018  – October 2018 TPS7B70-Q1

PRODUCTION DATA.  

  1. 特性
  2. 应用
  3. 说明
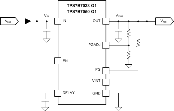
    1.     典型应用
  4. 修订历史记录
  5. Pin Configuration and Functions
    1.     Pin Functions
  6. Specifications
    1. 6.1 Absolute Maximum Ratings
    2. 6.2 ESD Ratings
    3. 6.3 Recommended Operating Conditions
    4. 6.4 Thermal Information
    5. 6.5 Electrical Characteristics
    6. 6.6 Switching Characteristics
    7. 6.7 Typical Characteristics
  7. Detailed Description
    1. 7.1 Overview
    2. 7.2 Functional Block Diagram
    3. 7.3 Feature Description
      1. 7.3.1 Device Enable (EN)
      2. 7.3.2 Adjustable Power-Good Threshold (PG, PGADJ)
      3. 7.3.3 Adjustable Power-Good Delay Timer (DELAY)
      4. 7.3.4 Undervoltage Shutdown
      5. 7.3.5 Current Limit
      6. 7.3.6 Thermal Shutdown
    4. 7.4 Device Functional Modes
      1. 7.4.1 Operation With Input Voltage Less Than 4 V
      2. 7.4.2 Operation With Input Voltage Greater Than 4 V
  8. Application and Implementation
    1. 8.1 Application Information
    2. 8.2 Typical Application
      1. 8.2.1 Design Requirements
      2. 8.2.2 Detailed Design Procedure
        1. 8.2.2.1 Input Capacitor
        2. 8.2.2.2 Output Capacitor
        3. 8.2.2.3 Power-Good Threshold
        4. 8.2.2.4 Power-Good Delay, t(DLY)
      3. 8.2.3 Application Curve
  9. Power Supply Recommendations
  10. 10Layout
    1. 10.1 Layout Guidelines
    2. 10.2 Layout Example
  11. 11器件和文档支持
    1. 11.1 文档支持
      1. 11.1.1 相关文档
    2. 11.2 接收文档更新通知
    3. 11.3 社区资源
    4. 11.4 商标
    5. 11.5 静电放电警告
    6. 11.6 术语表
  12. 12机械、封装和可订购信息

说明

TPS7B70-Q1 是一款通过汽车电池供电的 300mA 低压降线性稳压器 (LDO)。该器件在轻负载条件下的静态电流仅有 19µA。因此,TPS7B70-Q1 是用于为微控制器 (MCU) 和控制器局域网 (CAN) 收发器等常开式组件供电的绝佳选择。

TPS7B70-Q1 的输入电压范围扩展到了 40V。该电压可帮助该器件承受瞬态条件,例如负载突降。该器件还具有电源正常 (PG) 引脚,可在输出电压实现稳压后通知系统。要实现必要的操作,您可以调整 PG 阈值电压和延迟。PG 信号的阈值电压通过外部电阻器进行调整。请使用外部电容器来调整延迟。

此器件可在 –40°C 至 +125°C 的环境温度下运行,且结温范围为 –40°C 至 +150°C。此外,此器件还采用了热传导封装,即使整个器件散热较多,也能实现持久运行,这是一种典型的脱离电池供电运行的特征。这些 特性以及所包含的电流限制和热关断保护使得 TPS7B70-Q1 成为为汽车系统组件供电的绝佳选择。

器件信息(1)

器件编号 输出电压 封装
TPS7B70-Q1 3.3V 或 5V HTSSOP (16)
  1. 如需了解所有可用封装,请参阅数据表末尾的封装选项附录。

典型应用

TPS7B70-Q1 tps7b70-typical-application.gif