ZHCSIL1A July   2018  – December 2018 DSLVDS1001

PRODUCTION DATA.  

  1. 特性
  2. 应用
  3. 说明
    1.     功能图
    2.     典型应用
  4. 修订历史记录
  5. Pin Configuration and Functions
    1.     Pin Functions
  6. Specifications
    1. 6.1 Absolute Maximum Ratings
    2. 6.2 ESD Ratings
    3. 6.3 Recommended Operating Conditions
    4. 6.4 Thermal Information
    5. 6.5 Electrical Characteristics
    6. 6.6 Switching Characteristics
    7. 6.7 Typical Characteristics
  7. Parameter Measurement Information
  8. Detailed Description
    1. 8.1 Overview
    2. 8.2 Functional Block Diagram
    3. 8.3 Feature Description
      1. 8.3.1 DSLVDS1001 Driver Functionality
      2. 8.3.2 Driver Output Voltage and Power-On Reset
      3. 8.3.3 Driver Offset
    4. 8.4 Device Functional Modes
  9. Application and Implementation
    1. 9.1 Application Information
    2. 9.2 Typical Application
      1. 9.2.1 Point-to-Point Communications
    3. 9.3 Design Requirements
    4. 9.4 Detailed Design Procedure
      1. 9.4.1 Driver Supply Voltage
      2. 9.4.2 Driver Bypass Capacitance
      3. 9.4.3 Driver Input Voltage
      4. 9.4.4 Driver Output Voltage
      5. 9.4.5 Interconnecting Media
      6. 9.4.6 PCB Transmission Lines
      7. 9.4.7 Termination Resistor
    5. 9.5 Application Curve
  10. 10Power Supply Recommendations
    1. 10.1 Power Supply Considerations
  11. 11Layout
    1. 11.1 Layout Guidelines
      1. 11.1.1 Microstrip vs. Stripline Topologies
      2. 11.1.2 Dielectric Type and Board Construction
      3. 11.1.3 Recommended Stack Layout
      4. 11.1.4 Separation Between Traces
      5. 11.1.5 Crosstalk and Ground Bounce Minimization
      6. 11.1.6 Decoupling
    2. 11.2 Layout Example
  12. 12器件和文档支持
    1. 12.1 文档支持
      1. 12.1.1 相关文档
    2. 12.2 接收文档更新通知
    3. 12.3 社区资源
    4. 12.4 商标
    5. 12.5 静电放电警告
    6. 12.6 术语表
  13. 13机械、封装和可订购信息

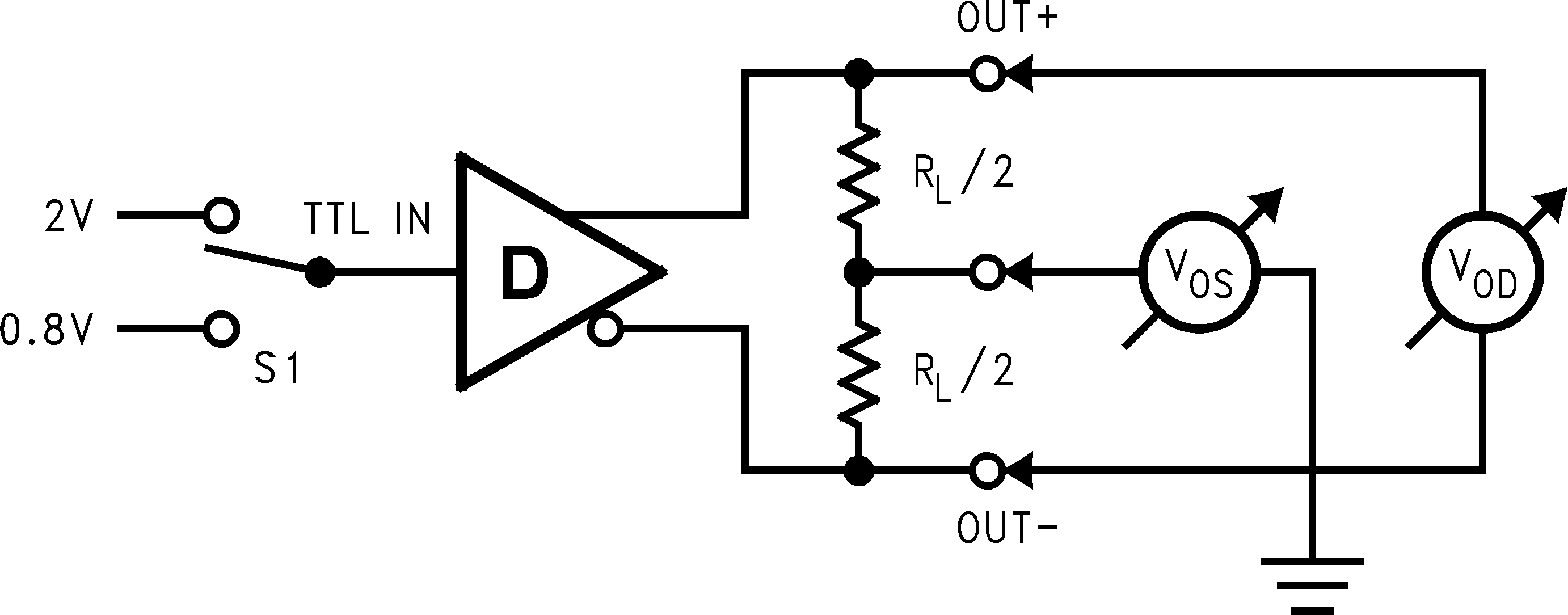
Parameter Measurement Information

DSLVDS1001 DC Test Circuit.pngFigure 7. Differential Driver DC Test Circuit
DSLVDS1001 Full Load DC Test Circuit.pngFigure 8. Differential Driver Full Load DC Test Circuit
DSLVDS1001 Prop Delay and Trans Time Test Circuit.pngFigure 9. Differential Driver Propagation Delay and Transition Time Test Circuit
DSLVDS1001 Prop Delay and Trans Time Waveforms.pngFigure 10. Differential Driver Propagation Delay and Transition Time Waveforms