ZHCSIB2B December   2017  – October 2019 UCC28064A

PRODUCTION DATA.  

  1. 特性
  2. 应用
  3. 说明
    1.     Device Images
      1.      简化应用
  4. 修订历史记录
  5. 说明 (续)
  6. Pin Configuration and Functions
    1.     Pin Functions
  7. Specifications
    1. 7.1 Absolute Maximum Ratings
    2. 7.2 ESD Ratings
    3. 7.3 Recommended Operating Conditions
    4. 7.4 Thermal Information
    5. 7.5 Electrical Characteristics
    6. 7.6 Typical Characteristics
  8. Detailed Description
    1. 8.1 Overview
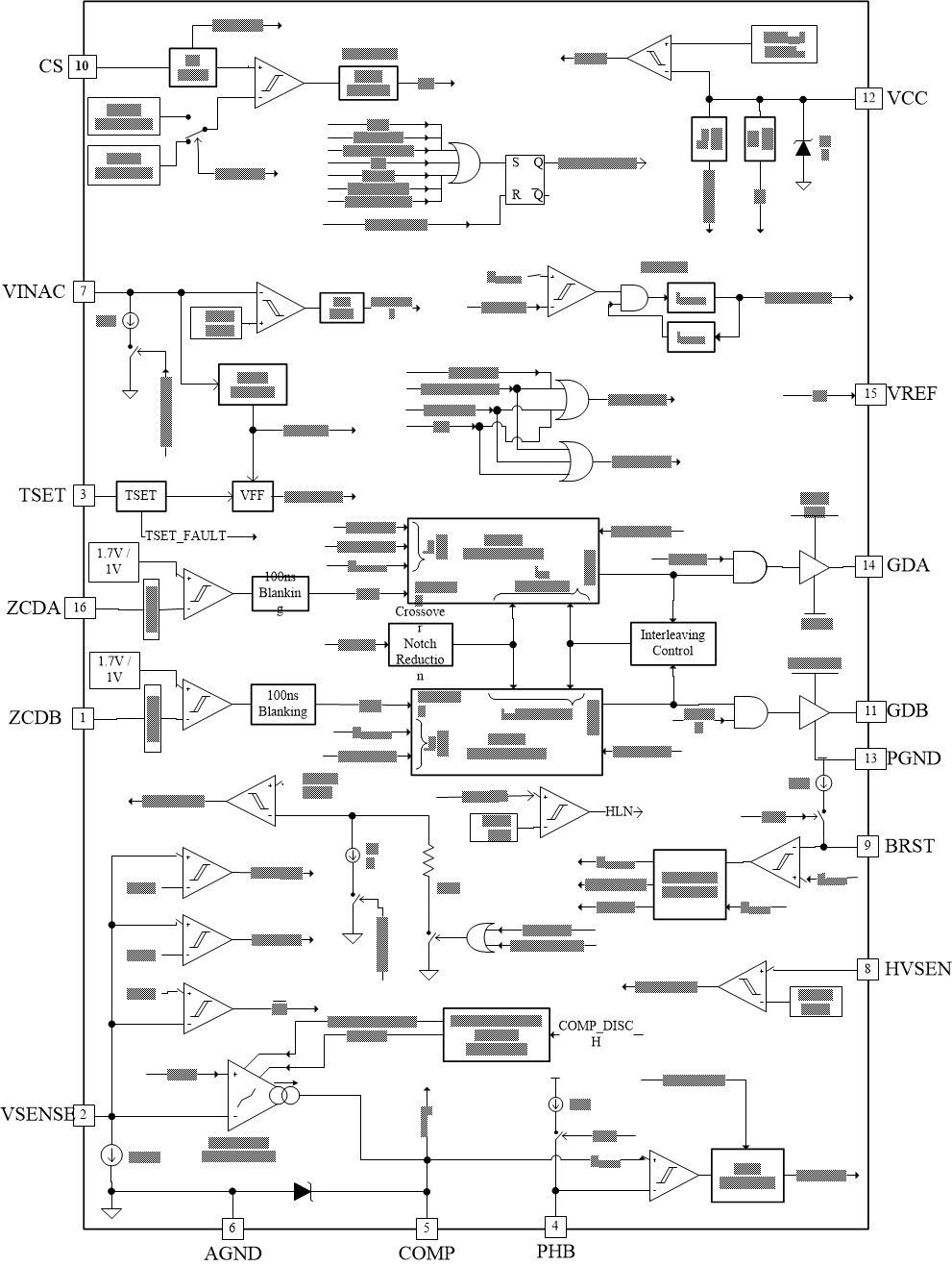
    2. 8.2 Functional Block Diagram
    3. 8.3 Feature Description
      1. 8.3.1  Principles of Operation
      2. 8.3.2  Natural Interleaving
      3. 8.3.3  On-Time Control, Maximum Frequency Limiting, Restart Timer and Input Voltage Feed-Forward compensation
      4. 8.3.4  Distortion Reduction
      5. 8.3.5  Zero-Current Detection and Valley Switching
      6. 8.3.6  Phase Management and Light-Load Operation
      7. 8.3.7  Burst Mode Operation
      8. 8.3.8  External Disable
      9. 8.3.9  Improved Error Amplifier
      10. 8.3.10 Soft Start
      11. 8.3.11 Brownout Protection
      12. 8.3.12 Line Dropout Detection
      13. 8.3.13 VREF
      14. 8.3.14 VCC
      15. 8.3.15 System Level Protections
        1. 8.3.15.1 Failsafe OVP - Output Over-voltage Protection
        2. 8.3.15.2 Overcurrent Protection
        3. 8.3.15.3 Open-Loop Protection
        4. 8.3.15.4 VCC Undervoltage Lock-Out (UVLO) Protection
        5. 8.3.15.5 Phase-Fail Protection
        6. 8.3.15.6 CS - Open, TSET - Open and Short Protection
        7. 8.3.15.7 Thermal Shutdown Protection
        8. 8.3.15.8 Fault Logic Diagram
    4. 8.4 Device Functional Modes
  9. Application and Implementation
    1. 9.1 Application Information
    2. 9.2 Typical Application
      1. 9.2.1 Design Requirements
      2. 9.2.2 Detailed Design Procedure
        1. 9.2.2.1  Custom Design With WEBENCH® Tools
        2. 9.2.2.2  Inductor Selection
        3. 9.2.2.3  ZCD Resistor Selection RZA, RZB
        4. 9.2.2.4  HVSEN
        5. 9.2.2.5  Output Capacitor Selection
        6. 9.2.2.6  Selecting RS For Peak Current Limiting
        7. 9.2.2.7  Power Semiconductor Selection (Q1, Q2, D1, D2)
        8. 9.2.2.8  Brownout Protection
        9. 9.2.2.9  Converter Timing
        10. 9.2.2.10 Programming VOUT
        11. 9.2.2.11 Voltage Loop Compensation
      3. 9.2.3 Application Curves
        1. 9.2.3.1 Input Ripple Current Cancellation with Natural Interleaving
        2. 9.2.3.2 Brownout Protection
  10. 10Power Supply Recommendations
  11. 11Layout
    1. 11.1 Layout Guidelines
    2. 11.2 Layout Example
  12. 12Package Option Addendum
    1. 12.1 Packaging Information
  13. 13器件和文档支持
    1. 13.1 器件支持
      1. 13.1.1 开发支持
        1. 13.1.1.1 使用 WEBENCH® 工具创建定制设计
    2. 13.2 文档支持
      1. 13.2.1 相关文档
    3. 13.3 接收文档更新通知
    4. 13.4 社区资源
    5. 13.5 商标
    6. 13.6 静电放电警告
    7. 13.7 Glossary
  14. 14机械、封装和可订购信息

特性

  • 降低了输入滤波器和输出电容器纹波电流
    • 为了实现更高系统可靠性和更小大容量电容器而减少的电流纹波
    • 缩小的电磁干扰 (EMI) 滤波器尺寸
  • 高轻负载效率
    • 具有输入电压补偿功能的用户可调节相位管理
    • 具有可调突发阈值的突发模式
    • 有助于符合 EUP Lot6 Tier II、CoC Tier II 和 DOE Level VI 标准
  • 无传感器电流整形简化了电路板布局并提升了效率
  • 输入线路前馈可实现快速线路瞬态响应
  • 浪涌安全电流限制:
    • 在浪涌期间防止 MOSFET 导通
    • 消除输出整流器中的 CCM 操作和反向恢复事件
  • 采用 16 引脚 SOIC 封装,工作温度范围为 –40°C 至 +125°C
  • 使用 UCC28064A 及其 WEBENCH® 电源设计器创建定制设计