ZHCSI13J October   2004  – November 2018 TPS75003

PRODUCTION DATA.  

  1. 特性
  2. 应用
  3. 说明
    1.     Device Images
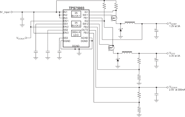
      1.      典型应用原理图
  4. 修订历史记录
  5. Pin Configuration and Functions
    1.     Pin Functions
  6. Specifications
    1. 6.1 Absolute Maximum Ratings
    2. 6.2 ESD Ratings
    3. 6.3 Recommended Operating Conditions
    4. 6.4 Thermal Information
    5. 6.5 Electrical Characteristics
    6. 6.6 Typical Characteristics
      1. 6.6.1 Buck Converter
      2. 6.6.2 LDO Converter
  7. Detailed Description
    1. 7.1 Overview
    2. 7.2 Functional Block Diagram
    3. 7.3 Feature Description
      1. 7.3.1  Operation (Buck Controllers)
      2. 7.3.2  Enable (Buck Controllers)
      3. 7.3.3  UVLO (Buck Controllers)
      4. 7.3.4  Current Limit (Buck Controllers)
      5. 7.3.5  Short-Circuit Protection (Buck Controllers)
      6. 7.3.6  Soft-Start (Buck Controllers)
      7. 7.3.7  LDO Operation
      8. 7.3.8  Internal Current Limit (LDO)
      9. 7.3.9  Enable Pin (LDO)
      10. 7.3.10 Dropout Voltage (LDO)
      11. 7.3.11 Transient Response (LDO)
      12. 7.3.12 Thermal Protection (LDO)
      13. 7.3.13 Power Dissipation (LDO)
  8. Application and Implementation
    1. 8.1 Application Information
    2. 8.2 Typical Application
      1. 8.2.1 Design Requirements
      2. 8.2.2 Detailed Design Procedure
        1. 8.2.2.1  Input Capacitor CIN1, CIN2 Selection (Buck Controllers)
        2. 8.2.2.2  Inductor Value Selection (Buck Controllers)
        3. 8.2.2.3  External PMOS Transistor Selection (Buck Controllers)
        4. 8.2.2.4  Diode Selection (Buck Controllers)
        5. 8.2.2.5  Output Capacitor Selection (Buck Controllers)
        6. 8.2.2.6  Output Voltage Ripple Effect on VOUT (Buck Controllers)
        7. 8.2.2.7  Soft-Start Capacitor Selection (Buck Controllers)
        8. 8.2.2.8  Output Voltage Setting Selection (Buck Controllers)
        9. 8.2.2.9  Input Capacitor Selection (LDO)
        10. 8.2.2.10 Output Capacitor Selection (LDO)
        11. 8.2.2.11 Soft-Start Capacitor Selection (LDO)
        12. 8.2.2.12 Setting Output Voltage (LDO)
      3. 8.2.3 Application Curves
  9. Power Supply Recommendations
  10. 10Layout
    1. 10.1 Layout Guidelines
      1. 10.1.1 PCB Layout Considerations
    2. 10.2 Layout Example
  11. 11器件和文档支持
    1. 11.1 器件支持
      1. 11.1.1 第三方产品免责声明
      2. 11.1.2 开发支持
    2. 11.2 文档支持
      1. 11.2.1 相关文档
    3. 11.3 接收文档更新通知
    4. 11.4 社区资源
    5. 11.5 商标
    6. 11.6 静电放电警告
    7. 11.7 术语表
  12. 12机械、封装和可订购信息

Device Images

典型应用原理图

TPS75003 fpd_bvs052.gif