ZHCSHV3A March   2018  – November 2018 LMX8410L

PRODUCTION DATA.  

  1. 特性
  2. 应用
  3. 说明
    1.     Device Images
      1.      简化方框图
  4. 修订历史记录
  5. Pin Configuration and Functions
    1.     Pin Functions
  6. Specifications
    1. 6.1 Absolute Maximum Ratings
    2. 6.2 ESD Ratings
    3. 6.3 Recommended Operating Conditions
    4. 6.4 Thermal Information
    5. 6.5 Electrical Characteristics
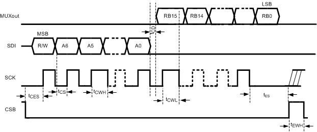
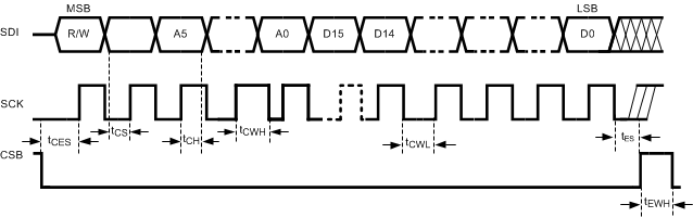
    6. 6.6 Timing Requirements
    7. 6.7 Typical Characteristics
  7. Detailed Description
    1. 7.1 Overview
    2. 7.2 Functional Block Diagram
    3. 7.3 Feature Description
      1. 7.3.1 Device Configurations and Feature Description
        1. 7.3.1.1 RF, LO and IF Interfaces
          1. 7.3.1.1.1 RF Interface
          2. 7.3.1.1.2 LO Interface
            1. 7.3.1.1.2.1 LO Interface as Output Port
            2. 7.3.1.1.2.2 LO Interface as Input Port
          3. 7.3.1.1.3 Baseband Interface
        2. 7.3.1.2 Device Configurations Overview
          1. 7.3.1.2.1 Initialize the Device
          2. 7.3.1.2.2 Configure LO Modes
          3. 7.3.1.2.3 Set Up External LO Clock
          4. 7.3.1.2.4 Perform DCOC (DC Offset Correction)
          5. 7.3.1.2.5 Turn Off SM Clock
          6. 7.3.1.2.6 Perform IMRR (Image Rejection Ratio) Calibration
        3. 7.3.1.3 State Machine Clock
          1. 7.3.1.3.1 Set Divider Values For Internal LO Mode
          2. 7.3.1.3.2 Set Divider Values For External LO Mode
        4. 7.3.1.4 DCOC (DC Offset Correction)
          1. 7.3.1.4.1 RF Input Power Restriction During DCOC
          2. 7.3.1.4.2 Set Up DCOC Clock Divider
        5. 7.3.1.5 Image Rejection Calibration
          1. 7.3.1.5.1 Phase Calibration
          2. 7.3.1.5.2 Gain Calibration
        6. 7.3.1.6 IF Amplifier Common Mode Configurations
        7. 7.3.1.7 Synchronization Mode (Internal LO Mode Only)
          1. 7.3.1.7.1 Synchronization of the LO_OUT Output to the Fosc Input
          2. 7.3.1.7.2 Synchronization of I/Q Outputs to Fosc Inputs Using Internal LO
    4. 7.4 Device Functional Modes
      1. 7.4.1 Internal LO Mode
        1. 7.4.1.1 VCO Range Uncertainty for 7.5 to 7.7 GHz
      2. 7.4.2 External LO Mode
    5. 7.5 Programming
      1. 7.5.1 General Comments Regarding Programming
      2. 7.5.2 Recommended Initial Power Up Sequence
      3. 7.5.3 Recommended and Power on Reset Bit Values
    6. 7.6 Register Map
      1. 7.6.1  R0 Register (Address = 0x0) [reset = X]
        1. Table 9. R0 Register Field Descriptions
      2. 7.6.2  R1 Register (Address = 0x1) [reset = 0x3]
        1. Table 10. R1 Register Field Descriptions
      3. 7.6.3  R2 Register (Address = 0x2) [reset = X]
        1. Table 11. R2 Register Field Descriptions
      4. 7.6.4  R9 Register (Address = 0x9) [reset = X]
        1. Table 12. R9 Register Field Descriptions
      5. 7.6.5  R10 Register (Address = 0xA) [reset = 0x80]
        1. Table 13. R10 Register Field Descriptions
      6. 7.6.6  R11 Register (Address = 0xB) [reset = 0x10]
        1. Table 14. R11 Register Field Descriptions
      7. 7.6.7  R14 Register (Address = 0xE) [reset = 0x70]
        1. Table 15. R14 Register Field Descriptions
      8. 7.6.8  R36 Register (Address = 0x24) [reset = 0x64]
        1. Table 16. R36 Register Field Descriptions
      9. 7.6.9  R37 Register (Address = 0x25) [reset = 0x200]
        1. Table 17. R37 Register Field Descriptions
      10. 7.6.10 R38 Register (Address = 0x26) [reset = 0x0]
        1. Table 18. R38 Register Field Descriptions
      11. 7.6.11 R39 Register (Address = 0x27) [reset = 0x2710]
        1. Table 19. R39 Register Field Descriptions
      12. 7.6.12 R40 Register (Address = 0x28) [reset = 0x0]
        1. Table 20. R40 Register Field Descriptions
      13. 7.6.13 R41 Register (Address = 0x29) [reset = 0x0]
        1. Table 21. R41 Register Field Descriptions
      14. 7.6.14 R42 Register (Address = 0x2A) [reset = 0x0]
        1. Table 22. R42 Register Field Descriptions
      15. 7.6.15 R43 Register (Address = 0x2B) [reset = 0x0]
        1. Table 23. R43 Register Field Descriptions
      16. 7.6.16 R44 Register (Address = 0x2C) [reset = 0xA2]
        1. Table 24. R44 Register Field Descriptions
      17. 7.6.17 R46 Register (Address = 0x2E) [reset = 0x1]
        1. Table 25. R46 Register Field Descriptions
      18. 7.6.18 R58 Register (Address = 0x3A) [reset = 0x8000]
        1. Table 26. R58 Register Field Descriptions
      19. 7.6.19 R59 Register (Address = 0x3B) [reset = 0x1]
        1. Table 27. R59 Register Field Descriptions
      20. 7.6.20 R69 Register (Address = 0x45) [reset = 0x0]
        1. Table 28. R69 Register Field Descriptions
      21. 7.6.21 R70 Register (Address = 0x46) [reset = 0xC350]
        1. Table 29. R70 Register Field Descriptions
      22. 7.6.22 R75 Register (Address = 0x4B) [reset = 0x0]
        1. Table 30. R75 Register Field Descriptions
      23. 7.6.23 R78 Register (Address = 0x4E) [reset = 0x0]
        1. Table 31. R78 Register Field Descriptions
      24. 7.6.24 R79 Register (Address = 0x4F) [reset = 0x7000]
        1. Table 32. R79 Register Field Descriptions
      25. 7.6.25 R80 Register (Address = 0x50) [reset = 0xA]
        1. Table 33. R80 Register Field Descriptions
      26. 7.6.26 R81 Register (Address = 0x51) [reset = 0x0]
        1. Table 34. R81 Register Field Descriptions
      27. 7.6.27 R82 Register (Address = 0x52) [reset = 0x23]
        1. Table 35. R82 Register Field Descriptions
      28. 7.6.28 R83 Register (Address = 0x53) [reset = 0x2000]
        1. Table 36. R83 Register Field Descriptions
      29. 7.6.29 R84 Register (Address = 0x54) [reset = 0x1900]
        1. Table 37. R84 Register Field Descriptions
      30. 7.6.30 R88 Register (Address = 0x58) [reset = 0x0]
        1. Table 38. R88 Register Field Descriptions
      31. 7.6.31 R94 Register (Address = 0x5E) [reset = 0x8080]
        1. Table 39. R94 Register Field Descriptions
      32. 7.6.32 R95 Register (Address = 0x5F) [reset = X]
        1. Table 40. R95 Register Field Descriptions
      33. 7.6.33 R103 Register (Address = 0x67) [reset = X]
        1. Table 41. R103 Register Field Descriptions
      34. 7.6.34 R110 Register (Address = 0x6E) [reset = X]
        1. Table 42. R110 Register Field Descriptions
      35. 7.6.35 R111 Register (Address = 0x6F) [reset = 0x0]
        1. Table 43. R111 Register Field Descriptions
      36. 7.6.36 R112 Register (Address = 0x70) [reset = 0x0]
        1. Table 44. R112 Register Field Descriptions
      37. 7.6.37 R121 Register (Address = 0x79) [reset = 0x0]
        1. Table 45. R121 Register Field Descriptions
      38. 7.6.38 R123 Register (Address = 0x7B) [reset = 0x3]
        1. Table 46. R123 Register Field Descriptions
      39. 7.6.39 R126 Register (Address = 0x7E) [reset = X]
        1. Table 47. R126 Register Field Descriptions
  8. Application and Implementation
    1. 8.1 Application Information
    2. 8.2 Typical Application
      1. 8.2.1 Design Requirements
      2. 8.2.2 Detailed Design Procedure
      3. 8.2.3 Application Curve
  9. Power Supply Recommendations
  10. 10Layout
    1. 10.1 Layout Guidelines
      1. 10.1.1 High Frequency Trace Routing
      2. 10.1.2 Power Trace Routing
    2. 10.2 Layout Examples
  11. 11器件和文档支持
    1. 11.1 文档支持
      1. 11.1.1 相关文档
    2. 11.2 接收文档更新通知
    3. 11.3 社区资源
    4. 11.4 商标
    5. 11.5 静电放电警告
    6. 11.6 术语表
  12. 12机械、封装和可订购信息

特性

  • 宽带射频输入:4 至 10GHz
  • 大型中频带宽:直流至 1350MHz
  • 输入 IP3:5GHz 射频输入时为 28dBm
  • 噪声系数:5GHz 射频输入时为 15dB
  • 高电压转换增益:5GHz 射频输入时为 11dB
  • 集成宽带射频输入平衡-非平衡变压器
  • 自动离线直流失调电压校正为 ±2mV
  • 可编程 IMRR 校准
  • 针对多个器件的同步功能
  • 高性能集成 LO 合成器:5GHz 载波条件下具有 56.5dBc 的 DSB 集成噪声
  • 外部 LO 模式:可旁路绕开集成 LO 合成器;支持外部 LO 注入
  • 集成低噪声 LDO
  • 7mm × 7mm 48 引脚 QFN 封装