ZHCSH20 October   2017 TAS5634

PRODUCTION DATA.  

  1. 特性
  2. 应用
  3. 说明
  4. 修订历史记录
  5. Device Comparison
  6. Pin Configuration and Functions
  7. Specifications
    1. 7.1 Absolute Maximum Ratings
    2. 7.2 ESD Ratings
    3. 7.3 Recommended Operating Conditions
    4. 7.4 Thermal Information
    5. 7.5 Audio Specification Stereo (BTL)
    6. 7.6 Audio Specifications Mono (PBTL)
    7. 7.7 Audio Specification 4 Channels (SE)
    8. 7.8 Electrical Characteristics
    9. 7.9 Typical Characteristics
      1. 7.9.1 BTL Configuration
      2. 7.9.2 PBTL Configuration
      3. 7.9.3 SE Configuration
  8. Detailed Description
    1. 8.1 Overview
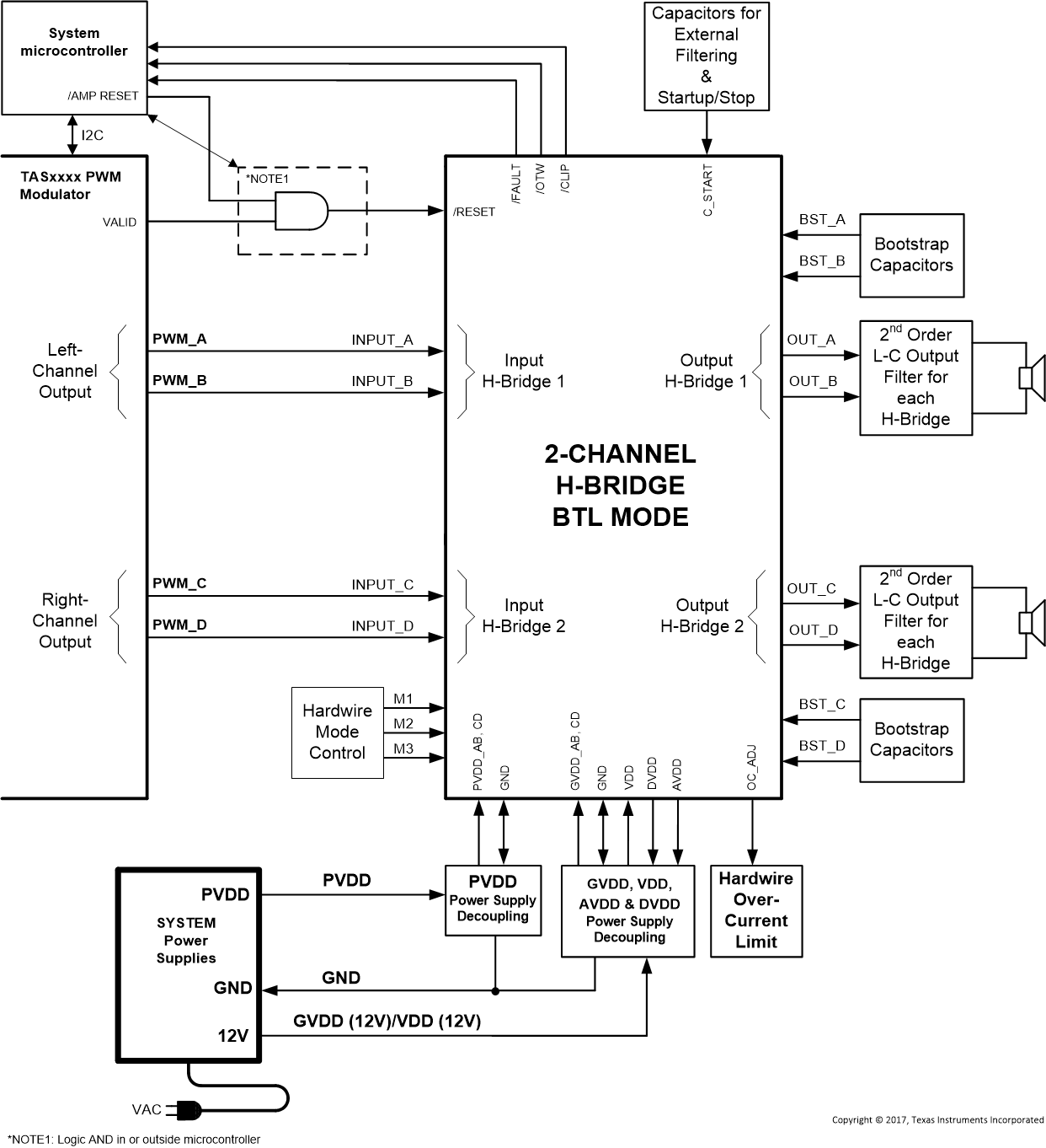
    2. 8.2 Functional Block Diagrams
    3. 8.3 Feature Description
      1. 8.3.1  Closed-Loop Architecture
      2. 8.3.2  Power Supplies
        1. 8.3.2.1 BST, Bootstrap Supply
        2. 8.3.2.2 PVDD, Output Stage Power Supply
        3. 8.3.2.3 GVDD, Gate-Drive Power Supply
        4. 8.3.2.4 VDD Supply, Internal Regulators (DVDD and AVDD)
      3. 8.3.3  System Power-Up / Power-Down Sequence
        1. 8.3.3.1 Powering Up
        2. 8.3.3.2 Powering Down
      4. 8.3.4  Startup and Shutdown Ramp Sequence (C_START)
      5. 8.3.5  Device Protection System
      6. 8.3.6  Overload and Short Circuit Current Protection
      7. 8.3.7  DC Speaker Protection
      8. 8.3.8  Pin-To-Pin Short Circuit Protection (PPSC)
      9. 8.3.9  Overtemperature Protection
      10. 8.3.10 Overtemperature Warning, OTW
      11. 8.3.11 Undervoltage Protection (UVP) and Power-On Reset (POR)
      12. 8.3.12 Error Reporting
      13. 8.3.13 Fault Handling
      14. 8.3.14 System Design Consideration
    4. 8.4 Device Functional Modes
      1. 8.4.1 Stereo, Bridge-tied Load (BTL)
      2. 8.4.2 Mono, Paralleled Bridge-tied Load (PBTL)
      3. 8.4.3 4-Channel, Single-ended (SE)
      4. 8.4.4 BD Modulation
      5. 8.4.5 Device Reset
      6. 8.4.6 Unused Output Channels
  9. Application and Implementation
    1. 9.1 Application Information
    2. 9.2 Typical Applications
      1. 9.2.1 Typical BTL Application
        1. 9.2.1.1 Design Requirements
        2. 9.2.1.2 Detailed Design Procedure
        3. 9.2.1.3 Pin Connections
        4. 9.2.1.4 Application Curves
      2. 9.2.2 Typical PBTL Configuration
        1. 9.2.2.1 Application Curves
      3. 9.2.3 Typical SE Configuration
        1. 9.2.3.1 Application Curves
  10. 10Power Supply Recommendations
    1. 10.1 Power Supplies
    2. 10.2 Bootstrap Supply
  11. 11Layout
    1. 11.1 Layout Guidelines
      1. 11.1.1 PCB Material Recommendation
      2. 11.1.2 PVDD Capacitor Recommendation
      3. 11.1.3 Decoupling Capacitor Recommendation
      4. 11.1.4 Circuit Component Requirements
      5. 11.1.5 Printed Circuit Board Requirements
    2. 11.2 Layout Example
  12. 12器件和文档支持
    1. 12.1 接收文档更新通知
    2. 12.2 社区资源
    3. 12.3 商标
    4. 12.4 静电放电警告
    5. 12.5 Glossary
  13. 13机械、封装和可订购信息

特性

  • PWM 输入、D 类放大器功率级,与 TI 数字输入 (I2S) 音频处理器和调制器兼容
  • 高清集成闭环反馈,具备以下特性:
    • 在为 6Ω 负载提供 1W 功率时,THD 为 0.025%
    • PSRR 大于 70dB(无输入信号)
    • SNR 大于 105dB(A 加权)
  • 10% THD+N 时的输出功率
    • 600W/3Ω(PBTL 单声道配置)
    • 300W/6Ω(BTL 立体声配置)
    • 230W/8Ω(BTL 立体声配置)
  • 1% THD+N 时的输出功率
    • 465W/3Ω(PBTL 单声道配置)
    • 240W/6Ω(BTL 立体声配置)
    • 180W/8Ω(BTL 立体声配置)
  • 集成式 80 mΩ MOSFET,可降低散热器尺寸
    • 满量程输出功率下的效率大于 91%
    • 1/8 量程输出功率下的效率大于 75%
  • 启动时无喀哒声
  • 器件保护:欠压保护、过热保护、过流保护、短路保护和直流扬声器保护
  • 适用于 G 类电源控制的预削波输出信号
  • 44 引脚 HTSSOP (DDV) 封装,顶部带有散热焊盘

应用

  • 电动扬声器
  • 低音炮
  • 微型组件系统
  • 条形音箱
  • 专业和公共广播 (PA) 扬声器

说明

TAS5634 是一款 PWM 输入 D 类放大器功率级,可在 58V 标称电源电压下提供 2 x 300W (6Ω) 或 1 x 600W (3Ω) 的输出功率。58V 电源电压支持较高阻抗的扬声器负载,其中 BTL 为 6Ω,PBTL 为 3Ω。集成式 MOSFET 和全新栅极驱动方案具有较高的峰值效率和较低的空闲损耗,能够减小散热器解决方案尺寸。

TAS5634 使用闭环反馈设计,具有恒定的电压增益。开关模式电源 (SMPS) 的使用,使得内部匹配的增益电阻器可确保实现较高的电源抑制比 (PSRR) 和较低的输出噪声。

TAS5634 是一款兼容 TI 的数字输入 (I2S) 音频处理器和调制器产品组合的全集成式功率级,与 TAS5548 和 TAS5558 类似,也是一个完整的数字输入 D 类放大器。TAS5634 采用表面安装 44 引脚 HTSSOP 封装,是 PWM 输入 D 类功率级兼容引脚产品系列(包括 TAS5612LA、TAS5614LA 和 TAS5624A)中的一员。 PowerPAD™ PurePath™ 高清

器件信息(1)

器件型号 封装 封装尺寸(标称值)
TAS5634 HTSSOP 14.00mm x 6.10mm
  1. 如需了解所有可用封装,请参阅数据表末尾的可订购产品附录。

简化电路原理图

TAS5634 FrontPageApplication.gif

修订历史记录

日期 修订版本 说明
2017 年 10 月 * 首次公开发布。