ZHCSGX5 October   2017 ADS54J64

PRODUCTION DATA.  

  1. 特性
  2. 应用
  3. 说明
  4. 修订历史记录
  5. Pin Configuration and Functions
  6. Specifications
    1. 6.1  Absolute Maximum Ratings
    2. 6.2  ESD Ratings
    3. 6.3  Recommended Operating Conditions
    4. 6.4  Thermal Information
    5. 6.5  Electrical Characteristics
    6. 6.6  AC Performance
    7. 6.7  Digital Characteristics
    8. 6.8  Timing Characteristics
    9. 6.9  Typical Characteristics: DDC Bypass Mode
    10. 6.10 Typical Characteristics: Mode 2
    11. 6.11 Typical Characteristics: Mode 0
    12. 6.12 Typical Characteristics: Dual ADC Mode
  7. Detailed Description
    1. 7.1 Overview
    2. 7.2 Functional Block Diagram
    3. 7.3 Feature Description
      1. 7.3.1 Analog Inputs
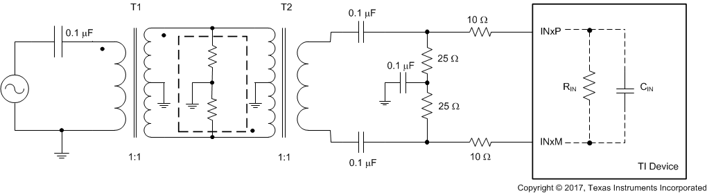
      2. 7.3.2 Recommended Input Circuit
      3. 7.3.3 Clock Input
    4. 7.4 Device Functional Modes
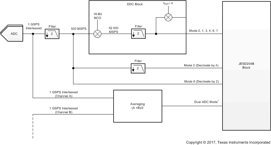
      1. 7.4.1 Digital Functions
        1. 7.4.1.1  Numerically Controlled Oscillators (NCOs) and Mixers
        2. 7.4.1.2  Decimation Filter
          1. 7.4.1.2.1 Stage-1 Filter
          2. 7.4.1.2.2 Stage-2 Filter
        3. 7.4.1.3  Mode 0: Decimate-by-4 With IQ Outputs and fS / 4 Mixer
        4. 7.4.1.4  Mode 1: Decimate-by-4 With IQ Outputs and 16-Bit NCO
        5. 7.4.1.5  Mode 2: Decimate-by-4 With Real Output
        6. 7.4.1.6  Mode 3: Decimate-by-2 Real Output With Frequency Shift
        7. 7.4.1.7  Mode 4: Decimate-by-4 With Real Output
        8. 7.4.1.8  Mode 6: Decimate-by-4 With IQ Outputs for Up to 110 MHz of IQ Bandwidth
        9. 7.4.1.9  Mode 7: Decimate-by-4 With Real Output and Zero Stuffing
        10. 7.4.1.10 Mode 8: DDC Bypass Mode
        11. 7.4.1.11 Averaging Mode
        12. 7.4.1.12 Overrange Indication
    5. 7.5 Programming
      1. 7.5.1 JESD204B Interface
      2. 7.5.2 JESD204B Initial Lane Alignment (ILA)
      3. 7.5.3 JESD204B Frame Assembly
      4. 7.5.4 JESD Output Switch
        1. 7.5.4.1 SerDes Transmitter Interface
        2. 7.5.4.2 SYNCb Interface
        3. 7.5.4.3 Eye Diagram
      5. 7.5.5 Device Configuration
        1. 7.5.5.1 Details of the Serial Interface
          1. 7.5.5.1.1 Register Initialization
        2. 7.5.5.2 Serial Register Write
        3. 7.5.5.3 Serial Read
    6. 7.6 Register Maps
      1. 7.6.1 Register Map
        1. 7.6.1.1 Register Description
          1. 7.6.1.1.1 GLOBAL Page Register Description
            1. 7.6.1.1.1.1 Register 00h (address = 00h) [reset = 0h], GLOBAL Page
            2. 7.6.1.1.1.2 Register 04h (address = 04h) [reset = 0h], GLOBAL Page
            3. 7.6.1.1.1.3 Register 11h (address = 11h) [reset = 0h], GLOBAL Page
            4. 7.6.1.1.1.4 Register 12h (address = 12h) [reset = 0h], GLOBAL Page
            5. 7.6.1.1.1.5 Register 13h (address = 13h) [reset = 0h], GLOBAL Page
          2. 7.6.1.1.2 DIGTOP Page Register Description
            1. 7.6.1.1.2.1  Register 64h (address = 64h) [reset = 0h], DIGTOP Page
            2. 7.6.1.1.2.2  Register 8Dh (address = 8Dh) [reset = 0h], DIGTOP Page
            3. 7.6.1.1.2.3  Register 8Eh (address = 8Eh) [reset = 0h], DIGTOP Page
            4. 7.6.1.1.2.4  Register 8Fh (address = 8Fh) [reset = 0h], DIGTOP Page
            5. 7.6.1.1.2.5  Register 90h (address = 90h) [reset = 0h], DIGTOP Page
            6. 7.6.1.1.2.6  Register 91h (address = 91h) [reset = 0h], DIGTOP Page
            7. 7.6.1.1.2.7  Register A5h (address = A5h) [reset = 0h], DIGTOP Page
            8. 7.6.1.1.2.8  Register A6h (address = A6h) [reset = 0h], DIGTOP Page
            9. 7.6.1.1.2.9  Register ABh (address = ABh) [reset = 0h], DIGTOP Page
            10. 7.6.1.1.2.10 Register ACh (address = ACh) [reset = 0h], DIGTOP Page
            11. 7.6.1.1.2.11 Register ADh (address = ADh) [reset = 0h], DIGTOP Page
            12. 7.6.1.1.2.12 Register AEh (address = AEh) [reset = 0h], DIGTOP Page
            13. 7.6.1.1.2.13 Register B7h (address = B7h) [reset = 0h], DIGTOP Page
            14. 7.6.1.1.2.14 Register 8Ch (address = 8Ch) [reset = 0h], DIGTOP Page
          3. 7.6.1.1.3 ANALOG Page Register Description
            1. 7.6.1.1.3.1  Register 6Ah (address = 6Ah) [reset = 0h], ANALOG Page
            2. 7.6.1.1.3.2  Register 6Fh (address = 6Fh) [reset = 0h], ANALOG Page
            3. 7.6.1.1.3.3  Register 71h (address = 71h) [reset = 0h], ANALOG Page
            4. 7.6.1.1.3.4  Register 72h (address = 72h) [reset = 0h], ANALOG Page
            5. 7.6.1.1.3.5  Register 93h (address = 93h) [reset = 0h], ANALOG Page
            6. 7.6.1.1.3.6  Register 94h (address = 94h) [reset = 0h], ANALOG Page
            7. 7.6.1.1.3.7  Register 9Bh (address = 9Bh) [reset = 0h], ANALOG Page
            8. 7.6.1.1.3.8  Register 9Dh (address = 9Dh) [reset = 0h], ANALOG Page
            9. 7.6.1.1.3.9  Register 9Eh (address = 9Eh) [reset = 0h], ANALOG Page
            10. 7.6.1.1.3.10 Register 9Fh (address = 9Fh) [reset = 0h], ANALOG Page
            11. 7.6.1.1.3.11 Register AFh (address = AFh) [reset = 0h], ANALOG Page
          4. 7.6.1.1.4 SERDES_XX Page Register Description
            1. 7.6.1.1.4.1  Register 20h (address = 20h) [reset = 0h], SERDES_XX Page
            2. 7.6.1.1.4.2  Register 21h (address = 21h) [reset = 0h], SERDES_XX Page
            3. 7.6.1.1.4.3  Register 22h (address = 22h) [reset = 0h], SERDES_XX Page
            4. 7.6.1.1.4.4  Register 23h (address = 23h) [reset = 0h], SERDES_XX Page
            5. 7.6.1.1.4.5  Register 25h (address = 25h) [reset = 0h], SERDES_XX Page
            6. 7.6.1.1.4.6  Register 26h (address = 26h) [reset = 0h], SERDES_XX Page
            7. 7.6.1.1.4.7  Register 28h (address = 28h) [reset = 0h], SERDES_XX Page
            8. 7.6.1.1.4.8  Register 2Dh (address = 2Dh) [reset = 0h], SERDES_XX Page
            9. 7.6.1.1.4.9  Register 36h (address = 36h) [reset = 0h], SERDES_XX Page
            10. 7.6.1.1.4.10 Register 41h (address = 41h) [reset = 0h], SERDES_XX Page
            11. 7.6.1.1.4.11 Register 42h (address = 42h) [reset = 0h], SERDES_XX Page
          5. 7.6.1.1.5 CHX Page Register Description
            1. 7.6.1.1.5.1 Register 26h (address = 26h) [reset = 0h], CHX Page
            2. 7.6.1.1.5.2 Register 27h (address = 27h) [reset = 0h], CHX Page
            3. 7.6.1.1.5.3 Register 2Dh (address = 2Dh) [reset = 0h], CHX Page
            4. 7.6.1.1.5.4 Register 78h (address = 78h) [reset = 0h], CHX Page
            5. 7.6.1.1.5.5 Register 7Ah (address = 7Ah) [reset = 0h], CHX Page
            6. 7.6.1.1.5.6 Register 7Bh (address = 7Bh) [reset = 0h], CHX Page
            7. 7.6.1.1.5.7 Register 7Eh (address = 7Eh) [reset = 3h], CHX Page
          6. 7.6.1.1.6 ADCXX Page Register Description
            1. 7.6.1.1.6.1 Register 07h (address = 07h) [reset = FFh], ADCXX Page
            2. 7.6.1.1.6.2 Register 08h (address = 08h) [reset = 0h], ADCXX Page
            3. 7.6.1.1.6.3 Register D5h (address = D5h) [reset = 0h], ADCXX Page
            4. 7.6.1.1.6.4 Register 2Ah (address = 2Ah) [reset = 0h], ADCXX Page
            5. 7.6.1.1.6.5 Register CFh (address = CFh) [reset = 0h], ADCXX Page
  8. Application and Implementation
    1. 8.1 Application Information
      1. 8.1.1 Start-Up Sequence
      2. 8.1.2 Hardware Reset
      3. 8.1.3 Frequency Planning
      4. 8.1.4 SNR and Clock Jitter
      5. 8.1.5 ADC Test Pattern
        1. 8.1.5.1 ADC Section
        2. 8.1.5.2 Transport Layer Pattern
        3. 8.1.5.3 Link Layer Pattern
    2. 8.2 Typical Application
      1. 8.2.1 Design Requirements
      2. 8.2.2 Detailed Design Procedure
      3. 8.2.3 Application Curves
  9. Power Supply Recommendations
  10. 10Layout
    1. 10.1 Layout Guidelines
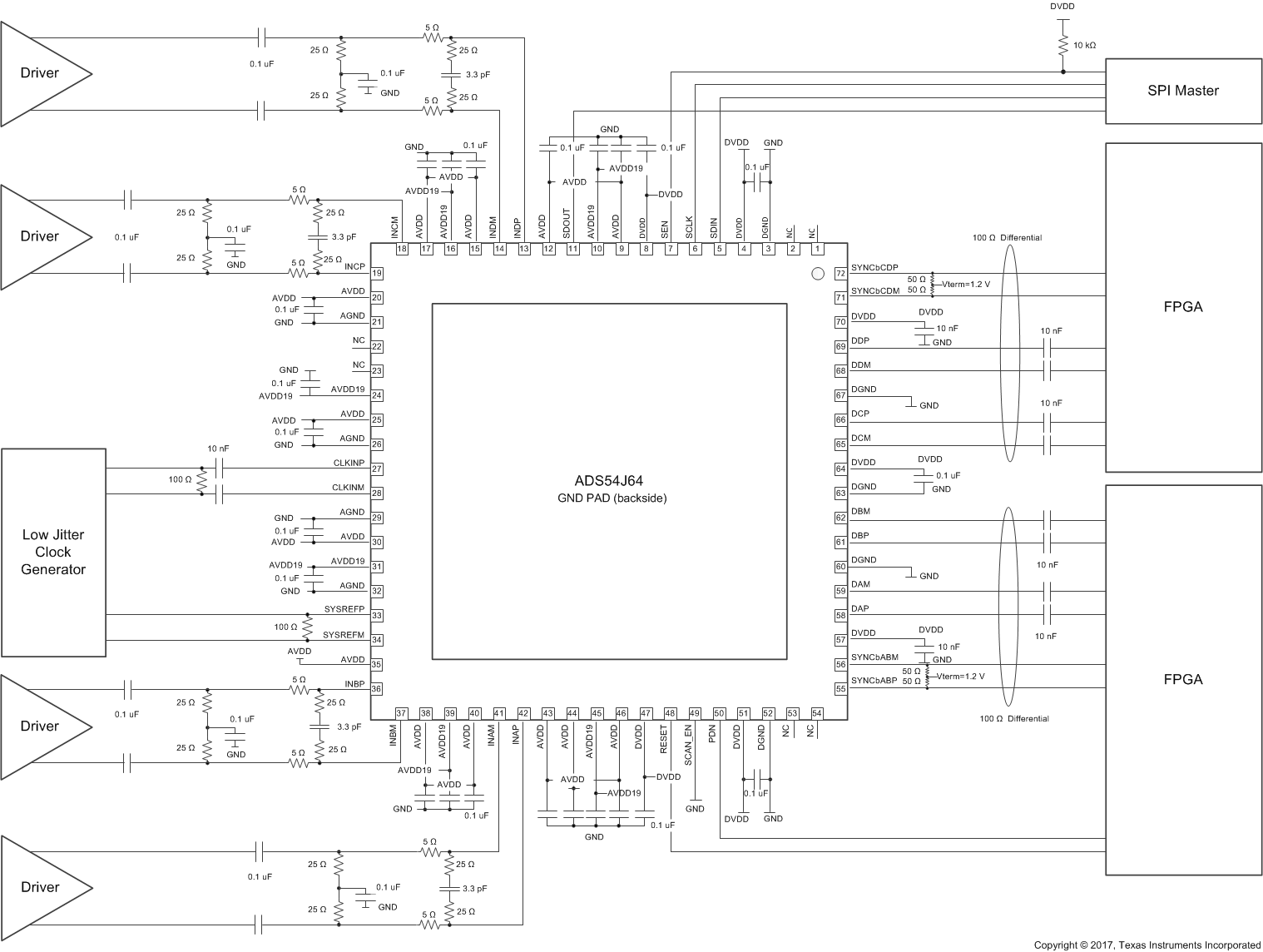
    2. 10.2 Layout Example
  11. 11器件和文档支持
    1. 11.1 接收文档更新通知
    2. 11.2 社区资源
    3. 11.3 商标
    4. 11.4 静电放电警告
    5. 11.5 Glossary
  12. 12机械、封装和可订购信息

特性

  • 四通道、14 位分辨率
  • 最大采样率:1GSPS
  • 最大输出采样率:500MSPS
  • 高阻抗模拟输入缓冲器
  • 模拟输入带宽 (–3 dB):1GHz
  • 输出选项:
    • 使用 16 位 NCO 的数字下变频器
    • 全速率输出高达 500MSPS 的 DDC 旁路
  • 差分满量程输入:1.1VPP
  • JESD204B 接口:
    • 支持子类 1
    • 每个 ADC 一条信道,速率高达 10Gsps
    • 专用于通道对的 SYNC 引脚
  • 支持多芯片同步
  • 频谱性能:
    • fIN = 190-MHz IF(–1dBFS 时):
      • 信噪比 (SNR):69dBFS
      • 噪声频谱密度 (NSD):-153dBFS/Hz
      • 无杂散动态范围 (SFDR):86dBc(HD2,HD3),
        95dBFS(非 HD2,HD3)
    • fIN = 370-MHz IF(–3dBFS 时):
      • SNR:68.5dBFS
      • NSD:–152.5dBFS/Hz
      • SFDR:80dBc(HD2,HD3),
        86dBFS(非 HD2,HD3)
  • 72 引脚 VQFN 封装 (10mm × 10mm)
  • 功耗:625 mW/通道,共 2.5W
  • 电源:1.15V、1.15V、1.9V

应用

  • 多载波多模式 GSM 蜂窝基础设施基站
  • 电信接收器
  • 雷达和天线阵列
  • 电缆 CMTS,DOCSIS 3.1 接收器
  • 通信测试设备
  • 微波接收器
  • 软件定义无线电 (SDR)
  • 数字转换器
  • 医疗成像和诊断功能

说明

ADS54J64 器件是四通道、14 位、
1GSPS 模数转换器 (ADC),提供宽带宽、2倍过采样和高 SNR。ADS54J64 支持 JESD204B 串行接口,每个通道上具有 1 条信道,数据速率高达 10Gbps。经缓冲的模拟输入可在较宽频率范围内提供一致的阻抗,并最大程度降低采样保持干扰能量。ADS54J64 以超低功耗在较大输入频率范围内提供出色的无杂散动态范围 (SFDR)。数字信号处理块包含复频混频器,后接低通滤波器,低通滤波器具有 2 倍抽取率和 4 倍抽取率两个选项,支持高达 200MHz 的接收带宽。ADS54J64 还支持 DDC 旁路模式的 14 位、500MSPS 输出。

四通道 JESD204B 接口简化了连接,可实现高系统集成密度。内部锁相环 (PLL) 会将传入的 ADC 采样时钟加倍,以获得串行输出各通道的 14 位数据时所使用的位时钟。

器件信息(1)

器件型号 封装 封装尺寸(标称值)
ADS54J64 VQFN (72) 10.00mm x 10.00mm
  1. 如需了解所有可用封装,请参阅产品说明书末尾的可订购产品附录。

空白

空白

简化框图

ADS54J64 bd_bas841.gif

修订历史记录

日期 修订版本 说明
2017 年 10 月 * 初始发行版。