ZHCSGN5B March   2017  – July 2018 LP8863-Q1

PRODUCTION DATA.  

  1. 特性
  2. 应用
  3. 说明
    1.     系统效率
  4. 修订历史记录
  5. Device Comparison Table
  6. Pin Configuration and Functions
  7. Specifications
    1. 7.1  Absolute Maximum Ratings
    2. 7.2  ESD Ratings
    3. 7.3  Recommended Operating Conditions
    4. 7.4  Thermal Information
    5. 7.5  Electrical Characteristics
    6. 7.6  Protection Electrical Characteristics
    7. 7.7  LED Current Sink and LED PWM Electrical Characteristics
    8. 7.8  Power-Line FET and RISENSE Electrical Characteristics
    9. 7.9  Input PWM Electrical Characteristics
    10. 7.10 Boost Converter Electrical Characteristics
    11. 7.11 Oscillator
    12. 7.12 Charge Pump
    13. 7.13 Logic Interface Characteristics
    14. 7.14 Timing Requirements for SPI Interface
    15. 7.15 Timing Requirements for I2C Interface
    16. 7.16 Typical Characteristics
  8. Detailed Description
    1. 8.1 Overview
    2. 8.2 Functional Block Diagram
    3. 8.3 Feature Description
      1. 8.3.1 Control Interface
      2. 8.3.2 Boost Controller
        1. 8.3.2.1 Boost Adaptive Voltage Control
          1. 8.3.2.1.1 FB Divider Using Two-Resistor Method
          2. 8.3.2.1.2 FB Divider Using Three-Resistor Method
        2. 8.3.2.2 Boost Sync and Spread Spectrum
        3. 8.3.2.3 Boost Output Discharge
      3. 8.3.3 2X Charge Pump
      4. 8.3.4 1.8-V LDO
      5. 8.3.5 LED Current Sinks
        1. 8.3.5.1 LED Output Current Setting
        2. 8.3.5.2 LED Output PWM Clock Generation
        3. 8.3.5.3 LED Output String Configuration
          1. 8.3.5.3.1 Independent Cluster Brightness Control Mode
      6. 8.3.6 Brightness Control
        1. 8.3.6.1 Brightness Control Signal Path
        2. 8.3.6.2 Hybrid Dimming
        3. 8.3.6.3 Sloper
        4. 8.3.6.4 Dither
      7. 8.3.7 Die Temperature Read-Out and Thermal Window Detector
      8. 8.3.8 Protection and Fault Detections
        1. 8.3.8.1 LED Faults
        2. 8.3.8.2 Boost Faults
        3. 8.3.8.3 Power-Line Faults
        4. 8.3.8.4 VDD Undervoltage Fault
        5. 8.3.8.5 Thermal Shutdown
        6. 8.3.8.6 Overview of the Fault/Protection Schemes
    4. 8.4 Device Functional Modes
      1. 8.4.1  State Diagram
      2. 8.4.2  Shutdown
      3. 8.4.3  Device Initialization
      4. 8.4.4  Standby Mode
      5. 8.4.5  Power-line FET Soft Start
      6. 8.4.6  Boost Start-Up
      7. 8.4.7  Normal Mode
      8. 8.4.8  Discharge Mode
      9. 8.4.9  Fault Recovery
      10. 8.4.10 Latch Fault
      11. 8.4.11 Start-Up Sequence
      12. 8.4.12 Shutdown Sequence
    5. 8.5 Programming
      1. 8.5.1 Serial Interface Selection
      2. 8.5.2 SPI Interface
      3. 8.5.3 I2C-Compatible Interface
      4. 8.5.4 Programming Examples
        1. 8.5.4.1 General Configuration Registers
        2. 8.5.4.2 Clearing Fault Interrupts
        3. 8.5.4.3 Disabling Fault Interrupts
        4. 8.5.4.4 Diagnostic Registers
        5. 8.5.4.5 Cluster Mode Configuration and Control Registers
    6. 8.6 Register Maps
      1. 8.6.1 FullMap Registers
        1. 8.6.1.1  BL_MODE Register (Offset = 20h) [reset = 300h]
          1. Table 14. BL_MODE Register Field Descriptions
        2. 8.6.1.2  DISP_BRT Register (Offset = 28h) [reset = 0h]
          1. Table 15. DISP_BRT Register Field Descriptions
        3. 8.6.1.3  GROUPING1 Register (Offset = 30h) [reset = 0h]
          1. Table 16. GROUPING1 Register Field Descriptions
        4. 8.6.1.4  GROUPING2 Register (Offset = 32h) [reset = 0h]
          1. Table 17. GROUPING2 Register Field Descriptions
        5. 8.6.1.5  USER_CONFIG1 Register (Offset = 40h) [reset = 8B0h]
          1. Table 18. USER_CONFIG1 Register Field Descriptions
        6. 8.6.1.6  USER_CONFIG2 Register (Offset = 42h) [reset = 0h]
          1. Table 19. USER_CONFIG2 Register Field Descriptions
        7. 8.6.1.7  INTERRUPT_ENABLE_3 Register (Offset = 4Eh) [reset = 200Ah]
          1. Table 20. INTERRUPT_ENABLE_3 Register Field Descriptions
        8. 8.6.1.8  INTERRUPT_ENABLE_1 Register (Offset = 50h) [reset = A02Ah]
          1. Table 21. INTERRUPT_ENABLE_1 Register Field Descriptions
        9. 8.6.1.9  INTERRUPT_ENABLE_2 Register (Offset = 52h) [reset = 80h]
          1. Table 22. INTERRUPT_ENABLE_2 Register Field Descriptions
        10. 8.6.1.10 INTERRUPT_STATUS_1 Register (Offset = 54h) [reset = 0h]
          1. Table 23. INTERRUPT_STATUS_1 Register Field Descriptions
        11. 8.6.1.11 INTERRUPT_STATUS_2 Register (Offset = 56h) [reset = 0h]
          1. Table 24. INTERRUPT_STATUS_2 Register Field Descriptions
        12. 8.6.1.12 INTERRUPT_STATUS_3 Register (Offset = 58h) [reset = 0h]
          1. Table 25. INTERRUPT_STATUS_3 Register Field Descriptions
        13. 8.6.1.13 JUNCTION_TEMPERATURE Register (Offset = E8h) [reset = 100h]
          1. Table 26. JUNCTION_TEMPERATURE Register Field Descriptions
        14. 8.6.1.14 TEMPERATURE_LIMIT_HIGH Register (Offset = ECh) [reset = 7Dh]
          1. Table 27. TEMPERATURE_LIMIT_HIGH Register Field Descriptions
        15. 8.6.1.15 TEMPERATURE_LIMIT_LOW Register (Offset = EEh) [reset = 69h]
          1. Table 28. TEMPERATURE_LIMIT_LOW Register Field Descriptions
        16. 8.6.1.16 CLUSTER1_BRT Register (Offset = 13Ch) [reset = FFFFh]
          1. Table 29. CLUSTER1_BRT Register Field Descriptions
        17. 8.6.1.17 CLUSTER2_BRT Register (Offset = 148h) [reset = FFFFh]
          1. Table 30. CLUSTER2_BRT Register Field Descriptions
        18. 8.6.1.18 CLUSTER3_BRT Register (Offset = 154h) [reset = FFFFh]
          1. Table 31. CLUSTER3_BRT Register Field Descriptions
        19. 8.6.1.19 CLUSTER4_BRT Register (Offset = 160h) [reset = FFFFh]
          1. Table 32. CLUSTER4_BRT Register Field Descriptions
        20. 8.6.1.20 CLUSTER5_BRT Register (Offset = 16Ch) [reset = FFFFh]
          1. Table 33. CLUSTER5_BRT Register Field Descriptions
        21. 8.6.1.21 BRT_DB_CONTROL Register (Offset = 178h) [reset = 0h]
          1. Table 34. BRT_DB_CONTROL Register Field Descriptions
        22. 8.6.1.22 LED0_CURRENT Register (Offset = 1C2h) [reset = FFFh]
          1. Table 35. LED0_CURRENT Register Field Descriptions
        23. 8.6.1.23 LED1_CURRENT Register (Offset = 1C4h) [reset = FFFh]
          1. Table 36. LED1_CURRENT Register Field Descriptions
        24. 8.6.1.24 LED2_CURRENT Register (Offset = 1C6h) [reset = FFFh]
          1. Table 37. LED2_CURRENT Register Field Descriptions
        25. 8.6.1.25 LED3_CURRENT Register (Offset = 1C8h) [reset = FFFh]
          1. Table 38. LED3_CURRENT Register Field Descriptions
        26. 8.6.1.26 LED4_CURRENT Register (Offset = 1CAh) [reset = FFFh]
          1. Table 39. LED4_CURRENT Register Field Descriptions
        27. 8.6.1.27 LED5_CURRENT Register (Offset = 1CCh) [reset = FFFh]
          1. Table 40. LED5_CURRENT Register Field Descriptions
        28. 8.6.1.28 BOOST_CONTROL Register (Offset = 288h) [reset = 1C0h]
          1. Table 41. BOOST_CONTROL Register Field Descriptions
        29. 8.6.1.29 SHORT_THRESH Register (Offset = 28Ah) [reset = 2882h]
          1. Table 42. SHORT_THRESH Register Field Descriptions
        30. 8.6.1.30 FSM_DIAGNOSTICS Register (Offset = 2A4h) [reset = 0h]
          1. Table 43. FSM_DIAGNOSTICS Register Field Descriptions
        31. 8.6.1.31 PWM_INPUT_DIAGNOSTICS Register (Offset = 2A6h) [reset = 0h]
          1. Table 44. PWM_INPUT_DIAGNOSTICS Register Field Descriptions
        32. 8.6.1.32 PWM_OUTPUT_DIAGNOSTICS Register (Offset = 2A8h) [reset = 0h]
          1. Table 45. PWM_OUTPUT_DIAGNOSTICS Register Field Descriptions
        33. 8.6.1.33 LED_CURR_DIAGNOSTICS Register (Offset = 2AAh) [reset = 0h]
          1. Table 46. LED_CURR_DIAGNOSTICS Register Field Descriptions
        34. 8.6.1.34 ADAPT_BOOST_DIAGNOSTICS Register (Offset = 2ACh) [reset = 0h]
          1. Table 47. ADAPT_BOOST_DIAGNOSTICS Register Field Descriptions
        35. 8.6.1.35 AUTO_DETECT_DIAGNOSTICS Register (Offset = 2AEh) [reset = 0h]
          1. Table 48. AUTO_DETECT_DIAGNOSTICS Register Field Descriptions
  9. Application and Implementation
    1. 9.1 Application Information
    2. 9.2 Typical Applications
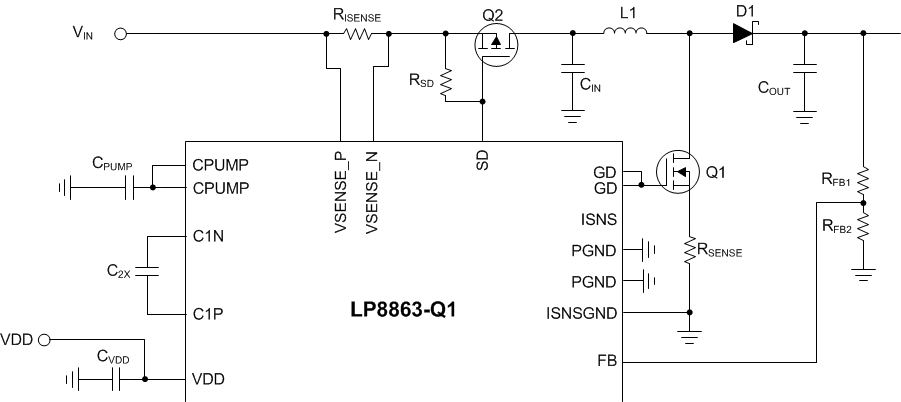
      1. 9.2.1 Full Feature Application for Display Backlight
        1. 9.2.1.1 Design Requirements
        2. 9.2.1.2 Detailed Design Procedure
          1. 9.2.1.2.1  Inductor Selection
          2. 9.2.1.2.2  Output Capacitor Selection
          3. 9.2.1.2.3  Input Capacitor Selection
          4. 9.2.1.2.4  Charge Pump Output Capacitor
          5. 9.2.1.2.5  Charge Pump Flying Capacitor
          6. 9.2.1.2.6  Output Diode
          7. 9.2.1.2.7  Switching FET
          8. 9.2.1.2.8  Boost Sense Resistor
          9. 9.2.1.2.9  Power-Line FET
          10. 9.2.1.2.10 Input Current Sense Resistor
          11. 9.2.1.2.11 Feedback Resistor Divider
          12. 9.2.1.2.12 Critical Components for Design
        3. 9.2.1.3 Application Curves
      2. 9.2.2 Application With Basic/Minimal Operation
        1. 9.2.2.1 Design Requirements
        2. 9.2.2.2 Detailed Design Procedure
        3. 9.2.2.3 Application Curves
      3. 9.2.3 SEPIC Mode Application
        1. 9.2.3.1 Design Requirements
        2. 9.2.3.2 Detailed Design Procedure
          1. 9.2.3.2.1  Inductor Selection
          2. 9.2.3.2.2  Coupling Capacitor Selection
          3. 9.2.3.2.3  Output Capacitor Selection
          4. 9.2.3.2.4  Input Capacitor Selection
          5. 9.2.3.2.5  Charge Pump Output Capacitor
          6. 9.2.3.2.6  Charge Pump Flying Capacitor
          7. 9.2.3.2.7  Switching FET
          8. 9.2.3.2.8  Output Diode
          9. 9.2.3.2.9  Switching Sense Resistor
          10. 9.2.3.2.10 Power-Line FET
          11. 9.2.3.2.11 Input Current Sense Resistor
          12. 9.2.3.2.12 Feedback Resistor Divider
          13. 9.2.3.2.13 Critical Components for Design
        3. 9.2.3.3 Application Curves
  10. 10Power Supply Recommendations
  11. 11Layout
    1. 11.1 Layout Guidelines
    2. 11.2 Layout Example
  12. 12器件和文档支持
    1. 12.1 器件支持
      1. 12.1.1 第三方产品免责声明
    2. 12.2 接收文档更新通知
    3. 12.3 社区资源
    4. 12.4 商标
    5. 12.5 静电放电警告
    6. 12.6 术语表
  13. 13机械、封装和可订购信息

2X Charge Pump

An integrated 2X charge pump can be used to supply the gate drive for the external FET of the boost controller. The charge pump is enabled or disabled by automatically detecting the presence of the external C2X capacitor. If VDD is < 4.5 V then use the charge pump to generate a high-enough gate voltage to drive the external boost switching FET. To use the charge pump, a 2.2-µF cap is placed between C1N and C1P. If the charge pump is not required, C1N and C1P must be left unconnected and CPUMP pins tied to VDD. A 10-µF CPUMP capacitor is used to store energy for the gate driver. The CPUMP capacitor is required to be used in both charge pump enabled and disabled conditions and must be placed as close as possible to the CPUMP pins. Figure 14 and Figure 15 show required connections for both use cases.

LP8863-Q1 chargepumpenabled_snvsab6.gifFigure 14. Charge Pump Enabled Circuit
LP8863-Q1 chargepumpdisabled_snvsab6.gifFigure 15. Charge Pump Disabled Circuit

The C2X_STAT status bit shows whether a C2X capacitor was detected. The C2X_INT bit shows status of any charge pump faults and generates a INT signal. The C2X_INT bit can be used to prevent the charge-pump fault from causing an interrupt on the INT pin signal.