ZHCSGF4D July   2017  – June 2019 TIOL111 , TIOL1113 , TIOL1115

PRODUCTION DATA.  

  1. 特性
  2. 应用
  3. 说明
    1.     Device Images
      1.      典型应用图
  4. 修订历史记录
  5. Pin Configuration and Functions
    1.     Pin Functions
  6. Specifications
    1. 6.1 Absolute Maximum Ratings
    2. 6.2 ESD Ratings
    3. 6.3 Recommended Operating Conditions
    4. 6.4 Thermal Information
    5. 6.5 Electrical Characteristics
    6. 6.6 Switching Characteristics
    7. 6.7 Typical Characteristics
  7. Parameter Measurement Information
  8. Detailed Description
    1. 8.1 Overview
    2. 8.2 Functional Block Diagrams
    3. 8.3 Feature Description
      1. 8.3.1  Wake Up Detection
      2. 8.3.2  Current Limit Configuration
      3. 8.3.3  Current Fault Detection, Indication and Auto Recovery
      4. 8.3.4  Thermal Warning, Thermal Shutdown
      5. 8.3.5  Fault Reporting (NFAULT)
      6. 8.3.6  Transceiver Function Tables
      7. 8.3.7  The Integrated Voltage Regulator (LDO)
      8. 8.3.8  Reverse Polarity Protection
      9. 8.3.9  Integrated Surge Protection and Transient Waveform Tolerance
      10. 8.3.10 Power Up Sequence (TIOL111)
      11. 8.3.11 Undervoltage Lock-Out (UVLO)
    4. 8.4 Device Functional Modes
      1. 8.4.1 NPN Configuration (N-Switch SIO Mode)
      2. 8.4.2 PNP Configuration (P-Switch SIO Mode)
      3. 8.4.3 Push-Pull, Communication Mode
  9. Application and Implementation
    1. 9.1 Application Information
    2. 9.2 Typical Application
      1. 9.2.1 Design Requirements
      2. 9.2.2 Detailed Design Procedure
        1. 9.2.2.1 Maximum Junction Temperature Check
        2. 9.2.2.2 Driving Capacitive Loads
        3. 9.2.2.3 Driving Inductive Loads
      3. 9.2.3 Application Curves
  10. 10Power Supply Recommendations
  11. 11Layout
    1. 11.1 Layout Guidelines
    2. 11.2 Layout Example
  12. 12器件和文档支持
    1. 12.1 接收文档更新通知
    2. 12.2 社区资源
    3. 12.3 商标
    4. 12.4 静电放电警告
    5. 12.5 Glossary
  13. 13机械、封装和可订购信息

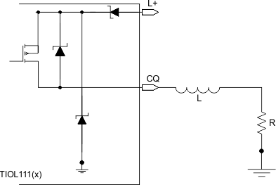
Driving Inductive Loads

The TIOL111(x) family is capable of magnetizing and demagnetizing inductive loads up to 1.5H. These devices contain internal circuitry that enables fast demagnetization when configured as either P-switch or N-switch mode.

In P-switch configuration, the load inductor L is magnetized when the CQ output is driven high. When the PNP is turned off, there is a significant amount of negative inductive kick back at the CQ pin. This voltage is clamped internally at about -75 V.

Similarly in N-switch configuration, the load inductor L is magnetized when the CQ output is driven low. When the NPN is turned off, there is a significant amount of positive inductive kick back at the CQ pin. This voltage is clamped internally at about 75 V.

The equivalent protection circuits are shown in Figure 18 and Figure 19. The minimum value of the resistive load R can be calculated as:

Equation 7. TIOL111 TIOL1113 TIOL1115 eq2_sllsev5.gif
TIOL111 TIOL1113 TIOL1115 p_switch_mode_sllsev5.gifFigure 18. P-Switch Mode
TIOL111 TIOL1113 TIOL1115 n_switch_mode_sllsev5.gifFigure 19. N-Switch Mode