ZHCSG00B September   2016  – November 2016 TPD8S300

PRODUCTION DATA.  

  1. 特性
  2. 应用
  3. 说明
  4. 修订历史记录
  5. Device Comparison Table
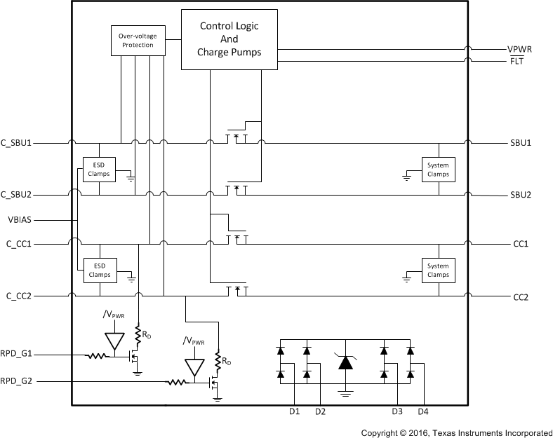
  6. Pin Configuration and Functions
  7. Specifications
    1. 7.1 Absolute Maximum Ratings
    2. 7.2 ESD Ratings—JEDEC Specification
    3. 7.3 ESD Ratings—IEC Specification
    4. 7.4 Recommended Operating Conditions
    5. 7.5 Thermal Information
    6. 7.6 Electrical Characteristics
    7. 7.7 Timing Requirements
    8. 7.8 Typical Characteristics
  8. Detailed Description
    1. 8.1 Overview
    2. 8.2 Functional Block Diagram
    3. 8.3 Feature Description
      1. 8.3.1 4-Channels of Short-to-VBUS Overvoltage Protection (CC1, CC2, SBU1, SBU2 Pins): 24-VDC Tolerant
      2. 8.3.2 8-Channels of IEC 61000-4-2 ESD Protection (CC1, CC2, SBU1, SBU2, DP_T, DM_T, DP_B, DM_B Pins)
      3. 8.3.3 CC1, CC2 Overvoltage Protection FETs 600 mA Capable for Passing VCONN Power
      4. 8.3.4 CC Dead Battery Resistors Integrated for Handling the Dead Battery Use Case in Mobile Devices
      5. 8.3.5 3-mm × 3-mm WQFN Package
    4. 8.4 Device Functional Modes
  9. Application and Implementation
    1. 9.1 Application Information
    2. 9.2 Typical Application
      1. 9.2.1 Design Requirements
      2. 9.2.2 Detailed Design Procedure
        1. 9.2.2.1 VBIAS Capacitor Selection
        2. 9.2.2.2 Dead Battery Operation
        3. 9.2.2.3 CC Line Capacitance
        4. 9.2.2.4 Additional ESD Protection on CC and SBU Lines
        5. 9.2.2.5 FLT Pin Operation
        6. 9.2.2.6 How to Connect Unused Pins
      3. 9.2.3 Application Curves
  10. 10Power Supply Recommendations
  11. 11Layout
    1. 11.1 Layout Guidelines
    2. 11.2 Layout Example
  12. 12器件和文档支持
    1. 12.1 文档支持
      1. 12.1.1 相关文档
    2. 12.2 接收文档更新通知
    3. 12.3 社区资源
    4. 12.4 商标
    5. 12.5 静电放电警告
    6. 12.6 Glossary
  13. 13机械、封装和可订购信息

Detailed Description

Overview

The TPD8S300 is a single chip USB Type-C port protection solution that provides 20-V Short-to-VBUS overvoltage and IEC ESD protection. Due to the small pin pitch of the USB Type-C connector and non-compliant USB Type-C cables and accessories, the VBUS pins can get shorted to the CC and SBU pins inside the USB Type-C connector. Because of this short-to-VBUS event, the CC and SBU pins need to be 20-V tolerant, to support protection on the full USB PD voltage range. Even if a device does not support 20-V operation on VBUS, non complaint adaptors can start out with 20-V VBUS condition, making it necessary for any USB Type-C device to support 20 V protection. The TPD8S300 integrates four channels of 20-V Short-to-VBUS overvoltage protection for the CC1, CC2, SBU1, and SBU2 pins of the USB Type-C connector.

Additionally, IEC 61000-4-2 system level ESD protection is required in order to protect a USB Type-C port from ESD strikes generated by end product users. The TPD8S300 integrates eight channels of IEC61000-4-2 ESD protection for the CC1, CC2, SBU1, SBU2, DP_T (Top side D+), DM_T (Top Side D–), DP_B (Bottom Side D+), and DM_B (Bottom Side D–) pins of the USB Type-C connector. This means IEC ESD protection is provided for all of the low-speed pins on the USB Type-C connector in a single chip in the TPD8S300. Additionally, high-voltage IEC ESD protection that is 22-V DC tolerant is required for the CC and SBU lines in order to simultaneously support IEC ESD and Short-to-VBUS protection; there are not many discrete market solutions that can provide this kind of protection. This high-voltage IEC ESD diode is what the TPD8S300 integrates, specifically designed to guarantee it works in conjunction with the overvoltage protection FETs inside the device. This sort of solution is very hard to generate with discrete components.

Functional Block Diagram

TPD8S300 TPD8S300_Functional_Block_6.gif

Feature Description

4-Channels of Short-to-VBUS Overvoltage Protection (CC1, CC2, SBU1, SBU2 Pins): 24-VDC Tolerant

The TPD8S300 provides 4-channels of Short-to-VBUS Overvoltage Protection for the CC1, CC2, SBU1, and SBU2 pins of the USB Type-C connector. The TPD8S300 is able to handle 24-VDC on its C_CC1, C_CC2, C_SBU1, and C_SBU2 pins. This is necessary because according to the USB PD specification, with VBUS set for 20-V operation, the VBUS voltage is allowed to legally swing up to 21 V, and 21.5 V on voltage transitions from a different USB PD VBUS voltage. The TPD8S300 builds in tolerance up to 24-VBUS to provide margin above this 21.5 V specification to be able to support USB PD adaptors that may break the USB PD specification.

When a short-to-VBUS event occurs, ringing happens due to the RLC elements in the hot-plug event. With very low resistance in this RLC circuit, ringing up to twice the settling voltage can appear on the connector. More than 2x ringing can be generated if any capacitor on the line derates in capacitance value during the short-to-VBUS event. This means that more than 44 V could be seen on a USB Type-C pin during a Short-to-VBUS event. The TPD8S300 has built in circuit protection to handle this ringing. The diode clamps used for IEC ESD protection also clamp the ringing voltage during the short-to-VBUS event to limit the peak ringing to around 30 V. Additionally, the overvoltage protection FETs integrated inside the TPD8S300 are 30-V tolerant, therefore being capable of supporting the high-voltage ringing waveform that is experienced during the short-to-VBUS event. The well designed combination of voltage clamps and 30-V tolerant OVP FETs insures the TPD8S300 can handle Short-to-VBUS hot-plug events with hot-plug voltages as high as 24-VDC.

The TPD8S300 has an extremely fast turnoff time of 70 ns typical. Furthermore, additional voltage clamps are placed after the OVP FET on the system side (CC1, CC2, SBU1, SBU2) pins of the TPD8S300, to further limit the voltage and current that is exposed to the USB Type-C CC/PD controller during the 70 ns interval while the OVP FET is turning off. The combination of connector side voltage clamps, OVP FETs with extremely fast turnoff time, and system side voltage clamps all work together to insure the level of stress seen on a CC1, CC2, SBU1, or SBU2 pin during a short-to-VBUS event is less than or equal to an HBM event. This is done by design, as any USB Type-C CC/PD controller will have built in HBM ESD protection.

Figure 29 is an example of the TPD8S300 successfully protecting the TPS65982, the world's first fully integrated, full-featured USB Type-C and PD controller.

TPD8S300 TPD8S300_TPS6598x_STBUS.gif Figure 29. TPD8S300 Protecting the TPS65982 During a Short-to-VBUS Event

8-Channels of IEC 61000-4-2 ESD Protection (CC1, CC2, SBU1, SBU2, DP_T, DM_T, DP_B, DM_B Pins)

The TPD8S300 integrates 8-Channels of IEC 61000-4-2 system level ESD protection for the CC1, CC2, SBU1, SBU2, DP_T (Top side D+), DM_T (Top Side D–), DP_B (Bottom Side D+), and DM_B (Bottom Side D–) pins. USB Type-C ports on end-products need system level IEC ESD protection in order to provide adequate protection for the ESD events that the connector can be exposed to from end users. The TPD8S300 integrates IEC ESD protection for all of the low-speed pins on the USB Type-C connector in a single chip. Also note, that while the RPD_Gx pins are not individually rated for IEC ESD, when they are shorted to the C_CCx pins, the C_CCx pins provide protection for both the C_CCx pins and the RPD_Gx pins. Additionally, high-voltage IEC ESD protection that is 24-V DC tolerant is required for the CC and SBU lines in order to simultaneously support IEC ESD and Short-to-VBUS protection; there are not many discrete market solutions that can provide this kind of protection. The TPD8S300 integrates this type of high-voltage ESD protection so a system designer can meet both IEC ESD and Short-to-VBUS protection requirements in a single device.

CC1, CC2 Overvoltage Protection FETs 600 mA Capable for Passing VCONN Power

The CC pins on the USB Type-C connector serve many functions; one of the functions is to be a provider of power to active cables. Active cables are required when desiring to pass greater than 3 A of current on the VBUS line or when the USB Type-C port uses the super-speed lines (TX1+, TX2–, RX1+, RX1–, TX2+, TX2–, RX2+, RX2–). When CC is configured to provide power, it is called VCONN. VCONN is a DC voltage source in the range of 3 V-5.5 V. If supporting VCONN, a VCONN provider must be able to provide 1 W of power to a cable; this translates into a current range of 200 mA to 333 mA (depending on your VCONN voltage level). Additionally, if operating in a USB PD alternate mode, greater power levels are allowed on the VCONN line.

When a USB Type-C port is configured for VCONN and using the TPD8S300, this VCONN current flows through the OVP FETs of the TPD8S300. Therefore, the TPD8S300 has been designed to handle these currents and have an RON low enough to provide a specification compliant VCONN voltage to the active cable. The TPD8S300 is designed to handle up to 600 mA of DC current to allow for alternate mode support in addition to the standard 1 W required by the USB Type-C specification.

CC Dead Battery Resistors Integrated for Handling the Dead Battery Use Case in Mobile Devices

An important feature of USB Type-C and USB PD is the ability for this connector to serve as the sole power source to mobile devices. With support up to 100 W, the USB Type-C connector supporting USB PD can be used to power a whole new range of mobile devices not previously possible with legacy USB connectors.

When the USB Type-C connector is the sole power supply for a battery powered device, the device must be able to charge from the USB Type-C connector even when its battery is dead. In order for a USB Type-C power adapter to supply power on VBUS, RD pull-down resistors must be exposed on the CC pins. These RD resistors are typically included inside a USB Type-C CC/PD controller. However, when the TPD8S300 is used to protect the USB Type-C port, the OVP FETs inside the device isolates these RD resistors in the CC/PD controller when the mobile device has no power. This is because when the TPD8S300 has no power, the OVP FETs are turned off to guarantee overvoltage protection in a dead battery condition. Therefore, the TPD8S300 integrates high-voltage, dead battery RD pull-down resistors to allow dead battery charging simultaneously with high-voltage OVP protection.

If dead battery support is required, short the RPD_G1 pin to the C_CC1 pin, and short the RPD_G2 pin to the C_CC2 pin. This connects the dead battery resistors to the connector CC pins. When the TPD8S300 is unpowered, and the RP pull-up resistor is connected from a power adaptor, this RP pull-up resistor activates the RD resistor inside the TPD8S300. This enables VBUS to be applied from the power adaptor even in a dead battery condition. Once power is restored back to the system and back to the TPD8S300 on its VPWR pin, the TPD8S300 removes its RD pull-down resistor and turn on its OVP FETs within 3.5 ms to guarantee the RD pull-down resistor inside the CC/PD Controller is exposed within 10 ms. This is by design, because if the RD pull-down resistor is not exposed within 10 ms, the power adaptor can legally interpret this behavior as a port disconnect and remove VBUS.

If desiring to power the CC/PD controller during dead battery mode and if the CC/PD Controller is configured as a DRP, it is critical that the TPD8S300 be powered before or at the same time that the CC/PD controller is powered. It is also critical that when unpowered, the CC/PD controller also expose its dead battery resistors. When the TPD8S300 gets powered, it exposes the CC pins of the CC/PD controller within 3.5 ms. Once the TPD8S300 turns on, the RD pull-down resistors of the CC/PD controller must be present immediately, in order to guarantee the power adaptor connected to power the dead battery device keeps its VBUS turned on. If the power adaptor sees any change to its CC voltage for more than 10 ms, it can disconnect VBUS. This removes power from the device with its battery still not sufficiently charged, which consequently removes power from the CC/PD controller and the TPD8S300. Then the RD resistors of the TPD8S300 are exposed again, connect the power adaptor's VBUS to start the cycle over. This creates an infinite loop, never or very slowly charging the mobile device.

If the CC/PD Controller is configured for DRP and has started its DRP toggle before the TPD8S300 turns on, this DRP toggle is unable to guarantee that the power adaptor does not disconnect from the port. Therefore, it is recommended if the CC/PD controller is configured for DRP, that its dead battery resistors be exposed as well, and that they remain exposed until the TPD8S300 turns on. This is typically accomplished by powering the TPD8S300 at the same time as the CC/PD controller when powering the CC/PD controller in dead battery operation.

If dead battery charging is not required in your application, connect the RPD_G1 and RPD_G2 pins to ground.

3-mm × 3-mm WQFN Package

The TPD8S300 comes in a small, 3-mm × 3-mm WQFN package, greatly reducing the size of implementing a similar protection solution discretely. The WQFN package allows support for a wider range of PCB designs. Additionally, the pin-out of the TPD8S300 was designed to optimize routing with the TPS6598x family of USB Type-C/PD controllers.

Device Functional Modes

Table 1 describes all of the functional modes for the TPD8S300. The "X" in the below table are "do not care" conditions, meaning any value can be present within the absolute maximum ratings of the datasheet and maintain that functional mode. Also note the D1, D2, D3, D4 pins are not listed, because these pins have IEC ESD protection diodes that are always present, regardless of whether the device is powered and regardless of the conditions on any of the other pins.

Table 1. Device Mode Table

Device Mode Table Inputs Outputs
MODE VPWR C_CCx C_SBUx RPD_Gx TJ FLT CC FETs SBU FETs
Normal Operating Conditions Unpowered, no dead battery support <UVLO X X Grounded X High-Z OFF OFF
Unpowered, dead battery support <UVLO X X Shorted to C_CCx X High-Z OFF OFF
Powered on >UVLO <OVP <OVP X, forced OFF <TSD High-Z ON ON
Fault Conditions Thermal shutdown >UVLO X X X, forced OFF >TSD Low (Fault Asserted) OFF OFF
CC over voltage condition >UVLO >OVP X X, forced OFF <TSD Low (Fault Asserted) OFF OFF
SBU over voltage condition >UVLO X >OVP X, forced OFF <TSD Low (Fault Asserted) OFF OFF