ZHCSFZ0D December 2016 – December 2023 DAC38RF80 , DAC38RF83 , DAC38RF84 , DAC38RF85 , DAC38RF90 , DAC38RF93
PRODUCTION DATA
The DAC38RF83/93/85 has a differential output and is terminated internally with a differential 100-Ω load. The DAC38RF83/93/85 output compliance range is 1.3 to 2.3 V. Note that care should be taken not to exceed the compliance voltages at node VOUT1/2+ and VOUT1/2-, which would lead to increased signal distortion.
Referring again toFigure 7-27, denote the external impedance as seen by VOUT1/2+ as Zext+ and by VOUT1/2- as Zext-. Note that Zext+ and Zext- should terminate to VDDOUT18 to supply the output current for the DAC. Also, Zext+ and Zext- are ideally identical to maintain the differential balance of the output. The voltage at nodes VOUT1/2+ and VOUT1/2- generated by the current flow through the impedance is


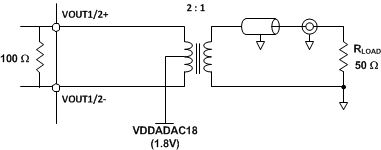
The DAC38RF83/93/85 can be easily configured to drive a doubly terminated 50-Ω cable using a properly selected 2:1 RF transformer (Figure 7-28). Note that the center tap of the primary input of the transformer has to be connected to the VDDOUT18 supply (nominally 1.8 V) to enable a DC current flow into the DAC. The AC load impedance as seen through 2:1 transformer is 100 Ω, which is split equally into Zext+ = Zext- = 50 Ω. The DC impedance for the transformer is a short to the center tap of the transformer, which drives the common mode of VOUT1/2+ and VOUT1/2- to 1.8V. To calculate the peak to peak output swing VOUT1/2PP at each node, the equations above simplify to:


With IOUTFS = 40 mA, the swing becomes 1 VPP at each node. With the common mode at 1.8 V due to the center tap, the voltage at VOUT1/2+ and VOUT1/2- varies between 1.3 and 2.3 V, which is the compliance range of the DAC.
The differential output swing is 2x VOUT1/2PP, or 2 VPPDIFF. On the load side of the transformer, this reduces to 1.414 VPP, for a transferred load power of 7 dBm (assuming no loss).
Figure 7-28 Driving a 50-Ω Load Using a 2:1 Impedance Ratio Transformer (DAC38RF83/93/85)The DAC38RF83/93/85 can also be DC coupled. In this case, the termination voltage can be raised above 1.8 V (for example 2.3 V) so that the common mode for the output pin is nominally 1.8 V.