ZHCSFJ4 September   2016 ISO5851-Q1

PRODUCTION DATA.  

  1. 特性
  2. 应用
  3. 说明
  4. 修订历史
  5. 说明 (续)
  6. Pin Configuration and Function
  7. Specifications
    1. 7.1  Absolute Maximum Ratings
    2. 7.2  ESD Ratings
    3. 7.3  Recommended Operating Conditions
    4. 7.4  Thermal Information
    5. 7.5  Power Rating
    6. 7.6  Insulation Characteristics
    7. 7.7  Safety Limiting Values
    8. 7.8  Safety-Related Certifications
    9. 7.9  Electrical Characteristics
    10. 7.10 Switching Characteristics
    11. 7.11 Safety and Insulation Characteristics Curves
    12. 7.12 Typical Characteristics
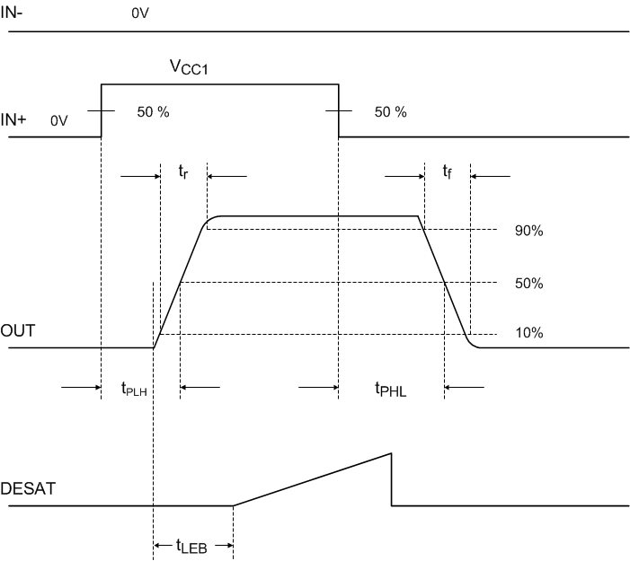
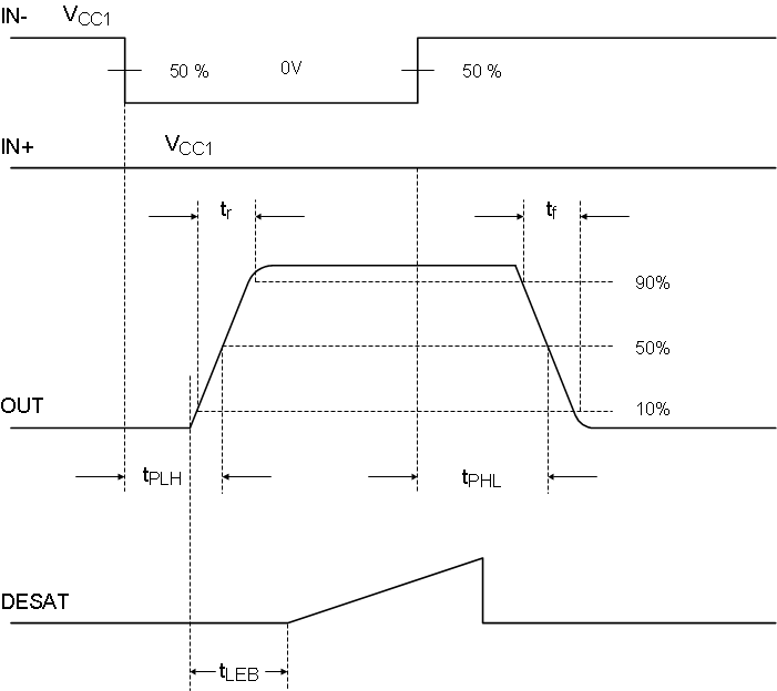
  8. Parameter Measurement Information
  9. Detailed Description
    1. 9.1 Overview
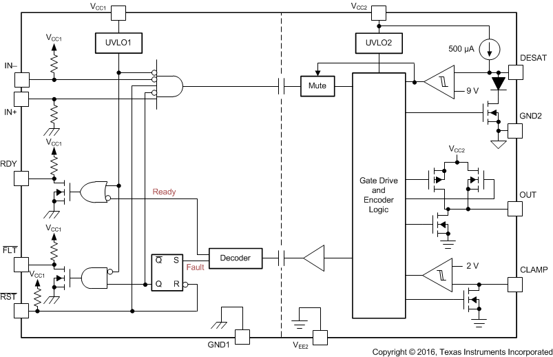
    2. 9.2 Functional Block Diagram
    3. 9.3 Feature Description
      1. 9.3.1 Supply and active Miller clamp
      2. 9.3.2 Active Output Pull-down
      3. 9.3.3 Undervoltage Lockout (UVLO) with Ready (RDY) Pin Indication Output
      4. 9.3.4 Fault (FLT) and Reset (RST)
      5. 9.3.5 Short Circuit Clamp
    4. 9.4 Device Functional Modes
  10. 10Application and Implementation
    1. 10.1 Application Information
    2. 10.2 Typical Applications
      1. 10.2.1 Design Requirements
      2. 10.2.2 Detailed Design Procedure
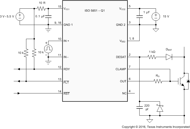
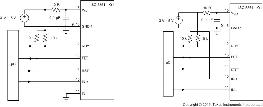
        1. 10.2.2.1  Recommended ISO5851-Q1 Application Circuit
        2. 10.2.2.2  FLT and RDY Pin Circuitry
        3. 10.2.2.3  Driving the Control Inputs
        4. 10.2.2.4  Local Shutdown and Reset
        5. 10.2.2.5  Global-Shutdown and Reset
        6. 10.2.2.6  Auto-Reset
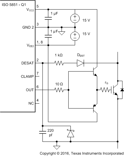
        7. 10.2.2.7  DESAT Pin Protection
        8. 10.2.2.8  DESAT Diode and DESAT Threshold
        9. 10.2.2.9  Determining the Maximum Available, Dynamic Output Power, POD-max
        10. 10.2.2.10 Example
        11. 10.2.2.11 Higher Output Current Using an External Current Buffer
      3. 10.2.3 Application Curve
  11. 11Power Supply Recommendations
  12. 12Layout
    1. 12.1 Layout Guidelines
    2. 12.2 PCB Material
    3. 12.3 Layout Example
  13. 13器件和文档支持
    1. 13.1 文档支持
      1. 13.1.1 相关文档 
    2. 13.2 接收文档更新通知
    3. 13.3 社区资源
    4. 13.4 商标
    5. 13.5 静电放电警告
    6. 13.6 Glossary
  14. 14机械、封装和可订购信息

特性

  • 适用于汽车电子 标准
  • 具有符合 AEC-Q100 标准的下列结果:
    • 器件温度 1 级:-40°C 至 125°C 的环境运行温度范围
    • 器件人体模型 (HBM) 分类等级 3A
    • 器件充电器件模型 (CDM) 分类等级 C6
  • 在 VCM = 1500V 时,共模瞬态抗扰度 (CMTI) 的最小值为 100kV/μs
  • 2.5A 峰值拉电流和 5A 峰值灌电流
  • 短暂传播延迟:76ns(典型值),
    110ns(最大值)
  • 2A 有源米勒钳位
  • 输出短路钳位
  • 在检测到去饱和故障时通过 FLT 发出故障报警,并通过 RST 复位
  • 具有就绪 (RDY) 引脚指示的输入和输出欠压锁定 (UVLO)
  • 有源输出下拉特性,在低电源或输入悬空的情况下默认输出低电平
  • 3V 至 5.5V 输入电源电压
  • 15V 至 30V 输出驱动器电源电压
  • 互补金属氧化物半导体 (CMOS) 兼容输入
  • 抑制短于 20ns 的输入脉冲和瞬态噪声
  • 可承受的浪涌隔离电压达 12800VPK
  • 安全及管理认证:
    • 符合 DIN V VDE V 0884-10 (VDE V 0884-10):2006-12 标准的 8000 VPK VIOTM 和 2121 VPK VIORM 增强型隔离
    • 符合 UL 1577 标准且长达 1 分钟的 5700 VRMS 隔离
    • CSA 组件验收通知 5A、IEC 60950-1 和 IEC 60601-1 终端设备标准
    • 符合 EN 61010-1 和 EN 60950-1 标准的 TUV 认证
    • GB4943.1-2011 CQC 认证
    • 已通过 UL、VDE、CQC、TUV 认证并规划进行 CSA 认证

应用

  • 隔离式绝缘栅双极型晶体管 (IGBT) 和金属氧化物半导体场效应晶体管 (MOSFET) 驱动器:
    • 混合动力汽车 (HEV) 和电动车 (EV) 电源模块
    • 工业电机控制驱动
    • 工业电源
    • 太阳能逆变器
    • 感应加热

说明

ISO5851-Q1 是一款用于 IGBT 和 MOSFET 的 5.7 kVRMS 增强型隔离栅极驱动器,具有 2.5A 的拉电流能力和 5A 的灌电流能力。输入端由 3V 至 5.5V 的单电源供电运行。输出端允许的电源范围为 15V 至 30V。两个互补 CMOS 输入控制栅极驱动器的输出状态。76ns 的短暂传播时间保证了对于输出级的精确控制。

内置的去饱和 (DESAT) 故障检测功能可识别 IGBT 何时处于过载状态。当检测到 DESAT 时,栅极驱动器输出会被拉低为 VEE2 电势,从而将 IGBT 立即关断。

当发生去饱和故障时,器件会通过隔离隔栅发送故障信号,以将输入端的 FLT 输出拉为低电平并阻断隔离器的输入。FLT 的输出状态将被锁存,可通过 RST 输入上的低电平有效脉冲复位。

器件信息(1)

器件型号 封装 封装尺寸(标称值)
ISO5851-Q1 SOIC (16) 10.30mm x 7.50mm
  1. 如需了解所有可用封装,请见数据表末尾的可订购产品附录。

功能方框图

ISO5851-Q1 fbd_SLLSEQ1.gif