ZHCSFH9 September   2016 ADS9120

PRODUCTION DATA.  

  1. 特性
  2. 应用
  3. 说明
  4. 修订历史记录
  5. Pin Configuration and Functions
  6. Specifications
    1. 6.1  Absolute Maximum Ratings
    2. 6.2  ESD Ratings
    3. 6.3  Recommended Operating Conditions
    4. 6.4  Thermal Information
    5. 6.5  Electrical Characteristics
    6. 6.6  Timing Requirements: Conversion Cycle
    7. 6.7  Timing Requirements: Asynchronous Reset, NAP, and PD
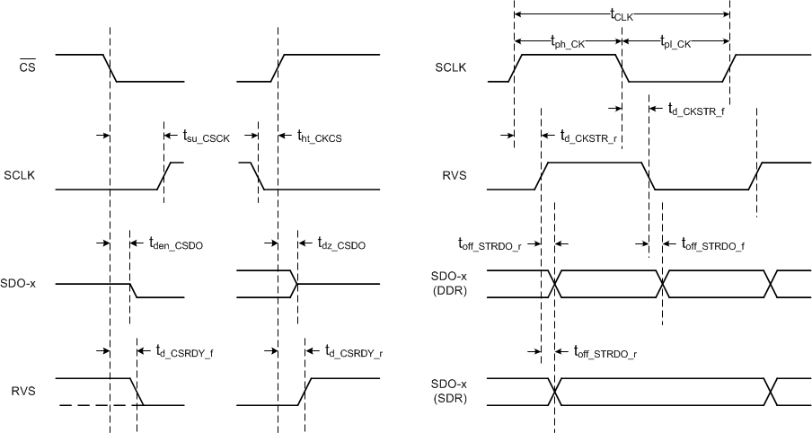
    8. 6.8  Timing Requirements: SPI-Compatible Serial Interface
    9. 6.9  Timing Requirements: Source-Synchronous Serial Interface (External Clock)
    10. 6.10 Timing Requirements: Source-Synchronous Serial Interface (Internal Clock)
    11. 6.11 Typical Characteristics
  7. Detailed Description
    1. 7.1 Overview
    2. 7.2 Functional Block Diagram
    3. 7.3 Feature Description
      1. 7.3.1 Converter Module
        1. 7.3.1.1 Sample-and-Hold Circuit
        2. 7.3.1.2 External Reference Source
        3. 7.3.1.3 Internal Oscillator
        4. 7.3.1.4 ADC Transfer Function
      2. 7.3.2 Interface Module
    4. 7.4 Device Functional Modes
      1. 7.4.1 RST State
      2. 7.4.2 ACQ State
      3. 7.4.3 CNV State
    5. 7.5 Programming
      1. 7.5.1 Data Transfer Frame
      2. 7.5.2 Interleaving Conversion Cycles and Data Transfer Frames
      3. 7.5.3 Data Transfer Protocols
        1. 7.5.3.1 Protocols for Configuring the Device
        2. 7.5.3.2 Protocols for Reading From the Device
          1. 7.5.3.2.1 Legacy, SPI-Compatible (SYS-xy-S) Protocols
          2. 7.5.3.2.2 SPI-Compatible Protocols with Bus Width Options
          3. 7.5.3.2.3 Source-Synchronous (SRC) Protocols
            1. 7.5.3.2.3.1 Output Clock Source Options with SRC Protocols
            2. 7.5.3.2.3.2 Bus Width Options with SRC Protocols
            3. 7.5.3.2.3.3 Output Data Rate Options with SRC Protocols
      4. 7.5.4 Device Setup
        1. 7.5.4.1 Single Device: All multiSPI™ Options
        2. 7.5.4.2 Single Device: Minimum Pins for a Standard SPI Interface
        3. 7.5.4.3 Multiple Devices: Daisy-Chain Topology
        4. 7.5.4.4 Multiple Devices: Star Topology
    6. 7.6 Register Maps
      1. 7.6.1 Device Configuration and Register Maps
        1. 7.6.1.1 PD_CNTL Register (address = 010h)
        2. 7.6.1.2 SDI_CNTL Register (address = 014h)
        3. 7.6.1.3 SDO_CNTL Register (address = 018h)
        4. 7.6.1.4 DATA_CNTL Register (address = 01Ch)
  8. Application and Implementation
    1. 8.1 Application Information
      1. 8.1.1 ADC Input Driver
      2. 8.1.2 Input Amplifier Selection
      3. 8.1.3 Antialiasing Filter
      4. 8.1.4 ADC Reference Driver
    2. 8.2 Typical Application
      1. 8.2.1 Design Requirements
      2. 8.2.2 Detailed Design Procedure
      3. 8.2.3 Application Curves
  9. Power-Supply Recommendations
    1. 9.1 Power-Supply Decoupling
    2. 9.2 Power Saving
      1. 9.2.1 NAP Mode
      2. 9.2.2 PD Mode
  10. 10Layout
    1. 10.1 Layout Guidelines
      1. 10.1.1 Signal Path
      2. 10.1.2 Grounding and PCB Stack-Up
      3. 10.1.3 Decoupling of Power Supplies
      4. 10.1.4 Reference Decoupling
      5. 10.1.5 Differential Input Decoupling
    2. 10.2 Layout Example
  11. 11器件和文档支持
    1. 11.1 文档支持
      1. 11.1.1 相关文档 
    2. 11.2 接收文档更新通知
    3. 11.3 社区资源
    4. 11.4 商标
    5. 11.5 静电放电警告
    6. 11.6 Glossary
  12. 12机械、封装和可订购信息

特性

  • 采样率:2.5MSPS
  • 无延迟输出
  • 出色的直流和交流性能:
    • 积分非线性 (INL):±0.25 最低有效位 (LSB)(典型值),±0.6 LSB(最大值)
    • 微分非线性 (DNL):±0.6 LSB(最大值),16 位无丢码 (NMC)
    • 信噪比 (SNR):96dB
    • 总谐波失真 (THD):-118dB
  • 宽输入范围:
    • 单极差分输入范围:±VREF
    • VREF 输入范围:2.5V 至 5V,
      与 AVDD 无关
  • 低功耗:
    • 2.5MSPS 时为 9mW(仅限 AVDD)
    • 2.5MSPS 时为 15mW(总功耗)
    • 灵活的低功耗模式,可根据吞吐量调节功率
  • multiSPI™:增强型串行接口
  • 符合 JESD8-7A 标准的数字 I/O(1.8V DVDD 时)
  • 在以下扩展级温度范围内完全额定运行:-40°C 至 +125°C
  • 小型封装:4mm × 4mm 超薄四方扁平无引线 (VQFN) 封装

应用

  • 测试和测量
  • 电机控制
  • 医疗成像
  • 高精度、高速工业领域

说明

ADS9120 是一款 16 位、2.5MSPS、逐次逼近寄存器 (SAR) 模数转换器 (ADC),在典型工作条件下具有 ±0.25 LSB INL 和 96 dB SNR 规范值。高吞吐量使得开发者能够对输入信号进行过采样,从而提高测量的动态范围和精度。

该器件支持单极全差分模拟输入信号,并采用 2.5V 至 5V 的外部基准电压,能够提供宽输入选择范围,无需额外进行输入调节。

该器件的功耗仅为 15.5mW(以 2.5MSPS 全吞吐量运行时)。吞吐量较低时,可灵活使用低功耗模式(NAP 和 PD)来降低功耗。

集成的 multiSPI™ 串行接口向后兼容传统 SPI 协议。此外,该器件的可配置 特性 还能够简化电路板布局、时序和固件,并且以低时钟速度运行时能够获得高吞吐量,因此可轻松连接各种微控制器、数字信号处理器 (DSP) 以及现场可编程门阵列 (FPGA)。

该器件采用节省空间的 4mm × 4mm VQFN 封装,支持符合 JESD8-7A 标准的 I/O 和扩展级工业温度范围。

器件信息

器件编号 封装 封装尺寸(标称值)
ADS9120 VQFN (24) 4.00mm x 4.00mm
  1. 如需了解所有可用封装,请见数据表末尾的可订购产品附录。

典型应用图以及积分非线性度与代码间的关系图

ADS9120 fad_diagram_sbas710.gif