ZHCSF18E May   2016  – May 2019 TUSB1002

PRODUCTION DATA.  

  1. 特性
  2. 应用
  3. 说明
    1.     Device Images
      1.      简化原理图
  4. 修订历史记录
  5. Pin Configuration and Functions
    1.     Pin Functions
  6. Specifications
    1. 6.1  Absolute Maximum Ratings
    2. 6.2  ESD Ratings
    3. 6.3  Recommended Operating Conditions
    4. 6.4  Thermal Information
    5. 6.5  Electrical Characteristics, Power Supply
    6. 6.6  Electrical Characteristics
    7. 6.7  Power-Up Requirements
    8. 6.8  Timing Requirements
    9. 6.9  Switching Characteristics
    10. 6.10 Typical Characteristics
  7. Detailed Description
    1. 7.1 Overview
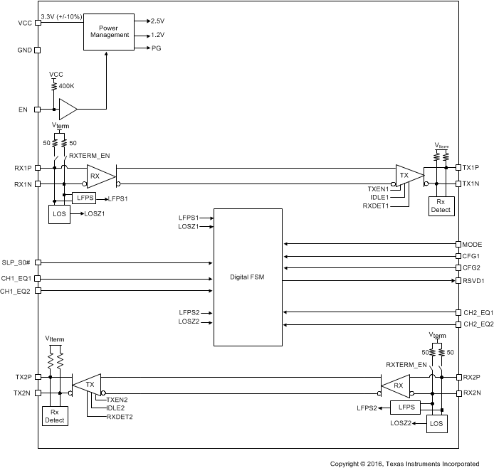
    2. 7.2 Functional Block Diagram
    3. 7.3 Feature Description
      1. 7.3.1 4-Level Control Inputs
      2. 7.3.2 Linear Equalization
      3. 7.3.3 Adjustable VOD Linear Range and DC Gain
      4. 7.3.4 Receiver Detect Control
      5. 7.3.5 USB3.1 Dual Channel Operation (MODE = “F”)
      6. 7.3.6 USB3.1 Single Channel Operation (MODE = “1”)
      7. 7.3.7 PCIe/SATA/SATA Express Redriver Operation (MODE = “R”; CFG1 = "0"; CFG2 = "0" )
    4. 7.4 Device Functional Modes
      1. 7.4.1 Shutdown Mode
      2. 7.4.2 Disconnect Mode
    5. 7.5 U0 Mode
    6. 7.6 U1 Mode
    7. 7.7 U2/U3 Mode
  8. Application and Implementation
    1. 8.1 Application Information
    2. 8.2 Typical USB3.1 Application
      1. 8.2.1 Design Requirements
      2. 8.2.2 Detailed Design Procedure
      3. 8.2.3 Application Curves
    3. 8.3 Typical SATA, PCIe and SATA Express Application
      1. 8.3.1 Design Requirements
      2. 8.3.2 Detailed Design Procedure
      3. 8.3.3 Application Curves
  9. Power Supply Recommendations
  10. 10Layout
    1. 10.1 Layout Guidelines
    2. 10.2 Layout Example
  11. 11器件和文档支持
    1. 11.1 社区资源
    2. 11.2 商标
    3. 11.3 静电放电警告
    4. 11.4 Glossary
  12. 12机械、封装和可订购信息

Functional Block Diagram

TUSB1002 Function_Block_Diagram.gif