ZHCSDD8D October   2014  – December 2019 TPS1H100-Q1

PRODUCTION DATA.  

  1. 特性
  2. 应用
  3. 说明
    1.     Device Images
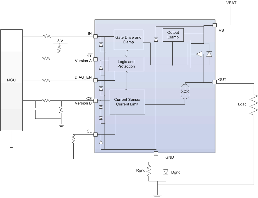
      1.      典型应用原理图
  4. 修订历史记录
  5. Pin Configuration and Functions
    1.     Pin Functions
  6. Specifications
    1. 6.1 Absolute Maximum Ratings
    2. 6.2 ESD Ratings
    3. 6.3 Recommended Operating Conditions
    4. 6.4 Thermal Information
    5. 6.5 Electrical Characteristics
    6. 6.6 Timing Requirements – Current Sense Characteristics
    7. 6.7 Switching Characteristics
    8. 6.8 Typical Characteristics
  7. Detailed Description
    1. 7.1 Overview
    2. 7.2 Functional Block Diagram
    3. 7.3 Feature Description
      1. 7.3.1 Accurate Current Sense
      2. 7.3.2 Programmable Current Limit
      3. 7.3.3 Inductive-Load Switching-Off Clamp
      4. 7.3.4 Full Protections and Diagnostics
        1. 7.3.4.1  Short-to-GND and Overload Detection
        2. 7.3.4.2  Open-Load Detection
        3. 7.3.4.3  Short-to-Battery Detection
        4. 7.3.4.4  Reverse-Polarity Detection
        5. 7.3.4.5  Thermal Protection Behavior
        6. 7.3.4.6  UVLO Protection
        7. 7.3.4.7  Loss of GND Protection
        8. 7.3.4.8  Loss of Power Supply Protection
        9. 7.3.4.9  Reverse Current Protection
        10. 7.3.4.10 Protection for MCU I/Os
      5. 7.3.5 Diagnostic Enable Function
    4. 7.4 Device Functional Modes
      1. 7.4.1 Working Mode
  8. Application and Implementation
    1. 8.1 Application Information
    2. 8.2 Typical Application
      1. 8.2.1 Design Requirements
      2. 8.2.2 Detailed Design Procedure
        1. 8.2.2.1 Distinguishing of Different Fault Modes
        2. 8.2.2.2 AEC Q100-012 Test Grade A Certification
        3. 8.2.2.3 EMC Transient Disturbances Test
      3. 8.2.3 Application Curves
  9. Power Supply Recommendations
  10. 10Layout
    1. 10.1 Layout Guidelines
    2. 10.2 Layout Example
      1. 10.2.1 Without a GND Network
      2. 10.2.2 With a GND Network
    3. 10.3 Thermal Considerations
  11. 11器件和文档支持
    1. 11.1 接收文档更新通知
    2. 11.2 社区资源
    3. 11.3 商标
    4. 11.4 静电放电警告
    5. 11.5 Glossary
  12. 12机械、封装和可订购信息

特性

  • 符合汽车类 应用要求
  • 具有符合 AEC-Q100 标准的下列特性:
    • 器件温度等级 1:–40°C 至 125°C 的环境工作温度范围
    • 器件 HBM ESD 分类等级 H3A
    • 器件 CDM ESD 分类等级 C4B
  • 提供功能安全
    • 提供文档以帮助创建功能安全系统设计
  • 具有全面诊断功能的单通道智能高侧电源开关
    • 版本 A:开漏状态输出
    • 版本 B:电流感应模拟输出
  • 宽工作电压范围:3.5V 至 40V
  • 超低待机电流,低于 0.5µA
  • 工作结温范围,-40°C 至 150°C
  • 输入控制,兼容 3.3V 和 5V 逻辑
  • 高精度电流感应,电流为 1A 时为 ±30mA,
    电流为 5mA 时为 ±4mA
  • 利用外部电阻器实现可编程电流限制(在 0.5A 时为 ±20%)
  • 用于对 MCU 模拟或数字接口进行多路复用的诊断使能功能
  • 测试符合 AECQ100-12 A 级标准,
    经过 100 万次接地短路测试
  • 通过 ISO7637-2 和 ISO16750-2 电瞬变抗扰度认证
  • 保护
    • 过载和短路保护
    • 电感负载负电压钳位
    • 欠压锁定 (UVLO) 保护
    • 具备自恢复功能的热关断/热振荡
    • 接地失效保护和失电保护
    • 对外部电路提供反向电池保护
  • 诊断
    • 开启和关闭状态输出的开路和电池短路检测
    • 过载和接地短路检测以及电流限制
    • 热关断/热振荡检测
  • 14 引脚热增强型 PWP 封装