ZHCSDB4B MARCH 2013 – January 2015 DS90UH928Q-Q1
PRODUCTION DATA.
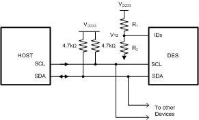
DS90UH928Q-Q1 解串器与 DS90UH925Q-Q1 或 DS90UH927Q-Q1 串行器配套使用,可针对汽车信息娱乐系统内的内容受保护数字视频的安全分发提供一套解决方案。。 该解串器借助嵌入式时钟(由单信号对 (FPD-Link III) 提供)将高速串行化接口数据转换为四个低压差分信令 (LVDS) 数据/控制流、一个 LVDS 时钟对 (FPD-Link) 以及 I2S 音频数据。 数字视频和音频数据采用业界标准的 HDCP 复制保护方案加以保护。FPD-Link III 串行总线方案支持通过单个差分链路实现高速正向通道数据传输和低速全双工反向通道通信。 通过单个差分对整合音频、视频和和控制数据可减小互连线尺寸和重量,同时还消除了偏差问题并简化了系统设计。
通过对串行输入数据流使用自适应输入均衡功能,可对传输介质损耗和确定性抖动进行补偿。 通过使用低压差分信令可最大限度减少电磁干扰 (EMI)。
串化器和解串器上都执行 HDCP 密钥引擎。 HDCP 密钥被存储在片载存储器中。
| 器件型号 | 封装 | 封装尺寸(标称值) |
|---|---|---|
| DS90UH928Q-Q1 | WQFN (48) | 7.00mm x 7.00mm |
