ZHCSCQ8D August   2014  – September 2015 LM3644

PRODUCTION DATA.  

  1. 特性
  2. 应用
  3. 说明
  4. 修订历史记录
  5. Device Comparison Table
  6. Pin Configuration and Functions
  7. Specifications
    1. 7.1 Absolute Maximum Ratings
    2. 7.2 ESD Ratings
    3. 7.3 Recommended Operating Conditions
    4. 7.4 Thermal Information
    5. 7.5 Electrical Characteristics
    6. 7.6 Timing Requirements
    7. 7.7 Switching Characteristics
    8. 7.8 Typical Characteristics
  8. Detailed Description
    1. 8.1 Overview
    2. 8.2 Functional Block Diagram
    3. 8.3 Feature Description
      1. 8.3.1 Flash Mode
      2. 8.3.2 Torch Mode
      3. 8.3.3 IR Mode
    4. 8.4 Device Functioning Modes
      1. 8.4.1 Start-Up (Enabling The Device)
      2. 8.4.2 Pass Mode
      3. 8.4.3 Power Amplifier Synchronization (TX)
      4. 8.4.4 Input Voltage Flash Monitor (IVFM)
      5. 8.4.5 Fault/Protections
        1. 8.4.5.1 Fault Operation
        2. 8.4.5.2 Flash Time-Out
        3. 8.4.5.3 Overvoltage Protection (OVP)
        4. 8.4.5.4 Current Limit
        5. 8.4.5.5 NTC Thermistor Input (Torch/Temp)
        6. 8.4.5.6 Undervoltage Lockout (UVLO)
        7. 8.4.5.7 Thermal Shutdown (TSD)
        8. 8.4.5.8 LED and/or VOUT Short Fault
    5. 8.5 Programming
      1. 8.5.1 Control Truth Table
      2. 8.5.2 I2C-Compatible Interface
        1. 8.5.2.1 Data Validity
        2. 8.5.2.2 Start and Stop Conditions
        3. 8.5.2.3 Transferring Data
        4. 8.5.2.4 I2C-Compatible Chip Address
    6. 8.6 Register Descriptions
      1. 8.6.1  Enable Register (0x01)
      2. 8.6.2  IVFM Register (0x02)
      3. 8.6.3  LED1 Flash Brightness Register (0x03)
      4. 8.6.4  LED2 Flash Brightness Register (0x04)
      5. 8.6.5  LED1 Torch Brightness Register (0x05)
      6. 8.6.6  LED2 Torch Brightness Register (0x06)
      7. 8.6.7  Boost Configuration Register (0x07)
      8. 8.6.8  Timing Configuration Register (0x08)
      9. 8.6.9  TEMP Register (0x09)
      10. 8.6.10 Flags1 Register (0x0A)
      11. 8.6.11 Flags2 Register (0x0B)
      12. 8.6.12 Device ID Register (0x0C)
      13. 8.6.13 Last Flash Register (0x0D)
  9. Applications and Implementation
    1. 9.1 Application Information
    2. 9.2 Typical Application
      1. 9.2.1 Design Requirements
      2. 9.2.2 Detailed Design Procedure
        1. 9.2.2.1 Output Capacitor Selection
        2. 9.2.2.2 Input Capacitor Selection
        3. 9.2.2.3 Inductor Selection
      3. 9.2.3 Application Curves
  10. 10Power Supply Recommendations
  11. 11Layout
    1. 11.1 Layout Guidelines
    2. 11.2 Layout Example
  12. 12器件和文档支持
    1. 12.1 器件支持
      1. 12.1.1 Third-Party Products Disclaimer
    2. 12.2 相关文档
      1. 12.2.1 相关链接
    3. 12.3 商标
    4. 12.4 静电放电警告
    5. 12.5 术语表
  13. 13机械、封装和可订购信息

9 Applications and Implementation

NOTE

Information in the following applications sections is not part of the TI component specification, and TI does not warrant its accuracy or completeness. TI’s customers are responsible for determining suitability of components for their purposes. Customers should validate and test their design implementation to confirm system functionality.

9.1 Application Information

The LM3644 can drive two flash LEDs at currents up to 1.5 A per LED. The 2-MHz/4-MHz DC-DC boost regulator allows for the use of small value discrete external components.

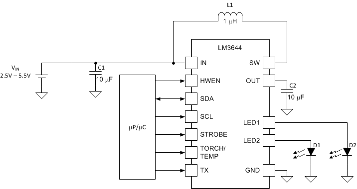
9.2 Typical Application

LM3644 LM3644TT schematic44.gif Figure 41. LM3644 Typical Application

9.2.1 Design Requirements

Example requirements based on default register values:

DESIGN PARAMETER EXAMPLE VALUE
Input voltage range 2.5 V to 5.5 V
Brightness control I2C Register
LED configuration 2 parallel flash LEDs
Boost switching frequency 2 MHz (4 MHz selectable)
Flash brightness 750 mA per LED

9.2.2 Detailed Design Procedure

9.2.2.1 Output Capacitor Selection

The LM3644 is designed to operate with a 10-µF ceramic output capacitor. When the boost converter is running, the output capacitor supplies the load current during the boost converter on-time. When the NMOS switch turns off, the inductor energy is discharged through the internal PMOS switch, supplying power to the load and restoring charge to the output capacitor. This causes a sag in the output voltage during the on-time and a rise in the output voltage during the off-time. The output capacitor is therefore chosen to limit the output ripple to an acceptable level depending on load current and input/output voltage differentials and also to ensure the converter remains stable.

Larger capacitors such as a 22-µF or capacitors in parallel can be used if lower output voltage ripple is desired. To estimate the output voltage ripple considering the ripple due to capacitor discharge (ΔVQ) and the ripple due to the capacitors ESR (ΔVESR) use the following equations:

For continuous conduction mode, the output voltage ripple due to the capacitor discharge is:

Equation 1. LM3644 LM3644TT 30171827.gif

The output voltage ripple due to the output capacitors ESR is found by:

Equation 2. LM3644 LM3644TT 30171828.gif

In ceramic capacitors the ESR is very low so the assumption is that 80% of the output voltage ripple is due to capacitor discharge and 20% from ESR. Table 1 lists different manufacturers for various output capacitors and their case sizes suitable for use with the LM3644.

9.2.2.2 Input Capacitor Selection

Choosing the correct size and type of input capacitor helps minimize the voltage ripple caused by the switching of the LM3644 boost converter and reduce noise on the boost converter's input pin that can feed through and disrupt internal analog signals. In the typical application circuit a 10-µF ceramic input capacitor works well. It is important to place the input capacitor as close as possible to the LM3644 input (IN) pin. This reduces the series resistance and inductance that can inject noise into the device due to the input switching currents. Table 1 lists various input capacitors recommended for use with the LM3644.

Table 1. Recommended Input/Output Capacitors (X5R/X7R Dielectric)

MANUFACTURER PART NUMBER VALUE CASE SIZE VOLTAGE RATING
TDK Corporation C1608JB0J106M 10 µF 0603 (1.6 mm × 0.8 mm × 0.8 mm) 6.3 V
TDK Corporation C2012JB1A106M 10 µF 0805 (2.0 mm × 1.25 mm × 1.25 mm) 10 V
Murata GRM188R60J106M 10 µF 0603 (1.6 mm x 0.8 mm x 0.8 mm) 6.3 V
Murata GRM21BR61A106KE19 10 µF 0805 (2.0 mm × 1.25 mm × 1.25 mm) 10 V

9.2.2.3 Inductor Selection

The LM3644 is designed to use a 0.47-µH or 1-µH inductor. Table 2 lists various inductors and their manufacturers that work well with the LM3644. When the device is boosting (VOUT > VIN) the inductor is typically the largest area of efficiency loss in the circuit. Therefore, choosing an inductor with the lowest possible series resistance is important. Additionally, the saturation rating of the inductor should be greater than the maximum operating peak current of the LM3644. This prevents excess efficiency loss that can occur with inductors that operate in saturation. For proper inductor operation and circuit performance, ensure that the inductor saturation and the peak current limit setting of the LM3644 are greater than IPEAK in the following calculation:

Equation 3. LM3644 LM3644TT 30171829.gif

where

  • ƒSW = 2 or 4 MHz

Efficiency details can be found in the Application Curves.

Table 2. Recommended Inductors

MANUFACTURER L PART NUMBER DIMENSIONS (L×W×H) ISAT RDC
TOKO 0.47 µH DFE201610P-R470M 2.0 mm x 1.6 mm x 1.0 mm 4.1 A 32 mΩ
TOKO 1 µH DFE201610P-1R0M 2.0 mm x 1.6 mm x 1.0 mm 3.7 A 58 mΩ

9.2.3 Application Curves

Ambient temperature is 25°C, input voltage is 3.6 V, HWEN = VIN, CIN = 2 × 10 µF, COUT = 2 × 10 µF and L = 1 µH, unless otherwise noted.
LM3644 LM3644TT D019_SNVS967.gif
ILED = 1.5 A ƒSW = 2 MHz Flash
Figure 42. 2-MHz LED Efficiency vs Input Voltage
LM3644 LM3644TT D028_SNVS967.gif
ILED = 1.5 A ƒSW = 2 MHz Flash
VLED = 3.55 V
Figure 44. LED Efficiency vs Input Voltage
LM3644 LM3644TT D020_SNVS967.gif
ILED = 1.5 A ƒSW = 2 MHz Flash
Figure 43. 4-MHz LED Efficiency vs Input Voltage
LM3644 LM3644TT D029_SNVS967.gif
ILED = 1.5 A ƒSW = 4 MHz Flash
VLED = 3.55 V
Figure 45. LED Efficiency vs Input Voltage
LM3644 LM3644TT D030_SNVS967.gif
ILED = 1 A ƒSW = 2 MHz Flash
VLED = 3.32 V
Figure 46. LED Efficiency vs Input Voltage
LM3644 LM3644TT D032_SNVS967.gif
ILED1 and LED2 = 729 mA Flash
VLED = 3.18 V ƒSW = 2 MHz
Figure 48. LED Efficiency vs Input Voltage
LM3644 LM3644TT D034_SNVS967.gif
ILED = 179 mA ƒSW = 4 MHz
VLED = 2.83 V Torch
Figure 50. LED Efficiency vs Input Voltage
LM3644 LM3644TT D036_SNVS967.gif
ILED1 and LED2 = 179 mA ƒSW = 4 MHz
VLED = 2.83 V Torch
Figure 52. LED Efficiency vs Input Voltage
LM3644 LM3644TT D045_SNVS967-LM3643.gif
ILED1 and LED2 = 179 mA ƒSW = 4 MHz LM3644TT
VLED = 2.83 V Torch
Figure 54. LED Efficiency vs Input Voltage
LM3644 LM3644TT Ramp_Down.gif
ILED1 = ILED2 = 730 mA ƒSW = 2 MHz
VLED = 3.18 V
Figure 56. Ramp Down
LM3644 LM3644TT 2MHz_ripple.gif
ILED1 = ILED2 = 730 mA ƒSW = 2 MHz
VLED = 3.18 V
Figure 58. Ripple @ 2 MHz
LM3644 LM3644TT ramphold.gif
ILED1 = ILED2 = 730 mA ƒSW = 2 MHz
VLED = 3.18 V VIVFM = 3.2 V
Figure 60. IVFM - Ramp and Hold
LM3644 LM3644TT updownadj.gif
ILED1 = ILED2 = 730 mA ƒSW = 2 MHz
VLED = 3.18 V VIVFM = 3.2 V
Figure 62. IVFM - Up and Down Adjust
LM3644 LM3644TT D031_SNVS967.gif
ILED = 729 mA ƒSW = 2 MHz Flash
VLED = 3.18 V
Figure 47. LED Efficiency vs Input Voltage
LM3644 LM3644TT D033_SNVS967.gif
ILED = 179 mA Torch
VLED = 2.83 V ƒSW = 2 MHz
Figure 49. LED Efficiency vs Input Voltage
LM3644 LM3644TT D035_SNVS967.gif
ILED1 and LED2 = 179 mA ƒSW = 2 MHz
VLED = 2.83 V Torch
Figure 51. LED Efficiency vs Input Voltage
LM3644 LM3644TT D044_SNVS967-LM3643.gif
ILED1 and LED2 = 179 mA ƒSW = 2 MHz LM3644TT
VLED = 2.83 V Torch
Figure 53. LED Efficiency vs Input Voltage
LM3644 LM3644TT Startup.gif
ILED1 = ILED2 = 730 mA ƒSW = 2 MHz
VLED = 3.18 V
Figure 55. Start-Up
LM3644 LM3644TT Tx.gif
ILED1 = ILED2 = 730 mA ƒSW = 2 MHz
VLED = 3.18 V
Figure 57. TX Interrupt
LM3644 LM3644TT 4MHz_ripple.gif
ILED1 = ILED2 = 730 mA ƒSW = 4 MHz
VLED = 3.18 V
Figure 59. Ripple @ 4 MHz
LM3644 LM3644TT downadj.gif
ILED1 = ILED2 = 730 mA ƒSW = 2 MHz
VLED = 3.18 V VIVFM = 3.2 V
Figure 61. IVFM - Down Adjust Only