ZHCSAS1G May   2012  – June 2017 TPS65381-Q1

PRODUCTION DATA.  

  1. 器件概述
    1. 1.1 特性
    2. 1.2 应用
    3. 1.3 说明
    4. 1.4 典型应用图
  2. 修订历史记录
  3. 引脚配置和功能
  4. 规格
    1. 4.1 绝对最大额定值
    2. 4.2 ESD 额定值
    3. 4.3 建议运行条件
    4. 4.4 热性能信息
    5. 4.5 电气特性
    6. 4.6 时序要求
    7. 4.7 开关特性
    8. 4.8 典型特性
  5. 详细 说明
    1. 5.1 概述
    2. 5.2 功能框图
    3. 5.3 功能 说明
      1. 5.3.1 VDD6 降压开关模式电源
      2. 5.3.2 VDD5 线性稳压器
      3. 5.3.3 VDD3/5 线性稳压器
      4. 5.3.4 VDD1 线性稳压器
      5. 5.3.5 VSOUT1 线性稳压器
      6. 5.3.6 电荷泵
      7. 5.3.7 唤醒
      8. 5.3.8 复位延长
    4. 5.4 器件功能模式
      1. 5.4.1  上电和断电行为
      2. 5.4.2  安全功能和诊断概述
      3. 5.4.3  电压监控器 (VMON)
      4. 5.4.4  TPS65381-Q1 内部错误信号
      5. 5.4.5  时钟丢失监控器 (LCMON)
      6. 5.4.6  模拟内置自检 (ABIST)
      7. 5.4.7  逻辑内置自检 (LBIST)
      8. 5.4.8  结温监控和电流限制
      9. 5.4.9  诊断多路复用器和诊断输出引脚 (DIAG_OUT)
        1. 5.4.9.1 模拟多路复用器 (AMUX)
        2. 5.4.9.2 数字多路复用器 (DMUX)
        3. 5.4.9.3 诊断多路复用器输出状态(通过 MUX_OUT 位)
        4. 5.4.9.4 多路复用器互连检查
      10. 5.4.10 看门狗计时器 (WD)
      11. 5.4.11 看门狗失效计数器、状态和失效事件
      12. 5.4.12 看门狗序列
      13. 5.4.13 MCU 与看门狗的同步
      14. 5.4.14 触发模式(默认模式)
      15. 5.4.15 Q&A 模式
        1. 5.4.15.1 看门狗 Q&A 相关定义
        2. 5.4.15.2 Q&A 模式下的看门狗序列
        3. 5.4.15.3 问题(令牌)生成
        4. 5.4.15.4 应答比较和参考应答
          1. 5.4.15.4.1 2 位看门狗应答计数器的序列
        5. 5.4.15.5 看门狗 Q&A 模式序列事件和 WD_STATUS 寄存器更新
      16. 5.4.16 MCU 错误信号监控器 (MCU ESM)
        1. 5.4.16.1 TMS570 模式
        2. 5.4.16.2 PWM 模式
      17. 5.4.17 器件配置寄存器保护
      18. 5.4.18 启用和复位驱动器电路
      19. 5.4.19 器件运行状态
      20. 5.4.20 待机状态
      21. 5.4.21 复位状态
      22. 5.4.22 诊断状态
      23. 5.4.23 活动状态
      24. 5.4.24 安全状态
      25. 5.4.25 状态转换优先级
      26. 5.4.26 上电复位 (NPOR)
    5. 5.5 寄存器映射
      1. 5.5.1 串行外设接口 (SPI)
        1. 5.5.1.1 SPI 命令传输阶段
        2. 5.5.1.2 SPI 数据传输阶段
        3. 5.5.1.3 器件状态标志字节响应
        4. 5.5.1.4 器件 SPI 数据响应
        5. 5.5.1.5 SPI 帧概览
      2. 5.5.2 SPI 寄存器写入访问锁定(SW_LOCK 命令)
      3. 5.5.3 SPI 寄存器(SPI 映射响应)
        1. 5.5.3.1 器件版本和 ID
          1. 5.5.3.1.1 DEV_REV 寄存器
          2. 5.5.3.1.2 DEV_ID 寄存器
        2. 5.5.3.2 器件状态
          1. 5.5.3.2.1 DEV_STAT 寄存器
        3. 5.5.3.3 器件配置
          1. 5.5.3.3.1 DEV_CFG1 寄存器
          2. 5.5.3.3.2 DEV_CFG2 寄存器
      4. 5.5.4 器件安全状态和控制寄存器
        1. 5.5.4.1  VMON_STAT_1 寄存器
        2. 5.5.4.2  VMON_STAT_2 寄存器
        3. 5.5.4.3  SAFETY_STAT_1 寄存器
        4. 5.5.4.4  SAFETY_STAT_2 寄存器
        5. 5.5.4.5  SAFETY_STAT_3 寄存器
        6. 5.5.4.6  SAFETY_STAT_4 寄存器
        7. 5.5.4.7  SAFETY_STAT_5 寄存器
        8. 5.5.4.8  SAFETY_ERR_CFG 寄存器
        9. 5.5.4.9  SAFETY_BIST_CTRL 寄存器
        10. 5.5.4.10 SAFETY_CHECK_CTRL 寄存器
        11. 5.5.4.11 SAFETY_FUNC_CFG 寄存器
        12. 5.5.4.12 SAFETY_ERR_STAT 寄存器
        13. 5.5.4.13 SAFETY_ERR_PWM_H 寄存器
        14. 5.5.4.14 SAFETY_ERR_PWM_L 寄存器
        15. 5.5.4.15 SAFETY_PWD_THR_CFG 寄存器
        16. 5.5.4.16 SAFETY_CFG_CRC 寄存器
        17. 5.5.4.17 诊断
          1. 5.5.4.17.1 DIAG_CFG_CTRL 寄存器
          2. 5.5.4.17.2 DIAG_MUX_SEL 寄存器
      5. 5.5.5 看门狗计时器
        1. 5.5.5.1 WD_TOKEN_FDBK 寄存器
        2. 5.5.5.2 WD_WIN1_CFG 寄存器
        3. 5.5.5.3 WD_WIN2_CFG 寄存器
        4. 5.5.5.4 WD_TOKEN_VALUE 寄存器
        5. 5.5.5.5 WD_STATUS 寄存器
        6. 5.5.5.6 WD_ANSWER 寄存器
      6. 5.5.6 传感器电源
        1. 5.5.6.1 SENS_CTRL 寄存器
  6. 应用和实现
    1. 6.1 应用信息
    2. 6.2 典型应用
      1. 6.2.1 设计要求
      2. 6.2.2 详细设计流程
        1. 6.2.2.1 VDD6 前置稳压器
        2. 6.2.2.2 VDD1 线性控制器
        3. 6.2.2.3 VSOUT1 跟踪线性稳压器(配置为跟踪 VDD5)
        4. 6.2.2.4 VSOUT1 跟踪线性稳压器的替代用法(配置为 3.3V 模式下的 6V 输出跟踪 VDD3/5)
        5. 6.2.2.5 为从 VDD5 到 5V 输入的 9V 输出跟踪配置的 VSOUT1 跟踪线性稳压器的替代用法
        6. 6.2.2.6 在非跟踪模式下配置(提供 4.5V 输出)的 VSOUT1 跟踪线性稳压器的替代用法
      3. 6.2.3 应用曲线
    3. 6.3 系统示例
  7. 电源建议
  8. 布局
    1. 8.1 布局准则
      1. 8.1.1 VDD6 降压前置稳压器
      2. 8.1.2 VDD1 线性稳压器控制器
      3. 8.1.3 VDD5 和 VDD3/5 线性稳压器
      4. 8.1.4 VSOUT1 跟踪线性稳压器
      5. 8.1.5 电荷泵
      6. 8.1.6 其他注意事项
    2. 8.2 布局示例
    3. 8.3 功率耗散和热效应注意事项
  9. 器件和文档支持
    1. 9.1 器件支持
      1. 9.1.1 第三方产品免责声明
    2. 9.2 文档支持
      1. 9.2.1 相关文档
    3. 9.3 接收文档更新通知
    4. 9.4 社区资源
    5. 9.5 商标
    6. 9.6 静电放电警告
    7. 9.7 术语表
  10. 10机械、封装和可订购信息

应用和实现

NOTE

以下 应用 部分的信息不属于 TI 组件规范,TI 不担保其准确性和完整性。客户应负责确定 TI 组件是否适用于其应用。客户应验证并测试其设计是否能够实现,以确保系统功能。

应用信息

TPS65381-Q1 器件是一款多轨电源,其中包含一个降压前置稳压器、一个线性控制器、一个 5V 线性稳压器、一个可编程 3.3V 或 5V 线性稳压器以及一个线性跟踪稳压器(具有对电池短路或接地短路保护功能)。该器件具有许多诊断和监控功能。该器件为许多不同的应用提供了电源管理 基础。

典型应用

以下设计要求和设计流程举例说明了如何为用于典型应用的 TPS65381-Q1 器件选择组件值。由于其中的许多稳压器是可调节的,因此提供了公式来计算特定应用的组件值。有关其他参考,另请参阅Section 9.2.1中列出的设计检查清单和应用手册。

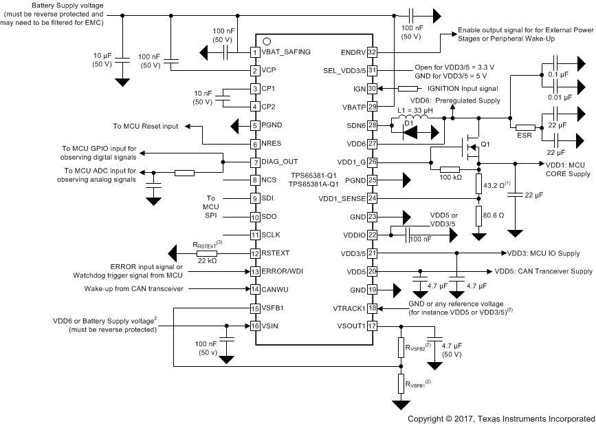
TPS65381-Q1 Typ_App_Dia_2_lvsbc4.gif
示例组件:


  • Q1:BUK9213-30A
  • D1:Vishay SS3H09/10、OnSemi MBRS340T3
  • D2:ROHM UDZSTE-176.2B
  • L1:TDK CLF10060NIT-330M-D 或 COILCRAFT MSS1246T-333ML

NOTE:

  1. 针对 1.23V 输出电压使用 43.2Ω(建议针对 TI TMS570 MCU 使用该值)。更改该电阻器可获得不同的 VDD1 输出电压,VDD1_SENSE = 800mV。该电阻分压器中电阻器的容差将影响 VDD1 调节和电压监控容差。建议使用容差为 0.1% 的电阻器。
  2. RVSFB1 和 RVSFB2 配置 VSOUT1 电压。
    • 引脚 16 (VSIN) 连接到引脚 27 (VDD6)(对于 VSOUT1 ≤ 5V)或引脚 29 (VBATP)(对于 5V < VSOUT1 < 9.5V)。
    • 引脚 18 (VTRACK1) 连接到 GND(对于非跟踪模式)或基准电压(对于示例 VDD5 或 VDD3/5)(对于跟踪模式)。
    • 该电阻分压器中电阻器的容差将影响 VSOUT1 调节和电压监控容差。建议使用容差为 0.1% 的电阻器。
    • 有关详细信息,请参阅Section 5.3.5
    


  3. RRSEXT 配置复位延长时间。请参阅Section 4.5复位和使能输出 部分。
Figure 6-1 典型应用图

设计要求

在选择电容器时,应考虑以下特性:

  • 在选择合适的电容器时,必须使用工作电压下的有效电容。电容器随运行电压而降额,有时高达 70%。因此,电路的电容可能会超出Section 4中所列电容器的指定值范围。
  • 电容器的温度和寿命也可能会影响有效电容,因此应加以考虑。
  • 应考虑电容器的电压额定值,尤其是在也可能经历瞬态电压的高电压输入电路上。

在选择电容器时,必须考虑所有这些影响,以便电路具有电容器的应用运行条件(如温度、电压和寿命)下该器件的指定电容。

VBATP 和 VBAT_SAFING 引脚是器件的电源输入。这些电源必须受到电池反向保护。电源还应针对目标应用受到充分的瞬态保护并具有足够的噪声滤波功能。如果应用具有连接至 VBATP 引脚、VBAT_SAFING 引脚或两者的噪声和高电流输出驱动器,则可能需要在输出驱动器和器件之间提供额外的滤波功能。

IGN 引脚是器件的唤醒输入。该输入提供高达 –7V 的保护。在该电压范围之外,IGN 引脚必须受到反向保护。如果噪声的发生时间可能长于指定的抗尖峰脉冲时间,则 IGN 还应针对目标应用受到充分的瞬态保护并具有足够的噪声滤波功能。

详细设计流程

VDD6 前置稳压器

必须考虑电感器、输出电容器和输出电容的总有效串联电阻 (ESR),以实现 VDD6 前置稳压器平衡运行。

输出电感器必须大于或等于最小电感 (22μH)。典型的额定电感为 33μH,该设计中选用的也是该值。

VDD6 前置稳压器的有效输出电容的额定值为 22μF 至 47μF。该设计选用了 22μF 的有效电容(在 6V 直流运行点下)。该值允许在电压稳压器输入上提供额外的下游输入电容。要滤除高频信号,请使用并联的 10nF 和 0.1μF 电容器。如果使用更高的有效电容,则电压纹波会降低并且可以降低所需的 ESR。电容器的有效电容应由电容器供应商提供,并且必须针对容差、寿命、温度和运行电压进行降额。

由于 VDD6 前置稳压器采用迟滞架构,因此使用输出电容需要控制 ESR。额定 ESR 范围为 100mΩ 至 300mΩ。使用Equation 1 计算实现平衡运行所需的最小总 ESR。

Equation 1. RESR = L/(15 × CEffective) = 33/(15 × 22) = 100mΩ

例如,电容器的数据表指出电容器的 ESR 为 4mΩ,PCB 设计的寄生参数提取为 6mΩ。仍可以使用 100mΩ 的 ESR 电阻器,或者可以将分立式 ESR 电阻器调整为 90mΩ,从而达到至少 100mΩ 的总有效 ESR。如果使用更大的有效电容,则根据公式可能得出低于 100mΩ 的 ESR 值。在这种情况下,仍应将总 ESR 提高至 100mΩ 总 ESR 最小值,以符合规格。

应使用高电压表面贴装式肖特基整流器二极管(如 SS3H9/10 或 MBRS340T3)。

Figure 6-2 显示了该配置。

TPS65381-Q1 design_vdd6_slvscb4.gif Figure 6-2 VDD6 设计

VDD1 线性控制器

TPS65381-Q1 器件配合使用的微处理器需要 1.23V 的内核电压。

VDD1 线性控制器的输出电压由 VDD1 输出与接地之间的电阻分压器进行设置,分得的电压连接至 VDD1_SENSE 引脚,该电压必须设置为 800mV。为了确保有足够的偏置电流流过电阻分压器,请将 R1 的值选择为 80.6Ω。使用Equation 2 计算 R2 的电阻。

Equation 2. R2 = ([VDD1 × R1]/VVDD1_SENSE) – R1 = ([1.23V × 80.6Ω]/0.8V) – 80.6Ω = 43.3Ω

选择标准值 43.2Ω。

NOTE

该电阻分压器中 R1 和 R2 电阻器的容差将影响 VDD1 调节和电压监控容差。建议使用容差为 0.1% 的电阻器。

为 VDD1 线性控制器选择符合Section 4.5VDD1 – 具有外部 FET 的 LDO 中的要求的输出 FET。示例输出 FET 包括 BUK9213-30A。输出 FET 的栅极连接至 VDD1_G 引脚。FET 的栅极和源极之间连接一个 100kΩ 电阻器。FET 的漏极连接至 VDD6 前置稳压器输出,该输出用作 VDD1 线性控制器的电源输入。

使用在 1.23V 下具有 22μF 有效电容的低 ESR 陶瓷输出电容器,以符合该数据表中列出的输出电容器的要求。该输出可能需要更大的输出电容器,以确保在负载瞬态期间输出不会降至低于所需的稳压规格,具体取决于应用。VDD1 输出电容的额定值高达 40μF。

Figure 6-3 显示了该配置。

TPS65381-Q1 design_vdd1_slvscb4.gif Figure 6-3 VDD1 设计

VSOUT1 跟踪线性稳压器(配置为跟踪 VDD5)

系统的其中一个传感器需要能够跟踪 VDD5 电源的 5V 电源。应设置配置以实现更高的效率。

VDD5 输出连接至 VTRACK1 引脚,该引脚针对跟踪模式配置稳压器。由于输出必须跟踪输入,因此可将 VSFB1 引脚连接至 VSOUT1 引脚,从而在 VSFB1 引脚上使用单位增益反馈。

为了提高效率,请使用 VDD6 前置稳压器作为电源。因此,VDD6 输出连接至 VSIN。在本机上,为 VSIN 引脚采用低 ESR 100nF 陶瓷电容器以稳定输入。

在 VSOUT1 输出上使用本地低 ESR 4.7μF 陶瓷电容器以实现环路稳定。该输出可能需要更大的输出电容器,以确保在负载瞬态期间输出不会降至低于所需的稳压规格,具体取决于应用。VSOUT1 输出电容的额定值高达 10μF。

Figure 6-4 显示了该配置。

TPS65381-Q1 design_vsout_tracking_no-gain_slvscb4.gif Figure 6-4 VSOUT1 设计 - 跟踪,无增益

VSOUT1 跟踪线性稳压器的替代用法(配置为 3.3V 模式下的 6V 输出跟踪 VDD3/5)

系统具有一个需要必须跟踪 VDD3/5 电源(在 3.3V 下运行)的 6V 电源的传感器。

在 3.3V 模式下运行的 VDD3/5 电源连接至 VTRACK1 引脚,该引脚针对跟踪模式配置稳压器。由于输出必须具有增益以使 6V 输出跟踪 3.3V 电源,因此在 VSFB1 引脚上使用增益反馈。为了实现所需的增益,在 VSOUT1 和 VSFB1 引脚之间连接一个电阻分压器。为 RVSFB1 电阻器选择 3.3kΩ 的值以平衡流过电阻分压器的电流,以实现合理的偏置电流和损耗。使用Equation 3 计算 RVSFB2 的电阻。

Equation 3. RVSFB2 = ([VSOUT1 × RVSFB1]/VTRACK) – RVSFB1 = ([6V × 3.3kΩ]/3.3V) – 3.3kΩ = 2.7kΩ

选择标准值 2.7kΩ。

NOTE

该电阻分压器中 RVSFB1 和 RVSFB2 电阻器的容差将影响 VSOUT1 调节和电压监控容差。建议使用容差为 0.1% 的电阻器。

由于所需的 VSOUT1 输出大于 5V,因此必须将 VBATP 电源用作跟踪电源。因此,将 VBATP 电源连接至 VSIN 引脚。在本机上,为 VSIN 引脚采用低 ESR 100nF 陶瓷电容器以稳定输入。

在 VSOUT1 引脚上使用本地低 ESR 4.7μF 陶瓷电容器以实现环路稳定。该输出可能需要更大的输出电容器,以确保在负载瞬态期间输出不会降至低于所需的稳压规格,具体取决于应用。VSOUT1 输出电容的额定值高达 10μF。

Figure 6-5 显示了该配置。

TPS65381-Q1 design_vsout_tracking_w-gain_slvscb4.gif Figure 6-5 VSOUT1 设计 - 跟踪,带增益 (VDD3/5)

为从 VDD5 到 5V 输入的 9V 输出跟踪配置的 VSOUT1 跟踪线性稳压器的替代用法

系统具有一个需要必须跟踪 VDD5 电源(在 5V 下运行)的 9V 电源的传感器。

VDD5 电源连接至 VTRACK1,该引脚针对跟踪模式配置稳压器。由于输出必须具有增益以使 9V 输出跟踪 5V 电源,因此在 VSFB1 引脚上使用增益反馈。为了实现所需的增益,在 VSOUT1 和 VSFB1 引脚之间连接一个电阻分压器。为 RVSFB1 电阻器选择 3.3kΩ 的值以平衡流过电阻分压器的电流,以实现合理的偏置电流和损耗。使用Equation 4 计算 RVSFB2 的电阻。

Equation 4. RVSFB2 = ([VSOUT1 × RVSFB1]/VTRACK) – RVSFB1 = ([9V × 3.3kΩ]/5V) – 3.3kΩ = 2.64kΩ

选择标准值 2.7kΩ。

NOTE

该电阻分压器中 RVSFB1 和 RVSFB2 电阻器的容差将影响 VSOUT1 调节和电压监控容差。建议使用容差为 0.1% 的电阻器。

由于所需的 VSOUT1 输出大于 5V,因此必须将 VBATP 电源用作跟踪电源。因此,将 VBATP 电源连接至 VSIN 引脚。在本机上,为 VSIN 引脚采用低 ESR 100nF 陶瓷电容器以稳定输入。

在 VSOUT1 引脚上使用本地低 ESR 4.7μF 陶瓷电容器以实现环路稳定。该输出可能需要更大的输出电容器,以确保在负载瞬态期间输出不会降至低于所需的稳压规格,具体取决于应用。VSOUT1 输出电容的额定值高达 10μF。

Figure 6-6 显示了该配置。

TPS65381-Q1 design_vsout_tracking_w-g_vdd5_slvscb4.gif Figure 6-6 VSOUT1 设计 - 跟踪,带增益 (VDD5)

在非跟踪模式下配置(提供 4.5V 输出)的 VSOUT1 跟踪线性稳压器的替代用法

如果系统需要不跟踪任何其他电源的 4.5V 电源,则将 VTRACK1 引脚接地 (GND),即配置为非跟踪模式稳压器。输出现在与 VSFB1 引脚上的 2.5V 固定基准电压 (Vref) 成正比。由于输出必须具有增益以生成 4.5V 输出,因此将在 VSFB1 引脚上使用增益反馈。为了实现所需的增益,在 VSOUT1 和 VSFB1 引脚之间连接一个电阻分压器。为 RVSFB1 电阻器选择 3.3kΩ 的值以平衡流过电阻分压器的电流,以实现合理的偏置电流和损耗。使用Equation 5 计算 RVSFB2 的电阻。

Equation 5. RVSFB2 = ([VSOUT1 × RVSFB1]/Vref) – RVSFB1 = ([4.5V × 3.3kΩ]/2.5V) – 3.3kΩ = 2.64kΩ

选择标准值 2.7kΩ。

NOTE

该电阻分压器中 RVSFB1 和 RVSFB2 电阻器的容差将影响 VSOUT1 调节和电压监控容差。建议使用容差为 0.1% 的电阻器。

为了提高效率,VDD6 前置稳压器是电源,因此 VDD6 输出连接至 VSIN 引脚。在本机上,为 VSIN 引脚采用低 ESR 100nF 陶瓷电容器以稳定输入。

在 VSOUT1 引脚上使用本地低 ESR 4.7μF 陶瓷电容器以实现环路稳定。该输出可能需要更大的输出电容器,以确保在负载瞬态期间输出不会降至低于所需的稳压规格,具体取决于应用。VSOUT1 输出电容的额定值高达 10μF。

Figure 6-7 显示了该配置。

TPS65381-Q1 design_vsout_non-tracking_slvscb4.gif Figure 6-7 VSOUT1 设计 - 非跟踪

应用曲线

有关应用曲线,请参阅Table 6-1 中列出的图。

Table 6-1 图形表

图标题 图编号
SPI SDO 缓冲器拉电流和灌电流 Figure 4-3
VDD6 降压效率 Figure 4-4

系统示例

TPS65381-Q1 Elec_Pwr_Steer_lvsbc4.gif Figure 6-8 电动助力转向示例
TPS65381-Q1 TPS_with_TMS_lvsbc4.gif
ERROR/WDI 引脚可以配置为 MCU ERROR 信号监控器 (ESM) 的输入(TMS570 双核或其他安全架构 MCU),也可以配置为窗口安全狗输入(TMS470 或其他单核 MCU)。
ENDRV 输出可以配置为外部功率级的使能(典型用法),也可以选择配置为 TMS570 的热复位。
Figure 6-9 采用 TI 的 TMS570LS 的示例 TPS65381-Q1
TPS65381-Q1 TPS_w_TMS_CORE_lvsbc4.gif
ERROR/WDI 引脚可以配置为 MCU ERROR 信号监控器 (ESM) 的输入(TMS570 双核或其他安全架构 MCU),也可以配置为窗口安全狗输入(TMS470 或其他单核 MCU)。
Figure 6-10 采用 TI 的 TMS470(使用内部 MCU 内核电源)的示例 TPS65381-Q1
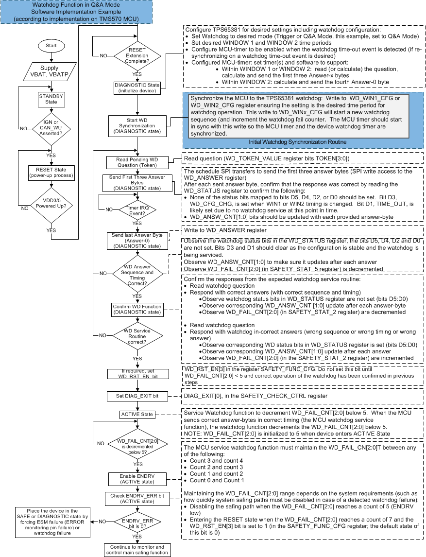
TPS65381-Q1 flowchart_slvsbc4.gif Figure 6-11 配置 MCU 并将其与 Q&A 模式下的看门狗同步的软件流程图
TPS65381-Q1 flowchart_trigger_slvsbc4.gif Figure 6-12 配置 MCU 并将其与触发模式下的看门狗同步的软件流程图