ZHCAEG4 September   2024 TPLD1202 , TPLD1202-Q1

 

  1.   1
  2. 12
  3.   商标

什么是 7 段显示屏?

7 段显示屏是简单的 LED 配置,用于显示单个数字字符和有限的字母,常见于数字时钟、微波炉或计算器等设备中。通常,这些设备会使用多个 7 段显示屏来显示多位数,每个 7 段显示屏显示一个数字。

每个 7 段显示屏至少有 8 个输入,每个 LED 对应一个输入,外加一个电源输入。使用多个 7 段显示屏的电路会随着增加每个显示屏而需要逐渐增加输入。如果直接由微控制器控制每个输入,则一个简单的 4 位数字时钟可能需要使用至少 28 个 GPIO 引脚。为了降低 GPIO 要求,可以采用移位寄存器等 IO 扩展器,通过较少的微控制器输出来控制多个显示输入。

TI 可编程逻辑器件 (TPLD) 可以在输出到 7 段显示屏之前,将 IO 扩展功能与控制逻辑整合在一起。因此,设计人员能够减小 MCU 所需的尺寸和功能。

使用 TPLD 中的 I2C GPIO 扩展

要使用较少的 IO 引脚控制 7 段显示屏,一种方法是通过 I2C 寻址。TPLD 产品系列中的某些器件(例如 TPLD1202)具有集成的 I2C 寄存器,这些寄存器可以使用 MCU 进行编程。这些内部寄存器可以连接到 TPLD IO 以驱动 7 段显示屏。图 1 展示了 InterConnect Studio 中的 I2C 块配置。

 ICS 中的简单 I2C GPIO 扩展图 1 ICS 中的简单 I2C GPIO 扩展

多个 TPLD 可以配置不同的 I2C 地址并连接到同一个 I2C 输入,以实现进一步的 GPIO 扩展。每个 TPLD 都可以配置不同的 I2C 地址,或者可以通过硬件设置不同的 I2C 地址。这样就可以仅使用 MCU 的 2 个 I2C 引脚来控制多个 7 段显示屏,如图 2 所示。

 多个 I2C GPIO 扩展器并联使用图 2 多个 I2C GPIO 扩展器并联使用

使用 TPLD 中的状态机

另一种使用较少 IO 引脚控制 7 段显示屏的方法是使用 TPLD 的状态机。相较于 I2C 方法,这种方法对 7 段显示屏的直接控制较少,因为 MCU 无法直接写入 7 段显示屏,但可以通过 TPLD 以较少的外部控制指令来控制显示屏。图 3 展示了一个配置,该配置使用状态机实现从 3 开始的递减计数,每次触发信号发送后计数减少。与 I2C 方法不同,此配置仅需要一条外部线路,无需使用任何通信协议。

 ICS 中的简单状态机图 3 ICS 中的简单状态机

此方法还允许使用 TPLD 的内部逻辑元件(如图 4 中所示的控制器)实现更复杂的设计。在该设计中,当接收到输入信号时,器件会将显示设置为输出“3”,并在 3 秒内减到 0。

 ICS 中的状态机与集成控制元件图 4 ICS 中的状态机与集成控制元件

构建综合控制器

TPLD 在控制 7 段显示屏方面的优势包括:

  • 将多个控制元件集成到一个器件中
  • 减少系统的 BOM 并降低布板空间要求
  • 允许对显示屏进行有限的独立控制

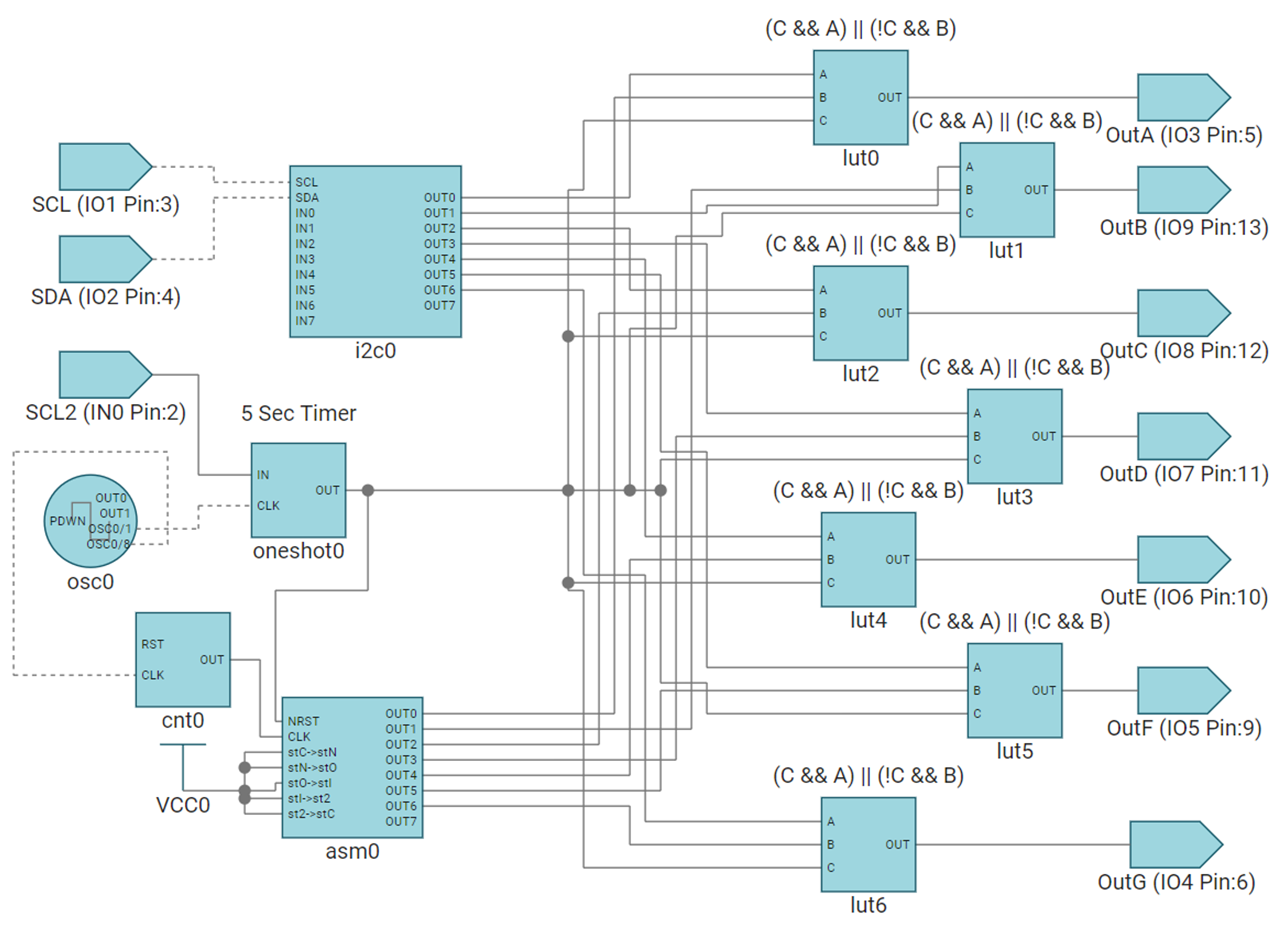
这些优势在图 5 所示的配置中得到了很好的体现。在此配置中,7 段显示屏由 I2C 直接控制,但如果在 5 秒内没有收到新的 I2C 命令,显示屏可以循环显示消息“NO I2C”,直到接收到新的 I2C 命令。

 具有集成 I2C 和状态机控制的综合 7 段显示屏控制器方案图 5 具有集成 I2C 和状态机控制的综合 7 段显示屏控制器方案

TPLD 允许将多个逻辑块和信号处理块集成到单个器件中。这不仅可以减小整体设计尺寸,同时还为设计人员提供了新的功能。有关 TPLD 的更多信息,请访问 TPLD1201 产品页面或在 TI E2E™ 逻辑支持论坛上向我们的工程师提问。