ZHCA885A January 2019 – August 2024 DAC60501 , OPA207
| DAC 电源电压 | 放大器电源电压 | DAC 输出范围 | 输出电压范围 | 输出电流能力 | 上电复位输出 |
|---|---|---|---|---|---|
| 5.5V | ±5.5V | 0V 至 2.5V | -5V 至 0V | ±20mA | -5V |
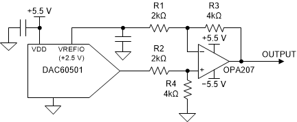
该电路显示了如何仅使用外部运算放大器和电阻器将正单极数模转换器(DAC)输出转换为负单极输出。在许多应用(如有源天线系统 (AAS) 和宏远程无线电单元 (RRU))中,使用 DAC 输出来偏置氮化镓 (GaN) 功率放大器 (PA) 的栅极。要使这些放大器断电,必须对栅极施加负电位。因此,使栅极电压默认为负值是有利的。PA 偏置应用还需要比大多数 DAC 更强的电流输出拉电流和灌电流能力。
通过利用也具有基准电压的电压输出 DAC 来实现这些设计目标。DAC 输出和基准输出连接到差分放大器,基准电压连接到反相输入。这使得 DAC 的零标度输出能够将放大器的输出设置为其负满标度值。




以下仿真显示了电路的输出传递函数:

下图显示了输出端具有 15pF 负载的电路的 LSB 阶跃响应。

| 器件 | 主要特性 | 链路 | 其他可能的器件 |
|---|---|---|---|
| DAC60501 | 具有精密内部基准的 12 位、1LSB、电压输出数模转换器。 | 采用 WSON 封装、具有精密内部基准电压的真正 12 位、单通道、SPI/I2C、电压输出 DAC | 数模转换器 (DAC) |
| OPA207 | 低功耗、高精度、低噪声、轨到轨输出运算放大器 | 低功耗 (350µA)、低噪声 (7.5nV/√Hz)、高精度(100µV、0.2µV/°C)、双极性 RRO 运算放大器 | 精密运算放大器 (Vos<1mV) |
德州仪器 (TI),该电路的配套仿真文件,软件支持