ZHCA801B February 2018 – September 2024 ADS8689 , LP2981 , SN6505B
| AVDD | Vee | Vdd |
|---|---|---|
| 5.0V | 6.5V | 5.0V |
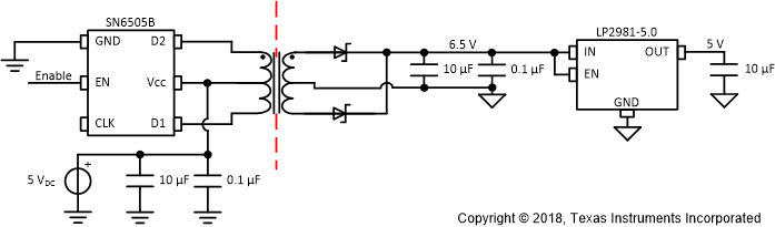
此设计展示了采用变压器驱动器和低压降稳压器 (LDO) 的隔离式电源。此设计旨在与数字隔离式 SAR ADC 结合使用(如数字隔离式 ADS8689 设计中所示)。需要隔离接口的工业应用 是此设计与 SAR ADC 结合后的主要应用场合。根据输出电流要求和输出电压噪声要求不同,可以选择不同的变压器驱动器和 LDO。该电源的设计和测试均基于采用 ADS8689 的 PCB,本文档稍后会显示 ADS8689 的性能以证明该电源的有效性。
此电路实施适用于模拟输入模块、心电图 (ECG)、脉动式血氧计 和临床患者监护仪 等应用。

| 规格 | 目标值 | 测得值 |
|---|---|---|
| LDO 输出电流 | < 100mA | 每通道 16mA |
| LDO 输出电压噪声 | < 1mVRMS | 不适用 |
| ADS8689 信噪比 (SNR) | 92dB | 92.4dB |
| ADS8689 总谐波失真 (THD) | -112dB | 111.3dB |
下图是 SN6505B 两条变压器驱动线路的示波器截图。这些是 411kHz 频率下的 0V 至 5V 脉冲。

下图是 SN6505B 功率级整流器之后的输出电压的示波器截图。这是 LP2981-5.0 LDO 的输入。结果:1.12mVRMS。

该电源是在通道间隔离式 ADS8689 PCB 上实现的。测量 ADS8689 的交流性能证明了此隔离式电源的有效性。交流性能显示 SNR = 92.4dB 且 THD = –111.3dB,这与该 ADC 的额定性能非常匹配:SNR = 92dB 且 THD = –112dB。

| 器件 | 主要特性 | 链路 | 类似器件 |
|---|---|---|---|
| ADS8689 | 12 位分辨率,SPI,1Msps 采样速率,单端输入,AVDD/Vref 输入范围为 1.6V 至 3.6V。 | 具有可编程 (±12V/±10V/±6V/±5V/±2.5V) 输入范围、+5V 电源的 16 位、100kSPS、单通道 SAR ADC | 模数转换器 (ADC) |
| SN6505B | 低噪声 1A、420kHz 变压器驱动器 | 适用于隔离电源的低噪声、1A、420kHz 变压器驱动器 | 变压器驱动器 |
| LP2981 | 具有关断模式的 100mA 超低压降稳压器 | 具有使能功能的 100mA、16V 低压降稳压器 | 线性和低压降 (LDO) 稳压器 |