SSZTAA9 march   2017 LM5118 , LM5175 , TPS63060

 

  1.   1
  2.   2
    1.     3
    2.     Additional Resources:

Garrett Roecker

Automotive systems are designed to withstand wide variations of temperature, extreme input transients and other interferences. Almost all electronics within your car are subjected to stringent testing and need to meet quality system standards and component qualification specified by the Automotive Electronics Council (AEC).  Most automotive systems are powered by a 12V lead acid battery, and as you probably know, the voltage of a battery varies over pretty much every condition you can imagine: ambient temperature, loading conditions, age; the list goes on and on.

Under normal operating conditions the voltage can move anywhere from 9V to 16V. Under certain operating conditions the voltage can swing even further. When a combustion engine is being ignited, the 12V lead acid battery must provide sufficient energy to the windings of the starter motor, supplying large amounts of current for a short period of time, leading the battery voltage to fall dramatically. Extremely low temperatures will cause the battery voltage to drop even lower. This phenomenon is called cold crank. A typical test waveform is shown in Figure 1, where the voltage can drop to 3V.

GUID-B78CDDAB-CC7A-44B3-93AB-6D6DA8ECEC44-low.png Figure 1 Cold Crank Voltage Profile on Car Battery

Assume that we are designing a 12V car audio system powered directly from this 12V lead acid battery. How can we keep the audio system powered at a constant input voltage? Remember, as described above, the battery voltage can range from 3V to 16V. Will a buck converter work? Nope. When the battery voltage is below 12V, the input to the audio system will sag, possibly causing a brown out condition. Let’s try a boost converter. Nope. When the battery voltage is greater than 12V the input to the audio system will rise, possibly leading to over voltage conditions that can cause damage to your electronics. What we need is a buck-boost converter. As the name implies, this topology can either buck (step-down) or boost (step-up) to the regulated output voltage regardless of input voltage. Most importantly, it can supply constant energy despite swings in voltage. Figure 2 shows a simple cascaded boost to buck topology.

GUID-6843A3C0-0012-4617-8D8D-C1453DBADADB-low.jpg Figure 2 Cascaded Buck-boost Converter

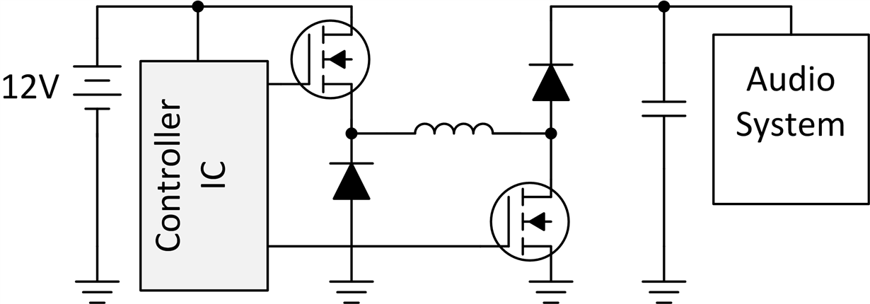
Buck-boost topologies come in a number of variations and simplifications, having many advantages over the topology shown in Figure 2. For example the two converters can be simplified down and share one inductor which saves board space (see Figure 3A). Want to improve the efficiency? Remove the free-wheeling diodes and add MOSFETs to reduce conduction losses and that is a four-switch buck-boost (Figure 4B). Still worried about board space? Why not take the four switch converter and move the MOSFETs inside the control IC (Figure 5C) and save that valuable PCB space.

GUID-73359B3E-7497-4BC9-9C51-748D5E3799B0-low.png Figure 3 A: 2 Switch Buck-boost Converter
GUID-4487FFF5-3B68-419D-8099-1E96A8246775-low.png Figure 4 B: 4 Switch Buck-boost Converter
GUID-154E0596-2C6D-4F93-8CBB-F70FDADEB6A0-low.png Figure 5 C: Buck-boost Converter with Integrated MOSFETs

Want to learn more about some of these variants of the buck-boost converter? Checkout the new TI Power Management Lab Kit Buck-Boost board and experiment book. This new learning kit is focused on teaching the user how a buck-boost topology works and challenges associated with the design. The evaluation board uses TI’s LM5118 controller integrated circuit. The kit also comes with an experiment book for hands-on learning. Once you master the TI-PMLK Buck Boost lab experiments, take a look at some of TI’s other buck-boost power solution such as the four-switch LM5175 and TPS63060 with integrated MOSFETs.

You can see a live demonstration of the new TI Power Management Lab Kit Buck-Boost board and experiment board in TI’s booth, No. 701, at the Applied Power Electronics Conference (APEC) March 26-30 in Tampa, Florida.