SSZT542 february   2019 DAC43608 , DAC53608 , TLV1701

 

  1.   1
  2.   2
    1.     3

Jeff Kohnle

When designers are defining a system-level power supply, one key consideration has to be the addition of the appropriate protection circuits in order to ensure that the design is not only effective, but robust. Although achieving system-level voltage and current protection can add complexity to your design, you can attain a solution with minimal compromise and cost by incorporating small, cost-effective digital-to-analog converters (DACs) plus simple window comparators.

TI’s 10-bit DAC53608 precision DAC, first in a new family of small, cost-effective voltage output DACs, offers just such a solution to this design challenge.

Power-supply supervision is a circuit required in almost all power-supply applications that use shared supply rails across multiple boards or modules. This circuit, while necessary for the protection of system-level components in case of a fault, is often perceived as adding design complexity and cost. Therefore, implementing a robust power-supply supervision circuit cost-effectively becomes one of the key challenges for any designer. Common applications requiring such supervision circuits include communications equipment, battery test systems and automated test equipment.

In this post, I will discuss the easiest methods for implementing an effective power-supply supervision circuit using the DAC53608.

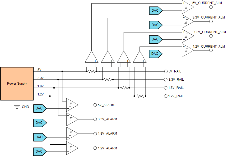
Figure 1 provides a simple high-level view of how to implement power-supply voltage or current supervision. Simply put, each precision DAC sets a threshold for each window comparator, which is compared against the measured voltage or current. The comparator can then trigger the system processor in case the measured value moves outside the programmed band. For brevity, I’ll concentrate on voltage supervisors, since it’s possible to implement a current supervisor in a similar way.

GUID-BCA8940B-4CA5-4164-B4E9-5624C9A042A8-low.gif Figure 1 Block Diagram of Power-supply Supervision

One common approach to implementing power-supply supervision is to detect the direction of a failure inside a control loop in order to properly regulate the power-supply source. Let’s illustrate this simple design based using the DAC53608 10-bit DAC and TLV1701 dual comparator. This design requires two trigger outputs from every supervisory circuit, as shown in Figure 2. Two DAC channels independently generate the high and low threshold voltages. Resistors RA and RB bring the nominal value of the monitored voltage (VIN) into the range of the DAC. Using open-drain comparators is preferable here in order to generate trigger signals at the input/output voltage level of the processing circuit. When the attenuated input voltage increases beyond VTH-HI, the output VALARM-HI goes low. Similarly, VALARM-LO goes low when the attenuated output voltage decreases below VTH-LO; otherwise the outputs are pulled high. Figure 3 shows the waveforms generated at different nodes of this circuit.

GUID-F866BC37-2842-4401-B942-DD585B7A3208-low.gif Figure 3 Dual-output Waveform

Although the previous control-loop approach can be very useful, it does require two trigger pins per monitoring channel, and thus may be more complex than necessary. For applications requiring just a simple, single fault indication, it’s possible to further simplify the circuit as an open loop.

Figure 4 illustrates a simple method to generate a single trigger output by combining the open-drain comparator outputs. This trigger output goes low in case either of the comparator outputs is low. Note that you cannot use this circuit inside a control loop, as the output only conveys a fault condition, not the fault type. Figure 5 shows the corresponding waveform for this fault indication circuit, where you can see that the trigger output is low whenever there is a fault.

GUID-4FE92B8C-B1CC-450C-8D96-0622D95EBA88-low.gif Figure 4 Window Comparator for Fault Indication
GUID-8B171D7A-D535-4184-8CF8-E3B53F61988A-low.gif Figure 5 Fault Indication Waveform

The two previous supervision examples required two DACs for each monitoring channel in order to provide full programmability over the threshold voltage levels. However, in some applications, you can fix the ratio between the high and low threshold voltages; therefore, only a single DAC is required for programming the nominal voltage (open loop). In these cases, you can reduce the number of required DAC channels by half, as illustrated in Figure 6. Here, the DAC sets the high threshold voltage, while the low threshold voltage is defined by the resistor ratio, as shown in the equation in Figure 6.

GUID-26C06205-9B8C-4AA1-B6A3-08D90E2300DA-low.gif Figure 6 Resource Optimized Fault Indication

The 10-bit DAC53608, first in a family of small, low-cost DACs, is an eight-channel buffered voltage output DAC packaged in a 3-mm by 3-mm quad flat no-lead package. It offers single supply operation and also comes in an 8-bit pin-compatible version, the DAC43608. These DACs provide an I2C interface whose device address is configurable with up to four different values using a single hardware pin, which allows for the use of as many as 32 channels without having to use an I2C buffer. One, two and four-channel versions of this DAC family are forthcoming, some with Serial Peripheral Interface as well as nonvolatile memory.

All of these features combined make the DAC53608 an excellent choice to optimize your power-supply (voltage or current) supervision design (open or closed loop) when you need to help ensure overall operational integrity. Could the DAC53608 be part of your next supervision circuit solution?