SLUUBY1B December   2020  – April 2022 BQ76942

 

  1.   Read This First
    1.     About This Manual
    2.     Battery Notational Conventions
    3.     Trademarks
    4.     Glossary
  2. Introduction
  3. Device Description
    1. 2.1 Overview
    2. 2.2 Functional Block Diagram
  4. Device Configuration
    1. 3.1 Direct Commands and Subcommands
    2. 3.2 Configuration Using OTP or Registers
    3. 3.3 Device Version Differences
    4. 3.4 Data Formats
      1. 3.4.1 Unsigned Integer
      2. 3.4.2 Integer
      3. 3.4.3 Floating Point
      4. 3.4.4 Hex
  5. Measurement Subsystem
    1. 4.1  Voltage Measurement
      1. 4.1.1 Voltage Measurement Schedule
      2. 4.1.2 Usage of VC Pins for Cells Versus Interconnect
      3. 4.1.3 Cell Interconnect Resistance
    2. 4.2  General Purpose ADCIN Functionality
    3. 4.3  Coulomb Counter and Digital Filters
    4. 4.4  Synchronized Voltage and Current Measurement
    5. 4.5  Subcommands 0x0071–0x0073 DASTATUS1-3() , Cell Voltage and Synchronized Current Counts
    6. 4.6  Subcommands 0x0075–0x0077 DASTATUS5-7(), Additional Measurements
    7. 4.7  Internal Temperature Measurement
    8. 4.8  Thermistor Temperature Measurement
    9. 4.9  Factory Trim of Voltage ADC
    10. 4.10 Voltage Calibration (ADC Measurements)
    11. 4.11 Voltage Calibration (COV and CUV Protections)
    12. 4.12 Current Calibration
    13. 4.13 Temperature Calibration
  6. Primary and Secondary Protection Subsystems
    1. 5.1 Protections Overview
    2. 5.2 Primary Protections
      1. 5.2.1  Primary Protections Overview
      2. 5.2.2  High-Side NFET Drivers
      3. 5.2.3  Protection FETs Configuration and Control
        1. 5.2.3.1 FET Configuration
        2. 5.2.3.2 FET Control
          1. 5.2.3.2.1 Precharge Mode
          2. 5.2.3.2.2 Predischarge Mode
      4. 5.2.4  Cell Overvoltage Protection
      5. 5.2.5  Cell Undervoltage Protection
      6. 5.2.6  Short Circuit in Discharge Protection
      7. 5.2.7  Overcurrent in Charge Protection
      8. 5.2.8  Overcurrent in Discharge 1, 2, and 3 Protections
      9. 5.2.9  Overtemperature in Charge Protection
      10. 5.2.10 Overtemperature in Discharge Protection
      11. 5.2.11 Overtemperature FET Protection
      12. 5.2.12 Internal Overtemperature Protection
      13. 5.2.13 Undertemperature in Charge Protection
      14. 5.2.14 Undertemperature in Discharge Protection
      15. 5.2.15 Internal Undertemperature Protection
      16. 5.2.16 Host Watchdog Protection
      17. 5.2.17 Precharge Timeout Protection
      18. 5.2.18 Load Detect Functionality
    3. 5.3 Secondary Protections
      1. 5.3.1  Secondary Protections Overview
      2. 5.3.2  Copper Deposition (CUDEP) Permanent Fail
      3. 5.3.3  Safety Undervoltage (SUV) Permanent Fail
      4. 5.3.4  Safety Overvoltage (SOV) Permanent Fail
      5. 5.3.5  Safety Overcurrent in Charge (SOCC) Permanent Fail
      6. 5.3.6  Safety Overcurrent in Discharge (SOCD) Permanent Fail
      7. 5.3.7  Safety Cell Overtemperature (SOT) Permanent Fail
      8. 5.3.8  Safety FET Overtemperature (SOTF) Permanent Fail
      9. 5.3.9  Charge FET (CFETF) Permanent Fail
      10. 5.3.10 Discharge FET (DFETF) Permanent Fail
      11. 5.3.11 Secondary Protector (2LVL) Permanent Fail
      12. 5.3.12 Voltage Imbalance in Relax (VIMR) Permanent Fail
      13. 5.3.13 Voltage Imbalance in Active (VIMA) Permanent Fail
      14. 5.3.14 Short Circuit in Discharge Latched Permanent Fail
      15. 5.3.15 OTP Memory Signature Permanent Fail
      16. 5.3.16 Data ROM Memory Signature Permanent Fail
      17. 5.3.17 Instruction ROM Memory Signature Permanent Fail
      18. 5.3.18 LFO Oscillator Permanent Fail
      19. 5.3.19 Voltage Reference Permanent Fail
      20. 5.3.20 VSS Permanent Fail
      21. 5.3.21 Protection Comparator MUX Permanent Fail
      22. 5.3.22 Commanded Permanent Fail
      23. 5.3.23 Top of Stack Measurement Check
      24. 5.3.24 Cell Open Wire
  7. Device Status and Controls
    1. 6.1 0x00 Control Status() and 0x12 Battery Status() Commands
    2. 6.2 0x0070 MANU_DATA() Subcommand
    3. 6.3 LDOs
      1. 6.3.1 Preregulator Control
      2. 6.3.2 REG1 and REG2 LDO Controls
    4. 6.4 Multifunction Pin Controls
    5. 6.5 CFETOFF, DFETOFF, and BOTHOFF Pin Functionality
    6. 6.6 ALERT Pin Operation
    7. 6.7 DDSG and DCHG Pin Operation
    8. 6.8 Fuse Drive
    9. 6.9 Device Event Timing
  8. Operational Modes
    1. 7.1 Overview
    2. 7.2 NORMAL Mode
    3. 7.3 SLEEP Mode
    4. 7.4 DEEPSLEEP Mode
    5. 7.5 SHUTDOWN Mode
    6. 7.6 CONFIG_UPDATE Mode
  9. Device Security
    1. 8.1 Overview
  10. Serial Communications Interfaces
    1. 9.1 Serial Communications Overview
    2. 9.2 I2C Communications Subsystem
    3. 9.3 SPI Communications Interface
      1. 9.3.1 SPI Protocol
    4. 9.4 HDQ Communications Interface
  11. 10Cell Balancing
    1. 10.1 Cell Balancing Operation
    2. 10.2 Cell Balancing Timing
  12. 11Diagnostics
    1. 11.1 Diagnostics Overview
    2. 11.2 VREF2 Versus VREF1 Check
    3. 11.3 VSS Measurement
    4. 11.4 Top of Stack Measurement Check
    5. 11.5 LFO Oscillator Monitor
    6. 11.6 Protection Comparator Mux Check
    7. 11.7 Internal Watchdog Reset
    8. 11.8 Internal Memory Checks
  13. 12Commands and Subcommands
    1. 12.1 Direct Commands
    2. 12.2 Bitfield Definitions for Direct Commands
      1. 12.2.1  Control Status Register
      2. 12.2.2  Safety Alert A Register
      3. 12.2.3  Safety Status A Register
      4. 12.2.4  Safety Alert B Register
      5. 12.2.5  Safety Status B Register
      6. 12.2.6  Safety Alert C Register
      7. 12.2.7  Safety Status C Register
      8. 12.2.8  PF Alert A Register
      9. 12.2.9  PF Status A Register
      10. 12.2.10 PF Alert B Register
      11. 12.2.11 PF Status B Register
      12. 12.2.12 PF Alert C Register
      13. 12.2.13 PF Status C Register
      14. 12.2.14 PF Alert D Register
      15. 12.2.15 PF Status D Register
      16. 12.2.16 Battery Status Register
      17. 12.2.17 Alarm Status Register
      18. 12.2.18 Alarm Raw Status Register
      19. 12.2.19 Alarm Enable Register
      20. 12.2.20 FET Status Register
    3. 12.3 Command-Only Subcommands
    4. 12.4 Subcommands with Data
    5. 12.5 Bitfield Definitions for Subcommands
      1. 12.5.1 PF Status A Register
      2. 12.5.2 PF Status B Register
      3. 12.5.3 PF Status C Register
      4. 12.5.4 PF Status D Register
      5. 12.5.5 Manufacturing Status Register
      6. 12.5.6 FET Control Register
      7. 12.5.7 REG12 Control Register
      8. 12.5.8 OTP Write Check Result Register
      9. 12.5.9 OTP Write Result Register
  14. 13Data Memory Settings
    1. 13.1 Data Memory Access
    2. 13.2 Calibration
      1. 13.2.1  Calibration:Voltage
        1. 13.2.1.1  Calibration:Voltage:Cell 1 Gain
        2. 13.2.1.2  Calibration:Voltage:Cell 2 Gain
        3. 13.2.1.3  Calibration:Voltage:Cell 3 Gain
        4. 13.2.1.4  Calibration:Voltage:Cell 4 Gain
        5. 13.2.1.5  Calibration:Voltage:Cell 5 Gain
        6. 13.2.1.6  Calibration:Voltage:Cell 6 Gain
        7. 13.2.1.7  Calibration:Voltage:Cell 7 Gain
        8. 13.2.1.8  Calibration:Voltage:Cell 8 Gain
        9. 13.2.1.9  Calibration:Voltage:Cell 9 Gain
        10. 13.2.1.10 Calibration:Voltage:Cell 10 Gain
        11. 13.2.1.11 Calibration:Voltage:Pack Gain
        12. 13.2.1.12 Calibration:Voltage:TOS Gain
        13. 13.2.1.13 Calibration:Voltage:LD Gain
        14. 13.2.1.14 Calibration:Voltage:ADC Gain
      2. 13.2.2  Calibration:Current
        1. 13.2.2.1 Calibration:Current:CC Gain
        2. 13.2.2.2 Calibration:Current:Capacity Gain
      3. 13.2.3  Calibration:Vcell Offset
        1. 13.2.3.1 Calibration:Vcell Offset:Vcell Offset
      4. 13.2.4  Calibration:V Divider Offset
        1. 13.2.4.1 Calibration:V Divider Offset:Vdiv Offset
      5. 13.2.5  Calibration:Current Offset
        1. 13.2.5.1 Calibration:Current Offset:Coulomb Counter Offset Samples
        2. 13.2.5.2 Calibration:Current Offset:Board Offset
      6. 13.2.6  Calibration:Temperature
        1. 13.2.6.1  Calibration:Temperature:Internal Temp Offset
        2. 13.2.6.2  Calibration:Temperature:CFETOFF Temp Offset
        3. 13.2.6.3  Calibration:Temperature:DFETOFF Temp Offset
        4. 13.2.6.4  Calibration:Temperature:ALERT Temp Offset
        5. 13.2.6.5  Calibration:Temperature:TS1 Temp Offset
        6. 13.2.6.6  Calibration:Temperature:TS2 Temp Offset
        7. 13.2.6.7  Calibration:Temperature:TS3 Temp Offset
        8. 13.2.6.8  Calibration:Temperature:HDQ Temp Offset
        9. 13.2.6.9  Calibration:Temperature:DCHG Temp Offset
        10. 13.2.6.10 Calibration:Temperature:DDSG Temp Offset
      7. 13.2.7  Calibration:Internal Temp Model
        1. 13.2.7.1 Calibration:Internal Temp Model:Int Gain
        2. 13.2.7.2 Calibration:Internal Temp Model:Int base offset
        3. 13.2.7.3 Calibration:Internal Temp Model:Int Maximum AD
        4. 13.2.7.4 Calibration:Internal Temp Model:Int Maximum Temp
      8. 13.2.8  Calibration:18K Temperature Model
        1. 13.2.8.1  Calibration:18K Temperature Model:Coeff a1
        2. 13.2.8.2  Calibration:18K Temperature Model:Coeff a2
        3. 13.2.8.3  Calibration:18K Temperature Model:Coeff a3
        4. 13.2.8.4  Calibration:18K Temperature Model:Coeff a4
        5. 13.2.8.5  Calibration:18K Temperature Model:Coeff a5
        6. 13.2.8.6  Calibration:18K Temperature Model:Coeff b1
        7. 13.2.8.7  Calibration:18K Temperature Model:Coeff b2
        8. 13.2.8.8  Calibration:18K Temperature Model:Coeff b3
        9. 13.2.8.9  Calibration:18K Temperature Model:Coeff b4
        10. 13.2.8.10 Calibration:18K Temperature Model:Adc0
      9. 13.2.9  Calibration:180K Temperature Model
        1. 13.2.9.1  Calibration:180K Temperature Model:Coeff a1
        2. 13.2.9.2  Calibration:180K Temperature Model:Coeff a2
        3. 13.2.9.3  Calibration:180K Temperature Model:Coeff a3
        4. 13.2.9.4  Calibration:180K Temperature Model:Coeff a4
        5. 13.2.9.5  Calibration:180K Temperature Model:Coeff a5
        6. 13.2.9.6  Calibration:180K Temperature Model:Coeff b1
        7. 13.2.9.7  Calibration:180K Temperature Model:Coeff b2
        8. 13.2.9.8  Calibration:180K Temperature Model:Coeff b3
        9. 13.2.9.9  Calibration:180K Temperature Model:Coeff b4
        10. 13.2.9.10 Calibration:180K Temperature Model:Adc0
      10. 13.2.10 Calibration:Custom Temperature Model
        1. 13.2.10.1  Calibration:Custom Temperature Model:Coeff a1
        2. 13.2.10.2  Calibration:Custom Temperature Model:Coeff a2
        3. 13.2.10.3  Calibration:Custom Temperature Model:Coeff a3
        4. 13.2.10.4  Calibration:Custom Temperature Model:Coeff a4
        5. 13.2.10.5  Calibration:Custom Temperature Model:Coeff a5
        6. 13.2.10.6  Calibration:Custom Temperature Model:Coeff b1
        7. 13.2.10.7  Calibration:Custom Temperature Model:Coeff b2
        8. 13.2.10.8  Calibration:Custom Temperature Model:Coeff b3
        9. 13.2.10.9  Calibration:Custom Temperature Model:Coeff b4
        10. 13.2.10.10 Calibration:Custom Temperature Model:Rc0
        11. 13.2.10.11 Calibration:Custom Temperature Model:Adc0
      11. 13.2.11 Calibration:Current Deadband
        1. 13.2.11.1 Calibration:Current Deadband:Coulomb Counter Deadband
      12. 13.2.12 Calibration:CUV
        1. 13.2.12.1 Calibration:CUV:CUV Threshold Override
      13. 13.2.13 Calibration:COV
        1. 13.2.13.1 Calibration:COV:COV Threshold Override
    3. 13.3 Settings
      1. 13.3.1  Settings:Fuse
        1. 13.3.1.1 Settings:Fuse:Min Blow Fuse Voltage
        2. 13.3.1.2 Settings:Fuse:Fuse Blow Timeout
      2. 13.3.2  Settings:Configuration
        1. 13.3.2.1  Settings:Configuration:Power Config
        2. 13.3.2.2  Settings:Configuration:REG12 Config
        3. 13.3.2.3  Settings:Configuration:REG0 Config
        4. 13.3.2.4  Settings:Configuration:HWD Regulator Options
        5. 13.3.2.5  Settings:Configuration:Comm Type
        6. 13.3.2.6  Settings:Configuration:I2C Address
        7. 13.3.2.7  Settings:Configuration:SPI Configuration
        8. 13.3.2.8  Settings:Configuration:Comm Idle Time
        9. 13.3.2.9  Settings:Configuration:CFETOFF Pin Config
        10. 13.3.2.10 Settings:Configuration:DFETOFF Pin Config
        11. 13.3.2.11 Settings:Configuration:ALERT Pin Config
        12. 13.3.2.12 Settings:Configuration:TS1 Config
        13. 13.3.2.13 Settings:Configuration:TS2 Config
        14. 13.3.2.14 Settings:Configuration:TS3 Config
        15. 13.3.2.15 Settings:Configuration:HDQ Pin Config
        16. 13.3.2.16 Settings:Configuration:DCHG Pin Config
        17. 13.3.2.17 Settings:Configuration:DDSG Pin Config
        18. 13.3.2.18 Settings:Configuration:DA Configuration
        19. 13.3.2.19 Settings:Configuration:Vcell Mode
        20. 13.3.2.20 Settings:Configuration:CC3 Samples
      3. 13.3.3  Settings:Protection
        1. 13.3.3.1  Settings:Protection:Protection Configuration
        2. 13.3.3.2  Settings:Protection:Enabled Protections A
        3. 13.3.3.3  Settings:Protection:Enabled Protections B
        4. 13.3.3.4  Settings:Protection:Enabled Protections C
        5. 13.3.3.5  Settings:Protection:CHG FET Protections A
        6. 13.3.3.6  Settings:Protection:CHG FET Protections B
        7. 13.3.3.7  Settings:Protection:CHG FET Protections C
        8. 13.3.3.8  Settings:Protection:DSG FET Protections A
        9. 13.3.3.9  Settings:Protection:DSG FET Protections B
        10. 13.3.3.10 Settings:Protection:DSG FET Protections C
        11. 13.3.3.11 Settings:Protection:Body Diode Threshold
      4. 13.3.4  Settings:Alarm
        1. 13.3.4.1 Settings:Alarm:Default Alarm Mask
        2. 13.3.4.2 Settings:Alarm:SF Alert Mask A
        3. 13.3.4.3 Settings:Alarm:SF Alert Mask B
        4. 13.3.4.4 Settings:Alarm:SF Alert Mask C
        5. 13.3.4.5 Settings:Alarm:PF Alert Mask A
        6. 13.3.4.6 Settings:Alarm:PF Alert Mask B
        7. 13.3.4.7 Settings:Alarm:PF Alert Mask C
        8. 13.3.4.8 Settings:Alarm:PF Alert Mask D
      5. 13.3.5  Settings:Permanent Failure
        1. 13.3.5.1 Settings:Permanent Failure:Enabled PF A
        2. 13.3.5.2 Settings:Permanent Failure:Enabled PF B
        3. 13.3.5.3 Settings:Permanent Failure:Enabled PF C
        4. 13.3.5.4 Settings:Permanent Failure:Enabled PF D
      6. 13.3.6  Settings:FET
        1. 13.3.6.1 Settings:FET:FET Options
        2. 13.3.6.2 Settings:FET:Chg Pump Control
        3. 13.3.6.3 Settings:FET:Precharge Start Voltage
        4. 13.3.6.4 Settings:FET:Precharge Stop Voltage
        5. 13.3.6.5 Settings:FET:Predischarge Timeout
        6. 13.3.6.6 Settings:FET:Predischarge Stop Delta
      7. 13.3.7  Settings:Current Thresholds
        1. 13.3.7.1 Settings:Current Thresholds:Dsg Current Threshold
        2. 13.3.7.2 Settings:Current Thresholds:Chg Current Threshold
      8. 13.3.8  Settings:Cell Open-Wire
        1. 13.3.8.1 Settings:Cell Open-Wire:Check Time
      9. 13.3.9  Settings:Interconnect Resistances
        1. 13.3.9.1  Settings:Interconnect Resistances:Cell 1 Interconnect
        2. 13.3.9.2  Settings:Interconnect Resistances:Cell 2 Interconnect
        3. 13.3.9.3  Settings:Interconnect Resistances:Cell 3 Interconnect
        4. 13.3.9.4  Settings:Interconnect Resistances:Cell 4 Interconnect
        5. 13.3.9.5  Settings:Interconnect Resistances:Cell 5 Interconnect
        6. 13.3.9.6  Settings:Interconnect Resistances:Cell 6 Interconnect
        7. 13.3.9.7  Settings:Interconnect Resistances:Cell 7 Interconnect
        8. 13.3.9.8  Settings:Interconnect Resistances:Cell 8 Interconnect
        9. 13.3.9.9  Settings:Interconnect Resistances:Cell 9 Interconnect
        10. 13.3.9.10 Settings:Interconnect Resistances:Cell 10 Interconnect
      10. 13.3.10 Settings:Manufacturing
        1. 13.3.10.1 Settings:Manufacturing:Mfg Status Init
      11. 13.3.11 Settings:Cell Balancing Config
        1. 13.3.11.1  Settings:Cell Balancing Config:Balancing Configuration
        2. 13.3.11.2  Settings:Cell Balancing Config:Min Cell Temp
        3. 13.3.11.3  Settings:Cell Balancing Config:Max Cell Temp
        4. 13.3.11.4  Settings:Cell Balancing Config:Max Internal Temp
        5. 13.3.11.5  Settings:Cell Balancing Config:Cell Balance Interval
        6. 13.3.11.6  Settings:Cell Balancing Config:Cell Balance Max Cells
        7. 13.3.11.7  Settings:Cell Balancing Config:Cell Balance Min Cell V (Charge)
        8. 13.3.11.8  Settings:Cell Balancing Config:Cell Balance Min Delta (Charge)
        9. 13.3.11.9  Settings:Cell Balancing Config:Cell Balance Stop Delta (Charge)
        10. 13.3.11.10 Settings:Cell Balancing Config:Cell Balance Min Cell V (Relax)
        11. 13.3.11.11 Settings:Cell Balancing Config:Cell Balance Min Delta (Relax)
        12. 13.3.11.12 Settings:Cell Balancing Config:Cell Balance Stop Delta (Relax)
    4. 13.4 Power
      1. 13.4.1 Power:Shutdown
        1. 13.4.1.1 Power:Shutdown:Shutdown Cell Voltage
        2. 13.4.1.2 Power:Shutdown:Shutdown Stack Voltage
        3. 13.4.1.3 Power:Shutdown:Low V Shutdown Delay
        4. 13.4.1.4 Power:Shutdown:Shutdown Temperature
        5. 13.4.1.5 Power:Shutdown:Shutdown Temperature Delay
        6. 13.4.1.6 Power:Shutdown:FET Off Delay
        7. 13.4.1.7 Power:Shutdown:Shutdown Command Delay
        8. 13.4.1.8 Power:Shutdown:Auto Shutdown Time
        9. 13.4.1.9 Power:Shutdown:RAM Fail Shutdown Time
      2. 13.4.2 Power:Sleep
        1. 13.4.2.1 Power:Sleep:Sleep Current
        2. 13.4.2.2 Power:Sleep:Voltage Time
        3. 13.4.2.3 Power:Sleep:Wake Comparator Current
        4. 13.4.2.4 Power:Sleep:Sleep Hysteresis Time
        5. 13.4.2.5 Power:Sleep:Sleep Charger Voltage Threshold
        6. 13.4.2.6 Power:Sleep:Sleep Charger PACK-TOS Delta
    5. 13.5 System Data
      1. 13.5.1 System Data:Integrity
        1. 13.5.1.1 System Data:Integrity:Config RAM Signature
    6. 13.6 Protections
      1. 13.6.1  Protections:CUV
        1. 13.6.1.1 Protections:CUV:Threshold
        2. 13.6.1.2 Protections:CUV:Delay
        3. 13.6.1.3 Protections:CUV:Recovery Hysteresis
      2. 13.6.2  Protections:COV
        1. 13.6.2.1 Protections:COV:Threshold
        2. 13.6.2.2 Protections:COV:Delay
        3. 13.6.2.3 Protections:COV:Recovery Hysteresis
      3. 13.6.3  Protections:COVL
        1. 13.6.3.1 Protections:COVL:Latch Limit
        2. 13.6.3.2 Protections:COVL:Counter Dec Delay
        3. 13.6.3.3 Protections:COVL:Recovery Time
      4. 13.6.4  Protections:OCC
        1. 13.6.4.1 Protections:OCC:Threshold
        2. 13.6.4.2 Protections:OCC:Delay
        3. 13.6.4.3 Protections:OCC:Recovery Threshold
        4. 13.6.4.4 Protections:OCC:PACK-TOS Delta
      5. 13.6.5  Protections:OCD1
        1. 13.6.5.1 Protections:OCD1:Threshold
        2. 13.6.5.2 Protections:OCD1:Delay
      6. 13.6.6  Protections:OCD2
        1. 13.6.6.1 Protections:OCD2:Threshold
        2. 13.6.6.2 Protections:OCD2:Delay
      7. 13.6.7  Protections:SCD
        1. 13.6.7.1 Protections:SCD:Threshold
        2. 13.6.7.2 Protections:SCD:Delay
        3. 13.6.7.3 Protections:SCD:Recovery Time
      8. 13.6.8  Protections:OCD3
        1. 13.6.8.1 Protections:OCD3:Threshold
        2. 13.6.8.2 Protections:OCD3:Delay
      9. 13.6.9  Protections:OCD
        1. 13.6.9.1 Protections:OCD:Recovery Threshold
      10. 13.6.10 Protections:OCDL
        1. 13.6.10.1 Protections:OCDL:Latch Limit
        2. 13.6.10.2 Protections:OCDL:Counter Dec Delay
        3. 13.6.10.3 Protections:OCDL:Recovery Time
        4. 13.6.10.4 Protections:OCDL:Recovery Threshold
      11. 13.6.11 Protections:SCDL
        1. 13.6.11.1 Protections:SCDL:Latch Limit
        2. 13.6.11.2 Protections:SCDL:Counter Dec Delay
        3. 13.6.11.3 Protections:SCDL:Recovery Time
        4. 13.6.11.4 Protections:SCDL:Recovery Threshold
      12. 13.6.12 Protections:OTC
        1. 13.6.12.1 Protections:OTC:Threshold
        2. 13.6.12.2 Protections:OTC:Delay
        3. 13.6.12.3 Protections:OTC:Recovery
      13. 13.6.13 Protections:OTD
        1. 13.6.13.1 Protections:OTD:Threshold
        2. 13.6.13.2 Protections:OTD:Delay
        3. 13.6.13.3 Protections:OTD:Recovery
      14. 13.6.14 Protections:OTF
        1. 13.6.14.1 Protections:OTF:Threshold
        2. 13.6.14.2 Protections:OTF:Delay
        3. 13.6.14.3 Protections:OTF:Recovery
      15. 13.6.15 Protections:OTINT
        1. 13.6.15.1 Protections:OTINT:Threshold
        2. 13.6.15.2 Protections:OTINT:Delay
        3. 13.6.15.3 Protections:OTINT:Recovery
      16. 13.6.16 Protections:UTC
        1. 13.6.16.1 Protections:UTC:Threshold
        2. 13.6.16.2 Protections:UTC:Delay
        3. 13.6.16.3 Protections:UTC:Recovery
      17. 13.6.17 Protections:UTD
        1. 13.6.17.1 Protections:UTD:Threshold
        2. 13.6.17.2 Protections:UTD:Delay
        3. 13.6.17.3 Protections:UTD:Recovery
      18. 13.6.18 Protections:UTINT
        1. 13.6.18.1 Protections:UTINT:Threshold
        2. 13.6.18.2 Protections:UTINT:Delay
        3. 13.6.18.3 Protections:UTINT:Recovery
      19. 13.6.19 Protections:Recovery
        1. 13.6.19.1 Protections:Recovery:Time
      20. 13.6.20 Protections:HWD
        1. 13.6.20.1 Protections:HWD:Delay
      21. 13.6.21 Protections:Load Detect
        1. 13.6.21.1 Protections:Load Detect:Active Time
        2. 13.6.21.2 Protections:Load Detect:Retry Delay
        3. 13.6.21.3 Protections:Load Detect:Timeout
      22. 13.6.22 Protections:PTO
        1. 13.6.22.1 Protections:PTO:Charge Threshold
        2. 13.6.22.2 Protections:PTO:Delay
        3. 13.6.22.3 Protections:PTO:Reset
    7. 13.7 Permanent Fail
      1. 13.7.1  Permanent Fail:CUDEP
        1. 13.7.1.1 Permanent Fail:CUDEP:Threshold
        2. 13.7.1.2 Permanent Fail:CUDEP:Delay
      2. 13.7.2  Permanent Fail:SUV
        1. 13.7.2.1 Permanent Fail:SUV:Threshold
        2. 13.7.2.2 Permanent Fail:SUV:Delay
      3. 13.7.3  Permanent Fail:SOV
        1. 13.7.3.1 Permanent Fail:SOV:Threshold
        2. 13.7.3.2 Permanent Fail:SOV:Delay
      4. 13.7.4  Permanent Fail:TOS
        1. 13.7.4.1 Permanent Fail:TOS:Threshold
        2. 13.7.4.2 Permanent Fail:TOS:Delay
      5. 13.7.5  Permanent Fail:SOCC
        1. 13.7.5.1 Permanent Fail:SOCC:Threshold
        2. 13.7.5.2 Permanent Fail:SOCC:Delay
      6. 13.7.6  Permanent Fail:SOCD
        1. 13.7.6.1 Permanent Fail:SOCD:Threshold
        2. 13.7.6.2 Permanent Fail:SOCD:Delay
      7. 13.7.7  Permanent Fail:SOT
        1. 13.7.7.1 Permanent Fail:SOT:Threshold
        2. 13.7.7.2 Permanent Fail:SOT:Delay
      8. 13.7.8  Permanent Fail:SOTF
        1. 13.7.8.1 Permanent Fail:SOTF:Threshold
        2. 13.7.8.2 Permanent Fail:SOTF:Delay
      9. 13.7.9  Permanent Fail:VIMR
        1. 13.7.9.1 Permanent Fail:VIMR:Check Voltage
        2. 13.7.9.2 Permanent Fail:VIMR:Max Relax Current
        3. 13.7.9.3 Permanent Fail:VIMR:Threshold
        4. 13.7.9.4 Permanent Fail:VIMR:Delay
        5. 13.7.9.5 Permanent Fail:VIMR:Relax Min Duration
      10. 13.7.10 Permanent Fail:VIMA
        1. 13.7.10.1 Permanent Fail:VIMA:Check Voltage
        2. 13.7.10.2 Permanent Fail:VIMA:Min Active Current
        3. 13.7.10.3 Permanent Fail:VIMA:Threshold
        4. 13.7.10.4 Permanent Fail:VIMA:Delay
      11. 13.7.11 Permanent Fail:CFETF
        1. 13.7.11.1 Permanent Fail:CFETF:OFF Threshold
        2. 13.7.11.2 Permanent Fail:CFETF:OFF Delay
      12. 13.7.12 Permanent Fail:DFETF
        1. 13.7.12.1 Permanent Fail:DFETF:OFF Threshold
        2. 13.7.12.2 Permanent Fail:DFETF:OFF Delay
      13. 13.7.13 Permanent Fail:VSSF
        1. 13.7.13.1 Permanent Fail:VSSF:Fail Threshold
        2. 13.7.13.2 Permanent Fail:VSSF:Delay
      14. 13.7.14 Permanent Fail:2LVL
        1. 13.7.14.1 Permanent Fail:2LVL:Delay
      15. 13.7.15 Permanent Fail:LFOF
        1. 13.7.15.1 Permanent Fail:LFOF:Delay
      16. 13.7.16 Permanent Fail:HWMX
        1. 13.7.16.1 Permanent Fail:HWMX:Delay
    8. 13.8 Security
      1. 13.8.1 Security:Settings
        1. 13.8.1.1 Security:Settings:Security Settings
      2. 13.8.2 Security:Keys
        1. 13.8.2.1 Security:Keys:Unseal Key Step 1
        2. 13.8.2.2 Security:Keys:Unseal Key Step 2
        3. 13.8.2.3 Security:Keys:Full Access Key Step 1
        4. 13.8.2.4 Security:Keys:Full Access Key Step 2
    9. 13.9 Data Memory Summary
  15. 15Revision History

I2C Communications Subsystem

The I2C serial communications interface in the BQ76942 device acts as a responder device and supports rates up to 400 kHz with an optional CRC check. If the OTP has not been programmed, the BQ76942 will initially power up by default in 400 kHz I2C mode, while other versions of the device may have a different default setting (for example, the BQ7694201 will initially power up by default in SPI mode with CRC enabled). The OTP setting can be programmed on the manufacturing line, then when the device powers up, it will automatically enter the selected mode per OTP setting. The host can also change the I2C speed setting while in CONFIG_UPDATE mode, then the new speed setting will take effect upon exit of CONFIG_UPDATE mode. Alternatively, the host can write the 0x29e7 SWAP_TO_I2C() subcommand to change the communications interface to I2C fast mode (Settings:Configuration:Comm Type = 8) immediately, without needing to enter CONFIG_UPDATE mode. The 0x29BC SWAP_COMM_MODE() subcommand can be sent to transition the device to the communications mode selected by the setting in Settings:Configuration:Comm Type.

The I2C device address is set by default as 0x10 (write), 0x11 (read), which can be changed by programming Settings:Configuration:I2C Address with the desired write address.

The communications interface includes optional timeout capability which can be enabled based on the Comm Type setting. The Comm Type settings with timeouts should only be used if the bus will be operating at 100 kHz or 400 kHz. If Comm Type= 0x1E (100 kHz mode with timeouts enabled), then the device will reset the communications interface logic if a clock is detected low longer than a tTIMEOUT of 25 ms to 35 ms, or if the cumulative clock low responder extend time exceeds ≈25 ms, or if the cumulative clock low controller extend time exceeds 10 ms. If Comm Type= 0x09 (400 kHz mode with timeouts enabled), then the device will reset the communications interface logic if a clock is detected low longer than tTIMEOUT of 5 ms to 20 ms. The bus also includes a long-term timeout if the SCL pin is detected low for more than 2 seconds, which applies whether the Comm Type setting includes timeouts or not.

An I2C write transaction is shown in Figure 9-1. Block writes are allowed by sending additional data bytes before the Stop. The I2C logic will auto-increment the register address after each data byte.

When enabled, the CRC is calculated as follows:

  • In a single-byte write transaction, the CRC is calculated over the responder address, register address, and data.
  • In a block write transaction, the CRC for the first data byte is calculated over the responder address, register address, and data. The CRC for subsequent data bytes is calculated over the data byte only.

The CRC polynomial is x8 + x2 + x + 1, and the initial value is 0.

When the responder detects a bad CRC, the I2C responder will NACK the CRC, which causes the I2C responder to go to an idle state.

GUID-7A390402-C61F-46E8-8342-20B9CC47BC66-low.gif Figure 9-1 I2C Write

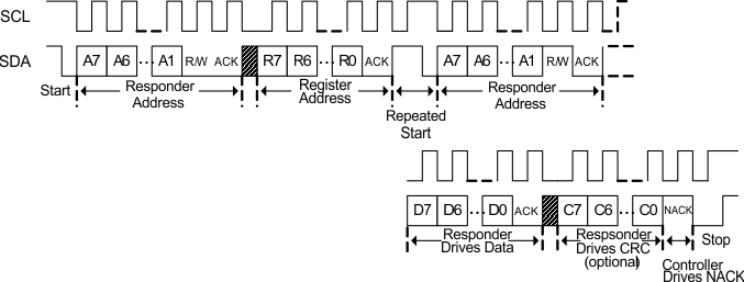
Figure 9-2 shows a read transaction using a Repeated Start.

GUID-2D99981C-EB89-4703-92BA-4C62900F978F-low.gif Figure 9-2 I2C Read with Repeated Start

Figure 9-3 shows a read transaction where a Repeated Start is not used, for example if not available in hardware. For a block read, the controller ACKs each data byte except the last and continues to clock the interface. The I2C block will auto-increment the register address after each data byte.

When enabled, the CRC for a read transaction is calculated as follows:

  • In a single-byte read transaction, the CRC is calculated beginning at the first start, so will include the responder address, the register address, then the responder address with read bit set, then the data byte.
  • In a block read transaction, the CRC for the first data byte is calculated beginning at the first start and will include the responder address, the register address, then the responder address with read bit set, then the data byte. The CRC resets after each data byte and after each stop. The CRC for subsequent data bytes is calculated over the data byte only.

The CRC polynomial is x8 + x2 + x + 1, and the initial value is 0.

When the controller detects a bad CRC, the I2C controller will NACK the CRC, which causes the I2C responder to go to an idle state.

GUID-E15DDBA3-EFFA-4B6E-A58A-C61E511B2826-low.gif Figure 9-3 I2C Read Without Repeated Start

When the host sends a read transaction, the device may clock stretch while it fetches the data and prepares to send it. However, when subcommands are sent that require the device to fetch data and load it into the 0x40 – 0x5F transfer buffer, the device does not clock stretch during this time. The timing required for the device to fetch the data depends on the specific subcommand and any other processing underway within the device, so it will vary during operation. The approximate time required for the device to fetch the data for subcommands are described in Table 9-2. When sending a subcommand, it is recommended to wait long enough for the device to fetch the data, then read 0x3E/0x3F again. If the initial subcommand is echoed back from this read, then the fetched data is available and can be read from the transfer buffer.