SLAS538B October   2007  – November 2016 TLV320AIC34

PRODUCTION DATA.  

  1. Features
  2. Applications
  3. Description
  4. Revision History
  5. Description (continued)
  6. Device Comparison Table
  7. Pin Configuration and Functions
  8. Specifications
    1. 8.1 Absolute Maximum Ratings
    2. 8.2 ESD Ratings
    3. 8.3 Recommended Operating Conditions
    4. 8.4 Thermal Information
    5. 8.5 Electrical Characteristics
    6. 8.6 Timing Requirements
    7. 8.7 Typical Characteristics
  9. Detailed Description
    1. 9.1 Overview
    2. 9.2 Functional Block Diagram
    3. 9.3 Feature Description
      1. 9.3.1  Hardware Reset
      2. 9.3.2  I2C Bus Debug In A Glitched System
      3. 9.3.3  Digital Audio Data Serial Interface
      4. 9.3.4  TDM Data Transfer
      5. 9.3.5  Audio Data Converters
      6. 9.3.6  Audio Clock Generation
      7. 9.3.7  Stereo Audio ADC
        1. 9.3.7.1 Stereo Audio ADC High-pass Filter
      8. 9.3.8  Digital Audio Processing For Record Path
      9. 9.3.9  Automatic Gain Control (AGC)
      10. 9.3.10 Stereo Audio DAC
      11. 9.3.11 Digital Audio Processing For Playback
      12. 9.3.12 Digital Interpolation Filter
      13. 9.3.13 Delta-Sigma Audio DAC
      14. 9.3.14 Audio DAC Digital Volume Control
      15. 9.3.15 Increasing DAC Dynamic Range
      16. 9.3.16 Analog Output Common-Mode Adjustment
      17. 9.3.17 Audio DAC Power Control
      18. 9.3.18 Audio Analog Inputs
      19. 9.3.19 Analog Input Bypass Path Functionality
      20. 9.3.20 ADC PGA Signal Bypass Path Functionality
      21. 9.3.21 Input Impedance and VCM Control
      22. 9.3.22 Passive Analog Bypass During Power Down
      23. 9.3.23 MICBIAS_x Generation
      24. 9.3.24 Digital Microphone Connectivity
      25. 9.3.25 Analog Fully Differential Line Output Drivers
      26. 9.3.26 Analog High-Power Output Drivers
      27. 9.3.27 Short-Circuit Output Protection
      28. 9.3.28 Jack or Headset Detection
      29. 9.3.29 Output Stage Volume Controls
    4. 9.4 Device Functional Modes
      1. 9.4.1 I2C Control Mode
      2. 9.4.2 Right-Justified Mode
      3. 9.4.3 Left-Justified Mode
      4. 9.4.4 I2S Mode
      5. 9.4.5 DSP Mode
    5. 9.5 Programming
      1. 9.5.1 Digital Control Serial Interface
    6. 9.6 Register Maps
      1. 9.6.1 Register Description
  10. 10Application and Implementation
    1. 10.1 Application Information
    2. 10.2 Typical Application
      1. 10.2.1 Design Requirements
      2. 10.2.2 Detailed Design Procedure
      3. 10.2.3 Application Curves
  11. 11Power Supply Recommendations
  12. 12Layout
    1. 12.1 Layout Guidelines
    2. 12.2 Layout Example
  13. 13Device and Documentation Support
    1. 13.1 Documentation Support
      1. 13.1.1 Related Documentation
    2. 13.2 Receiving Notification of Documentation Updates
    3. 13.3 Related Links
    4. 13.4 Community Resources
    5. 13.5 Trademarks
    6. 13.6 Electrostatic Discharge Caution
    7. 13.7 Glossary
  14. 14Mechanical, Packaging, and Orderable Information

Power Supply Recommendations

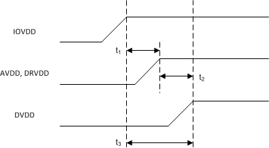
The TLV320AIC34 device is designed to be extremely tolerant of power supply sequencing. However, in some rare instances, unexpected conditions can be attributed to power supply sequencing. The following sequence provides the most robust operation.

IOVDD must be powered up first. The analog supplies, which include AVDD and DRVDD, must be powered up second. The digital supply DVDD must be powered up last. Keep RESET low until all supplies are stable. The analog supplies must be greater than or equal to DVDD at all times.

TLV320AIC34 TLV320AIC34_Power_Supply_Sequencing.gif Figure 41. TLV320AIC34 Power Supply Sequencing

Table 10. Power Supply Sequencing

PARAMETER MIN MAX UNIT
t1 IOVDD to AVDD, DRVDD 0 ms
t2 AVDD to DVDD 0 5 ms
t3 IOVDD to DVDD 0 ms

All power supplies must be stable while the device is in use. Ripples must be avoided if possible because this could affect the device performance. The decoupling capacitors for the power supplies must be placed close to the device terminals.