SLAS538B October   2007  – November 2016 TLV320AIC34

PRODUCTION DATA.  

  1. Features
  2. Applications
  3. Description
  4. Revision History
  5. Description (continued)
  6. Device Comparison Table
  7. Pin Configuration and Functions
  8. Specifications
    1. 8.1 Absolute Maximum Ratings
    2. 8.2 ESD Ratings
    3. 8.3 Recommended Operating Conditions
    4. 8.4 Thermal Information
    5. 8.5 Electrical Characteristics
    6. 8.6 Timing Requirements
    7. 8.7 Typical Characteristics
  9. Detailed Description
    1. 9.1 Overview
    2. 9.2 Functional Block Diagram
    3. 9.3 Feature Description
      1. 9.3.1  Hardware Reset
      2. 9.3.2  I2C Bus Debug In A Glitched System
      3. 9.3.3  Digital Audio Data Serial Interface
      4. 9.3.4  TDM Data Transfer
      5. 9.3.5  Audio Data Converters
      6. 9.3.6  Audio Clock Generation
      7. 9.3.7  Stereo Audio ADC
        1. 9.3.7.1 Stereo Audio ADC High-pass Filter
      8. 9.3.8  Digital Audio Processing For Record Path
      9. 9.3.9  Automatic Gain Control (AGC)
      10. 9.3.10 Stereo Audio DAC
      11. 9.3.11 Digital Audio Processing For Playback
      12. 9.3.12 Digital Interpolation Filter
      13. 9.3.13 Delta-Sigma Audio DAC
      14. 9.3.14 Audio DAC Digital Volume Control
      15. 9.3.15 Increasing DAC Dynamic Range
      16. 9.3.16 Analog Output Common-Mode Adjustment
      17. 9.3.17 Audio DAC Power Control
      18. 9.3.18 Audio Analog Inputs
      19. 9.3.19 Analog Input Bypass Path Functionality
      20. 9.3.20 ADC PGA Signal Bypass Path Functionality
      21. 9.3.21 Input Impedance and VCM Control
      22. 9.3.22 Passive Analog Bypass During Power Down
      23. 9.3.23 MICBIAS_x Generation
      24. 9.3.24 Digital Microphone Connectivity
      25. 9.3.25 Analog Fully Differential Line Output Drivers
      26. 9.3.26 Analog High-Power Output Drivers
      27. 9.3.27 Short-Circuit Output Protection
      28. 9.3.28 Jack or Headset Detection
      29. 9.3.29 Output Stage Volume Controls
    4. 9.4 Device Functional Modes
      1. 9.4.1 I2C Control Mode
      2. 9.4.2 Right-Justified Mode
      3. 9.4.3 Left-Justified Mode
      4. 9.4.4 I2S Mode
      5. 9.4.5 DSP Mode
    5. 9.5 Programming
      1. 9.5.1 Digital Control Serial Interface
    6. 9.6 Register Maps
      1. 9.6.1 Register Description
  10. 10Application and Implementation
    1. 10.1 Application Information
    2. 10.2 Typical Application
      1. 10.2.1 Design Requirements
      2. 10.2.2 Detailed Design Procedure
      3. 10.2.3 Application Curves
  11. 11Power Supply Recommendations
  12. 12Layout
    1. 12.1 Layout Guidelines
    2. 12.2 Layout Example
  13. 13Device and Documentation Support
    1. 13.1 Documentation Support
      1. 13.1.1 Related Documentation
    2. 13.2 Receiving Notification of Documentation Updates
    3. 13.3 Related Links
    4. 13.4 Community Resources
    5. 13.5 Trademarks
    6. 13.6 Electrostatic Discharge Caution
    7. 13.7 Glossary
  14. 14Mechanical, Packaging, and Orderable Information

Detailed Description

Overview

The TLV320AIC34 is a highly flexible, low-power, four-channel audio codec with extensive feature integration, intended for applications in smart phones, portable computing, communication, and entertainment applications. Available in a 6-mm × 6-mm, 87-ball NFBGA, the device integrates a host of features to reduce cost, board space, and power consumption in space-constrained, battery-powered, portable applications.

The TLV320AIC34 consists of the following blocks:

  • Four-channel audio multibit delta-sigma DAC (8 kHz to 96 kHz)
  • Four-channel audio multibit delta-sigma ADC (8 kHz to 96 kHz)
  • Dedicated programmable-gain amplifier at each ADC input, with independently configurable hardware automatic gain control on all channels
  • Programmable digital audio effects processing for record (wind noise, microphone EQ, resonance noise removal)
  • Programmable digital audio effects processing for playback (3-D, bass, treble, midrange, EQ, de-emphasis)
  • Twelve audio inputs configurable for up to eight fully differential inputs or up to twelve single-ended inputs
  • Eight high-power audio output drivers (headphone, and speaker drive capability for codec block A)
  • Six line output drivers with fully differential or single-ended outputs
  • Dual fully programmable PLLs
  • Dual audio serial data busses support I2S, left- or right-justified, DSP, PCM, and TDM operation
  • Support for simultaneous, fully asynchronous operation of data converters using both serial busses
  • Headphone/headset jack detection with interrupt

Control communication with the TLV320AIC34 is accomplished using the I2C interface, which supports both standard and fast communication modes.

Functional Block Diagram

TLV320AIC34 b0232-01_las538.gif

Feature Description

Hardware Reset

The TLV320AIC34 requires a hardware reset after power up for proper operation. After all power supplies are at their specified values, the RESET_A and RESET_B terminals must be driven low for at least 10 ns. If this reset sequence is not performed, the device may not respond properly to register reads/writes. TI recommends that the two RESET_x terminals be shorted and controlled together.

I2C Bus Debug In A Glitched System

Occasionally, some systems may encounter noise or glitches on the I2C bus. In the unlikely event that this affects bus performance, then it can be useful to use the I2C debug register. This feature terminates the I2C bus error, allowing this I2C device and system to resume communications. The I2C bus error detector is enabled by default. The TLV320AIC34 I2C error detector status can be read from page 0, register 107, bit D0. If desired, the detector can be disabled by writing to page 0, register 107, bit D2.

Digital Audio Data Serial Interface

Audio data is transferred between host processor(s) and the TLV320AIC34 through the two digital audio data serial interfaces. The two data serial interfaces on this device are identical and very flexible, supporting left- or right-justified data options, support for I2S or PCM protocols, programmable data length options, a TDM mode for multichannel operation, very flexible master/slave configurability for each bus clock line, and the ability to communicate directly with multiple devices within a system.

A key characteristic of the TLV320AIC34 is its ability for separate data converters to operate at different sampling rates simultaneously. This requires use of the two data busses at different rates at the same time, which is fully supported by this device. In addition, the two data busses can operate at the same time with different data transfer format configurations. This is useful, for example, in a cellular handset application, where the A-channel data bus can communicate with a Bluetooth™ transceiver device using PCM format at an 8-ksps sampling rate, transferring mono or stereo data with A-channel mono or stereo ADCs and DACs. At the same time, the B channel data bus can be communicating with a multimedia applications processor in I2S format at a 44.1-ksps sampling rate, transferring mono or stereo data with B-channel mono or stereo ADCs or DACs.

Each data serial interface also can use two sets of terminals for clock communication between external devices, with the particular terminals used being controlled through register programming. This configuration is shown in Figure 13 for the A interface, with the B interface having identical flexibility. The TLV320AIC34 provides independent control over both the formats and clock mux configurations of the two interfaces, so the two busses can be configured differently from each other.

TLV320AIC34 b0233-01_las538.gif Figure 13. Internal Multiplex Capability on Each I2S Bus, Enabling Communication
With Multiple External Devices

The data busses of the TLV320AIC34 can be configured for left- or right-justified, I2S, DSP, or TDM modes of operation, where communication with standard telephony PCM interfaces is supported within the TDM mode. These modes are all MSB-first, with data width programmable as 16, 20, 24, or 32 bits. In addition, the word clock (WCLK_x or GPIO1_x) and bit clock (BCLK_x or GPIO2_x) can be independently configured in either master or slave mode for flexible connectivity to a wide variety of processors.

The word clock (WCLK_x or GPIO1_x) is used to define the beginning of a frame, and may be programmed as either a pulse or a square-wave signal. The frequency of this clock corresponds to the maximum of the selected ADC and DAC sampling frequencies.

The bit clock (BCLK_x or GPIO2_x) is used to clock in and out the digital audio data across the serial bus. When in master mode, this signal can be programmed in two further modes, continuous transfer mode and 256-clock mode. In continuous transfer mode, only the minimal number of bit clocks are required to transfer the audio data are generated, so in general, the number of bit clocks per frame is two times the data width. For example, if data width is chosen as 16 bits, then 32 bit clocks are generated per frame. If the bit clock signal in master mode is used by a PLL in another device, TI recommends that the 16-bit or 32-bit data-width selections be used. These cases result in a low-jitter bit clock signal being generated, having frequencies of 32 × fS or 64 × fS. In the cases of 20-bit and 24-bt data width in master mode, the bit clocks generated in each frame are not all of equal period, due to the device not having a clean 40 × fS or 48 × fS clock signal readily available. The average frequency of the bit clock signal is still accurate in these cases (being 40 × fS or 48 × fS), but the resulting clock signal has higher jitter than in the 16-bit and 32-bit cases.

In 256-clock mode, a constant 256 bit clocks per frame are generated, independent of the data width chosen. The TLV320AIC34 further includes programmability to put the DOUT_x line in the high-impedance state during all bit clocks when valid data is not being sent. By combining this capability with the ability to program at what bit clock in a frame the audio data begins, time-division multiplexing (TDM) can be accomplished, resulting in multiple codecs able to use a single audio serial data bus.

The TLV320AIC34 also provides additional capability for ADCs and DACs within each partition (A or B) to run at different data rates, which is described in more detail later in this datasheet. In this mode, both ADC and DAC data are clocked using the same bit clock (BCLK_x) signal, but two word clock (WCLK_x) signals are used, one for the ADC data and one for the DAC data. When configured for this mode of operation, the WCLK_x terminal is used for the DAC word clock, while GPIO1_x can be used for the ADC word clock.

When the audio serial data busses are powered down while configured in master mode, the terminals associated with the interfaces are put into a high-impedance state.

TDM Data Transfer

Time-division multiplexed data transfer can be realized in any of the previously mentioned transfer modes if the 256-clock bit clock mode is selected, although TI recommends using either left-justified mode or DSP mode. By changing the programmable offset, the bit clock in each frame where the data begins can be changed, and the serial data output driver (DOUT_x) can also be programmed into the high-impedance state during all bit clocks except when valid data is being put onto the bus. This allows other codecs to be programmed with different offsets and to drive their data onto the same DOUT_x line, just in a different slot. For incoming data, the codec simply ignores data on the bus except where it is expected based on the programmed offset. See Using TDM Function to Interface Four AIC33 CODECs with a Single Host Processor (SLAA301) and Using TLV320AIC3x Digital Audio Data Serial Interface With Time-Division Multiplexing Support (SLAA311).

Note that the location of the data when an offset is programmed is different, depending on what transfer mode is selected. In DSP mode, both left and right channels of data are transferred immediately adjacent to each other in the frame. This differs from left-justified mode, where the left- and right-channel data are always a half-frame apart in each frame. In this case, as the offset is programmed from zero to some higher value, both the left- and right-channel data move across the frame, but still stay a full half-frame apart from each other. This is depicted in Figure 14 for the two cases.

TLV320AIC34 t0153-02_las538.gif Figure 14. DSP Mode and Left-Justified Mode
Showing theEffect of a Programmed Data Word Offset

Audio Data Converters

The TLV320AIC34 supports the following standard audio sampling rates: 8 kHz, 11.025 kHz, 12 kHz, 16 kHz, 22.05 kHz, 24 kHz, 32 kHz, 44.1 kHz, 48 kHz, 88.2 kHz, and 96 kHz. As described earlier, the A and B partitions of the device can operate at entirely asynchronous sampling rates at the same time. The operation of a single partition is described in detail as follows, although the description applies equally to both partitions.

The data converters are based on the concept of an fS(ref) rate that is used internal to the part, and it is related to the actual sampling rates of the converters through a series of ratios. For typical sampling rates, fS(ref) is either 44.1 kHz or 48 kHz, although it can realistically be set over a wider range of rates up to 53 kHz, with additional restrictions applying if the PLL is used. This concept is used to provide different sampling rates on the ADC and DAC simultaneously, and also to enable high-quality playback of low-sampling-rate data without high-frequency audible noise being generated.

The sampling rate of the DAC can be set to fS(ref)/NDAC or 2 × fS(ref)/NDAC, with NDAC being 1, 1.5, 2, 2.5, 3, 3.5, 4, 4.5, 5, 5.5, or 6.

While only one fS(ref) can be used at a time in one partition, the ADC and DAC sampling rates can differ from each other by using different NADC and NDAC divider ratios for each. For example, with fS(ref) = 44.1 kHz, the DAC sampling rate can be set to 44.1 kHz by using NDAC = 1, while the ADC sampling rate can be set to 8.018 kHz by using NADC = 5.5.

When the ADCs and DACs are operating at different sampling rates, an additional word clock is required, to provide information regarding where data begins for the ADC versus the DAC. In this case, the standard bit clock signal (which can be supplied through the BCLK_x terminal or through GPIO2_x) is used to transfer both ADC and DAC data, the standard word clock signal is used to identify the start of the DAC data, and a separate ADC word clock signal (denoted ADWK) is used. This clock can be supplied or generated from GPIO1_x at the same time the DAC word clock is supplied or generated from WCLK_x.

Audio Clock Generation

The audio converters in the TLV320AIC34 require an internal audio master clock at a frequency of 256 × fS(ref), which can be obtained in a variety of manners from an external clock signal applied to the device.

A more detailed diagram of the audio clock section of the TLV320AIC34 is shown in Figure 15.

TLV320AIC34 b0153-02_las538.gif Figure 15. Audio Clock Generation Processing

The part can accept an MCLK_x input from 512 kHz to 50 MHz, which can then be passed through either a programmable divider or a PLL, to get the proper internal audio master clock required by the part. The BCLK_x or GPIO2_x inputs can also be used to generate the internal audio master clock.

This design also allows the PLL to be used for an entirely separate purpose in a system, if the audio codec is not powered up. The user can supply a separate clock to GPIO2_x, route this through the PLL, with the resulting output clock driven out GPIO1_x, for use by other devices in the system.

A primary concern is proper operation of the codec at various sample rates with the limited MCLK_x frequencies available in the system. This device includes a highly programmable PLL to accommodate such situations easily. The integrated PLL can generate audio clocks from a wide variety of possible MCLK_x inputs, with particular focus paid to the standard MCLK_x rates already widely used.

When the PLL is disabled,

fS(ref) = CLKDIV_IN / (128 × Q)

Where Q = 2, 3, …, 17

CLKDIV_IN can be MCLK_x, BCLK_x, or GPIO2_x, selected by page 0, register 102, bits D7–D6.

NOTE – when NDAC = 1.5, 2.5, 3.5, 4.5, or 5.5, odd values of Q are not allowed. In this mode, MCLK_x can be as high as 50 MHz, and fS(ref) must fall within 39 kHz to 53 kHz.

When the PLL is enabled,

fS(ref) = (PLLCLK_IN × K × R) / (2048 × P), where

P = 1, 2, 3,…, 8
R = 1, 2, …, 16
K = J.D
J = 1, 2, 3, …, 63
D = 0000, 0001, 0002, 0003, …, 9998, 9999
PLLCLK_IN can be MCLK_x or BCLK_x, selected by page 0, register 102, bits D5–D4.

P, R, J, and D are register programmable. J is the integer portion of K (the numbers to the left of the decimal point), while D is the fractional portion of K (the numbers to the right of the decimal point, assuming four digits of precision).

Examples:

If K = 8.5, then J = 8, D = 5000
If K = 7.12, then J = 7, D = 1200
If K = 14.03, then J = 14, D = 0300
If K = 6.0004, then J = 6, D = 0004

When the PLL is enabled and D = 0000, the following conditions must be satisfied to meet specified performance:

2 MHz ≤ (PLLCLK_IN / P) ≤ 20 MHz
80 MHz ≤ (PLLCLK _IN × K × R / P) ≤ 110 MHz
4 ≤ J ≤ 55

When the PLL is enabled and D ≠ 0000, the following conditions must be satisfied to meet specified performance:

10 MHz ≤ PLLCLK _IN / P ≤ 20 MHz
80 MHz ≤ PLLCLK _IN × K × R / P ≤ 110 MHz
4 ≤ J ≤ 11
R = 1

Example:

MCLK = 12 MHz and fS(ref) = 44.1 kHz
Select P = 1, R = 1, K = 7.5264, which results in J = 7, D = 5264

Example:

MCLK = 12 MHz and fS(ref) = 48 kHz
Select P = 1, R = 1, K = 8.192, which results in J = 8, D = 1920

Table 1 lists several example cases of typical MCLK rates and how to program the PLL to achieve fS(ref) = 44.1 kHz or 48 kHz.

Table 1. PLL Example Configurations

MCLK (MHz) P R J D ACHIEVED fS(ref) % ERROR
fS(ref) = 44.1 kHz
2.8224 1 1 32 0 44100 0
5.6448 1 1 16 0 44100 0
12 1 1 7 5264 44100 0
13 1 1 6 9474 44099.71 –0.0007
16 1 1 5 6448 44100 0
19.2 1 1 4 7040 44100 0
19.68 1 1 4 5893 44100.3 0.0007
48 4 1 7 5264 44100 0
fS(ref) = 48 kHz
2.048 1 1 48 0 48000 0
3.072 1 1 32 0 48000 0
4.096 1 1 24 0 48000 0
6.144 1 1 16 0 48000 0
8.192 1 1 12 0 48000 0
12 1 1 8 1920 48000 0
13 1 1 7 5618 47999.71 –0.0006
16 1 1 6 1440 48000 0
19.2 1 1 5 1200 48000 0
19.68 1 1 4 9951 47999.79 –0.0004
48 4 1 8 1920 48000 0

The TLV320AIC34 can also output a separate clock on the GPIO1_x pin. If the PLL is being used for the audio data converter clock, the M and N settings can be used to provide a divided version of the PLL output. If the PLL is not being used for the audio data converter clock, the PLL can still be enabled to provide a completely independent clock output on GPIO1_x. The formula for the GPIO1 clock output when PLL is enabled and CLKMUX_OUT is 0 is Equation 1.

Equation 1. GPIO1_x = (PLLCLK_IN × 2 × K × R) / (M × N × P)

When CLKMUX_OUT is 1, regardless of whether PLL is enabled or disabled, the input to the clock output divider can be selected as MCLK_x, BCLK_x, or GPIO2_x. Is this case, the formula for the GPIO1_x clock is Equation 2.

Equation 2. GPIO1_x = (CLKDIV_IN × 2) / (M × N)

where

  • M = 1, 2, 4, 8
  • N = 2, 3, …, 17
  • CLKDIV_IN can be BCLK_x, MCLK_x, or GPIO2_x, selected by page 0, register 102, bits D7–D6

Stereo Audio ADC

The partition of the TLV320AIC34 includes a stereo audio ADC, which uses a delta-sigma modulator with 128-times oversampling in single-rate mode, followed by a digital decimation filter. The ADC supports sampling rates from 8 kHz to 48 kHz in single-rate mode, and up to 96 kHz in dual-rate mode. Whenever the ADC or DAC is in operation, the device requires that an audio master clock be provided and appropriate audio clock generation be setup within the part.

To provide optimal system power dissipation, the stereo ADC can be powered one channel at a time, to support the case where only mono record capability is required. In addition, both channels can be fully powered or entirely powered down.

The integrated digital decimation filter removes high-frequency content and downsamples the audio data from an initial sampling rate of 128 fS to the final output sampling rate of fS. The decimation filter provides a linear phase output response with a group delay of 17/fS. The –3-dB bandwidth of the decimation filter extends to 0.45 fS and scales with the sample rate (fS). The filter has minimum 75-dB attenuation over the stopband from 0.55 fS to
64 fS. Independent digital high-pass filters are also included with each ADC channel, with a corner frequency that can be independently set to three different settings, can be disabled entirely, or can be programmed to a completely customized transfer function, as described in the following section.

Because of the oversampling nature of the audio ADC and the integrated digital decimation filtering, requirements for analog anti-aliasing filtering are very relaxed. The TLV320AIC34 integrates a second-order analog anti-aliasing filter with 20-dB attenuation at 1 MHz. This filter, combined with the digital decimation filter, provides sufficient anti-aliasing filtering without requiring additional external components.

The ADC is preceded by a programmable gain amplifier (PGA), which allows analog gain control from 0 dB to 59.5 dB in steps of 0.5 dB. The PGA gain changes are implemented with an internal soft-stepping algorithm that only changes the actual volume level by one 0.5-dB step every one or two ADC output samples, depending on the register programming (see page 0, registers 19 and 22). This soft-stepping ensures that volume control changes occur smoothly with no audible artifacts. On reset, the PGA gain defaults to a mute condition, and on power down, the PGA soft-steps the volume to mute before shutting down. A read-only flag is set whenever the gain applied by the PGA equals the desired value set by the register. The soft-stepping control can also be disabled by programming a register bit. When soft stepping is enabled, the audio master clock must be applied to the part after the ADC power-down register is written to ensure the soft-stepping to mute has completed. When the ADC power-down flag is no longer set, the audio master clock can be shut down.

Stereo Audio ADC High-pass Filter

Often in audio applications it is desirable to remove the dc offset from the converted audio data stream. The TLV320AIC34 has a programmable first-order, high-pass filter that can be used for this purpose. The digital filter coefficients are in 16-bit format and therefore use two 8-bit registers for each of the three coefficients, N0, N1, and D1. The transfer function of the digital high-pass filter is Equation 3.

Equation 3. TLV320AIC34 q2_hz_las509.gif

Programming the left channel is done by writing to page 1, registers 65–70, and the right channel is programmed by writing to page 1, registers 71–76. After the coefficients have been loaded, these ADC high-pass filter coefficients can be selected by writing to page 0, register 107, D7–D6, and the high-pass filter can be enabled by writing to page 0, register 12, bits D7–D4.

Digital Audio Processing For Record Path

In applications where record-only is selected in a particular partition, and the DAC in that partition is powered down, the playback path signal processing blocks can be used in the ADC record path. These filtering blocks can support high-pass, low-pass, band-pass, or notch filtering, or an entirely arbitrary transfer function. In this mode, the record-only path has switches SW-D1 through SW-D4 closed and reroutes the ADC output data through the digital signal processing blocks. Because the DAC digital signal processing blocks are being re-used, naturally the addresses of these digital filter coefficients are the same as for the DAC digital processing and are located on page 1, registers 1–52. This record-only mode is enabled by powering down both DACs by writing to page 0, register 37, bits D7–D6 (D7 = D6 = 0). Next, enable the digital filter pathway for the ADC by writing a 1 to page 0, register 107, bit D3. (Note, this pathway is only enabled if both DACs are powered down.) This record-only path for one partition can be seen in Figure 16.

TLV320AIC34 b0173-02_las538.gif Figure 16. Record-Only Mode With Digital Processing Path Enabled

Automatic Gain Control (AGC)

An automatic gain control (AGC) circuit is included with the ADC and can be used to maintain nominally constant output signal amplitude when recording speech signals (it can be fully disabled if not desired). This circuitry automatically adjusts the PGA gain as the input signal becomes overly loud or very weak, such as when a person speaking into a microphone moves closer or farther from the microphone. The AGC algorithm has several programmable settings, including target gain, attack and decay time constants, noise threshold, and maximum PGA gain applicable that allow the algorithm to be fine-tuned for any particular application. The algorithm uses the absolute average of the signal (which is the average of the absolute value of the signal) as a measure of the nominal amplitude of the output signal.

Note that completely independent AGC circuitry is included with each ADC channel with entirely independent control over the algorithm from one channel to the next. This is attractive in cases where two microphones are used in a system, but may have different placement in the end equipment and require different dynamic performance for optimal system operation.

Target level represents the nominal output level at which the AGC attempts to hold the ADC output signal level. The TLV320AIC34 allows programming of eight different target levels, which can be programmed from –5.5 dB to –24 dB relative to a full-scale signal. Because the device reacts to the signal absolute average and not to peak levels, TI recommends the target level be set with enough margin to avoid clipping at the occurrence of loud sounds.

Attack time determines how quickly the AGC circuitry reduces the PGA gain when the input signal is too loud. It can be varied from 7 ms to 1,408 ms. The extended left-channel attack time can be programmed by writing to page 0, register 103, and the right channel is programmed by writing to page 0, register 105.

Decay time determines how quickly the PGA gain is increased when the input signal is too low. It can be varied in the range from 0.05 s to 22.4 s. The extended left-channel decay time can be programmed by writing to page 0, register 104, and the right channel is programmed by writing to page 0, register 106.

The actual AGC decay time maximum is based on a counter length, so the maximum decay time scales with the clock setup that is used. Table 2 shows the relationship of the NADC ratio to the maximum time available for the AGC decay. In practice, these maximum times are extremely long for audio applications and must not limit any practical AGC decay time that is required by the system.

Table 2. AGC Decay Time Restriction

NADC RATIO MAXIMUM DECAY TIME (seconds)
1 4
1.5 5.6
2 8
2.5 9.6
3 11.2
3.5 11.2
4 16
4.5 16
5 19.2
5.5 22.4
6 22.4

Noise gate threshold determines the level below which if the input speech average value falls, AGC considers it as a silence and hence brings down the gain to 0 dB in steps of 0.5 dB every sample period and sets the noise threshold flag. The gain stays at 0 dB unless the input speech signal average rises above the noise threshold setting. This ensures that noise does not get gained up in the absence of speech. Noise threshold level in the AGC algorithm is programmable from –30 dB to –90 dB relative to full scale. A disable noise gate feature is also available. This operation includes programmable debounce and hysteresis functionality to avoid the AGC gain from cycling between high gain and 0 dB when signals are near the noise threshold level. When the noise threshold flag is set, the status of gain applied by the AGC and the saturation flag must be ignored.

Maximum PGA gain applicable allows the user to restrict the maximum PGA gain that can be applied by the AGC algorithm. This can be used for limiting PGA gain in situations where environmental noise is greater than the programmed noise threshold. It can be programmed from 0 dB to 59.5 dB in steps of 0.5 dB.

TLV320AIC34 typop_las509.gif Figure 17. Typical Operation of the AGC Algorithm During Speech Recording

Note that the time constants here are correct when the ADC is not in double-rate audio mode. The time constants are achieved using the fS(ref) value programmed in the control registers. However, if the fS(ref) is set in the registers to, for example, 48 kHz, but the actual audio clock or PLL programming actually results in a different fS(ref) in practice, then the time constants would not be correct. See The Built-In AGC Function in TSC2100/01 and TLV320AIC26/28/32/33 Devices (SLAA260).

Stereo Audio DAC

The TLV320AIC34 includes a stereo audio DAC in each partition supporting sampling rates from 8 kHz to 96 kHz. Each channel of the audio DACs consists of a digital audio processing block, a digital interpolation filter, multibit digital delta-sigma modulator, and an analog reconstruction filter. The DAC is designed to provide enhanced performance at low sampling rates through increased oversampling and image filtering, thereby keeping quantization noise generated within the delta-sigma modulator and signal images strongly suppressed within the audio band to beyond 20 kHz. This is realized by keeping the upsampled rate constant at 128 × fS(ref) and changing the oversampling ratio as the input sample rate is changed. For an fS(ref) of 48 kHz, the digital delta-sigma modulator always operates at a rate of 6.144 MHz. This ensures that quantization noise generated within the delta-sigma modulator stays low within the frequency band below 20 kHz at all sample rates. Similarly, for an fS(ref) rate of 44.1 kHz, the digital delta-sigma modulator always operates at a rate of 5.6448 MHz.

The following restrictions apply in the case when the PLL is powered down and double-rate audio mode is enabled in the DAC.

Allowed Q values = 4, 8, 9, 12, 16

Q values where equivalent fS(ref) can be achieved by turning on PLL

Q = 5, 6, 7 (set P = 5 / 6 / 7 and K = 16.0 and PLL enabled)

Q = 10, 14 (set P = 5, 7 and K = 8.0 and PLL enabled)

Digital Audio Processing For Playback

The DAC channel consists of optional filters for de-emphasis and bass, treble, midrange level adjustment, speaker equalization, and 3-D effects processing. The de-emphasis function is implemented by a programmable digital filter block with fully programmable coefficients (see page 1, registers 21–26 for left channel, page 1, registers 47–52 for right channel). If de-emphasis is not required in a particular application, this programmable filter block can be used for some other purpose. The de-emphasis filter transfer is in Equation 4.

Equation 4. TLV320AIC34 q_hz_las509.gif

where the N0, N1, and D1 coefficients are fully programmable individually for each channel. The coefficients that must be loaded to implement standard de-emphasis filters are given in Table 3.

Table 3. De-Emphasis Coefficients for Common Audio Sampling Rates

SAMPLING FREQUENCY (kHz) N0 N1 D1
32 16,950 –1,220 17,037
44.1 15,091 –2,877 20,555
48 14,677 –3,283 21,374

In addition to the de-emphasis filter block, the DAC digital effects processing includes a fourth-order digital IIR filter with programmable coefficients (one set per channel). This filter is implemented as a cascade of two biquad sections with frequency response given by Equation 5.

Equation 5. TLV320AIC34 q_n0_las479.gif

The N and D coefficients are fully programmable, and the entire filter can be enabled or bypassed. The structure of the filtering when configured for independent channel processing is shown in Figure 18, with LB1 corresponding to the first left-channel biquad filter using coefficients N0, N1, N2, D1, and D2. LB2 similarly corresponds to the second left-channel biquad filter using coefficients N3, N4, N5, D4, and D5. The RB1 and RB2 filters see the first and second right-channel biquad filters, respectively.

TLV320AIC34 b0154-01_las510.gif Figure 18. Structure of the Digital Effects Processing for Independent Channel Processing

The coefficients for this filter implement a variety of sound effects, with bass boost or treble boost being the most commonly used in portable audio applications. The default N and D coefficients in the part are given in Table 4 and implement a shelving filter with 0-dB gain from dc to approximately 150 Hz, at which point it rolls off to a 3-dB attenuation for higher-frequency signals, thus giving a 3-dB boost to signals below 150 Hz. The N and D coefficients are represented by 16-bit, 2s-complement numbers with values ranging from –32,768 to 32,767.

Table 4. Default Digital Effects Processing Filter Coefficients,
When in Independent Channel Processing Configuration

COEFFICIENTS
N0 = N3 D1 = D4 N1 = N4 D2 = D5 N2 = N5
27,619 32,131 –27,034 –31,506 26,461

The digital processing also includes capability to implement 3-D processing algorithms by providing means to process the mono mix of the stereo input, and then combine this with the individual channel signals for stereo output playback. The architecture of this processing mode, and the programmable filters available for use in the system, are shown in Figure 19. Note that the programmable attenuation block provides a method of adjusting the level of 3-D effect introduced into the final stereo output. This, combined with the fully programmable biquad filters in the system, enables the user to optimize fully the audio effects for a particular system and provide extensive differentiation from other systems using the same device.

TLV320AIC34 b0155-01_las509.gif Figure 19. Architecture of the Digital Audio Processing When 3-D Effects are Enabled

TI recommends that the digital effects filters be disabled while the filter coefficients are being modified. While new coefficients are being written to the device over the control port, it is possible that a filter using partially updated coefficients may actually implement an unstable system and lead to oscillation or objectionable audio output. By disabling the filters, changing the coefficients, and then re-enabling the filters, these types of effects can be entirely avoided.

Digital Interpolation Filter

The digital interpolation filter upsamples the output of the digital audio processing block by the required oversampling ratio before data is provided to the digital delta-sigma modulator and analog reconstruction filter stages. The filter provides a linear phase output with a group delay of 21 / fS. In addition, programmable digital interpolation filtering is included to provide enhanced image filtering and reduce signal images caused by the upsampling process that are below 20 kHz. For example, upsampling an 8-kHz signal produces signal images at multiples of 8-kHz (that is, 8 kHz, 16 kHz, 24 kHz, and so forth). The images at 8 kHz and 16 kHz are below 20 kHz and still audible to the listener; therefore, they must be filtered heavily to maintain a good quality output. The interpolation filter is designed to maintain at least 65-dB rejection of images that land below 7.455 fS. To use the programmable interpolation capability, fS(ref) must be programmed to a higher rate (restricted to be in the range of 39 kHz to 53 kHz when the PLL is in use), and the actual fS is set using the NDAC divider. For example, if fS = 8 kHz is required, then fS(ref) can be set to 48 kHz, and the DAC fS set to fS(ref)/6. This ensures that all images of the 8-kHz data are sufficiently attenuated well beyond a 20-kHz audible frequency range.

Delta-Sigma Audio DAC

The stereo audio DAC in each partition incorporates a third-order multibit delta-sigma modulator followed by an analog reconstruction filter. The DAC provides high-resolution, low-noise performance, using oversampling and noise shaping techniques. The analog reconstruction filter design consists of a six-tap analog FIR filter followed by a continuous-time RC filter. The analog FIR operates at a rate of 128 × fS(ref) (6.144 MHz when fS(ref) = 48 kHz, 5.6448 MHz when fS(ref) = 44.1 kHz). Note that the DAC analog performance may be degraded by excessive clock jitter on the MCLK_x input. Therefore, care must be taken to keep jitter on this clock to a minimum.

Audio DAC Digital Volume Control

The audio DAC includes a digital volume control block which implements a programmable digital gain. The volume level can be varied from 0 dB to –63.5 dB in 0.5-dB steps, in addition to a mute bit, independently for each channel. The volume level of both channels can also be changed simultaneously by the master volume control. Gain changes are implemented with a soft-stepping algorithm, which only changes the actual volume by one step per input sample, either up or down, until the desired volume is reached. The rate of soft stepping can be slowed to one step per two input samples through a register bit.

Because of soft stepping, the host does not know when the DAC has been actually muted. This may be important if the host wishes to mute the DAC before making a significant change, such as changing sample rates. To help with this situation, the device provides a flag back to the host through a read-only register bit that alerts the host when the part has completed the soft-stepping and the actual volume has reached the desired volume level. The soft-stepping feature can be disabled through register programming. If soft stepping is enabled, the MCLK_x signal must be kept applied to the device until the DAC power-down flag is set. When this flag is set, the internal soft-stepping process and power-down sequence is complete, and the MCLK_x can then be stopped if desired.

The TLV320AIC34 also includes functionality to detect when the user switches on or off the de-emphasis or digital audio processing functions, to (1) soft-mute the DAC volume control, (2) change the operation of the digital effects processing, and (3) soft-unmute the part. This avoids any possible pop/clicks in the audio output due to instantaneous changes in the filtering. A similar algorithm is used when first powering up or down the DAC. The circuit begins operation at power up with the volume control muted, then soft-steps it up to the desired volume level. At power down, the logic first soft-steps the volume down to a mute level, then powers down the circuitry.

Increasing DAC Dynamic Range

The TLV320AIC34 allows trading off dynamic range with power consumption. The DAC dynamic range can be increased by writing to page 0, register 109, bits D7–D6. The lowest DAC current setting is the default, and the dynamic range is displayed in the datasheet table. Increasing the current can increase the DAC dynamic range by up to 1.5 dB.

Analog Output Common-Mode Adjustment

The output common-mode voltage and output range of the analog output of each partition are determined by an internal band-gap reference, in contrast to other codecs that may use a divided version of the supply. This scheme is used to reduce the coupling of noise that may be on the supply (such as 217-Hz noise in a GSM cell phone) into the audio signal path.

However, due to the possible wide variation in analog supply range (2.7 V–3.6 V), an output common-mode voltage setting of 1.35 V, which would be used for a 2.7-V supply case, is overly conservative if the supply is actually much higher, such as 3.3 V or 3.6 V. To optimize device operation, the TLV320AIC34 includes a programmable output common-mode level, which can be set by register programming to a level most appropriate to the actual supply range used by a particular customer. The output common-mode level can be selected from four different values, ranging from 1.35 V (most appropriate for low supply ranges, near 2.7 V) to 1.8 V (most appropriate for high supply ranges, near 3.6 V). Note that there is also some limitation on the range of DVDD voltage as well in determining which setting is most appropriate.

Table 5. Analog Output Common-Mode Recommended Settings

CM SETTING RECOMMENDED AVDD, DRVDD RECOMMENDED DVDD
1.35 V 2.7 V to 3.6 V 1.65 V to 1.95 V
1.5 V 3 V to 3.6 V 1.65 V to 1.95 V
1.65 V 3.3 V to 3.6 V 1.8 V to 1.95 V
1.8 V 3.6 V 1.95 V

Audio DAC Power Control

The stereo DAC can be fully powered up or down, and in addition, the analog circuitry in each DAC channel can be powered up or down independently. This provides power savings when only a mono playback stream is required.

Audio Analog Inputs

The TLV320AIC34 includes 20 analog audio input terminals, 10 for each partition. The 10 inputs in each partition can be configured as up to four fully differential pairs plus one single-ended pair of audio inputs, or up to six (or eight, if LINE2(L/R)M to line bypass are considered) single-ended audio inputs. These ten terminals connect through series resistors and switches to the virtual ground terminals of two fully differential operational amplifiers (one per ADC/PGA channel). By selecting to turn on only one set of switches per operational amplifier at a time, the inputs can be effectively multiplexed to each ADC PGA channel.

By selecting to turn on multiple sets of switches per operational amplifier at a time, mixing can also be achieved. However, single-ended and fully differential audio inputs cannot be mixed into the same ADC PGA at the same time. Mixing of multiple inputs can easily lead to PGA outputs that exceed the range of the internal operational amplifiers, resulting in saturation and clipping of the mixed output signal. Whenever mixing is being implemented, the user must take adequate precautions to avoid such a saturation case from occurring. In general, the mixed signal must not exceed 2 Vp-p single-ended or 4 Vp-p fully differential.

In most mixing applications, there is also a general requirement to adjust the levels of the individual signals being mixed. For example, if a soft signal and a large signal are to be mixed and played together, the soft signal generally must be amplified to a level comparable to that of the large signal before mixing. To accommodate this requirement, the TLV320AIC34 includes input level control on each of the individual inputs before they are mixed or multiplexed into the ADC PGAs, with gain programmable from 0 dB to –12 dB in 1.5-dB steps. Note that this input level control is not intended to be a volume control, but instead used occasionally for level setting. Soft-stepping of the input level control settings is implemented in this device, with the speed and functionality following the settings used by the ADC PGA for soft-stepping.

The TLV320AIC34 supports the ability to mix up to three fully differential analog inputs into each ADC PGA channel. Figure 20 shows the mixing configuration for the left channel of one partition, which can mix the signals LINE1LP_x, LINE1LM_x, LINE2LP_x, LINE2LM_x, LINE1RP_x, and LINE1RM_x of the associated partition.

TLV320AIC34 b0156-03_las538.gif Figure 20. Left-Channel Fully Differential Analog Mixing Capability

Three fully-differential analog inputs can similarly be mixed into each partition's right-ADC PGA as well, consisting of LINE1RP_x, LINE1RM_x, LINE2RP_x, LINE2RM_x, LINE1LP_x, and LINE1LM_x. Note that it is not necessary to mix all three fully differential signals if this is not desired—unnecessary inputs can simply be muted using the input level control registers.

Inputs can also be selected as single-ended instead of fully differential, and mixing or multiplexing into the ADC PGAs is also possible in this mode. It is not possible, however, for an input pair to be selected as fully differential for connection to one ADC PGA and simultaneously selected as single-ended for connection to the other ADC PGA channel in the same partition. However, it is possible for an input to be selected or mixed into both left- and right-channel PGAs of the same partition, as long as it has the same configuration for both channels (either both single-ended or both fully differential).

Figure 21 shows the single-ended mixing configuration for one partition's left-channel ADC PGA, which enables mixing of the signals LINE1LP_x, LINE2LP_x, LINE1RP_x, MIC3L_x, and MIC3R_x. The right-channel ADC PGA mix is similar, enabling mixing of the signals LINE1RP_x, LINE2RP_x, LINE1LP_x, MIC3L_x, and MIC3R_x.

TLV320AIC34 b0156-04_las538.gif Figure 21. Left-Channel Single-Ended Analog Input Mixing Configuration

Analog Input Bypass Path Functionality

The TLV320AIC34 includes the additional ability to route some analog input signals past the integrated data converters, for mixing with other analog signals and then direct connection to the output drivers. This capability is useful in a cell phone, for example, when a separate FM radio device provides a stereo analog output signal that must be routed to headphones. The TLV320AIC34 supports this in a low-power mode by providing a direct analog path through the device to the output drivers, while all ADCs and DACs can be completely powered down to save power.

For fully differential inputs, the TLV320AIC34 provides the ability to pass the signals LINE1LP_x, LINE1LM_x, LINE1RP_x, and LINE1RM_x of each partition directly to the output stage of the same partition. If in single-ended configuration, the device can pass the signal LINE1LP_x and LINE1RP_x to the output stage directly.

ADC PGA Signal Bypass Path Functionality

In addition to the input bypass path described previously, the TLV320AIC34 also includes the ability to route the ADC PGA output signals past the ADC, for mixing with other analog signals and then direct connection to the output drivers of the same partition. These bypass functions are described in more detail in the sections on output mixing and output driver configurations.

Input Impedance and VCM Control

The TLV320AIC34 includes several programmable settings to control analog input terminals, particularly when they are not selected for connection to an ADC PGA. The default option allows unselected inputs to be put into a high-impedance state, such that the input impedance seen looking into the device is extremely high. Note, however, that the terminals on the device do include protection diode circuits connected to AVDD_ADC and AVSS_ADC. Thus, if any voltage is driven onto a terminal approximately one diode drop (~0.6 V) above AVDD_ADC or one diode drop below AVSS_ADC, these protection diodes begin conducting current, resulting in an effective impedance that no longer appears as a high-impedance state.

Another programmable option for unselected analog inputs is to hold them weakly at the common-mode input voltage of the ADC PGA (which is determined by an internal band-gap voltage reference). This is useful to keep the ac-coupling capacitors connected to analog inputs biased up at a normal dc level, thus avoiding the requirement for them to charge up suddenly when the input is changed from being unselected to selected for connection to an ADC PGA. This option is controlled in page 0, registers 20 and 23 of each partition. The user must ensure this option is disabled when an input is selected for connection to an ADC PGA or selected for the analog input bypass path, because it can corrupt the recorded input signal if left operational when an input is selected.

In most cases, the analog input terminals on the TLV320AIC34 must be ac-coupled to analog input sources, the only exception to this generally being if an ADC is being used for dc voltage measurement. The ac-coupling capacitor causes a high-pass filter pole to be inserted into the analog signal path, so the size of the capacitor must be chosen to move that filter pole sufficiently low in frequency to cause minimal effect on the processed analog signal. The input impedance of the analog inputs when selected for connection to an ADC PGA varies with the setting of the input level control, starting at approximately 20 kΩ with an input level control setting of 0 dB, and increasing to approximately 80 kΩ when the input level control is set at –12 dB. For example, using a 0.1-µF ac-coupling capacitor at an analog input results in a high-pass filter pole of 80 Hz when the 0-dB input level control setting is selected.

Passive Analog Bypass During Power Down

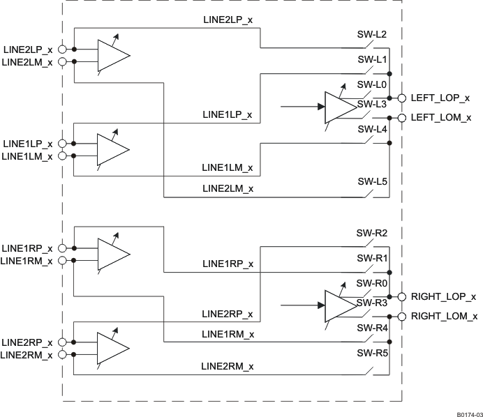
Programming the TLV320AIC34 to passive analog bypass occurs by configuring the output stage switches for pass-through. This is done by opening switches SW-L0, SW-L3, SW-R0, SW-R3 and closing either SW-L1 or SW-L2 and SW-R1 or SW-R2. See Figure 22, Passive Analog Bypass Mode Configuration. Programming this mode is done by writing to page 0, register 108.

Connecting the LINE1LP_x input signal to the LEFT_LOP_x terminal is done by closing SW-L1 and opening SW-L0; this action is done by writing a 1 to page 0, register 108, bit D0. Connecting the LINE2LP_x input signal to the LEFT_LOP_x terminal is done by closing SW-L2 and opening SW-L0; this action is done by writing a 1 to page 0, register 108, bit D2. Connecting the LINE1LM_x input signal to the LEFT_LOM_x terminal is done by closing SW-L4 and opening SW-L3; this action is done by writing a 1 to page 0, register 108, bit D1. Connecting the LINE2LM_x input signal to the LEFT_LOM_x terminal is done by closing SW-L5 and opening SW-L3; this action is done by writing a 1 to page 0, register 108, bit D3.

Connecting the LINE1RP_x input signal to the RIGHT_LOP_x terminal is done by closing SW-R1 and opening SW-R0; this action is done by writing a 1 to page 0, register 108, bit D4. Connecting the LINE2RP_x input signal to the RIGHT_LOP_x terminal is done by closing SW-R2 and opening SW-R0; this action is done by writing a 1 to page 0, register 108, bit D6. Connecting the LINE1RM_x input signal to the RIGHT_LOM_x terminal is done by closing SW-R4 and opening SW-R3; this action is done by writing a 1 to page 0, register 108, bit D5. Connecting the LINE2RM_x input signal to the RIGHT_LOM_x terminal is done by closing SW-R5 and opening SW-R3; this action is done by writing a 1 to page 0, register 108, bit D7. A diagram of the passive analog bypass mode configuration can be seen in Figure 22.

In general, connecting two switches to the same output terminal must be avoided, as this error shorts two input signals together, and would likely cause distortion of the signal as the two signals are in contention; poor frequency response would also likely occur.

TLV320AIC34 b0174-03_las538.gif Figure 22. Passive Analog Bypass Mode Configuration

MICBIAS_x Generation

The TLV320AIC34 includes a programmable microphone bias output voltage (MICBIAS_x) in each partition, capable of providing output voltages of 2 V or 2.5 V (both derived from the on-chip band-gap voltage) with 4-mA output current drive. In addition, MICBIAS_x can be programmed to be switched to AVDD_ADC directly through an on-chip switch, or it can be powered down completely when not required for power savings. This function is controlled by register programming in page 0, register 25 in each partition.

Digital Microphone Connectivity

The TLV320AIC34 includes support for connection of digital microphones to the device by routing the digital signal directly into the ADC digital decimation filter, where it is filtered, downsampled, and provided to the host processor over the audio data serial bus.

When digital microphone mode is enabled, the TLV320AIC34 provides an oversampling clock output on GPIO1_x for use by the digital microphone to transmit its data, which is applied to the device on GPIO2_x. The TLV320AIC34 includes the capability to latch the data on either the rising, falling, or both edges of this supplied clock, enabling support for stereo digital microphones. Digital microphone operation is configured using page 0, registers 98–99 of each partition. The the oversampling ratio is configured using page 0, register 8, and the digital microphone and on-chip analog microphone can be selected independently for each ADC channel using page 0, register 107. For more details on digital microphone support, see Using the Digital Microphone Function on TLV320AIC33 With AIC33EVM/USB-MODEVM System (SLAA275).

Analog Fully Differential Line Output Drivers

The TLV320AIC34 has two fully differential line output drivers, three in each partition, with each driver capable of driving a 10-kΩ differential load. The output stage design leading to the fully differential line output drivers for one partition is shown in Figure 23 and Figure 24. This design includes extensive capability to adjust signal levels independently before any mixing occurs, beyond that already provided by the PGA gain and the DAC digital volume control.

The LINE1LP_x and LINE1LM_x signals see the signals that travel through the analog input bypass path to the output stage. The PGA_L/R signals see the outputs of the ADC PGA stages that are similarly passed around the ADC to the output stage. Note that because both left- and right-channel signals of each partition are routed to all output drivers of that partition, a mono mix of any of the stereo signals can easily be obtained by setting the volume controls of both left- and right-channel signals to –6 dB and mixing them. Undesired signals can also be disconnected from the mix through register control.

TLV320AIC34 b0157-03_las538.gif Figure 23. Architecture of the Output Stage Leading to the Fully Differential Line Output Drivers
TLV320AIC34 b0158-03_las538.gif Figure 24. Detail of the Volume Control and Mixing Function Shown in Figure 23

The DAC_L/R signals are the outputs of the stereo audio DAC, which can be steered by register control based on the requirements of the system. If mixing of the DAC audio with other signals is not required, and the DAC output is only needed at the stereo line outputs of that partition, then TI recommends using the routing through path DAC_L3/R3 to the fully differential stereo line outputs. This results not only in higher-quality output performance, but also in lower-power operation, because the analog volume controls and mixing blocks ahead of these drivers can be powered down.

If instead the DAC analog output must be routed to multiple output drivers simultaneously (such as to LEFT_LOP_x, LEFT_LOM_x, RIGHT_LOP_x, RIGHT_LOM_x, MONO_LOP_x, and MONO_LOM_x) or must be mixed with other analog signals, then the DAC outputs must be switched through the DAC_L1 and DAC_R1 path. This option provides the maximum flexibility for routing of the DAC analog signals to the output drivers.

The TLV320AIC34 includes an output level control on each output driver with limited gain adjustment from 0 dB to 9 dB. The output driver circuitry in this device is designed to provide a low-distortion output while playing full-scale stereo DAC signals at a 0-dB gain setting. However, a higher-amplitude output can be obtained at the cost of increased signal distortion at the output. This output level control allows the user to make this tradeoff based on the requirements of the end equipment. Note that this output level control is not intended to be used as a standard output volume control. It is expected to be used only sparingly for level setting, i.e., adjustment of the full-scale output range of the device.

Each differential line output driver can be powered down independently of the others when it is not required in the system. When placed into power down through register programming, the driver output terminals are placed into a high-impedance state.

Analog High-Power Output Drivers

The TLV320AIC34 includes eight high-power output drivers, four in each partition, with extensive flexibility in their usage. These output drivers are individually capable of driving 40 mW each into a 16-Ω load in single-ended configuration, and codec A can be used in pairs to drive up to 500 mW into an 8- load connected in bridge-terminated load (BTL) configuration between two driver outputs. Codec B is not designed to drive 8-Ω speakers.

The high-power output drivers can be configured in a variety of ways, including:

  • Driving up to four fully differential output signals, using pairs of drivers
  • Driving up to eight single-ended output signals
  • Driving up to four single-ended output signals, with the remaining drivers driving a fixed VCM level, for pseudo-differential stereo outputs
  • Driving up to two 8-Ω speakers connected BTL between pairs of driver output terminals for codec block A
  • Combinations of the foregoing

The output-stage architecture of each partition leading to the high-power output drivers is shown in Figure 25, with the volume control and mixing blocks being effectively identical to those shown in Figure 24. Note that each of these drivers has an output level control block like those included with the line output drivers, allowing gain adjustment up to 9 dB on the output signal. As in the previous case, this output level adjustment is not intended to be used as a standard volume control, but instead is included for additional full-scale output signal level control.

Two of the output drivers in each partition, HPROUT_x and HPLOUT_x, include a direct connection path for the stereo DAC outputs to be passed directly to the output drivers, bypassing the analog volume controls and mixing networks, by using the DAC_L2/R2 path. As in the line output case, this functionality provides the highest-quality DAC playback performance with reduced power dissipation, but can only be used if the DAC output is not being routed to multiple output drivers simultaneously, and if mixing of the DAC output with other analog signals is not required.

TLV320AIC34 b0159-03_las538.gif Figure 25. Architecture of the Output Stage Leading to the High-Power Output Drivers

The high-power output drivers include additional circuitry to avoid artifacts on the audio output during power-on and power-off transient conditions. The user must first program the type of output configuration being used in page 0, register 14, to allow the device to select the optimal power-up scheme to avoid output artifacts. The power-up delay time for the high-power output drivers is also programmable over a wide range of time delays, from instantaneous up to 4 s, using page 0, register 42.

When these output drivers are powered down, they can be placed into a variety of output conditions based on register programming. If lowest-power operation is desired, then the outputs can be placed into a high-impedance state, and all power to the output stage is removed. However, this generally results in the output nodes drifting to rest near the upper or lower analog supply, due to small leakage currents at the terminals. This then results in a longer delay requirement to avoid output artifacts during driver power-on. To reduce this required power-on delay, the TLV320AIC34 includes an option for the output terminals of the drivers to be weakly driven to the VCM level at which they would normally when powered with no signal applied. This output VCM level is determined by an internal band-gap voltage reference, and thus results in extra power dissipation when the drivers are in power down. However, this option provides the fastest method for transitioning the drivers from power down to full-power operation without any output artifact introduced.

The device includes a further option that falls between the other two—although it requires less power drawn while the output drivers are in power down, it takes a slightly longer delay to power up without artifact than if the band-gap reference is kept alive. In this alternate mode, the powered-down output driver terminal is weakly driven to a voltage of approximately half the DRVDD1/2 supply level using an internal voltage divider. This voltage does not match the actual VCM of a fully powered driver, but due to the output voltage being close to its final value, a much shorter power-up delay time setting can be used and still avoid any audible output artifacts. These output voltage options are controlled in page 0, register 42.

The high-power output drivers can also be programmed to power up first with the output level control in a highly attenuated state, then the output driver automatically slowly reduces the output attenuation to reach the desired output level setting programmed. This capability is enabled by default but can be enabled in page 0, register 40.

Short-Circuit Output Protection

The TLV320AIC34 includes programmable short-circuit protection for the high-power output drivers, for maximum flexibility in a given application. By default, if these output drivers are shorted, they automatically limit the maximum amount of current that can be sourced to or sunk from a load, thereby protecting the device from an overcurrent condition. In this mode, the user can read page 0, register 95 to determine whether the part is in short-circuit protection or not, and then decide whether to program the device to power down the output drivers. However, the device includes further capability to power down an output driver automatically whenever it goes into short-circuit protection, without requiring intervention from the user. In this case, the output driver stays in a power-down condition until the user specifically programs it to power down and then power back up again, to clear the short-circuit flag.

Jack or Headset Detection

The TLV320AIC34 includes extensive capability to monitor a headphone, microphone, or headset jack, determine if a plug has been inserted into the jack, and then determine what type of headset/headphone is wired to the plug. Figure 26 shows one configuration of the device that enables detection and determination of headset type when a pseudodifferential (capless) stereo headphone output configuration is used. The registers used for this function are page 0, registers 13, 14, 37, and 38. The type of headset detected can be read back from page 0, register 13. Note that for best results, TI recommends selecting a MICBIAS_x value as high as possible, and to program the output driver common-mode level at a 1.35-V or 1.5-V level.

TLV320AIC34 B0243-01_LAS538.gif Figure 26. Configuration of Device for Jack Detection Using a
Pseudo-Differential (Capless) Headphone Output Connection

Figure 27 shows a modified output configuration that is used when the output drivers are ac-coupled. Note that in this mode, the device cannot accurately determine whether the inserted headphone is a mono or stereo headphone.

TLV320AIC34 B0244-01_LAS538.gif Figure 27. Configuration of Device for Jack Detection Using an
AC-Coupled Stereo Headphone Output Connection

An output configuration for the case of the outputs driving fully differential stereo headphones is shown in Figure 28. In this mode, there is a requirement on the jack side that either HPLCOM_x or HPLOUT_x be shorted to ground if the plug is removed. This requirement can be implemented using a spring terminal in a jack. For this mode to function properly, short-circuit detection must be enabled and configured to power down the drivers if a short circuit is detected. The register that controls this functionality is in page 0, register 38, bits D2–D1.

TLV320AIC34 b0245-01_las538.gif Figure 28. Configuration of Device for Jack Detection Using
a Fully Differential Stereo Headphone Output Connection

Output Stage Volume Controls

A basic analog volume control with range from 0 dB to –78 dB and mute is replicated multiple times in the output stage network, connected to each of the analog signals that route to the output stage. In addition, to enable completely independent mixing operations to be performed for each output driver, each analog signal coming into the output stage may have up to seven separate volume controls. These volume controls all have approximately 0.5-dB step programmability over most of the gain range, with steps increasing slightly at the lowest attenuations. Table 6 lists the detailed gain versus programmed setting for this basic volume control.

Table 6. Output Stage Volume Control Settings and Gains

GAIN SETTING ANALOG GAIN
(dB)
GAIN SETTING ANALOG GAIN
(dB)
GAIN SETTING ANALOG GAIN
(dB)
GAIN SETTING ANALOG GAIN
(dB)
 0  0 30 –15 60 –30.1  90 –45.2
 1 –0.5 31 –15.5 61 –30.6  91 –45.8
 2 –1 32 –16 62 –31.1  92 –46.2
 3 –1.5 33 –16.5 63 –31.6  93 –46.7
 4 –2 34 –17 64 –32.1  94 –47.4
 5 –2.5 35 –17.5 65 –32.6  95 –47.9
 6 –3 36 –18 66 –33.1  96 –48.2
 7 –3.5 37 –18.6 67 –33.6  97 –48.7
 8 –4 38 –19.1 68 –34.1  98 –49.3
 9 –4.5 39 –19.6 69 –34.6  99 –50
10 –5 40 –20.1 70 –35.1 100 –50.3
11 –5.5 41 –20.6 71 –35.7 101 –51
12 –6 42 –21.1 72 –36.1 102 –51.4
13 –6.5 43 –21.6 73 –36.7 103 –51.8
14 –7 44 –22.1 74 –37.1 104 –52.2
15 –7.5 45 –22.6 75 –37.7 105 –52.7
16 –8 46 –23.1 76 –38.2 106 –53.7
17 –8.5 47 –23.6 77 –38.7 107 –54.2
18 –9 48 –24.1 78 –39.2 108 –55.3
19 –9.5 49 –24.6 79 –39.7 109 –56.7
20 –10 50 –25.1 80 –40.2 110 –58.3
21 –10.5 51 –25.6 81 –40.7 111 –60.2
22 –11 52 –26.1 82 –41.2 112 –62.7
23 –11.5 53 –26.6 83 –41.7 113 –64.3
24 –12 54 –27.1 84 –42.2 114 –66.2
25 –12.5 55 –27.6 85 –42.7 115 –68.7
26 –13 56 –28.1 86 –43.2 116 –72.2
27 –13.5 57 –28.6 87 –43.8 117 –78.3
28 –14 58 –29.1 88 –44.3 118–127 Mute
29 –14.5 59 –29.6 89 –44.8

Device Functional Modes

I2C Control Mode

The TLV320AIC34 supports the I2C control protocol using 7-bit addressing and capable of both standard and fast modes. For I2C fast mode, note that the minimum timing for each of tHD-STA, tSU-STA, and tSU-STO is 0.9 µs, as seen in Figure 29. The TLV320AIC34 uses two I2C addresses, with the A channels controlled through one device address, and the B channels controlled using a different device address. These addresses can be modified through use of the ADDR_A and ADDR_B terminals, as described in Table 7.

Table 7. I2C Control Terminals

ADDR_A = 1 ADDR_A = 0 ADDR_B = 1 ADDR_B = 0
A I2C address 001 1010 001 1000
B I2C address 001 1011 001 1001
TLV320AIC34 t0114-02_las538.gif Figure 29. I2C Fast-Mode Timing Requirements

This capability to modify the I2C addresses allows two TLV320AIC34 codecs to be used on a single I2C control bus, providing individual control of each codec. This provides up to eight channels of audio codec controlled from a single host processor I2C peripheral.

I2C is a two-wire, open-drain interface supporting multiple devices and masters on a single bus. Devices on the I2C bus only drive the bus lines LOW by connecting them to ground; they never drive the bus lines HIGH. Instead, the bus wires are pulled HIGH by pullup resistors, so the bus wires are HIGH when no device is driving them LOW. This way, two devices cannot conflict; if two devices drive the bus simultaneously, there is no driver contention.

Communication on the I2C bus always takes place between two devices, one acting as the master and the other acting as the slave. Both masters and slaves can read and write, but slaves can only do so under the direction of the master. Some I2C devices can act as masters or slaves, but the TLV320AIC34 can only act as a slave device.

An I2C bus consists of two lines, SDA and SCL. SDA carries data; SCL provides the clock. All data is transmitted across the I2C bus in groups of eight bits. To send a bit on the I2C bus, the SDA line is driven to the appropriate level while SCL is LOW (a LOW on SDA indicates the bit is zero; a HIGH indicates the bit is one). Once the SDA line has settled, the SCL line is brought HIGH, then LOW. This pulse on SCL clocks the SDA bit into the receiver shift register.

The I2C bus is bidirectional: the SDA line is used both for transmitting and receiving data. When a master reads from a slave, the slave drives the data line; when a master sends to a slave, the master drives the data line. The master always drives the clock line. The TLV320AIC34 never drives SCL, because it cannot act as a master. On the TLV320AIC34, SCL is an input only when configured as an I2C terminal.

Most of the time the bus is idle, no communication is taking place, and both lines are HIGH. When communication is taking place, the bus is active. Only master devices can start a communication. They do this by causing a START condition on the bus. Normally, the data line is only allowed to change state while the clock line is LOW. If the data line changes state while the clock line is HIGH, it is either a START condition or its counterpart, a STOP condition. A START condition is when the clock line is HIGH and the data line goes from HIGH to LOW. A STOP condition is when the clock line is HIGH and the data line goes from LOW to HIGH.

After the master issues a START condition, it sends a byte that indicates which slave device it wants to communicate with. This byte is called the address byte. Each device on an I2C bus has a unique 7-bit address to which it responds. (Slaves can also have 10-bit addresses; see the I2C specification for details.) The master sends an address in the address byte, together with a bit that indicates whether it wishes to read from or write to the slave device. The TLV320AIC34 supporst only 7-bit slave addresses.

Every byte transmitted on the I2C bus, whether it is address or data, is acknowledged with an acknowledge bit. When a master has finished sending a byte (eight data bits) to a slave, it stops driving SDA and waits for the slave to acknowledge the byte. The slave acknowledges the byte by pulling SDA LOW. The master then sends a clock pulse to clock the acknowledge bit. Similarly, when a master has finished reading a byte, it pulls SDA LOW to acknowledge this to the slave. It then sends a clock pulse to clock the bit. (Remember that the master always drives the clock line.)

A not-acknowledge is performed simply by leaving SDA HIGH during an acknowledge cycle. If a device is not present on the bus and the master attempts to address it, it receives a not−acknowledge because no device is present at that address to pull the line LOW.

When a master has finished communicating with a slave, it may issue a STOP condition. When a STOP condition is issued, the bus becomes idle again. A master may also issue another START condition. When a START condition is issued while the bus is active, it is called a repeated START condition.

Both A and B partitions of the TLV320AIC34 respond to and acknowledge a general call, which consists of the master issuing a command with a slave address byte of 00h. TI does not recommend accessing the device using a general call, because it is unclear which sets of registers are meant to be addressed, and results may not be correct.

TLV320AIC34 t0147-01_las510.gif Figure 30. I2C Write
TLV320AIC34 t0148-01_las510.gif Figure 31. I2C Read

In the case of an I2C register write, if the master does not issue a STOP condition, then the device enters auto-increment mode. So in the next eight clocks, the data on SDA is treated as data for the next incremental register.

Similarly, in the case of an I2C register read, after the device has sent out the 8-bit data from the addressed register, if the master issues an ACKNOWLEDGE, the slave takes over control of the SDA bus and transmits for the next 8 clocks the data of the next incremental register. Note that incremental read/write operation does not continue past a page boundary. The user must not attempt to read/write past the end of a page, because this may result in undesirable operation.

Right-Justified Mode

In right-justified mode, the LSB of the left channel is valid on the rising edge of the bit clock preceding the falling edge of word clock. Similarly, the LSB of the right channel is valid on the rising edge of the bit clock preceding the rising edge of the word clock.

TLV320AIC34 t0149-03_las538.gif Figure 32. Right-Justified Serial Bus Mode Operation

Left-Justified Mode

In left-justified mode, the MSB of the right channel is valid on the rising edge of the bit clock following the falling edge of the word clock. Similarly, the MSB of the left channel is valid on the rising edge of the bit clock following the rising edge of the word clock.

TLV320AIC34 t0150-03_las538.gif Figure 33. Left-Justified Serial Data Bus Mode Operation

I2S Mode

In I2S mode, the MSB of the left channel is valid on the second rising edge of the bit clock after the falling edge of the word clock. Similarly, the MSB of the right channel is valid on the second rising edge of the bit clock after the rising edge of the word clock.

TLV320AIC34 t0151-03_las538.gif Figure 34. I2S Serial Data Bus Mode Operation

DSP Mode

In DSP mode, the rising edge of the word clock starts the data transfer with the left-channel data first and immediately followed by the right-channel data. Each data bit is valid on the falling edge of the bit clock.

TLV320AIC34 t0152-02_las538.gif Figure 35. DSP Serial Bus Mode Operation

Programming

Digital Control Serial Interface

The TLV320AIC34 is entirely controlled by registers, with a register map that is software compatible with the low-power stereo audio codecs TLV320AIC3x and TLV320AIC310x. To maintain best software compatibility with stereo codecs, the register configuration of the four-channel TLV320AIC34 is divided into two separate I2C slave devices containing separate addresses, with each address used to access registers controlling two channels of codec and associated inputs and outputs. The two partitions of the device are denoted A and B, with analog and digital inputs, outputs, and internal blocks named accordingly, ending in _A or _B. The two I2C addresses are also denoted A and B, with each used to control the correspondingly named signals and internal blocks.

Within each I2C address, the register map consists of multiple pages of registers, with each page containing up to 128 registers. The register at address zero on each page is used as a page control register, and writing to this register determines the active page for the device. All subsequent read/write operations access the page that is active at the time, unless a register write is performed to change the active page. Only two pages of registers (zero and one) are implemented in this product, with the active page defaulting to page 0 on device reset.

For example, at device reset, the active page defaults to page 0, and thus all register read/write operations for addresses 1 to 127 access registers in page 0. If registers on page 1 must be accessed, the user must write the 8-bit value 0x01 to register 0, the page control register, to change the active page from page 0 to page 1. After this write, TI recommends that the user also read back the page control register to ensure the change in page control has occurred properly. Future read/write operations to addresses 1 to 127 now access registers in page 1. When page-0 registers must be accessed again, the user writes the 8-bit value 0x00 to register 0, the page control register, to change the active page back to page 0. After a recommended read of the page control register, all further read/write operations to addresses 1 to 127 again access page-0 registers.

Register Maps

The control registers for the TLV320AIC34 are mapped into page 0 and page 1. Page 0 is used to configure the codec analog and digital pathways, whereas page 1 is used to program digital filter coefficients. The TLV320AIC34 is a four-channel codec that contains a partition of two stereo codecs, codec A and codec B. Because all of the functionality of each partition is identical, page 0 and page 1 are only shown once in the following register descriptions. Note that only page 0, register 101 for codec block A is different than page 0, register 101 for codec block B, so page 0, register 101 is shown twice in the following register listing. Each of these status registers displays the I2C register address based on the respective state of the ADDR_A and ADDR_B terminals.

Because the two stereo codecs in the TLV320AIC34 are independent, none of the register values are shared. Therefore, both codecs, codec A and codec B, must be completely and independently programmed; codec A using its unique I2C address, and also codec B using its unique I2C address. All I2C registers are 8 bits in width, with D7 referring to the most-significant bit of each register, and D0 referring to the least-significant bit.

Register Description

Table 1. Page 0, Register 0: Page Select Register

BIT(1) READ/
WRITE
RESET
VALUE
DESCRIPTION
D7–D1 X 0000 000 Reserved. Write only zeros to these register bits.
D0 R/W 0 Page Select Bit
Writing zero to this bit sets page 0 as the active page for subsequent register accesses. Writing a one to this bit sets page 1 as the active page for subsequent register accesses. TI recommends that the user read this register bit back after each write, to ensure that the proper page is being accessed for future register read/writes.
When resetting registers related to routing and volume controls of output drivers, TI recommends to reset them by writing directly to the registers instead of using software reset.

Table 2. Page 0, Register 1: Software Reset Register

BIT READ/
WRITE
RESET
VALUE
DESCRIPTION
D7 W 0 Software Reset Bit
0 : Don’t care
1 : Self-clearing software reset
D6–D0 W 000 0000 Reserved. Do not write to these bits.

Table 3. Page 0, Register 2: Codec Sample Rate Select Register

BIT READ/
WRITE
RESET
VALUE
DESCRIPTION
D7–D4 R/W 0000 ADC Sample Rate Select
0000: ADC fS = fS(ref)/1
0001: ADC fS = fS(ref)/1.5
0010: ADC fS = fS(ref)/2
0011: ADC fS = fS(ref)/2.5
0100: ADC fS = fS(ref)/3
0101: ADC fS = fS(ref)/3.5
0110: ADC fS = fS(ref)/4
0111: ADC fS = fS(ref)/4.5
1000: ADC fS = fS(ref)/5
1001: ADC fS = fS(ref)/5.5
1010: ADC fS = fS(ref)/6
1011–1111: Reserved. Do not write these sequences to these register bits.
D3–D0 R/W 0000 DAC Sample Rate Select
0000 : DAC fS = fS(ref)/1
0001 : DAC fS = fS(ref)/1.5
0010 : DAC fS = fS(ref)/2
0011 : DAC fS = fS(ref)/2.5
0100 : DAC fS = fS(ref)/3
0101 : DAC fS = fS(ref)/3.5
0110 : DAC fS = fS(ref)/4
0111 : DAC fS = fS(ref)/4.5
1000 : DAC fS = fS(ref)/5
1001: DAC fS = fS(ref)/5.5
1010: DAC fS = fS(ref) / 6
1011–1111 : Reserved. Do not write these sequences to these register bits.

Table 4. Page 0, Register 3: PLL Programming Register A

BIT READ/
WRITE
RESET
VALUE
DESCRIPTION
D7 R/W 0 PLL Control Bit
0: PLL is disabled.
1: PLL is enabled.
D6–D3 R/W 0010 PLL Q Value
0000: Q = 16
0001: Q = 17
0010: Q = 2
0011: Q = 3
0100: Q = 4

1110: Q = 14
1111: Q = 15
D2–D0 R/W 000 PLL P Value
000: P = 8
001: P = 1
010: P = 2
011: P = 3
100: P = 4
101: P = 5
110: P = 6
111: P = 7

Table 5. Page 0, Register 4: PLL Programming Register B

BIT READ/
WRITE
RESET
VALUE
DESCRIPTION
D7–D2 R/W 0000 01 PLL J Value
0000 00: Reserved. Do not write this sequence to these register bits.
0000 01: J = 1
0000 10: J = 2
0000 11: J = 3

1111 10: J = 62
1111 11: J = 63
D1–D0 R/W 00 Reserved. Write only zeros to these bits.

Table 6. Page 0, Register 5: PLL Programming Register C

BIT(1) READ/
WRITE
RESET
VALUE
DESCRIPTION
D7–D0 R/W 0000 0000 PLL D value – Eight most-significant bits of a 14-bit unsigned integer. Valid values for D are from zero to 9999, represented by a 14-bit integer located in page 0, registers 5–6. Values must not be written into these registers that would result in a D value outside the valid range.
Note that whenever the D value is changed, register 5 must be written, immediately followed by register 6. Even if only the MSB or LSB of the value changes, both registers must be written.

Table 7. Page 0, Register 6: PLL Programming Register D

BIT READ/
WRITE
RESET
VALUE
DESCRIPTION
D7–D2 R/W 0000 00 PLL D value – Six least-significant bits of a 14-bit unsigned integer. Valid values for D are from zero to 9999, represented by a 14-bit integer located in page 0, registers 5–6. Values must not be written into these registers that would result in a D value outside the valid range.
D1–D0 R 00 Reserved. Write only zeros to these bits.

Table 8. Page 0, Register 7: Codec Data-Path Setup Register

BIT READ/
WRITE
RESET
VALUE
DESCRIPTION
D7 R/W 0 fS(ref) Setting
This register setting controls timers related to the AGC time constants.
0: fS(ref) = 48 kHz
1: fS(ref) = 44.1 kHz
D6 R/W 0 ADC Dual Rate Control
0: ADC dual-rate mode is disabled.
1: ADC dual-rate mode is enabled.
Note: ADC dual-rate mode must match DAC dual-rate mode.
D5 R/W 0 DAC Dual Rate Control
0: DAC dual rate mode is disabled.
1: DAC dual rate mode is enabled.
D4–D3 R/W 00 Left-DAC Data-Path Control
00: Left-DAC data path is off (muted).
01: Left-DAC data path plays left-channel input data.
10: Left-DAC data path plays right-channel input data.
11: Left-DAC data path plays mono mix of left- and right-channel input data.
D2–D1 R/W 00 Right-DAC Data Path Control
00: Right-DAC data path is off (muted).
01: Right-DAC data path plays right-channel input data.
10: Right-DAC data path plays left-channel input data.
11: Right-DAC data path plays mono mix of left- and right-channel input data.
D0 R/W 0 Reserved. Write only zero to this bit.

Table 9. Page 0, Register 8: Audio Serial Data Interface Control Register A

BIT READ/
WRITE
RESET
VALUE
DESCRIPTION
D7 R/W 0 Bit Clock Directional Control
0: BCLK_x (or GPIO2_x if programmed as BCLK_x) is an input (slave mode).
1: BCLK_x (or GPIO2_x if programmed as BCLK_x) is an output (master mode).
D6 R/W 0 Word Clock Directional Control
0: WCLK_x (or GPIO1_x if programmed as WCLK_x) is an input (slave mode).
1: WCLK_x (or GPIO1_x if programmed as WCLK_x) is an output (master mode).
D5 R/W 0 Serial Output Data Driver (DOUT_x) 3-State Control
0: Do not place DOUT_x in high-impedance state when valid data is not being sent.
1: Place DOUT_x in high-impedance state when valid data is not being sent.
D4 R/W 0 Bit/ Word Clock Drive Control
0: BCLK_x (or GPIO2_x if programmed as BCLK_x) / WCLK_x (or GPIO1_x if programmed as WCLK_x) does not continue to be transmitted when running in master mode if codec is powered down.
1: BCLK_x (or GPIO2_x if programmed as BCLK_x) / WCLK_x (or GPIO1_x if programmed as WCLK_x) continues to be transmitted when running in master mode, even if codec is powered down.
D3 R/W 0 Reserved. Do not write to this register bit.
D2 R/W 0 3-D Effect Control
0: Disable 3-D digital effect processing.
1: Enable 3-D digital effect processing.
D1–D0 R/W 00 Digital Microphone Functionality Control
00: Digital microphone support is disabled.
01: Digital microphone support is enabled with an oversampling rate of 128.
10: Digital microphone support is enabled with an oversampling rate of 64.
11: Digital microphone support is enabled with an oversampling rate of 32.

Table 10. Page 0, Register 9: Audio Serial Data Interface Control Register B

BIT READ/
WRITE
RESET
VALUE
DESCRIPTION
D7–D6 R/W 00 Audio Serial Data Interface Transfer Mode
00: Serial data bus uses I2S mode.
01: Serial data bus uses DSP mode.
10: Serial data bus uses right-justified mode.
11: Serial data bus uses left-justified mode.
D5–D4 R/W 00 Audio Serial Data Word Length Control
00: Audio data word length = 16 bits
01: Audio data word length = 20 bits
10: Audio data word length = 24 bits
11: Audio data word length = 32 bits
D3 R/W 0 Bit Clock Rate Control
This register only has effect when bit clock is programmed as an output.
0: Continuous-transfer mode used to determine master-mode bit clock rate
1: 256-clock transfer mode used, resulting in 256 bit clocks per frame
D2 R/W 0 DAC Re-Sync
0: Don’t care
1: Re-sync stereo DAC with codec interface if the group delay changes by more than ±DAC (fS/4).
D1 R/W 0 ADC Re-Sync
0: Don’t care
1: Re-sync stereo ADC with codec interface if the group delay changes by more than ±ADC (fS/4).
D0 R/W 0 Re-Sync Mute Behavior
0: Re-sync is done without soft-muting the channel. (ADC/DAC)
1: Re-sync is done by internally soft-muting the channel. (ADC/DAC)

Table 11. Page 0, Register 10: Audio Serial Data Interface Control Register C

BIT READ/
WRITE
RESET
VALUE
DESCRIPTION
D7–D0 R/W 0000 0000 Audio Serial Data Word Offset Control
This register determines where valid data is placed or expected in each frame, by controlling the offset from the beginning of the frame where valid data begins. The offset is measured from the rising edge of the word clock when in DSP mode.
0000 0000: Data offset = 0 bit clocks
0000 0001: Data offset = 1 bit clock
0000 0010: Data offset = 2 bit clocks

Note: In continuous transfer mode, the maximum offset is 17 for I2S/LJF/RJF modes and 16 for DSP mode. In 256-clock mode, the maximum offset is 242 for I2S/LJF/RJF and 241 for DSP modes.
1111 1110: Data offset = 254 bit clocks
1111 1111: Data offset = 255 bit clocks

Table 12. Page 0, Register 11: Audio Codec Overflow Flag Register

BIT READ/
WRITE
RESET
VALUE
DESCRIPTION
D7 R 0 Left-ADC Overflow Flag
This is a sticky bit, so it stays set if an overflow occurs, even if the overflow condition is removed. The register bit is reset to 0 after it is read.
0: No overflow has occurred.
1: An overflow has occurred.
D6 R 0 Right-ADC Overflow Flag
This is a sticky bit, so it stays set if an overflow occurs, even if the overflow condition is removed. The register bit is reset to 0 after it is read.
0: No overflow has occurred.
1: An overflow has occurred.
D5 R 0 Left-DAC Overflow Flag
This is a sticky bit, so it stays set if an overflow occurs, even if the overflow condition is removed. The register bit is reset to 0 after it is read.
0: No overflow has occurred.
1: An overflow has occurred.
D4 R 0 Right DAC Overflow Flag
This is a sticky bit, so it stays set if an overflow occurs, even if the overflow condition is removed. The register bit is reset to 0 after it is read.
0: No overflow has occurred.
1: An overflow has occurred.
D3–D0 R/W 0001 PLL R Value
0000: R = 16
0001 : R = 1
0010 : R = 2
0011 : R = 3
0100 : R = 4

1110: R = 14
1111: R = 15

Table 13. Page 0, Register 12: Audio Codec Digital Filter Control Register

BIT READ/
WRITE
RESET
VALUE
DESCRIPTION
D7–D6 R/W 00 Left-ADC High-Pass Filter Control
00: Left-ADC high-pass filter disabled
01: Left-ADC high-pass filter –3-dB frequency = 0.0045 × ADC fS
10: Left-ADC high-pass filter –3-dB frequency = 0.0125 × ADC fS
11: Left-ADC high-pass filter –3-dB frequency = 0.025 × ADC fS
D5–D4 R/W 00 Right-ADC High-Pass Filter Control
00: Right-ADC high-pass filter disabled
01: Right-ADC high-pass filter –3-dB frequency = 0.0045 × ADC fS
10: Right-ADC high-pass filter –3-dB frequency = 0.0125 × ADC fS
11: Right-ADC high-pass filter –3-dB frequency = 0.025 × ADC fS
D3 R/W 0 Left-DAC Digital Effects Filter Control
0: Left-DAC digital effects filter disabled (bypassed)
1: Left-DAC digital effects filter enabled
D2 R/W 0 Left-DAC De-Emphasis Filter Control
0: Left-DAC de-emphasis filter disabled (bypassed)
1: Left-DAC de-emphasis filter enabled
D1 R/W 0 Right-DAC Digital Effects Filter Control
0: Right-DAC digital effects filter disabled (bypassed)
1: Right-DAC digital effects filter enabled
D0 R/W 0 Right-DAC De-Emphasis Filter Control
0: Right-DAC de-emphasis filter disabled (bypassed)
1: Right-DAC de-emphasis filter enabled

Table 14. Page 0, Register 13: Headset or Button Press Detection Register A

BIT READ/
WRITE
RESET
VALUE
DESCRIPTION
D7 R/W 0 Headset Detection Control
0: Headset detection disabled
1: Headset detection enabled
D6–D5 R 00 Headset Type Detection Results
00: No headset detected
01: Headset without microphone detected
10: Ignore (reserved)
11: Headset with microphone detected
D4–D2 R/W 000 Headset Glitch Suppression Debounce Control for Jack Detection
000: Debounce = 16 ms (sampled with 2-ms clock)
001: Debounce = 32 ms (sampled with 4-ms clock)
010: Debounce = 64 ms (sampled with 8-ms clock)
011: Debounce = 128 ms (sampled with 16-ms clock)
100: Debounce = 256 ms (sampled with 32-ms clock)
101: Debounce = 512 ms (sampled with 64-ms clock)
110–111: Reserved. Do not write these sequences to these register bits.
D1–D0 R/W 00 Headset Glitch Suppression Debounce Control for Button Press
00: Debounce = 0 ms
01: Debounce = 8 ms (sampled with 1-ms clock)
10: Debounce = 16 ms (sampled with 2-ms clock)
11: Debounce = 32 ms (sampled with 4-ms clock)

Table 15. Page 0, Register 14: Headset or Button Press Detection Register B

BIT READ/
WRITE
RESET
VALUE
DESCRIPTION
D7 R/W 0 Driver Capacitive Coupling
0: Programs high-power outputs for capless driver configuration
1: Programs high-power outputs for ac-coupled driver configuration
D6(1) R/W 0 Stereo Output Driver Configuration A
Note: Do not set bits D6 and D3 both high at the same time.
0: A stereo fully-differential output configuration is not being used.
1: A stereo fully-differential output configuration is being used.
D5 R 0 Button Press Detection Flag
This register is a sticky bit, and stays set to 1 after a button press has been detected, until the register is read. On reading this register, the bit is reset to zero.
0: A button press has not been detected.
1: A button press has been detected.
D4 R 0 Headset Detection Flag
0: A headset has not been detected.
1: A headset has been detected.
D3(1) R/W 0 Stereo Output Driver Configuration B
Note: Do not set bits D6 and D3 both high at the same time.
0: A stereo pseudodifferential output configuration is not being used.
1: A stereo pseudodifferential output configuration is being used.
D2–D0 R 000 Reserved. Write only zeros to these bits.
Do not set D6 and D3 to 1 simultaneously.

Table 16. Page 0, Register 15: Left-ADC PGA Gain Control Register

BIT READ/
WRITE
RESET
VALUE
DESCRIPTION
D7 R/W 1 Left-ADC PGA Mute
0: The left-ADC PGA is not muted.
1: The left-ADC PGA is muted.
D6–D0 R/W 000 0000 Left-ADC PGA Gain Setting
000 0000: Gain = 0 dB
000 0001: Gain = 0.5 dB
000 0010: Gain = 1 dB

111 0110: Gain = 59 dB
111 0111: Gain = 59.5 dB
111 1000: Gain = 59.5 dB

111 1111: Gain = 59.5 dB

Table 17. Page 0, Register 16: Right-ADC PGA Gain Control Register

BIT READ/
WRITE
RESET
VALUE
DESCRIPTION
D7 R/W 1 Right-ADC PGA Mute
0: The right-ADC PGA is not muted.
1: The right-ADC PGA is muted.
D6–D0 R/W 000 0000 Right-ADC PGA Gain Setting
000 0000: Gain = 0 dB
000 0001: Gain = 0.5 dB
000 0010: Gain = 1 dB

111 0110: Gain = 59 dB
111 0111: Gain = 59.5 dB
111 1000: Gain = 59.5 dB

111 1111: Gain = 59.5 dB

Table 18. Page 0, Register 17: MIC3L_x and MIC3R_x to Left-ADC Control Register

BIT READ/
WRITE
RESET
VALUE
DESCRIPTION
D7–D4 R/W 1111 MIC3L_x Input Level Control for Left-ADC PGA Mix
Setting the input level control to one of the following gains automatically connects MIC3L_x to the left-ADC PGA mix.
0000: Input level control gain = 0 dB
0001: Input level control gain = –1.5 dB
0010: Input level control gain = –3 dB
0011: Input level control gain = –4.5 dB
0100: Input level control gain = –6 dB
0101: Input level control gain = –7.5 dB
0110: Input level control gain = –9 dB
0111: Input level control gain = –10.5 dB
1000: Input level control gain = –12 dB
1001–1110: Reserved. Do not write these sequences to these register bits.
1111: MIC3L_x is not connected to the left-ADC PGA.
D3–D0 R/W 1111 MIC3R_x Input Level Control for Left-ADC PGA Mix
Setting the input level control to one of the following gains automatically connects MIC3R_x to the left-ADC PGA mix.
0000: Input level control gain = 0 dB
0001: Input level control gain = –1.5 dB
0010: Input level control gain = –3 dB
0011: Input level control gain = –4.5 dB
0100: Input level control gain = –6 dB
0101: Input level control gain = –7.5 dB
0110: Input level control gain = –9 dB
0111: Input level control gain = –10.5 dB
1000: Input level control gain = –12 dB
1001–1110: Reserved. Do not write these sequences to these register bits.
1111: MIC3R_x is not connected to the left-ADC PGA.

Table 19. Page 0, Register 18: MIC3L_x and MIC3R_x to Right-ADC Control Register

BIT READ/
WRITE
RESET
VALUE
DESCRIPTION
D7–D4 R/W 1111 MIC3L_x Input Level Control for Right-ADC PGA Mix
Setting the input level control to one of the following gains automatically connects MIC3L_x to the right-ADC PGA mix.
0000: Input level control gain = 0 dB
0001: Input level control gain = –1.5 dB
0010: Input level control gain = –3 dB
0011: Input level control gain = –4.5 dB
0100: Input level control gain = –6 dB
0101: Input level control gain = –7.5 dB
0110: Input level control gain = –9 dB
0111: Input level control gain = –10.5 dB
1000: Input level control gain = –12 dB
1001–1110: Reserved. Do not write these sequences to these register bits.
1111: MIC3L_x is not connected to the right-ADC PGA.
D3–D0 R/W 1111 MIC3R_x Input Level Control for Right-ADC PGA Mix
Setting the input level control to one of the following gains automatically connects MIC3R_x to the right-ADC PGA mix.
0000: Input level control gain = 0 dB
0001: Input level control gain = –1.5 dB
0010: Input level control gain = –3 dB
0011: Input level control gain = –4.5 dB
0100: Input level control gain = –6 dB
0101: Input level control gain = –7.5 dB
0110: Input level control gain = –9 dB
0111: Input level control gain = –10.5 dB
1000: Input level control gain = –12 dB
1001–1110: Reserved. Do not write these sequences to these register bits.
1111: MIC3R_x is not connected to the right-ADC PGA.

Table 20. Page 0, Register 19: LINE1LP_x, LINE1LP_x, and LINE1LM_xM_x to Left-ADC Control Register

BIT READ/
WRITE
RESET
VALUE
DESCRIPTION
D7 R/W 0 LINE1L Single-Ended versus Fully Differential Control
If LINE1L is selected to both left- and right-ADC channels, both connections must use the same configuration (single-ended or fully differential mode).
0: LINE1L is configured in single-ended mode.
1: LINE1L is configured in fully differential mode.
D6–D3 R/W 1111 LINE1L Input Level Control for Left-ADC PGA Mix
Setting the input level control to one of the following gains automatically connects LINE1L to the left-ADC PGA mix.
0000: Input level control gain = 0 dB
0001: Input level control gain = –1.5 dB
0010: Input level control gain = –3 dB
0011: Input level control gain = –4.5 dB
0100: Input level control gain = –6 dB
0101: Input level control gain = –7.5 dB
0110: Input level control gain = –9 dB
0111: Input level control gain = –10.5 dB
1000: Input level control gain = –12 dB
1001–1110: Reserved. Do not write these sequences to these register bits.
1111: LINE1L is not connected to the left-ADC PGA.
D2 R/W 0 Left-ADC Channel Power Control
0: Left-ADC channel is powered down.
1: Left-ADC channel is powered up.
D1–D0 R/W 00 Left-ADC PGA Soft-Stepping Control
00: Left-ADC PGA soft-stepping at once per sample period
01: Left-ADC PGA soft-stepping at once per two ηe periods
10–11: Left-ADC PGA soft-stepping is disabled.

Table 21. Page 0, Register 20: LINE2LP_x and LINE2LM_x to Left-ADC Control Register

BIT READ/
WRITE
RESET
VALUE
DESCRIPTION
D7 R/W 0 LINE2L Single-Ended versus Fully Differential Control (1)
If LINE2L is selected to both left- and right-ADC channels, both connections must use the same configuration (single-ended or fully differential mode).
0: LINE2L is configured in single-ended mode.
1: LINE2L is configured in fully differential mode.
D6–D3 R/W 1111 LINE2L Input Level Control for Left-ADC PGA Mix
Setting the input level control to one of the following gains automatically connects LINE2L to the left-ADC PGA mix.
0000: Input level control gain = 0 dB
0001: Input level control gain = –1.5 dB
0010: Input level control gain = –3 dB
0011: Input level control gain = –4.5 dB
0100: Input level control gain = –6 dB
0101: Input level control gain = –7.5 dB
0110: Input level control gain = –9 dB
0111: Input level control gain = –10.5 dB
1000: Input level control gain = –12 dB
1001–1110: Reserved. Do not write these sequences to these register bits.
1111: LINE2L is not connected to the left-ADC PGA.
D2 R/W 0 Left-ADC Channel Weak Common-Mode Bias Control
0: Left-ADC channel unselected inputs are not biased weakly to the ADC common-mode voltage.
1: Left-ADC channel unselected inputs are biased weakly to the ADC common-mode voltage.
D1–D0 R 00 Reserved. Write only zeros to these register bits.
LINE1R single-ended versus fully differential control is available for both left and right channels. However, this setting must be same for both the channels.

Table 22. Page 0, Register 21: LINE1RP_x and LINE1RM_x to Left-ADC Control Register

BIT READ/
WRITE
RESET
VALUE
DESCRIPTION
D7 R/W 0 LINE1R Single-Ended versus Fully Differential Control
If LINE1R is selected to both left- and right-ADC channels, both connections must use the same configuration (single-ended or fully differential mode).
0: LINE1R is configured in single-ended mode.
1: LINE1R is configured in fully differential mode.
D6–D3 R/W 1111 LINE1R Input Level Control for Left-ADC PGA Mix
Setting the input level control to one of the following gains automatically connects LINE1R to the left-ADC PGA mix.
0000: Input level control gain = 0 dB
0001: Input level control gain = –1.5 dB
0010: Input level control gain = –3 dB
0011: Input level control gain = –4.5 dB
0100: Input level control gain = –6 dB
0101: Input level control gain = –7.5 dB
0110: Input level control gain = –9 dB
0111: Input level control gain = –10.5 dB
1000: Input level control gain = –12 dB
1001–1110: Reserved. Do not write these sequences to these register bits.
1111: LINE1R is not connected to the left-ADC PGA.
D2–D0 R 000 Reserved. Write only zeros to these register bits.

Table 23. Page 0, Register 22: LINE1RP_x and LINE1RM_x to Right-ADC Control Register

BIT READ/
WRITE
RESET
VALUE
DESCRIPTION
D7 R/W 0 LINE1R Single-Ended versus Fully Differential Control
If LINE1R is selected to both left- and right-ADC channels, both connections must use the same configuration (single-ended or fully differential mode).
0: LINE1R is configured in single-ended mode.
1: LINE1R is configured in fully differential mode.
D6–D3 R/W 1111 LINE1R Input Level Control for Right-ADC PGA Mix
Setting the input level control to one of the following gains automatically connects LINE1R to the right-ADC PGA mix.
0000: Input level control gain = 0 dB
0001: Input level control gain = –1.5 dB
0010: Input level control gain = –3 dB
0011: Input level control gain = –4.5 dB
0100: Input level control gain = –6 dB
0101: Input level control gain = –7.5 dB
0110: Input level control gain = –9 dB
0111: Input level control gain = –10.5 dB
1000: Input level control gain = –12 dB
1001–1110: Reserved. Do not write these sequences to these register bits.
1111: LINE1R is not connected to the right-ADC PGA.
D2 R/W 0 Right-ADC Channel Power Control
0: Right-ADC channel is powered down.
1: Right-ADC channel is powered up.
D1–D0 R/W 00 Right-ADC PGA Soft-Stepping Control
00: Right-ADC PGA soft-stepping at once per sample period
01: Right-ADC PGA soft-stepping at once per two sample periods
10–11: Right-ADC PGA soft-stepping is disabled.

Table 24. Page 0, Register 23: LINE2RP_x and LINE2RM_x to Right-ADC Control Register

BIT READ/
WRITE
RESET
VALUE
DESCRIPTION
D7 R/W 0 LINE2R Single-Ended versus Fully Differential Control
If LINE2R is selected to both left- and right-ADC channels, both connections must use the same configuration (single-ended or fully differential mode).
0: LINE2R is configured in single-ended mode.
1: LINE2R is configured in fully differential mode.
D6–D3 R/W 1111 LINE2R Input Level Control for Right-ADC PGA Mix
Setting the input level control to one of the following gains automatically connects LINE2R to the right-ADC PGA mix.
0000: Input level control gain = 0 dB
0001: Input level control gain = –1.5 dB
0010: Input level control gain = –3 dB
0011: Input level control gain = –4.5 dB
0100: Input level control gain = –6 dB
0101: Input level control gain = –7.5-dB
0110: Input level control gain = –9 dB
0111: Input level control gain = –10.5 dB
1000: Input level control gain = –12 dB
1001–1110: Reserved. Do not write these sequences to these register bits.
1111: LINE2R is not connected to the right-ADC PGA.
D2 R/W 0 Right-ADC Channel Weak Common-Mode Bias Control
0: Right-ADC channel unselected inputs are not biased weakly to the ADC common-mode voltage.
1: Right-ADC channel unselected inputs are biased weakly to the ADC common-mode voltage.
D1–D0 R 00 Reserved. Write only zeros to these register bits.

Table 25. Page 0, Register 24: LINE1LP_x and LINE1LM_x to Right-ADC Control Register

BIT READ/
WRITE
RESET
VALUE
DESCRIPTION
D7 R/W 0 LINE1L Single-Ended versus Fully Differential Control
If LINE1L is selected to both left- and right-ADC channels, both connections must use the same configuration (single-ended or fully differential mode).
0: LINE1L is configured in single-ended mode.
1: LINE1L is configured in fully differential mode.
D6–D3 R/W 1111 LINE1L Input Level Control for Right-ADC PGA Mix
Setting the input level control to one of the following gains automatically connects LINE1L to the right-ADC PGA mix.
0000: Input level control gain = 0 dB
0001: Input level control gain = –1.5 dB
0010: Input level control gain = –3 dB
0011: Input level control gain = –4.5 dB
0100: Input level control gain = –6 dB
0101: Input level control gain = –7.5 dB
0110: Input level control gain = –9 dB
0111: Input level control gain = –10.5 dB
1000: Input level control gain = –12 dB
1001–1110: Reserved. Do not write these sequences to these register bits.
1111: LINE1L is not connected to the right-ADC PGA.
D2–D0 R 000 Reserved. Write only zeros to these register bits.

Table 26. Page 0, Register 25: MICBIAS_x Control Register

BIT READ/
WRITE
RESET
VALUE
DESCRIPTION
D7–D6 R/W 00 MICBIAS_x Level Control
00: MICBIAS_x output is powered down.
01: MICBIAS_x output is powered to 2 V.
10: MICBIAS_x output is powered to 2.5 V.
11: MICBIAS_x output is connected to AVDD.
D5–D4 R/W 00 Digital Microphone Control
00: If digital MIC is enabled, both left and right digital MICs are available.
01: If digital MIC is enabled, left digital MIC and right ADC are available.
10: If digital MIC is enabled, left ADC and right digital MIC are available.
11: Reserved. Do not write this sequence to these register bits.
D3 R 0 Reserved. Do not write to this register bit.
D2–D0 R XXX Reserved. Write only zeros to these register bits.

Table 27. Page 0, Register 26: Left-AGC Control Register A

BIT READ/
WRITE
RESET
VALUE
DESCRIPTION
D7 R/W 0 Left-AGC Enable
0: Left AGC is disabled.
1: Left AGC is enabled.
D6–D4 R/W 000 Left-AGC Target Level
000: Left-AGC target level = –5.5 dB
001: Left-AGC target level = –8 dB
010: Left-AGC target level = –10 dB
011: Left-AGC target level = –12 dB
100: Left-AGC target level = –14 dB
101: Left-AGC target level = –17 dB
110: Left-AGC target level = –20 dB
111: Left-AGC target level = –24 dB
D3–D2 R/W 00 Left-AGC Attack Time
These time constants(1) are not accurate when double-rate audio mode is enabled.
00: Left-AGC attack time = 8 ms
01: Left-AGC attack time = 11 ms
10: Left-AGC attack time = 16 ms
11: Left-AGC attack time = 20 ms
D1–D0 R/W 00 Left-AGC Decay Time
These time constants(1) are not accurate when double-rate audio mode is enabled.
00: Left-AGC decay time = 100 ms
01: Left-AGC decay time = 200 ms
10: Left-AGC decay time = 400 ms
11: Left-AGC decay time = 500 ms
Time constants are valid when double-rate audio is not enabled. The values would change if double-rate audio is enabled.

Table 28. Page 0, Register 27: Left-AGC Control Register B

BIT READ/
WRITE
RESET
VALUE
DESCRIPTION
D7–D1 R/W 1111 111 Left-AGC Maximum Gain Allowed
0000 000: Maximum gain = 0 dB
0000 001: Maximum gain = 0.5 dB
0000 010: Maximum gain = 1 dB

1110 110: Maximum gain = 59 dB
1110 111–1111 111: Maximum gain = 59.5 dB
D0 R/W 0 Reserved. Write only zero to this register bit.

Table 29. Page 0, Register 28: Left-AGC Control Register C

BIT READ/
WRITE
RESET
VALUE
DESCRIPTION
D7–D6 R/W 00 Noise Gate Hysteresis Level Control
00: Hysteresis = 1 dB
01: Hysteresis = 2 dB
10: Hysteresis = 3 dB
11: Hysteresis is disabled.
D5–D1 R/W 00 000 Left-AGC Noise Threshold Control
00 000: Left-AGC noise/silence detection disabled
00 001: Left-AGC noise threshold = –30 dB
00 010: Left-AGC noise threshold = –32 dB
00 011: Left-AGC noise threshold = –34 dB

11 101: Left-AGC noise threshold = –86 dB
11 110: Left-AGC noise threshold = –88 dB
11 111: Left-AGC noise threshold = –90 dB
D0 R/W 0 Left-AGC Clip Stepping Control
0: Left-AGC clip stepping disabled
1: Left-AGC clip stepping enabled

Table 30. Page 0, Register 29: Right-AGC Control Register A

BIT READ/
WRITE
RESET
VALUE
DESCRIPTION
D7 R/W 0 Right-AGC Enable
0: Right AGC is disabled.
1: Right AGC is enabled.
D6–D4 R/W 000 Right-AGC Target Level
000: Right-AGC target level = –5.5 dB
001: Right-AGC target level = –8 dB
010: Right-AGC target level = –10 dB
011: Right-AGC target level = –12 dB
100: Right-AGC target level = –14 dB
101: Right-AGC target level = –17 dB
110: Right-AGC target level = –20 dB
111: Right-AGC target level = –24 dB
D3–D2 R/W 00 Right-AGC Attack Time
These time constants are not accurate when double-rate audio mode is enabled.
00: Right-AGC attack time = 8 ms
01: Right-AGC attack time = 11 ms
10: Right-AGC attack time = 16 ms
11: Right-AGC attack time = 20 ms
D1–D0 R/W 00 Right-AGC Decay Time
These time constants are not accurate when double-rate audio mode is enabled.
00: Right-AGC decay time = 100 ms
01: Right-AGC decay time = 200 ms
10: Right-AGC decay time = 400 ms
11: Right-AGC decay time = 500 ms

Table 31. Page 0, Register 30: Right-AGC Control Register B

BIT READ/
WRITE
RESET
VALUE
DESCRIPTION
D7–D1 R/W 1111 111 Right-AGC Maximum Gain Allowed
0000 000: Maximum gain = 0 dB
0000 001: Maximum gain = 0.5 dB
0000 010: Maximum gain = 1 dB

1110 110: Maximum gain = 59 dB
1110 111–1111 111: Maximum gain = 59.5 dB
D0 R/W 0 Reserved. Write only zero to this register bit.

Table 32. Page 0, Register 31: Right-AGC Control Register C

BIT READ/
WRITE
RESET
VALUE
DESCRIPTION
D7–D6 R/W 00 Noise Gate Hysteresis Level Control
00: Hysteresis = 1 dB
01: Hysteresis = 2 dB
10: Hysteresis = 3 dB
11: Hysteresis is disabled.
D5–D1 R/W 00 000 Right-AGC Noise Threshold Control
00 000: Right-AGC noise/silence detection disabled
00 001: Right-AGC noise threshold = –30 dB
00 010: Right-AGC noise threshold = –32 dB
00 011: Right-AGC noise threshold = –34 dB

11 101: Right-AGC noise threshold = –86 dB
11 110: Right-AGC noise threshold = –88 dB
11 111: Right-AGC noise threshold = –90 dB
D0 R/W 0 Right-AGC Clip Stepping Control
0: Right-AGC clip stepping disabled
1: Right-AGC clip stepping enabled

Table 33. Page 0, Register 32: Left-AGC Gain Register

BIT READ/
WRITE
RESET
VALUE
DESCRIPTION
D7–D0 R 0000 0000 Left-Channel Gain Applied by AGC Algorithm
1110 1000: Gain = –12 dB
1110 1001: Gain = –11.5 dB
1110 1010: Gain = –11 dB

0000 0000: Gain = 0 dB
0000 0001: Gain = 0.5 dB

0111 0110: Gain = 59 dB
0111 0111: Gain = 59.5 dB

Table 34. Page 0, Register 33: Right-AGC Gain Register

BIT READ/
WRITE
RESET
VALUE
DESCRIPTION
D7–D0 R 0000 0000 Right-Channel Gain Applied by AGC Algorithm
1110 1000: Gain = –12 dB
1110 1001: Gain = –11.5 dB
1110 1010: Gain = –11 dB

0000 0000: Gain = 0 dB
0000 0001: Gain = 0.5 dB

0111 0110: Gain = 59 dB
0111 0111: Gain = 59.5 dB

Table 35. Page 0, Register 34: Left-AGC Noise Gate Debounce Register

BIT READ/
WRITE
RESET
VALUE
DESCRIPTION
D7–D3 R/W 0000 0 Left-AGC Noise Detection Debounce Control
These times(1) are not accurate when double-rate audio mode is enabled.
0000 0: Debounce = 0 ms
0000 1: Debounce = 0.5 ms
0001 0: Debounce = 1 ms
0001 1: Debounce = 2 ms
0010 0: Debounce = 4 ms
0010 1: Debounce = 8 ms
0011 0: Debounce = 16 ms
0011 1: Debounce = 32 ms
0100 0: Debounce = 64 × 1 = 64 ms
0100 1: Debounce = 64 × 2 = 128 ms
0101 0: Debounce = 64 × 3 = 192 ms

1111 0: Debounce = 64 × 23 = 1,472 ms
1111 1: Debounce = 64 × 24 = 1,536 ms
D2–D0 R/W 000 Left-AGC Signal Detection Debounce Control
These times(1) are not accurate when double-rate audio mode is enabled.
000: Debounce = 0 ms
001: Debounce = 0.5 ms
010: Debounce = 1 ms
011: Debounce = 2 ms
100: Debounce = 4 ms
101: Debounce = 8 ms
110: Debounce = 16 ms
111: Debounce = 32 ms
Time constants are valid when double-rate audio is not enabled. The values change when double-rate audio is enabled.

Table 36. Page 0, Register 35: Right-AGC Noise Gate Debounce Register

BIT READ/
WRITE
RESET
VALUE
DESCRIPTION
D7–D3 R/W 0000 0 Right-AGC Noise Detection Debounce Control
These times(1) are not accurate when double-rate audio mode is enabled.
0000 0: Debounce = 0 ms
0000 1: Debounce = 0.5 ms
0001 0: Debounce = 1 ms
0001 1: Debounce = 2 ms
0010 0: Debounce = 4 ms
0010 1: Debounce = 8 ms
0011 0: Debounce = 16 ms
0011 1: Debounce = 32 ms
0100 0: Debounce = 64 × 1 = 64 ms
0100 1: Debounce = 64 × 2 = 128 ms
0101 0: Debounce = 64 × 3 = 192 ms

1111 0: Debounce = 64 × 23 = 1,472 ms
1111 1: Debounce = 64 × 24 = 1,536 ms
D2–D0 R/W 000 Right-AGC Signal Detection Debounce Control
These times(1) are not accurate when double-rate audio mode is enabled.
000: Debounce = 0 ms
001: Debounce = 0.5 ms
010: Debounce = 1 ms
011: Debounce = 2 ms
100: Debounce = 4 ms
101: Debounce = 8 ms
110: Debounce = 16 ms
111: Debounce = 32 ms
Time constants are valid when DRA is not enabled. The values change when DRA is enabled.

Table 37. Page 0, Register 36: ADC Flag Register

BIT READ/
WRITE
RESET
VALUE
DESCRIPTION
D7 R 0 Left-ADC PGA Status
0: Applied gain and programmed gain are not the same.
1: Applied gain = programmed gain
D6 R 0 Left-ADC Power Status
0: Left ADC is in a power-down state.
1: Left ADC is in a power-up state.
D5 R 0 Left-AGC Signal Detection Status
0: Signal power is greater than noise threshold.
1: Signal power is less than noise threshold.
D4 R 0 Left-AGC Saturation Flag
0: Left AGC is not saturated.
1: Left-AGC gain applied = maximum allowed gain for left AGC
D3 R 0 Right-ADC PGA Status
0: Applied gain and programmed gain are not the same.
1: Applied gain = programmed gain
D2 R 0 Right-ADC Power Status
0: Right ADC is in a power-down state.
1: Right ADC is in a power-up state.
D1 R 0 Right-AGC Signal Detection Status
0: Signal power is greater than noise threshold.
1: Signal power is less than noise threshold.
D0 R 0 Right-AGC Saturation Flag
0: Right AGC is not saturated.
1: Right-AGC gain applied = maximum allowed gain for right AGC

Table 38. Page 0, Register 37: DAC Power and Output Driver Control Register

BIT READ/
WRITE
RESET
VALUE
DESCRIPTION
D7 R/W 0 Left-DAC Power Control
0: Left DAC is not powered up.
1: Left DAC is powered up.
D6 R/W 0 Right-DAC Power Control
0: Right DAC is not powered up.
1: Right DAC is powered up.
D5–D4 R/W 00 HPLCOM_x Output Driver Configuration Control
00: HPLCOM_x configured as differential of HPLOUT_x
01: HPLCOM_x configured as constant VCM output
10: HPLCOM_x configured as independent single-ended output
11: Reserved. Do not write this sequence to these register bits.
D3–D0 R 0000 Reserved. Write only zeros to these register bits.

Table 39. Page 0, Register 38: High-Power Output Driver Control Register

BIT READ/
WRITE
RESET
VALUE
DESCRIPTION
D7–D6 R 00 Reserved. Write only zeros to these register bits.
D5–D3 R/W 000 HPRCOM_x Output Driver Configuration Control
000: HPRCOM_x configured as differential of HPROUT_x
001: HPRCOM_x configured as constant VCM output
010: HPRCOM_x configured as independent single-ended output
011: HPRCOM_x configured as differential of HPLCOM_x
100: HPRCOM_x configured as external feedback with HPLCOM_x as constant VCM output
101–111: Reserved. Do not write these sequences to these register bits.
D2 R/W 0 Short-Circuit Protection Control
0: Short-circuit protection on all high-power output drivers is disabled.
1: Short-circuit protection on all high-power output drivers is enabled.
D1 R/W 0 Short-Circuit Protection-Mode Control
0: If short-circuit protection is enabled, it limits the maximum current to the load.
1: If short-circuit protection is enabled, it powers down the output driver automatically when a short is detected.
D0 R 0 Reserved. Write only zero to this register bit.

Table 40. Page 0, Register 39: Reserved Register

BIT READ/
WRITE
RESET
VALUE
DESCRIPTION
D7–D0 R 0000 0000 Reserved. Do not write to this register.

Table 41. Page 0, Register 40: High-Power Output Stage Control Register

BIT READ/
WRITE
RESET
VALUE
DESCRIPTION
D7–D6 R/W 00 Output Common-Mode Voltage Control
00: Output common-mode voltage = 1.35 V
01: Output common-mode voltage = 1.5 V
10: Output common-mode voltage = 1.65 V
11: Output common-mode voltage = 1.8 V
D5–D4 R/W 00 LINE2L Bypass Path Control
00: LINE2L bypass is disabled.
01: LINE2L bypass uses LINE2LP_x single-ended.
10: LINE2L bypass uses LINE2LM_x single-ended.
11: LINE2L bypass uses LINE2LP_x and LINE2LM_x differentially.
D3–D2 R/W 00 LINE2R Bypass Path Control
00: LINE2R bypass is disabled.
01: LINE2R bypass uses LINE2RP_x single-ended.
10: LINE2R bypass uses LINE2RM_x single-ended.
11: LINE2R bypass uses LINE2RP_x and LINE2RM_x differentially.
D1–D0 R/W 00 Output Volume Control Soft-Stepping
00: Output soft-stepping = one step per sample period
01: Output soft-stepping = one step per two sample periods
10: Output soft-stepping disabled
11: Reserved. Do not write this sequence to these register bits.

Table 42. Page 0, Register 41: DAC Output Switching Control Register

BIT READ/
WRITE
RESET
VALUE
DESCRIPTION
D7–D6 R/W 00 Left-DAC Output Switching Control
00: Left-DAC output selects DAC_L1 path.
01: Left-DAC output selects DAC_L3 path to left line output driver.
10: Left-DAC output selects DAC_L2 path to left high-power output drivers.
11: Reserved. Do not write this sequence to these register bits.
D5–D4 R/W 00 Right-DAC Output Switching Control
00: Right-DAC output selects DAC_R1 path.
01: Right-DAC output selects DAC_R3 path to right line output driver.
10: Right-DAC output selects DAC_R2 path to right high-power output drivers.
11: Reserved. Do not write this sequence to these register bits.
D3–D2 R/W 00 Reserved. Write only zeros to these bits.
D1–D0 R/W 00 DAC Digital Volume Control Functionality
00: Left- and right-DAC channels have independent volume controls.
01: Left-DAC volume follows the right-channel control register.
10: Right-DAC volume follows the left-channel control register.
11: Left- and right-DAC channels have independent volume controls (same as 00).

Table 43. Page 0, Register 42: Output Driver Pop Reduction Register

BIT READ/
WRITE
RESET
VALUE
DESCRIPTION
D7–D4 R/W 0000 Output Driver Power-On Delay Control
0000: Driver power-on time = 0 µs
0001: Driver power-on time = 10 µs
0010: Driver power-on time = 100 µs
0011: Driver power-on time = 1 ms
0100: Driver power-on time = 10 ms
0101: Driver power-on time = 50 ms
0110: Driver power-on time = 100 ms
0111: Driver power-on time = 200 ms
1000: Driver power-on time = 400 ms
1001: Driver power-on time = 800 ms
1010: Driver power-on time = 2 s
1011: Driver power-on time = 4 s
1100–1111: Reserved. Do not write these sequences to these register bits.
D3–D2 R/W 00 Driver Ramp-Up Step Timing Control
00: Driver ramp-up step time = 0 ms
01: Driver ramp-up step time = 1 ms
10: Driver ramp-up step time = 2 ms
11: Driver ramp-up step time = 4 ms
D1 R/W 0 Weak Output Common-Mode Voltage Control
0: Weakly driven output common-mode voltage is generated from resistor divider off the AVDD supply.
1: Weakly driven output common-mode voltage is generated from band-gap reference.
D0 R/W 0 Reserved. Write only zero to this register bit.

Table 44. Page 0, Register 43: Left-DAC Digital Volume Control Register

BIT READ/
WRITE
RESET
VALUE
DESCRIPTION
D7 R/W 1 Left-DAC Digital Mute
0: The left-DAC channel is not muted.
1: The left-DAC channel is muted.
D6–D0 R/W 000 0000 Left-DAC Digital Volume Control Setting
000 0000: Gain = 0 dB
000 0001: Gain = –0.5 dB
000 0010: Gain = –1 dB

111 1101: Gain = –62.5 dB
111 1110: Gain = –63 dB
111 1111: Gain = –63.5 dB

Table 45. Page 0, Register 44: Right-DAC Digital Volume Control Register

BIT READ/
WRITE
RESET
VALUE
DESCRIPTION
D7 R/W 1 Right-DAC Digital Mute
0: The right-DAC channel is not muted.
1: The right-DAC channel is muted.
D6–D0 R/W 000 0000 Right-DAC Digital Volume Control Setting
000 0000: Gain = 0 dB
000 0001: Gain = –0.5 dB
000 0010: Gain = –1 dB

111 1101: Gain = –62.5 dB
111 1110: Gain = –63 dB
111 1111: Gain = –63.5 dB

Table 46. Page 0, Register 45: LINE2LP_x and LINE2LM_x to HPLOUT_x Volume Control Register

BIT READ/
WRITE
RESET
VALUE
DESCRIPTION
D7 R/W 0 LINE2LP_x and LINE2LM_x Output Routing Control
0: LINE2LP_x and LINE2LM_x is not routed to HPLOUT_x.
1: LINE2LP_x and LINE2LM_x is routed to HPLOUT_x.
D6–D0 R/W 000 0000 LINE2LP_x and LINE2LM_x to HPLOUT_x Analog Volume Control
For 7-bit register setting versus analog gain values, see Table 6.

Table 47. Page 0, Register 46: PGA_LP_x and PGA_LM_x to HPLOUT_x Volume Control Register

BIT READ/
WRITE
RESET
VALUE
DESCRIPTION
D7 R/W 0 PGA_LP_x and PGA_LM_x Output Routing Control
0: PGA_LP_x and PGA_LM_x is not routed to HPLOUT_x.
1: PGA_LP_x and PGA_LM_x is routed to HPLOUT_x.
D6–D0 R/W 000 0000 PGA_LP_x and PGA_LM_x to HPLOUT_x Analog Volume Control
For 7-bit register setting versus analog gain values, see Table 6.

Table 48. Page 0, Register 47: DAC_L1 to HPLOUT_x Volume Control Register

BIT READ/
WRITE
RESET
VALUE
DESCRIPTION
D7 R/W 0 DAC_L1 Output Routing Control
0: DAC_L1 is not routed to HPLOUT_x.
1: DAC_L1 is routed to HPLOUT_x.
D6–D0 R/W 000 0000 DAC_L1 to HPLOUT_x Analog Volume Control
For 7-bit register setting versus analog gain values, see Table 6.

Table 49. Page 0, Register 48: LINE2RP_x and LINE2RM_x to HPLOUT_x Volume Control Register

BIT READ/
WRITE
RESET
VALUE
DESCRIPTION
D7 R/W 0 LINE2RP_x and LINE2RM_x Output Routing Control
0: LINE2RP_x and LINE2RM_x is not routed to HPLOUT_x.
1: LINE2RP_x and LINE2RM_x is routed to HPLOUT_x.
D6–D0 R/W 000 0000 LINE2RP_x and LINE2RM_x to HPLOUT_x Analog Volume Control
For 7-bit register setting versus analog gain values, see Table 6.

Table 50. Page 0, Register 49: PGA_RP_x and PGA_RM_x to HPLOUT_x Volume Control Register

BIT READ/
WRITE
RESET
VALUE
DESCRIPTION
D7 R/W 0 PGA_RP_x and PGA_RM_x Output Routing Control
0: PGA_RP_x and PGA_RM_x is not routed to HPLOUT_x.
1: PGA_RP_x and PGA_RM_x is routed to HPLOUT_x.
D6–D0 R/W 000 0000 PGA_RP_x and PGA_RM_x to HPLOUT_x Analog Volume Control
For 7-bit register setting versus analog gain values, see Table 6.

Table 51. Page 0, Register 50: DAC_R1 to HPLOUT_x Volume Control Register

BIT READ/
WRITE
RESET
VALUE
DESCRIPTION
D7 R/W 0 DAC_R1 Output Routing Control
0: DAC_R1 is not routed to HPLOUT_x.
1: DAC_R1 is routed to HPLOUT_x.
D6–D0 R/W 000 0000 DAC_R1 to HPLOUT_x Analog Volume Control
For 7-bit register setting versus analog gain values, see Table 6.

Table 52. Page 0, Register 51: HPLOUT_x Output Level Control Register

BIT READ/
WRITE
RESET
VALUE
DESCRIPTION
D7–D4 R/W 0000 HPLOUT_x Output Level Control
0000: Output level control = 0 dB
0001: Output level control = 1 dB
0010: Output level control = 2 dB
...
1000: Output level control = 8 dB
1001: Output level control = 9 dB
1010–1111: Reserved. Do not write these sequences to these register bits.
D3 R/W 0 HPLOUT_x Mute
0: HPLOUT_x is muted.
1: HPLOUT_x is not muted.
D2 R/W 1 HPLOUT_x Power Down Drive Control
0: HPLOUT_x is weakly driven to a common mode when powered down.
1: HPLOUT_x is high-impedance when powered down.
D1 R 1 HPLOUT_x Volume Control Status
0: All programmed gains to HPLOUT_x have been applied.
1: Not all programmed gains to HPLOUT_x have been applied yet.
D0 R/W 0 HPLOUT_x Power Control
0: HPLOUT_x is not fully powered up.
1: HPLOUT_x is fully powered up.

Table 53. Page 0, Register 52: LINE2LP_x and LINE2LM_x to HPLCOM_x Volume Control Register

BIT READ/
WRITE
RESET
VALUE
DESCRIPTION
D7 R/W 0 LINE2LP_x and LINE2LM_x Output Routing Control
0: LINE2LP_x and LINE2LM_x is not routed to HPLCOM_x.
1: LINE2LP_x and LINE2LM_x is routed to HPLCOM_x.
D6–D0 R/W 000 0000 LINE2LP_x and LINE2LM_x to HPLCOM_x Analog Volume Control
For 7-bit register setting versus analog gain values, see Table 6.

Table 54. Page 0, Register 53: PGA_LP_x and PGA_LM_x to HPLCOM_x Volume Control Register

BIT READ/
WRITE
RESET
VALUE
DESCRIPTION
D7 R/W 0 PGA_LP_x and PGA_LM_x Output Routing Control
0: PGA_LP_x and PGA_LM_x is not routed to HPLCOM_x.
1: PGA_LP_x and PGA_LM_x is routed to HPLCOM_x.
D6–D0 R/W 000 0000 PGA_LP_x and PGA_LM_x to HPLCOM_x Analog Volume Control
For 7-bit register setting versus analog gain values, see Table 6.

Table 55. Page 0, Register 54: DAC_L1 to HPLCOM_x Volume Control Register

BIT READ/
WRITE
RESET
VALUE
DESCRIPTION
D7 R/W 0 DAC_L1 Output Routing Control
0: DAC_L1 is not routed to HPLCOM_x.
1: DAC_L1 is routed to HPLCOM_x.
D6–D0 R/W 000 0000 DAC_L1 to HPLCOM_x Analog Volume Control
For 7-bit register setting versus analog gain values, see Table 6.

Table 56. Page 0, Register 55: LINE2RP_x and LINE2RM_x to HPLCOM_x Volume Control Register

BIT READ/
WRITE
RESET
VALUE
DESCRIPTION
D7 R/W 0 LINE2RP_x and LINE2RM_x Output Routing Control
0: LINE2RP_x and LINE2RM_x is not routed to HPLCOM_x.
1: LINE2RP_x and LINE2RM_x is routed to HPLCOM_x.
D6–D0 R/W 000 0000 LINE2RP_x and LINE2RM_x to HPLCOM_x Analog Volume Control
For 7-bit register setting versus analog gain values, see Table 6.

Table 57. Page 0, Register 56: PGA_RP_x and PGA_RM_x to HPLCOM_x Volume Control Register

BIT READ/
WRITE
RESET
VALUE
DESCRIPTION
D7 R/W 0 PGA_RP_x and PGA_RM_x Output Routing Control
0: PGA_RP_x and PGA_RM_x is not routed to HPLCOM_x.
1: PGA_RP_x and PGA_RM_x is routed to HPLCOM_x.
D6–D0 R/W 000 0000 PGA_RP_x and PGA_RM_x to HPLCOM_x Analog Volume Control
For 7-bit register setting versus analog gain values, see Table 6.

Table 58. Page 0, Register 57: DAC_R1 to HPLCOM_x Volume Control Register

BIT READ/
WRITE
RESET
VALUE
DESCRIPTION
D7 R/W 0 DAC_R1 Output Routing Control
0: DAC_R1 is not routed to HPLCOM_x.
1: DAC_R1 is routed to HPLCOM_x.
D6–D0 R/W 000 0000 DAC_R1 to HPLCOM_x Analog Volume Control
For 7-bit register setting versus analog gain values, see Table 6.

Table 59. Page 0, Register 58: HPLCOM_x Output Level Control Register

BIT READ/
WRITE
RESET
VALUE
DESCRIPTION
D7–D4 R/W 0000 HPLCOM_x Output Level Control
0000: Output level control = 0 dB
0001: Output level control = 1 dB
0010: Output level control = 2 dB
...
1000: Output level control = 8 dB
1001: Output level control = 9 dB
1010–1111: Reserved. Do not write these sequences to these register bits.
D3 R/W 0 HPLCOM_x Mute
0: HPLCOM_x is muted.
1: HPLCOM_x is not muted.
D2 R/W 1 HPLCOM_x Power-Down Drive Control
0: HPLCOM_x is weakly driven to a common mode when powered down.
1: HPLCOM_x is high-impedance when powered down.
D1 R 1 HPLCOM_x Volume Control Status
0: All programmed gains to HPLCOM_x have been applied.
1: Not all programmed gains to HPLCOM_x have been applied yet.
D0 R/W 0 HPLCOM_x Power Control
0: HPLCOM_x is not fully powered up.
1: HPLCOM_x is fully powered up.

Table 60. Page 0, Register 59: LINE2LP_x and LINE2LM_x to HPROUT_x Volume Control Register

BIT READ/
WRITE
RESET
VALUE
DESCRIPTION
D7 R/W 0 LINE2LP_x and LINE2LM_x Output Routing Control
0: LINE2LP_x and LINE2LM_x is not routed to HPROUT_x.
1: LINE2LP_x and LINE2LM_x is routed to HPROUT_x.
D6–D0 R/W 000 0000 LINE2LP_x and LINE2LM_x to HPROUT_x Analog Volume Control
For 7-bit register setting versus analog gain values, see Table 6.

Table 61. Page 0, Register 60: PGA_LP_x and PGA_LM_x to HPROUT_x Volume Control Register

BIT READ/
WRITE
RESET
VALUE
DESCRIPTION
D7 R/W 0 PGA_LP_x and PGA_LM_x Output Routing Control
0: PGA_LP_x and PGA_LM_x is not routed to HPROUT_x.
1: PGA_LP_x and PGA_LM_x is routed to HPROUT_x.
D6–D0 R/W 000 0000 PGA_LP_x and PGA_LM_x to HPROUT_x Analog Volume Control
For 7-bit register setting versus analog gain values, see Table 6.

Table 62. Page 0, Register 61: DAC_L1 to HPROUT_x Volume Control Register

BIT READ/
WRITE
RESET
VALUE
DESCRIPTION
D7 R/W 0 DAC_L1 Output Routing Control
0: DAC_L1 is not routed to HPROUT_x.
1: DAC_L1 is routed to HPROUT_x.
D6–D0 R/W 000 0000 DAC_L1 to HPROUT_x Analog Volume Control
For 7-bit register setting versus analog gain values, see Table 6.

Table 63. Page 0, Register 62: LINE2RP_x and LINE2RM_x to HPROUT_x Volume Control Register

BIT READ/
WRITE
RESET
VALUE
DESCRIPTION
D7 R/W 0 LINE2RP_x and LINE2RM_x Output Routing Control
0: LINE2RP_x and LINE2RM_x is not routed to HPROUT_x.
1: LINE2RP_x and LINE2RM_x is routed to HPROUT_x.
D6–D0 R/W 000 0000 LINE2RP_x and LINE2RM_x to HPROUT_x Analog Volume Control
For 7-bit register setting versus analog gain values, see Table 6.

Table 64. Page 0, Register 63: PGA_RP_x and PGA_RM_x to HPROUT_x Volume Control Register

BIT READ/
WRITE
RESET
VALUE
DESCRIPTION
D7 R/W 0 PGA_RP_x and PGA_RM_x Output Routing Control
0: PGA_RP_x and PGA_RM_x is not routed to HPROUT_x.
1: PGA_RP_x and PGA_RM_x is routed to HPROUT_x.
D6–D0 R/W 000 0000 PGA_RP_x and PGA_RM_x to HPROUT_x Analog Volume Control
For 7-bit register setting versus analog gain values, see Table 6.

Table 65. Page 0, Register 64: DAC_R1 to HPROUT_x Volume Control Register

BIT READ/
WRITE
RESET
VALUE
DESCRIPTION
D7 R/W 0 DAC_R1 Output Routing Control
0: DAC_R1 is not routed to HPROUT_x.
1: DAC_R1 is routed to HPROUT_x.
D6–D0 R/W 000 0000 DAC_R1 to HPROUT_x Analog Volume Control
For 7-bit register setting versus analog gain values, see Table 6.

Table 66. Page 0, Register 65: HPROUT_x Output Level Control Register

BIT READ/
WRITE
RESET
VALUE
DESCRIPTION
D7–D4 R/W 0000 HPROUT_x Output Level Control
0000: Output level control = 0 dB
0001: Output level control = 1 dB
0010: Output level control = 2 dB
...
1000: Output level control = 8 dB
1001: Output level control = 9 dB
1010–1111: Reserved. Do not write these sequences to these register bits.
D3 R/W 0 HPROUT_x Mute
0: HPROUT_x is muted.
1: HPROUT_x is not muted.
D2 R/W 1 HPROUT_x Power-Down Drive Control
0: HPROUT_x is weakly driven to a common mode when powered down.
1: HPROUT_x is high-impedance when powered down.
D1 R 1 HPROUT_x Volume Control Status
0: All programmed gains to HPROUT_x have been applied.
1: Not all programmed gains to HPROUT_x have been applied yet.
D0 R/W 0 HPROUT_x Power Control
0: HPROUT_x is not fully powered up.
1: HPROUT_x is fully powered up.

Table 67. Page 0, Register 66: LINE2LP_x and LINE2LM_x to HPRCOM_x Volume Control Register

BIT READ/
WRITE
RESET
VALUE
DESCRIPTION
D7 R/W 0 LINE2LP_x and LINE2LM_x Output Routing Control
0: LINE2LP_x and LINE2LM_x is not routed to HPRCOM_x.
1: LINE2LP_x and LINE2LM_x is routed to HPRCOM_x.
D6–D0 R/W 000 0000 LINE2LP_x and LINE2LM_x to HPRCOM_x Analog Volume Control
For 7-bit register setting versus analog gain values, see Table 6.

Table 68. Page 0, Register 67: PGA_LP_x and PGA_LM_x to HPRCOM_x Volume Control Register

BIT READ/
WRITE
RESET
VALUE
DESCRIPTION
D7 R/W 0 PGA_LP_x and PGA_LM_x Output Routing Control
0: PGA_LP_x and PGA_LM_x is not routed to HPRCOM_x.
1: PGA_LP_x and PGA_LM_x is routed to HPRCOM_x.
D6–D0 R/W 000 0000 PGA_LP_x and PGA_LM_x to HPRCOM_x Analog Volume Control
For 7-bit register setting versus analog gain values, see Table 6.

Table 69. Page 0, Register 68: DAC_L1 to HPRCOM_x Volume Control Register

BIT READ/
WRITE
RESET
VALUE
DESCRIPTION
D7 R/W 0 DAC_L1 Output Routing Control
0: DAC_L1 is not routed to HPRCOM_x.
1: DAC_L1 is routed to HPRCOM_x.
D6–D0 R/W 000 0000 DAC_L1 to HPRCOM_x Analog Volume Control
For 7-bit register setting versus analog gain values, see Table 6.

Table 70. Page 0, Register 69: LINE2RP_x and LINE2RM_x to HPRCOM_x Volume Control Register

BIT READ/
WRITE
RESET
VALUE
DESCRIPTION
D7 R/W 0 LINE2RP_x and LINE2RM_x Output Routing Control
0: LINE2RP_x and LINE2RM_x is not routed to HPRCOM_x.
1: LINE2RP_x and LINE2RM_x is routed to HPRCOM_x.
D6–D0 R/W 000 0000 LINE2RP_x and LINE2RM_x to HPRCOM_x Analog Volume Control
For 7-bit register setting versus analog gain values, see Table 6.

Table 71. Page 0, Register 70: PGA_RP_x and PGA_RM_x to HPRCOM_x Volume Control Register

BIT READ/
WRITE
RESET
VALUE
DESCRIPTION
D7 R/W 0 PGA_RP_x and PGA_RM_x Output Routing Control
0: PGA_RP_x and PGA_RM_x is not routed to HPRCOM_x.
1: PGA_RP_x and PGA_RM_x is routed to HPRCOM_x.
D6–D0 R/W 000 0000 PGA_RP_x and PGA_RM_x to HPRCOM_x Analog Volume Control
For 7-bit register setting versus analog gain values, see Table 6.

Table 72. Page 0, Register 71: DAC_R1 to HPRCOM_x Volume Control Register

BIT READ/
WRITE
RESET
VALUE
DESCRIPTION
D7 R/W 0 DAC_R1 Output Routing Control
0: DAC_R1 is not routed to HPRCOM_x.
1: DAC_R1 is routed to HPRCOM_x.
D6–D0 R/W 000 0000 DAC_R1 to HPRCOM_x Analog Volume Control
For 7-bit register setting versus analog gain values, see Table 6.

Table 73. Page 0, Register 72: HPRCOM_x Output Level Control Register

BIT READ/
WRITE
RESET
VALUE
DESCRIPTION
D7–D4 R/W 0000 HPRCOM_x Output Level Control
0000: Output level control = 0 dB
0001: Output level control = 1 dB
0010: Output level control = 2 dB
...
1000: Output level control = 8 dB
1001: Output level control = 9 dB
1010–1111: Reserved. Do not write these sequences to these register bits.
D3 R/W 0 HPRCOM_x Mute
0: HPRCOM_x is muted.
1: HPRCOM_x is not muted.
D2 R/W 1 HPRCOM_x Power-Down Drive Control
0: HPRCOM_x is weakly driven to a common mode when powered down.
1: HPRCOM_x is high-impedance when powered down.
D1 R 1 HPRCOM_x Volume Control Status
0: All programmed gains to HPRCOM_x have been applied.
1: Not all programmed gains to HPRCOM_x have been applied yet.
D0 R/W 0 HPRCOM_x Power Control
0: HPRCOM_x is not fully powered up.
1: HPRCOM_x is fully powered up.

Table 74. Page 0, Register 73: LINE2LP_x and LINE2LM_x to MONO_LOP_x and MONO_LOM_x Volume Control Register

BIT READ/
WRITE
RESET
VALUE
DESCRIPTION
D7 R/W 0 LINE2LP_x and LINE2LM_x Output Routing Control
0: LINE2LP_x and LINE2LM_x is not routed to MONO_LOP_x and MONO_LOM_x.
1: LINE2LP_x and LINE2LM_x is routed to MONO_LOP_x and MONO_LOM_x.
D6–D0 R/W 000 0000 LINE2LP_x and LINE2LM_x to MONO_LOP_x and MONO_LOM_x Analog Volume Control
For 7-bit register setting versus analog gain values, see Table 6.

Table 75. Page 0, Register 74: PGA_LP_x and PGA_LM_x to MONO_LOP_x and MONO_LOM_x Volume Control Register

BIT READ/
WRITE
RESET
VALUE
DESCRIPTION
D7 R/W 0 PGA_LP_x and PGA_LM_x Output Routing Control
0: PGA_LP_x and PGA_LM_x is not routed to MONO_LOP_x and MONO_LOM_x.
1: PGA_LP_x and PGA_LM_x is routed to MONO_LOP_x and MONO_LOM_x.
D6–D0 R/W 000 0000 PGA_LP_x and PGA_LM_x to MONO_LOP_x and MONO_LOM_x Analog Volume Control
For 7-bit register setting versus analog gain values, see Table 6.

Table 76. Page 0, Register 75: DAC_L1 to MONO_LOP_x and MONO_LOM_x Volume Control Register

BIT READ/
WRITE
RESET
VALUE
DESCRIPTION
D7 R/W 0 DAC_L1 Output Routing Control
0: DAC_L1 is not routed to MONO_LOP_x and MONO_LOM_x.
1: DAC_L1 is routed to MONO_LOP_x and MONO_LOM_x.
D6–D0 R/W 000 0000 DAC_L1 to MONO_LOP_x and MONO_LOM_x Analog Volume Control
For 7-bit register setting versus analog gain values, see Table 6.

Table 77. Page 0, Register 76: LINE2RP_x and LINE2RM_x to MONO_LOP_x and MONO_LOM_x Volume Control Register

BIT READ/
WRITE
RESET
VALUE
DESCRIPTION
D7 R/W 0 LINE2RP_x and LINE2RM_x Output Routing Control
0: LINE2RP_x and LINE2RM_x is not routed to MONO_LOP_x and MONO_LOM_x.
1: LINE2RP_x and LINE2RM_x is routed to MONO_LOP_x and MONO_LOM_x.
D6–D0 R/W 000 0000 LINE2RP_x and LINE2RM_x to MONO_LOP_x and MONO_LOM_x Analog Volume Control
For 7-bit register setting versus analog gain values, see Table 6.

Table 78. Page 0, Register 77: PGA_RP_x and PGA_RM_x to MONO_LOP_x and MONO_LOM_x Volume Control Register

BIT READ/
WRITE
RESET
VALUE
DESCRIPTION
D7 R/W 0 PGA_RP_x and PGA_RM_x Output Routing Control
0: PGA_RP_x and PGA_RM_x is not routed to MONO_LOP_x and MONO_LOM_x.
1: PGA_RP_x and PGA_RM_x is routed to MONO_LOP_x and MONO_LOM_x.
D6–D0 R/W 000 0000 PGA_RP_x and PGA_RM_x to MONO_LOP_x and MONO_LOM_x Analog Volume Control
For 7-bit register setting versus analog gain values, see Table 6.

Table 79. Page 0, Register 78: DAC_R1 to MONO_LOP_x and MONO_LOM_x Volume Control Register

BIT READ/
WRITE
RESET
VALUE
DESCRIPTION
D7 R/W 0 DAC_R1 Output Routing Control
0: DAC_R1 is not routed to MONO_LOP_x and MONO_LOM_x.
1: DAC_R1 is routed to MONO_LOP_x and MONO_LOM_x.
D6–D0 R/W 000 0000 DAC_R1 to MONO_LOP_x and MONO_LOM_x Analog Volume Control
For 7-bit register setting versus analog gain values, see Table 6.

Table 80. Page 0, Register 79: MONO_LOP_x and MONO_LOM_x Output Level Control Register

BIT READ/
WRITE
RESET
VALUE
DESCRIPTION
D7–D4 R/W 0000 MONO_LOP_x and MONO_LOM_x Output Level Control
0000: Output level control = 0 dB
0001: Output level control = 1 dB
0010: Output level control = 2 dB
...
1000: Output level control = 8 dB
1001: Output level control = 9 dB
1010–1111: Reserved. Do not write these sequences to these register bits.
D3 R/W 0 MONO_LOP_x and MONO_LOM_x Mute
0: MONO_LOP_x and MONO_LOM_x is muted.
1: MONO_LOP_x and MONO_LOM_x is not muted.
D2 R 0 Reserved. Do not write to this register bit.
D1 R 1 MONO_LOP_x and MONO_LOM_x Volume Control Status
0: All programmed gains to MONO_LOP_x and MONO_LOM_x have been applied.
1: Not all programmed gains to MONO_LOP_x and MONO_LOM_x have been applied yet.
D0 R/W 0 MONO_LOP_x and MONO_LOM_x Power Status
0: MONO_LOP_x and MONO_LOM_x is not fully powered up.
1: MONO_LOP_x and MONO_LOM_x is fully powered up.

Table 81. Page 0, Register 80: LINE2LP_x and LINE2LM_x to LEFT_LOP_x and LEFT_LOM_x Volume Control Register

BIT READ/
WRITE
RESET
VALUE
DESCRIPTION
D7 R/W 0 LINE2LP_x and LINE2LM_x Output Routing Control
0: LINE2LP_x and LINE2LM_x is not routed to LEFT_LOP_x and LEFT_LOM_x.
1: LINE2LP_x and LINE2LM_x is routed to LEFT_LOP_x and LEFT_LOM_x.
D6–D0 R/W 000 0000 LINE2LP_x and LINE2LM_x to LEFT_LOP_x and LEFT_LOM_x Analog Volume Control
For 7-bit register setting versus analog gain values, see Table 6.

Table 82. Page 0, Register 81: PGA_LP_x and PGA_LM_x to LEFT_LOP_x and LEFT_LOM_x Volume Control Register

BIT READ/
WRITE
RESET
VALUE
DESCRIPTION
D7 R/W 0 PGA_LP_x and PGA_LM_x Output Routing Control
0: PGA_LP_x and PGA_LM_x is not routed to LEFT_LOP_x and LEFT_LOM_x.
1: PGA_LP_x and PGA_LM_x is routed to LEFT_LOP_x and LEFT_LOM_x.
D6–D0 R/W 000 0000 PGA_LP_x and PGA_LM_x to LEFT_LOP_x and LEFT_LOM_x Analog Volume Control
For 7-bit register setting versus analog gain values, see Table 6.

Table 83. Page 0, Register 82: DAC_L1 to LEFT_LOP_x and LEFT_LOM_x Volume Control Register

BIT READ/
WRITE
RESET
VALUE
DESCRIPTION
D7 R/W 0 DAC_L1 Output Routing Control
0: DAC_L1 is not routed to LEFT_LOP_x and LEFT_LOM_x.
1: DAC_L1 is routed to LEFT_LOP_x and LEFT_LOM_x.
D6–D0 R/W 000 0000 DAC_L1 to LEFT_LOP_x and LEFT_LOM_x Analog Volume Control
For 7-bit register setting versus analog gain values, see Table 6.

Table 84. Page 0, Register 83: LINE2RP_x and LINE2RM_x to LEFT_LOP_x and LEFT_LOM_x Volume Control Register

BIT READ/
WRITE
RESET
VALUE
DESCRIPTION
D7 R/W 0 LINE2RP_x and LINE2RM_x Output Routing Control
0: LINE2RP_x and LINE2RM_x is not routed to LEFT_LOP_x and LEFT_LOM_x.
1: LINE2RP_x and LINE2RM_x is routed to LEFT_LOP_x and LEFT_LOM_x.
D6–D0 R/W 000 0000 LINE2RP_x and LINE2RM_x to LEFT_LOP_x and LEFT_LOM_x Analog Volume Control
For 7-bit register setting versus analog gain values, see Table 6.

Table 85. Page 0, Register 84: PGA_RP_x and PGA_RM_x to LEFT_LOP_x and LEFT_LOM_x Volume Control Register

BIT READ/
WRITE
RESET
VALUE
DESCRIPTION
D7 R/W 0 PGA_RP_x and PGA_RM_x Output Routing Control
0: PGA_RP_x and PGA_RM_x is not routed to LEFT_LOP_x and LEFT_LOM_x.
1: PGA_RP_x and PGA_RM_x is routed to LEFT_LOP_x and LEFT_LOM_x.
D6–D0 R/W 000 0000 PGA_RP_x and PGA_RM_x to LEFT_LOP_x and LEFT_LOM_x Analog Volume Control
For 7-bit register setting versus analog gain values, see Table 6.

Table 86. Page 0, Register 85: DAC_R1 to LEFT_LOP_x and LEFT_LOM_x Volume Control Register

BIT READ/
WRITE
RESET
VALUE
DESCRIPTION
D7 R/W 0 DAC_R1 Output Routing Control
0: DAC_R1 is not routed to LEFT_LOP_x and LEFT_LOM_x.
1: DAC_R1 is routed to LEFT_LOP_x and LEFT_LOM_x.
D6–D0 R/W 000 0000 DAC_R1 to LEFT_LOP_x and LEFT_LOM_x Analog Volume Control
For 7-bit register setting versus analog gain values, see Table 6.

Table 87. Page 0, Register 86: LEFT_LOP_x and LEFT_LOM_x Output Level Control Register

BIT READ/
WRITE
RESET
VALUE
DESCRIPTION
D7–D4 R/W 0000 LEFT_LOP_x and LEFT_LOM_x Output Level Control
0000: Output level control = 0 dB
0001: Output level control = 1 dB
0010: Output level control = 2 dB
...
1000: Output level control = 8 dB
1001: Output level control = 9 dB
1010–1111: Reserved. Do not write these sequences to these register bits.
D3 R/W 0 LEFT_LOP_x and LEFT_LOM_x Mute
0: LEFT_LOP_x and LEFT_LOM_x is muted.
1: LEFT_LOP_x and LEFT_LOM_x is not muted.
D2 R 0 Reserved. Do not write to this register bit.
D1 R 1 LEFT_LOP_x and LEFT_LOM_x Volume Control Status
0: All programmed gains to LEFT_LOP_x and LEFT_LOM_x have been applied.
1: Not all programmed gains to LEFT_LOP_x and LEFT_LOM_x have been applied yet.
D0 R/W 0 LEFT_LOP_x and LEFT_LOM_x Power Status
0: LEFT_LOP_x and LEFT_LOM_x is not fully powered up.
1: LEFT_LOP_x and LEFT_LOM_x is fully powered up.

Table 88. Page 0, Register 87: LINE2LP_x and LINE2LM_x to RIGHT_LOP_x and RIGHT_LOM_x Volume Control Register

BIT READ/
WRITE
RESET
VALUE
DESCRIPTION
D7 R/W 0 LINE2LP_x and LINE2LM_x Output Routing Control
0: LINE2LP_x and LINE2LM_x is not routed to RIGHT_LOP_x and RIGHT_LOM_x.
1: LINE2LP_x and LINE2LM_x is routed to RIGHT_LOP_x and RIGHT_LOM_x.
D6–D0 R/W 000 0000 LINE2LP_x and LINE2LM_x to RIGHT_LOP_x and RIGHT_LOM_x Analog Volume Control
For 7-bit register setting versus analog gain values, see Table 6.

Table 89. Page 0, Register 88: PGA_LP_x and PGA_LM_x to RIGHT_LOP_x and RIGHT_LOM_x Volume Control Register

BIT READ/
WRITE
RESET
VALUE
DESCRIPTION
D7 R/W 0 PGA_LP_x and PGA_LM_x Output Routing Control
0: PGA_LP_x and PGA_LM_x is not routed to RIGHT_LOP_x and RIGHT_LOM_x.
1: PGA_LP_x and PGA_LM_x is routed to RIGHT_LOP_x and RIGHT_LOM_x.
D6–D0 R/W 000 0000 PGA_LP_x and PGA_LM_x to RIGHT_LOP_x and RIGHT_LOM_x Analog Volume Control
For 7-bit register setting versus analog gain values, see Table 6.

Table 90. Page 0, Register 89: DAC_L1 to RIGHT_LOP_x and RIGHT_LOM_x Volume Control Register

BIT READ/
WRITE
RESET
VALUE
DESCRIPTION
D7 R/W 0 DAC_L1 Output Routing Control
0: DAC_L1 is not routed to RIGHT_LOP_x and RIGHT_LOM_x.
1: DAC_L1 is routed to RIGHT_LOP_x and RIGHT_LOM_x.
D6–D0 R/W 000 0000 DAC_L1 to RIGHT_LOP_x and RIGHT_LOM_x Analog Volume Control
For 7-bit register setting versus analog gain values, see Table 6.

Table 91. Page 0, Register 90: LINE2RP_x and LINE2RM_x to RIGHT_LOP_x and RIGHT_LOM_x Volume Control Register

BIT READ/
WRITE
RESET
VALUE
DESCRIPTION
D7 R/W 0 LINE2RP_x and LINE2RM_x Output Routing Control
0: LINE2RP_x and LINE2RM_x is not routed to RIGHT_LOP_x and RIGHT_LOM_x.
1: LINE2RP_x and LINE2RM_x is routed to RIGHT_LOP_x and RIGHT_LOM_x.
D6–D0 R/W 000 0000 LINE2RP_x and LINE2RM_x to RIGHT_LOP_x and RIGHT_LOM_x Analog Volume Control
For 7-bit register setting versus analog gain values, see Table 6.

Table 92. Page 0, Register 91: PGA_RP_x and PGA_RM_x to RIGHT_LOP_x and RIGHT_LOM_x Volume Control Register

BIT READ/
WRITE
RESET
VALUE
DESCRIPTION
D7 R/W 0 PGA_RP_x and PGA_RM_x Output Routing Control
0:PGA_RP_x and PGA_RM_x is not routed to RIGHT_LOP_x and RIGHT_LOM_x.
1:PGA_RP_x and PGA_RM_x is routed to RIGHT_LOP_x and RIGHT_LOM_x.
D6–D0 R/W 000 0000 PGA_RP_x and PGA_RM_x to RIGHT_LOP_x and RIGHT_LOM_x Analog Volume Control
For 7-bit register setting versus analog gain values, see Table 6.

Table 93. Page 0, Register 92: DAC_R1 to RIGHT_LOP_x and RIGHT_LOM_x Volume Control Register

BIT READ/
WRITE
RESET
VALUE
DESCRIPTION
D7 R/W 0 DAC_R1 Output Routing Control
0: DAC_R1 is not routed to RIGHT_LOP_x and RIGHT_LOM_x.
1: DAC_R1 is routed to RIGHT_LOP_x and RIGHT_LOM_x.
D6–D0 R/W 000 0000 DAC_R1 to RIGHT_LOP_x and RIGHT_LOM_x Analog Volume Control
For 7-bit register setting versus analog gain values, see Table 6.

Table 94. Page 0, Register 93: RIGHT_LOP_x and RIGHT_LOM_x Output Level Control Register

BIT READ/
WRITE
RESET
VALUE
DESCRIPTION
D7–D4 R/W 0000 RIGHT_LOP_x and RIGHT_LOM_x Output Level Control
0000: Output level control = 0 dB
0001: Output level control = 1 dB
0010: Output level control = 2 dB
...
1000: Output level control = 8 dB
1001: Output level control = 9 dB
1010–1111: Reserved. Do not write these sequences to these register bits.
D3 R/W 0 RIGHT_LOP_x and RIGHT_LOM_x Mute
0: RIGHT_LOP_x and RIGHT_LOM_x is muted.
1: RIGHT_LOP_x and RIGHT_LOM_x is not muted.
D2 R 0 Reserved. Do not write to this register bit.
D1 R 1 RIGHT_LOP_x and RIGHT_LOM_x Volume Control Status
0: All programmed gains to RIGHT_LOP_x and RIGHT_LOM_x have been applied.
1: Not all programmed gains to RIGHT_LOP_x and RIGHT_LOM_x have been applied yet.
D0 R/W 0 RIGHT_LOP_x and RIGHT_LOM_x Power Status
0: RIGHT_LOP_x and RIGHT_LOM_x is not fully powered up.
1: RIGHT_LOP_x and RIGHT_LOM_x is fully powered up.

Table 95. Page 0, Register 94: Module Power-Status Register

BIT READ/
WRITE
RESET
VALUE
DESCRIPTION
D7 R 0 Left-DAC Power Status
0:Left DAC is not fully powered up.
1: Left DAC is fully powered up.
D6 R 0 Right-DAC Power Status
0: Right DAC is not fully powered up.
1: Right DAC is fully powered up.
D5 R 0 MONO_LOP_x and MONO_LOM_x Power Status
0: MONO_LOP_x and MONO_LOM_x output driver is powered down.
1: MONO_LOP_x and MONO_LOM_x output driver is powered up.
D4 R 0 LEFT_LOP_x and LEFT_LOM_x Power Status
0: LEFT_LOP_x and LEFT_LOM_x output driver is powered down.
1: LEFT_LOP/M_ output driver is powered up.
D3 R 0 RIGHT_LOP_x and RIGHT_LOM_x Power Status
0:RIGHT_LOP_x and RIGHT_LOM_x is not fully powered up.
1: RIGHT_LOP_x and RIGHT_LOM_x is fully powered up.
D2 R 0 HPLOUT_x Driver Power Status
0: HPLOUT_x driver is not fully powered up.
1: HPLOUT_x driver is fully powered up.
D1 R 0 HPROUT_x Driver Power Status
0: HPROUT_x Driver is not fully powered up.
1: HPROUT_x Driver is fully powered up.
D0 R 0 Reserved. Do not write to this register bit.

Table 96. Page 0, Register 95: Output Driver Short-Circuit Detection Status Register

BIT READ/
WRITE
RESET
VALUE
DESCRIPTION
D7 R 0 HPLOUT_x Short-Circuit Detection Status
0: No short circuit detected at HPLOUT_x
1: Short circuit detected at HPLOUT_x
D6 R 0 HPROUT_x Short-Circuit Detection Status
0: No short circuit detected at HPROUT_x
1: Short circuit detected at HPROUT_x
D5 R 0 HPLCOM_x Short-Circuit Detection Status
0: No short circuit detected at HPLCOM_x
1: Short circuit detected at HPLCOM_x
D4 R 0 HPRCOM_x Short-Circuit Detection Status
0: No short circuit detected at HPRCOM_x
1: Short circuit detected at HPRCOM_x
D3 R 0 HPLCOM_x Power Status
0: HPLCOM_x is not fully powered up.
1: HPLCOM_x is fully powered up.
D2 R 0 HPRCOM_x Power Status
0: HPRCOM_x is not fully powered up.
1: HPRCOM_x is fully powered up.
D1–D0 R 00 Reserved. Do not write to these register bits.

Table 97. Page 0, Register 96: Sticky Interrupt Flags Register

BIT READ/
WRITE
RESET
VALUE
DESCRIPTION
D7 R 0 HPLOUT_x Short-Circuit Detection Status
0: No short circuit detected at HPLOUT_x driver
1: Short circuit detected at HPLOUT_x driver
D6 R 0 HPROUT_x Short-Circuit Detection Status
0: No short circuit detected at HPROUT_x driver
1: Short circuit detected at HPROUT_x driver
D5 R 0 HPLCOM_x Short-Circuit Detection Status
0: No short circuit detected at HPLCOM_x driver
1: Short circuit detected at HPLCOM_x driver
D4 R 0 HPRCOM_x Short-Circuit Detection Status
0: No short circuit detected at HPRCOM_x driver
1: Short circuit detected at HPRCOM_x driver
D3 R 0 Button Press Detection Status
0: No headset button press detected
1: Headset button pressed
D2 R 0 Headset Detection Status
0: No headset insertion/removal is detected.
1: Headset insertion/removal is detected.
D1 R 0 Left-ADC AGC Noise Gate Status
0: Left-ADC signal power greater than noise threshold for left AGC
1: Left-ADC signal power lower than noise threshold for left AGC
D0 R 0 Right-ADC AGC Noise Gate Status
0: Right-ADC signal power greater than noise threshold for right AGC
1: Right-ADC signal power lower than noise threshold for right AGC

Table 98. Page 0, Register 97: Real-Time Interrupt Flags Register

BIT READ/
WRITE
RESET
VALUE
DESCRIPTION
D7 R 0 HPLOUT_x Short-Circuit Detection Status
0: No short circuit detected at HPLOUT_x driver
1: Short circuit detected at HPLOUT_x driver
D6 R 0 HPROUT_x Short-Circuit Detection Status
0: No short circuit detected at HPROUT_x driver
1: Short circuit detected at HPROUT_x driver
D5 R 0 HPLCOM_x Short-Circuit Detection Status
0: No short circuit detected at HPLCOM_x driver
1: Short circuit detected at HPLCOM_x driver
D4 R 0 HPRCOM_x Short-Circuit Detection Status
0: No short circuit detected at HPRCOM_x driver
1: Short circuit detected at HPRCOM_x driver
D3 R 0 Button-Press Detection Status(1)
0: No headset button press detected
1: Headset button pressed
D2 R 0 Headset Detection Status
0: No headset is detected.
1: Headset is detected.
D1 R 0 Left-ADC AGC Noise Gate Status
0: Left-ADC signal power greater than noise threshold for left AGC
1: Left-ADC signal power lower than noise threshold for left AGC
D0 R 0 Right-ADC AGC Noise Gate Status
0: Right-ADC signal power greater than noise threshold for right AGC
1: Right-ADC signal power lower than noise threshold for right AGC
This bit is a sticky bit, cleared only when page 0, register 14 is read.

Table 99. Page 0, Register 98: GPIO1_x Control Register

BIT READ/
WRITE
RESET
VALUE
DESCRIPTION
D7–D4 R/W 0000 GPIO1_x Output Control
0000: GPIO1_x is disabled.
0001: GPIO1_x used for audio serial data bus ADC word clock
0010: GPIO1_x output = clock mux output divided by 1 (M = 1)
0011: GPIO1_x output = clock mux output divided by 2 (M = 2)
0100: GPIO1_x output = clock mux output divided by 4 (M = 4)
0101: GPIO1_x output = clock mux output divided by 8 (M = 8)
0110: GPIO1_x output = short-circuit interrupt
0111: GPIO1_x output = AGC noise interrupt
1000: GPIO1_x = general-purpose input
1001: GPIO1_x = general-purpose output
1010: GPIO1_x output = digital microphone modulator clock
1011: GPIO1_x = word clock for audio serial data bus (programmable as input or output)
1100: GPIO1_x output = hook-switch/button-press interrupt (interrupt polarity: active-high, typical interrupt duration: button pressed time + clock resolution. Clock resolution depends on debounce programmability. Typical interrupt delay from button: debounce duration + 0.5 ms)
1101: GPIO1_x output = jack/headset detection interrupt
1110: GPIO1_x output = jack/headset detection interrupt OR button-press interrupt
1111: GPIO1_x output = jack/headset detection OR button press OR short-circuit detection OR AGC noise-detection interrupt
D3 R/W 0 GPIO1_x Clock Mux Output Control
0: GPIO1_x clock mux output = PLL output
1: GPIO1_x clock mux output = clock divider mux output
D2 R/W 0 GPIO1_x Interrupt Duration Control
0: GPIO1_x interrupt occurs as a single active-high pulse of typical 2-ms duration.
1: GPIO1_x interrupt occurs as continuous pulses until the interrupt flags register (register 96) is read by the host.
D1 R 0 GPIO1_x General-Purpose Input Value
0: A logic-low level is input to GPIO1_x.
1: A logic-high level is input to GPIO1_x.
D0 R/W 0 GPIO1_x General-Purpose Output Value
0: GPIO1_x outputs a logic-low level.
1: GPIO1_x outputs a logic-high level.

Table 100. Page 0, Register 99: GPIO2_x Control Register

BIT READ/
WRITE
RESET
VALUE
DESCRIPTION
D7–D4 R/W 0000 GPIO2_x Output Control
0000: GPIO2_x is disabled.
0001: Reserved. Do not write this sequence to these register bits.
0010: GPIO2_x output = jack/headset detect interrupt (interrupt polarity: active-high. Typical interrupt duration: 1.75 ms)
0011: GPIO2_x = general-purpose input
0100: GPIO2_x = general-purpose output
0101–0111: GPIO2_x input = digital microphone input, data sampled on clock rising and falling edges
1000: GPIO2_x = bit clock for audio serial data bus (programmable as input or output)
1001: GPIO2_x output = headset detect OR button-press interrupt
1010: GPIO2_x output = headset detect OR button press OR short-circuit detect OR AGC noise-detect interrupt
1011: GPIO2_x output = short-circuit detect OR AGC noise-detect interrupt
1100: GPIO2_x output = headset detect OR button press or short-circuit detect interrupt
1101: GPIO2_x output = short-circuit detect interrupt
1110: GPIO2_x output = AGC noise-detect interrupt
1111: GPIO2_x output = button-press/hookswitch interrupt
D3 R/W 0 GPIO2_x General-Purpose Output Value
0: GPIO2_x_x outputs a logic-low level.
1: GPIO2_x outputs a logic-high level.
D2 R 0 GPIO2_x General-Purpose Input Value
0: A logic-low level is input to GPIO2_x.
1: A logic-high level is input to GPIO2_x.
D1 R/W 0 GPIO2_x Interrupt Duration Control
0: GPIO2_x interrupt occurs as a single active-high pulse of typical 2-ms duration.
1: GPIO2_x interrupt occurs as continuous pulses until the interrupt flags register (register 96) is read by the host.
D0 R 0 Reserved. Do not write to this register bit.

Table 101. Page 0, Register 100: Additional GPIO Control Register A

BIT READ/
WRITE
RESET
VALUE
DESCRIPTION
D7–D6 R/W 00 SDA Terminal Control
The SDA terminal hardware includes pulldown capability only (open-drain NMOS), so an external pullup resistor is required when using this terminal, even in GPIO mode.
00: SDA terminal is not used as general-purpose I/O.
01: SDA terminal used as general-purpose input
10: SDA terminal used as general-purpose output
11: Reserved. Do not write this sequence to these register bits.
D5 R/W 0 SDA General-Purpose Output Control
0: SDA driven to logic-low when used as general-purpose output
1: SDA driven to logic-high when used as general-purpose output (requires external pullup resistor)
D4 R 0 SDA General-Purpose Input Value
0: SDA detects a logic-low when used as general-purpose input.
1: SDA is detects a logic-high when used as general-purpose input.
D3–D2 R/W 00 SCL Terminal Control
The SCL terminal hardware includes pulldown capability only (open-drain NMOS), so an external pullup resistor is required when using this terminal, even in GPIO mode.
00: SCL terminal is not used as general-purpose I/O.
01: SCL terminal used as general-purpose input
10: SCL terminal used as general-purpose output
11: Reserved. Do not write this sequence to these register bits.
D1 R/W 0 SCL General-Purpose Output Control
0: SCL driven to logic-low when used as general-purpose output
1: SCL driven to logic-high when used as general-purpose output (requires external pullup resistor)
D0 R 0 SCL General-Purpose Input Value
0: SCL detects a logic-low when used as general-purpose input.
1: SCL detects a logic-high when used as general-purpose input.

Table 102. Page 0, Register 101: Codec A, I2C Address Select

BIT READ/
WRITE
RESET
VALUE
DESCRIPTION
D7 R 0 Reserved
D6 R 0 Codec A I2C Address ADDR_A Terminal Status
0: When ADDR_A is in a reset condition, then the I2C address is 001 1000.
1: When ADDR_A is in a reset condition, then the I2C address is 001 1010.
D5–D0 R 00 0000 Reserved

Table 103. Page 0, Register 101: Codec B, I2C Address Select

BIT READ/
WRITE
RESET
VALUE
DESCRIPTION
D7 R 0 Reserved
D6 R 0 Codec B I2C Address ADDR_B Terminal Status
0: When ADDR_B is in a reset condition, then the I2C address is 001 1001.
1: When ADDR_B is in a reset condition, then the I2C address is 001 1011.
D5–D0 R 00 0000 Reserved

Table 104. Page 0, Register 102: Clock Generation Control Register

BIT READ/
WRITE
RESET
VALUE
DESCRIPTION
D7–D6 R/W 00 CLKDIV_IN Source Selection
00: CLKDIV_IN uses MCLK_x.
01: CLKDIV_IN uses GPIO2_x.
10: CLKDIV_IN uses BCLK_x.
11: Reserved. Do not write this sequence to these register bits.
D5–D4 R/W 00 PLLCLK_IN Source Selection
00: PLLCLK_IN uses MCLK_x.
01: PLLCLK_IN uses GPIO2_x.
10: PLLCLK _IN uses BCLK_x.
11: Reserved. Do not write this sequence to these register bits.
D3–D0 R/W 0010 PLL Clock Divider N Value
0000: N = 16
0001: N = 17
0010: N = 2
0011: N = 3

1111: N = 15

Table 105. Page 0, Register 103: Left-AGC New Programmable Attack Time Register

BIT READ/
WRITE
RESET
VALUE
DESCRIPTION
D7 R/W 0 Attack Time Register Selection
0: Attack time for the left AGC is generated from register 26.
1: Attack time for the left AGC is generated from this register.
D6–D5 R/W 00 Baseline AGC Attack Time
00: Left-AGC attack time = 7 ms
01: Left-AGC attack time = 8 ms
10: Left-AGC attack time = 10 ms
11: Left-AGC attack time = 11 ms
D4–D2 R/W 000 Multiplication Factor for Baseline AGC
000: Multiplication factor for the baseline AGC attack time = 1
001: Multiplication factor for the baseline AGC attack time = 2
010: Multiplication factor for the baseline AGC attack time = 4
011: Multiplication factor for the baseline AGC attack time = 8
100: Multiplication factor for the baseline AGC attack time = 16
101: Multiplication factor for the baseline AGC attack time = 32
110: Multiplication factor for the baseline AGC attack time = 64
111: Multiplication factor for the baseline AGC attack time = 128
D1–D0 R/W 00 Reserved. Write only zeros to these register bits.

Table 106. Page 0, Register 104: Left-AGC New Programmable Decay Time Register

BIT READ/
WRITE
RESET
VALUE
DESCRIPTION
D7 R/W 0 Decay Time Register Selection
0: Decay time for the left AGC is generated from register 26.
1: Decay time for the left AGC is generated from this register.
D6–D5 R/W 00 Baseline AGC Decay Time(1)
00: Left-AGC decay time = 50 ms
01: Left-AGC decay time = 150 ms
10: Left-AGC decay time = 250 ms
11: Left-AGC decay time = 350 ms
D4–D2 R/W 000 Multiplication Factor for Baseline AGC
000: Multiplication factor for the baseline AGC decay time = 1
001: Multiplication factor for the baseline AGC decay time = 2
010: Multiplication factor for the baseline AGC decay time = 4
011: Multiplication factor for the baseline AGC decay time = 8
100: Multiplication factor for the baseline AGC decay time = 16
101: Multiplication factor for the baseline AGC decay time = 32
110: Multiplication factor for the baseline AGC decay time = 64
111: Multiplication factor for the baseline AGC decay time = 128
D1–D0 R/W 00 Reserved. Write only zeros to these register bits.
Decay time is limited based on the NADC ratio that is selected. For
NADC = 1, maximum decay time = 4 seconds
NADC = 1.5, maximum decay time = 5.6 seconds
NADC = 2, maximum decay time = 8 seconds
NADC = 2.5, maximum decay time = 9.6 seconds
NADC = 3 or 3.5, maximum decay time = 11.2 seconds
NADC = 4 or 4.5, maximum decay time = 16 seconds
NADC = 5, maximum decay time = 19.2 seconds
NADC = 5.5 or 6, maximum decay time = 22.4 seconds

Table 107. Page 0, Register 105: Right-AGC New Programmable Attack Time Register

BIT READ/
WRITE
RESET
VALUE
DESCRIPTION
D7 R/W 0 Attack Time Register Selection
0: Attack time for the right AGC is generated from register 29.
1: Attack time for the right AGC is generated from this register.
D6–D5 R/W 00 Baseline AGC Attack Time
00: Right-AGC attack time = 7 ms
01: Right-AGC attack time = 8 ms
10: Right-AGC attack time = 10 ms
11: Right-AGC attack time = 11 ms
D4–D2 R/W 000 Multiplication Factor for Baseline AGC
000: Multiplication factor for the baseline AGC attack time = 1
001: Multiplication factor for the baseline AGC attack time = 2
010: Multiplication factor for the baseline AGC attack time = 4
011: Multiplication factor for the baseline AGC attack time = 8
100: Multiplication factor for the baseline AGC attack time = 16
101: Multiplication factor for the baseline AGC attack time = 32
110: Multiplication factor for the baseline AGC attack time = 64
111: Multiplication factor for the baseline AGC attack time = 128
D1–D0 R/W 00 Reserved. Write only zeros to these register bits.

Table 108. Page 0, Register 106: Right-AGC New Programmable Decay Time Register

BIT READ/
WRITE
RESET
VALUE
DESCRIPTION
D7 R/W 0 Decay Time Register Selection(1)
0: Decay time for the right AGC is generated from register 29.
1: Decay time for the right AGC is generated from this register.
D6–D5 R/W 00 Baseline AGC Decay time
00: Right-AGC decay time = 50 ms
01: Right-AGC decay time = 150 ms
10: Right-AGC decay time = 250 ms
11: Right-AGC decay time = 350 ms
D4–D2 R/W 000 Multiplication Factor for Baseline AGC
000: Multiplication factor for the baseline AGC decay time = 1
001: Multiplication factor for the baseline AGC decay time = 2
010: Multiplication factor for the baseline AGC decay time = 4
011: Multiplication factor for the baseline AGC decay time = 8
100: Multiplication factor for the baseline AGC decay time = 16
101: Multiplication factor for the baseline AGC decay time = 32
110: Multiplication factor for the baseline AGC decay time = 64
111: Multiplication factor for the baseline AGC decay time = 128
D1–D0 R/W 00 Reserved. Write only zeros to these register bits.
Decay time is limited based on the NADC ratio that is selected. For
NADC = 1, maximum decay time = 4 seconds
NADC = 1.5, maximum decay time = 5.6 seconds
NADC = 2, maximum decay time = 8 seconds
NADC = 2.5, maximum decay time = 9.6 seconds
NADC = 3 or 3.5, maximum decay time = 11.2 seconds
NADC = 4 or 4.5, maximum decay time = 16 seconds
NADC = 5, maximum decay time = 19.2 seconds
NADC = 5.5 or 6, maximum decay time = 22.4 seconds

Table 109. Page 0, Register 107: New Programmable ADC Digital Path and I2C Bus Condition Register

BIT READ/
WRITE
RESET
VALUE
DESCRIPTION
D7 R/W 0 Left-Channel High-Pass Filter Coefficient Selection
0: Default coefficients are used when ADC high pass is enabled.
1: Programmable coefficients are used when ADC high pass is enabled.
D6 R/W 0 Right-Channel High-Pass Filter Coefficient Selection
0: Default coefficients are used when ADC high pass is enabled.
1: Programmable coefficients are used when ADC high pass is enabled.
D5–D4 R/W 00 ADC Decimation Filter configuration
00: Left and right digital microphones are used.
01: Left digital microphone and right analog microphone are used.
10: Left analog microphone and right digital microphone are used.
11: Left and right analog microphones are used.
D3 R/W 0 ADC Digital Output to Programmable Filter Path Selection
0: No additional programmable filters other than the HPF are used for the ADC.
1: The programmable filter is connected to ADC output if both DACs are powered down.
D2 R/W 0 I2C Bus Condition Detector
0: Internal logic is enabled to detect an I2C bus error, and clears the bus error condition.
1: Internal logic is disabled to detect an I2C bus error.
D1 R 0 Reserved. Write only zero to this register bit.
D0 R 0 I2C Bus Error Detection Status
0: I2C bus error is not detected.
1: I2C bus error is detected. This bit is cleared by reading this register.

Table 110. Page 0, Register 108: Passive Analog Signal Bypass Selection During Power Down Register

BIT READ/
WRITE
RESET
VALUE
DESCRIPTION(1)
D7 R/W 0 LINE2RM_x Path Selection
0: Normal signal path
1: Signal is routed by a switch to RIGHT_LOM_x.
D6 R/W 0 LINE2RP_x Path Selection
0: Normal signal path
1: Signal is routed by a switch to RIGHT_LOP_x.
D5 R/W 0 LINE1RM_x Path Selection
0: Normal signal path
1: Signal is routed by a switch to RIGHT_LOM_x.
D4 R/W 0 LINE1RP_x Path Selection
0: Normal signal path
1: Signal is routed by a switch to RIGHT_LOP_x.
D3 R/W 0 LINE2LM_x Path Selection
0: Normal signal path
1: Signal is routed by a switch to LEFT_LOM_x.
D2 R/W 0 LINE2LP_x Path Selection
0: Normal signal path
1: Signal is routed by a switch to LEFT_LOP_x.
D1 R/W 0 LINE1LM_x Path Selection
0: Normal signal path
1: Signal is routed by a switch to LEFT_LOM_x.
D0 R/W 0 LINE1LP_x Path Selection
0: Normal signal path
1: Signal is routed by a switch to LEFT_LOP_x.
Based on the settings of this register, if BOTH LINE1 and LINE2 inputs are routed to the output at the same time, then the two switches used for the connection short the two input signals together on the output terminals. The shorting resistance between the two input terminals is two times the bypass switch resistance (Rdson). In general, this condition of shorting must be avoided, as higher drive currents are likely to occur on the circuitry that feeds these two input terminals of this device.

Table 111. Page 0, Register 109: DAC Dynamic Range Selection Register

BIT READ/
WRITE
RESET
VALUE
DESCRIPTION
D7–D6 R/W 00 DAC Dynamic Range Adjustment
00: Default (Dynamic range specified in electrical characteristics table)
01: Dynamic range enhancement level 1
10: Reserved
11: Dynamic range enhancement level 2
D5–D0 R/W 00 0000 Reserved. Write only zeros to these register bits.

Table 112. Page 0, Register 110–127: Reserved Registers

BIT READ/
WRITE
RESET
VALUE
DESCRIPTION
D7–D0 R 0000 0000 Reserved. Do not write to these registers.

Table 113. Page 1, Register 0: Page Select Register

BIT READ/
WRITE
RESET
VALUE
DESCRIPTION
D7–D1 X 0000 000 Reserved. Write only zeros to these register bits.
D0 R/W 0 Page Select Bit
Writing zero to this bit sets page 0 as the active page for subsequent register accesses. Writing a one to this bit sets page 1 as the active page for subsequent register accesses. TI recommends that the user read this register bit back after each write, to ensure that the proper page is being accessed for future register read/writes. This register has the same functionality on page 0 and page 1.

The remaining page-1 registers are either reserved registers or are used for setting coefficients for the various filters in the TLV320AIC34. Reserved registers must not be written to.

The filter coefficient registers are arranged in pairs, with two adjacent 8-bit registers containing the 16-bit coefficient for a single filter. The 16-bit integer contained in the MSB and LSB registers for a coefficient are interpreted as a 2s-complement integer, with possible values ranging from –32,768 to 32,767. When programming any coefficient value for a filter, the MSB register must always be written first, immediately followed by the LSB register. Even if only the MSB or LSB portion of the coefficient changes, both registers must be written in this sequence. Table 8 is a list of the page-1 registers, excepting the previously described register 0.

Table 8. Page 1 Registers

REGISTER NUMBER RESET VALUE REGISTER NAME
 1 0110 1011 Left-channel audio effects filter N0 coefficient MSB register
 2 1110 0011 Left-channel audio effects filter N0 coefficient LSB register
 3 1001 0110 Left-channel audio effects filter N1 coefficient MSB register
 4 0110 0110 Left-channel audio effects filter N1 coefficient LSB register
 5 0110 0111 Left-channel audio effects filter N2 coefficient MSB register
 6 0101 1101 Left-channel audio effects filter N2 coefficient LSB register
 7 0110 1011 Left-channel audio effects filter N3 coefficient MSB register
 8 1110 0011 Left-channel audio effects filter N3 coefficient LSB register
 9 1001 0110 Left-channel audio effects filter N4 coefficient MSB register
10 0110 0110 Left-channel audio effects filter N4 coefficient LSB register
11 0110 0111 Left-channel audio effects filter N5 coefficient MSB register
12 0101 1101 Left-channel audio effects filter N5 coefficient LSB register
13 0111 1101 Left-channel audio effects filter D1 coefficient MSB register
14 1000 0011 Left-channel audio effects filter D1 coefficient LSB register
15 1000 0100 Left-channel audio effects filter D2 coefficient MSB register
16 1110 1110 Left-channel audio effects filter D2 coefficient LSB register
17 0111 1101 Left-channel audio effects filter D4 coefficient MSB register
18 1000 0011 Left-channel audio effects filter D4 coefficient LSB register
19 1000 0100 Left-channel audio effects filter D5 coefficient MSB register
20 1110 1110 Left-channel audio effects filter D5 coefficient LSB register
21 0011 1001 Left-channel de-emphasis filter N0 coefficient MSB register
22 0101 0101 Left-channel de-emphasis filter N0 coefficient LSB register
23 1111 0011 Left-channel de-emphasis filter N1 coefficient MSB register
24 0010 1101 Left-channel de-emphasis filter N1 coefficient LSB register
25 0101 0011 Left-channel de-emphasis filter D1 coefficient MSB register
26 0111 1110 Left-channel de-emphasis filter D1 coefficient LSB register
27 0110 1011 Right-channel audio effects filter N0 coefficient MSB register
28 1110 0011 Right-channel audio effects filter N0 coefficient LSB register
29 1001 0110 Right-channel audio effects filter N1 coefficient MSB register
30 0110 0110 Right-channel audio effects filter N1 coefficient LSB register
31 0110 0111 Right-channel audio effects filter N2 coefficient MSB register
32 0101 1101 Right-channel audio effects filter N2 coefficient LSB register
33 0110 1011 Right-channel audio effects filter N3 coefficient MSB register
34 1110 0011 Right-channel audio effects filter N3 coefficient LSB register
35 1001 0110 Right-channel audio effects filter N4 coefficient MSB register
36 0110 0110 Right-channel audio effects filter N4 coefficient LSB register
37 0110 0111 Right-channel audio effects filter N5 coefficient MSB register
38 0101 1101 Right-channel audio effects filter N5 coefficient LSB register
39 0111 1101 Right-channel audio effects filter D1 coefficient MSB register
40 1000 0011 Right-channel audio effects filter D1 coefficient LSB register
41 1000 0100 Right-channel audio effects filter D2 coefficient MSB register
42 1110 1110 Right-channel audio effects filter D2 coefficient LSB register
43 0111 1101 Right-channel audio effects filter D4 coefficient MSB register
44 1000 0011 Right-channel audio effects filter D4 coefficient LSB register
45 1000 0100 Right-channel audio effects filter D5 coefficient MSB register
46 1110 1110 Right-channel audio effects filter D5 coefficient LSB register
47 0011 1001 Right-channel de-emphasis filter N0 coefficient MSB register
48 0101 0101 Right-channel de-emphasis filter N0 coefficient LSB register
49 1111 0011 Right-channel de-emphasis filter N1 coefficient MSB register
50 0010 1101 Right-channel de-emphasis filter N1 coefficient LSB register
51 0101 0011 Right-channel de-emphasis filter D1 coefficient MSB register
52 0111 1110 Right-channel de-emphasis filter D1 coefficient LSB register
53 0111 1111 3-D attenuation coefficient MSB register
54 1111 1111 3-D attenuation coefficient LSB register
55–64 0000 0000 Reserved registers
65 0011 1001 Left-channel ADC high-pass filter N0 coefficient MSB register
66 0101 0101 Left-channel ADC high-pass filter N0 coefficient LSB register
67 1111 0011 Left-channel ADC high-pass filter N1 coefficient MSB register
68 0010 1101 Left-channel ADC high-pass filter N1 coefficient LSB register
69 0101 0011 Left-channel ADC high-pass filter D1 coefficient MSB register
70 0111 1110 Left-channel ADC high-pass filter D1 coefficient LSB register
71 0011 1001 Right-channel ADC high-pass filter N0 coefficient MSB register
72 0101 0101 Right-channel ADC high-pass filter N0 coefficient LSB register
73 1111 0011 Right-channel ADC high-pass filter N1 coefficient MSB register
74 0010 1101 Right-channel ADC high-pass filter N1 coefficient LSB register
75 0101 0011 Right-channel ADC high-pass filter D1 coefficient MSB register
76 0111 1110 Right-channel ADC high-pass filter D1 coefficient LSB register
77–127 0000 0000 Reserved registers