SFFS795 February   2024 TXU0102-Q1

 

  1.   1
  2.   Trademarks
  3. 1Overview
  4. 2Functional Safety Failure In Time (FIT) Rates
  5. 3Failure Mode Distribution (FMD)
  6. 4Pin Failure Mode Analysis (Pin FMA)

Overview

This document contains information for TXU0102-Q1 (VSSOP and SON packages) to aid in a functional safety system design. Information provided are:

  • Functional Safety Failure In Time (FIT) rates of the semiconductor component estimated by the application of industry reliability standards
  • Component failure modes and their distribution (FMD) based on the primary function of the device
  • Pin failure mode analysis (Pin FMA)

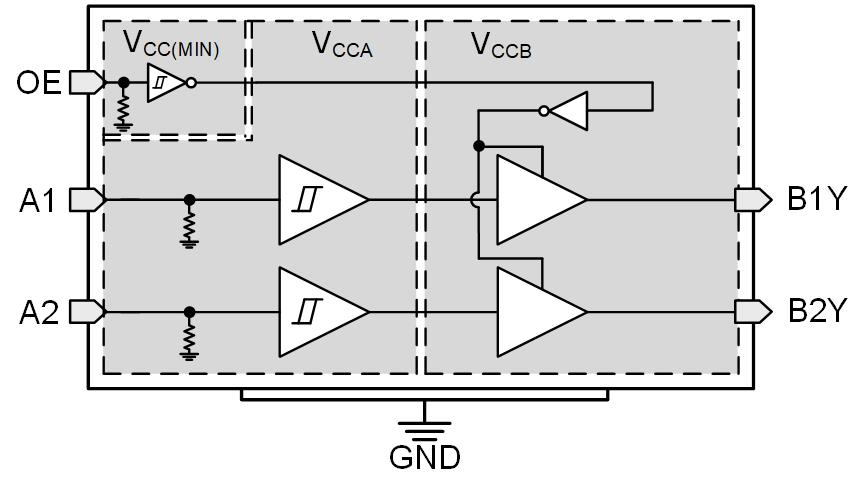
Figure 1-1 shows the device functional block diagram for reference.

GUID-E612D55D-597D-4BFA-B45E-66C37ED86FFA-low.jpgFigure 1-1 Functional Block Diagram

TXU0102-Q1 was developed using a quality-managed development process, but was not developed in accordance with the IEC 61508 or ISO 26262 standards.