SFFS689 December   2023 TPS2663

 

  1.   1
  2.   Trademarks
  3. 1Overview
  4. 2Functional Safety Failure In Time (FIT) Rates
    1. 2.1 VQFN Package
    2. 2.2 HTSSOP Package
  5. 3Failure Mode Distribution (FMD)
  6. 4Pin Failure Mode Analysis (Pin FMA)
    1. 4.1 VQFN Package
    2. 4.2 HTSSOP Package

Overview

This document contains information for TPS2663 (VQFN and HTSSOP package) to aid in a functional safety system design. Information provided are:

  • Functional Safety Failure In Time (FIT) rates of the semiconductor component estimated by the application of industry reliability standards
  • Component failure modes and their distribution (FMD) based on the primary function of the device
  • Pin failure mode analysis (Pin FMA)

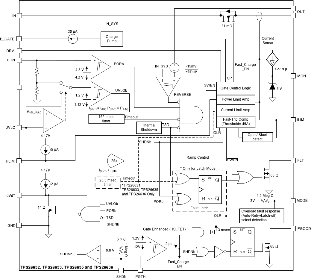
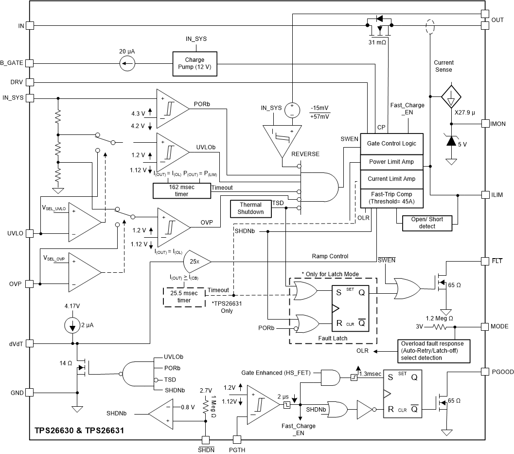
Figure 1-1 shows the device functional block diagram for reference.

GUID-2DCD5617-0BCC-4588-967B-49D2566EB7C7-low.gif GUID-4AC10649-D114-477F-AE61-D9F8BDB00FE9-low.gif Figure 1-1 Functional Block Diagram

TPS2663 was developed using a quality-managed development process, but was not developed in accordance with the IEC 61508 or ISO 26262 standards.