SCAS877F May   2009  – January 2016 CDCLVP1216

PRODUCTION DATA.  

  1. Features
  2. Applications
  3. Description
  4. Revision History
  5. Pin Configuration and Functions
  6. Specifications
    1. 6.1  Absolute Maximum Ratings
    2. 6.2  ESD Ratings
    3. 6.3  Recommended Operating Conditions
    4. 6.4  Thermal Information
    5. 6.5  Electrical Characteristics: LVCMOS Input
    6. 6.6  Electrical Characteristics: Differential Input
    7. 6.7  Electrical Characteristics: LVPECL Output, at VCC = 2.375 V to 2.625 V
    8. 6.8  Electrical Characteristics: LVPECL Output, at VCC = 3 V to 3.6 V
    9. 6.9  Timing Requirements, at VCC = 2.375 V to 2.625 V
    10. 6.10 Timing Requirements, at VCC = 3 V to 3.6 V
    11. 6.11 Pin Characteristics
    12. 6.12 Typical Characteristics
  7. Parameter Measurement Information
    1. 7.1 Test Configurations
  8. Detailed Description
    1. 8.1 Overview
    2. 8.2 Functional Block Diagram
    3. 8.3 Feature Description
    4. 8.4 Device Functional Modes
      1. 8.4.1 LVPECL Output Termination
      2. 8.4.2 Input Termination
  9. Applications and Implementation
    1. 9.1 Application Information
    2. 9.2 Typical Application
      1. 9.2.1 Design Requirements
      2. 9.2.2 Detailed Design Procedure
      3. 9.2.3 Application Curves
  10. 10Power Supply Recommendations
  11. 11Layout
    1. 11.1 Layout Guidelines
    2. 11.2 Layout Example
    3. 11.3 Thermal Considerations
  12. 12Device and Documentation Support
    1. 12.1 Documentation Support
      1. 12.1.1 Related Documentation
    2. 12.2 Community Resources
    3. 12.3 Trademarks
      1. 13.4 Glossary
    4. 12.4 Electrostatic Discharge Caution
    5. 12.5 Glossary
  13. 13Mechanical, Packaging, and Orderable Information
  14. 14Mechanical, Packaging, and Orderable Information

封装选项

机械数据 (封装 | 引脚)
散热焊盘机械数据 (封装 | 引脚)
订购信息

1 Features

  • 2:16 Differential Buffer
  • Selectable Clock Inputs Through Control Pin
  • Universal Inputs Accept LVPECL, LVDS, and LVCMOS/LVTTL
  • 16 LVPECL Outputs
  • Maximum Clock Frequency: 2 GHz
  • Maximum Core Current Consumption: 110 mA
  • Very Low Additive Jitter: <100 fs, RMS in 10-kHz to 20-MHz Offset Range:
    • 57 fs, RMS (Typical) at 122.88 MHz
    • 48 fs, RMS (Typical) at 156.25 MHz
    • 30 fs, RMS (Typical) at 312.5 MHz
  • 2.375-V to 3.6-V Device Power Supply
  • Maximum Propagation Delay: 550 ps
  • Maximum Output Skew: 30 ps
  • LVPECL Reference Voltage, VAC_REF, Available for Capacitive-Coupled Inputs
  • Industrial Temperature Range: –40°C to +85°C
  • Supports 105°C PCB Temperature (Measured with a Thermal Pad)
  • ESD Protection Exceeds 2000 V (HBM)
  • Available in 7-mm × 7-mm VQFN-48 (RGZ) Package

2 Applications

  • Wireless Communications
  • Telecommunications/Networking
  • Medical Imaging
  • Test and Measurement Equipment

3 Description

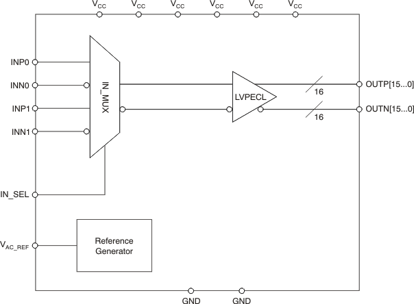
The CDCLVP1216 is a highly versatile, low additive jitter buffer that can generate 16 copies of LVPECL clock outputs from one of two selectable LVPECL, LVDS, or LVCMOS inputs for a variety of communication applications. It has a maximum clock frequency up to 2 GHz. The CDCLVP1216 features an on-chip multiplexer (MUX) for selecting one of two inputs that can be easily configured solely through a control pin. The overall additive jitter performance is less than 0.1 ps, RMS from 10 kHz to 20 MHz, and overall output skew is as low as 30 ps, making the device a perfect choice for use in demanding applications.

The CDCLVP1216 clock buffer distributes one of two selectable clock inputs (IN0, IN1) to 16 pairs of differential LVPECL clock outputs (OUT0, OUT15) with minimum skew for clock distribution. The CDCLVP1216 can accept two clock sources into an input multiplexer. The inputs can be LVPECL, LVDS, or LVCMOS/LVTTL.

The CDCLVP1216 is specifically designed for driving 50-Ω transmission lines. When driving the inputs in single-ended mode, the LVPECL bias voltage (VAC_REF) should be applied to the unused negative input pin. However, for high-speed performance up to 2 GHz, differential mode is strongly recommended.

The CDCLVP1216 is packaged in a small 48-pin,
7-mm x 7-mm VQFN package and is characterized for operation from –40°C to +85°C.

Device Information(1)

ORDER NUMBER PACKAGE BODY SIZE (NOM)
CDCLVP1216 VQFN (48) 7.00 mm x 7.00 mm
  1. For all available packages, see the orderable addendum at the end of the datasheet.

Functional Block Diagram

CDCLVP1216 fbd_cas877.gif

Differential Output Peak-to-Peak Voltage
vs Frequency

CDCLVP1216 tc_fqcy_diff_vout_swing02_cas877.gif