ZHCSCI8 May 2014
PRODUCTION DATA.
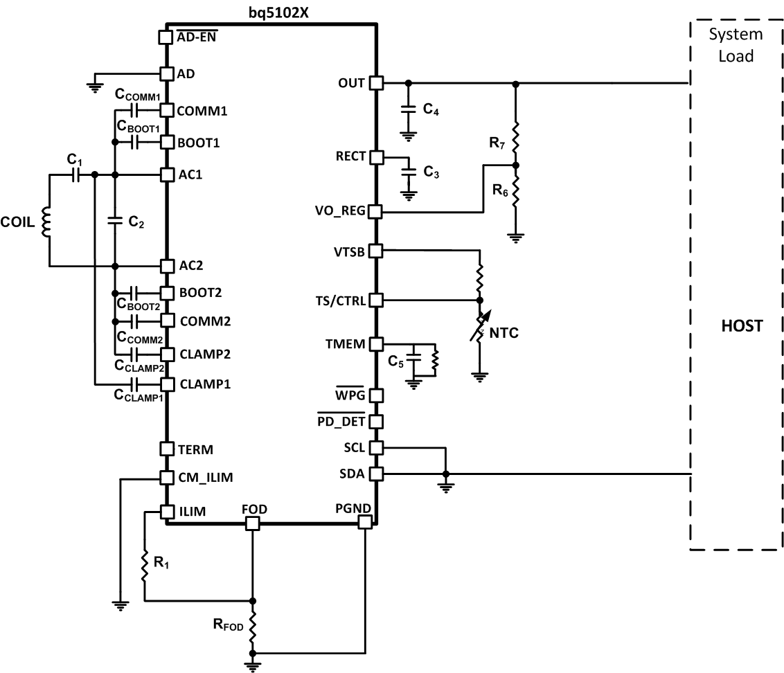
bq5102x 器件是一款全封闭无线电源接收器,此接收器能够在 WPC v1.1 协议下运行,这使得无线电源系统在与 Qi 感应发射器一同使用时能够向系统传送高达 5W 的功率。 bq5102x 器件提供针对这 WPC 技术规格的单个器件功率转换(整流和稳压),以及数字控制和通信。 借助市场领先的效率和可调输出电压,bq5102x 器件可实现独一无二的效率和系统优化。 I2C 还使得系统设计人员能够执行有趣的全新特性,诸如发射器表面的接收器对齐,或者检测接收器上的异物。 此接收器可在市场领先的封装尺寸、效率和解决方案尺寸中同时实现同步整流、稳压和控制与通信。
| 产品型号 | 封装 | 封装尺寸(标称值) |
|---|---|---|
| bq51020 | 芯片尺寸球状引脚栅格阵列 (DSBGA) (42) | 3.60mm x 2.89mm2 |
| bq51021 |

