SLRS060C May   2012  – November 2016 ULN2003V12

PRODUCTION DATA.  

  1. Features
  2. Applications
  3. Description
  4. Revision History
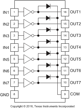
  5. Pin Configuration and Functions
  6. Specifications
    1. 6.1 Absolute Maximum Ratings
    2. 6.2 ESD Ratings
    3. 6.3 Recommended Operating Conditions
    4. 6.4 Thermal Information
    5. 6.5 Electrical Characteristics
    6. 6.6 Typical Characteristics
  7. Detailed Description
    1. 7.1 Overview
    2. 7.2 Functional Diagram
    3. 7.3 Feature Description
      1. 7.3.1 TTL and Other Logic Inputs
      2. 7.3.2 Input RC Snubber
      3. 7.3.3 High-impedance Input Drivers
    4. 7.4 Device Functional Modes
  8. Applications and Implementation
    1. 8.1 Application Information
    2. 8.2 Typical Applications
      1. 8.2.1 Unipolar Stepper Motor Driver
        1. 8.2.1.1 Design Requirements
        2. 8.2.1.2 Application Curves
      2. 8.2.2 Inverting Logic Level Shifter
        1. 8.2.2.1 Design Requirements
        2. 8.2.2.2 Detailed Design Procedure
      3. 8.2.3 Maximum Supply Selector
        1. 8.2.3.1 Design Requirements
      4. 8.2.4 Constant Current LED Driver
        1. 8.2.4.1 Design Requirements
      5. 8.2.5 NOR Logic Driver
        1. 8.2.5.1 Design Requirements
  9. Power Supply Recommendations
  10. 10Layout
    1. 10.1 Layout Guidelines
    2. 10.2 Layout Example
    3. 10.3 Thermal Considerations
      1. 10.3.1 On-chip Power Dissipation
      2. 10.3.2 Thermal Reliability
  11. 11Device and Documentation Support
    1. 11.1 Documentation Support
    2. 11.2 Receiving Notification of Documentation Updates
    3. 11.3 Community Resources
    4. 11.4 Trademarks
    5. 11.5 Electrostatic Discharge Caution
    6. 11.6 Glossary
  12. 12Mechanical, Packaging, and Orderable Information

封装选项

机械数据 (封装 | 引脚)
散热焊盘机械数据 (封装 | 引脚)
订购信息

Features

  • 7-Channel High Current Sink Drivers
  • Supports Up to 20-V Output Pullup Voltage
  • Low Output VOL of 0.6 V (Typical) With:
    • 100-mA (Typical) Current Sink per Channel at 3.3-V Logic Input(1)
    • 140-mA (Typical) Current Sink per Channel at 5-V Logic Input(1)
  • Compatible to 3.3-V and 5-V Microcontrollers and Logic Interface
  • Internal Free-Wheeling Diodes for Inductive Kick-Back Protection
  • Input Pulldown Resistors Allows Tri-Stating the Input Driver
  • Input RC-Snubber to Eliminate Spurious Operation in Noisy Environment
  • Low Input and Output Leakage Currents
  • ESD Protection Exceeds JESD 22:
    • 2-kV HBM, 500-V CDM
    (1)
Total current sink may be limited by the internal junction temperature, absolute maximum current levels, and so forth (see
Total current sink may be limited by the internal junction temperature, absolute maximum current levels, and so forth (seeElectrical Characteristics for details).

Applications

  • Relay and Inductive Load Driver
  • White Goods
  • Factory and Home Automation
  • Lamp and LED Displays
  • Logic Level Shifter

Description

The ULN2003V12 device is a low-power upgrade of TI’s popular ULN2003 family of 7-channel Darlington transistor array. The ULN2003V12 sink driver features 7 low-output impedance drivers that minimize on-chip power dissipation. When driving a typical 12-V relay coil, a ULN2003V12 can dissipate up to 12 times lower power than an equivalent ULN2003A. The ULN2003V12 driver is pin-to-pin compatible with ULN2003 family of devices.

The ULN2003V12 supports 3.3-V to 5-V CMOS logic input interface thus making it compatible to a wide range of microcontrollers and other logic interfaces. The ULN2003V12 also supports other logic input levels, like TTL or 1.8 V. Each output of the ULN2003V12 features an internal free-wheeling diode connected in a common-cathode configuration at the COM pin.

The ULN2003V12 provides flexibility of increasing current sink capability through combining several adjacent channels in parallel. Under typical conditions the ULN2003V12 can support up to 1 A of load current when all 7-channels are connected in parallel.

Device Information(1)

PART NUMBER PACKAGE BODY SIZE (NOM)
ULN2003V12D SOIC (16) 9.90 mm × 3.91 mm
ULN2003V12PW TSSOP (16) 5.00 mm × 4.40 mm
  1. For all available packages, see the orderable addendum at the end of the data sheet.

Functional Diagram

ULN2003V12 SimplifiedSchematic.gif