ZHCS051D April   2011  – March  2019 UCD9090

PRODUCTION DATA.  

  1. 特性
  2. 应用
  3. 说明
    1.     典型应用
  4. 修订历史记录
  5. Pin Configuration and Functions
    1.     Pin Functions
  6. Specifications
    1. 6.1 Absolute Maximum Ratings
    2. 6.2 ESD Ratings
    3. 6.3 Recommended Operating Conditions
    4. 6.4 Thermal Information
    5. 6.5 Electrical Characteristics
    6. 6.6 I2C/Smbus/PMBus Timing Requirements
    7. 6.7 Typical Characteristics
  7. Detailed Description
    1. 7.1 Overview
    2. 7.2 Functional Block Diagram
    3. 7.3 Feature Description
      1. 7.3.1 TI Fusion User Interface (UI)
      2. 7.3.2 PMBus Interface
      3. 7.3.3 Rail Configuration
    4. 7.4 Device Functional Modes
      1. 7.4.1  Power-Supply Sequencing
        1. 7.4.1.1 Turn-On Sequencing
        2. 7.4.1.2 Turn-Off Sequencing
        3. 7.4.1.3 Sequencing Configuration Options
      2. 7.4.2  Pin-Selected Rail States
      3. 7.4.3  Monitoring
        1. 7.4.3.1 Voltage Monitoring
        2. 7.4.3.2 Current Monitoring
        3. 7.4.3.3 Remote Temperature Monitoring and Internal Temperature Sensor
        4. 7.4.3.4 Temperature by Host Input
      4. 7.4.4  Fault Responses and Alert Processing
      5. 7.4.5  Shut Down All Rails and Sequence On (Resequence)
      6. 7.4.6  GPIOs
      7. 7.4.7  GPO Control
      8. 7.4.8  GPO Dependencies
        1. 7.4.8.1 GPO Delays
        2. 7.4.8.2 State Machine Mode Enable
      9. 7.4.9  GPI Special Functions
      10. 7.4.10 Power-Supply Enable Pins
      11. 7.4.11 Cascading Multiple Devices
        1. 7.4.11.1 Connecting the GPIO Pin to a PMBus_CNTRL Pin
        2. 7.4.11.2 Connecting the GPIO Pin to a MON Pin
      12. 7.4.12 PWM Outputs
        1. 7.4.12.1 FPWM1-8
        2. 7.4.12.2 PWM1-2
      13. 7.4.13 Programmable Multiphase PWMs
      14. 7.4.14 Margining
        1. 7.4.14.1 Open-Loop Margining
        2. 7.4.14.2 Closed-Loop Margining
      15. 7.4.15 Run Time Clock
      16. 7.4.16 System Reset Signal
      17. 7.4.17 Watch Dog Timer
      18. 7.4.18 Data and Error Logging to Flash Memory
      19. 7.4.19 Brownout Function
      20. 7.4.20 PMBus Address Selection
      21. 7.4.21 Device Reset
      22. 7.4.22 JTAG Interface
      23. 7.4.23 Internal Fault Management and Memory Error Correction (ECC)
    5. 7.5 Programming
      1. 7.5.1 Full Configuration Update While in Normal Mode
  8. Application and Implementation
    1. 8.1 Application Information
    2. 8.2 Typical Application
      1. 8.2.1 Design Requirements
      2. 8.2.2 Detailed Design Procedure
        1. 8.2.2.1 Estimating ADC Reporting Accuracy
      3. 8.2.3 Application Curves
  9. Power Supply Recommendations
  10. 10Layout
    1. 10.1 Layout Guidelines
    2. 10.2 Layout Example
  11. 11器件和文档支持
    1. 11.1 文档支持
      1. 11.1.1 相关文档
    2. 11.2 接收文档更新通知
    3. 11.3 社区资源
    4. 11.4 商标
    5. 11.5 静电放电警告
    6. 11.6 术语表
  12. 12机械、封装和可订购信息

封装选项

机械数据 (封装 | 引脚)
散热焊盘机械数据 (封装 | 引脚)
订购信息

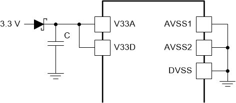
Brownout Function

The UCD9090 can be enabled to turn off all nonvolatile logging until a brownout event is detected. A brownout event occurs if VCC drops below 2.9 V. In order to enable this feature, the user must provide enough local capacitance to deliver up to 80 mA (consider additional load based on GPOs sourcing external circuits such as LEDs) on for 5 ms while maintaining a minimum of 2.6 V at the device. If using the brownout circuit (Figure 28), then a schottky diode should be placed so that it blocks the other circuits that are also powered from the 3.3V supply.

With this feature enabled, the UCD9090 saves faults, peaks, and other log data to SRAM during normal operation of the device. Once a brownout event is detected, all data is copied from SRAM to Flash. Use of this feature allows the UCD9090 to keep track of a single run-time clock that spans device resets or system power down (rather than resetting the run time clock after device reset). It can also improve the UCD9090 internal response time to events, because Flash writes are disabled during normal system operation. This is an optional feature and can be enabled using the MISC_CONFIG command. For more details, see the UCD90xxx Sequencer and System Health Controller PMBus Command Reference.

UCD9090 sequencer_brownout_ucd.gifFigure 28. Brownout Circuit