ZHCSFI3B August   2016  – May  2019 UCD90320

PRODUCTION DATA.  

  1. 特性
  2. 应用
  3. 说明
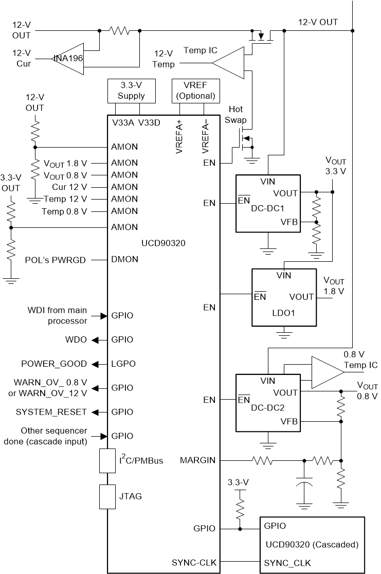
    1.     简化应用
  4. 修订历史记录
  5. 说明 (续)
  6. Pin Configuration and Functions
    1.     Pin Functions
  7. Specifications
    1. 7.1 Absolute Maximum Ratings
    2. 7.2 ESD Ratings
    3. 7.3 Recommended Operating Conditions
    4. 7.4 Thermal Information
    5. 7.5 Electrical Characteristics
    6. 7.6 Non-Volatile Memory Characteristics
    7. 7.7 I2C/PMBus Interface Timing Requirements
    8. 7.8 Typical Characteristics
  8. Detailed Description
    1. 8.1 Overview
    2. 8.2 Functional Block Diagram
    3. 8.3 Feature Description
      1. 8.3.1 TI Fusion Digital Power Designer software
      2. 8.3.2 PMBUS Interface
      3. 8.3.3 Rail Setup
    4. 8.4 Device Functional Modes
      1. 8.4.1  Rail Monitoring Configuration
      2. 8.4.2  GPI Configuration
      3. 8.4.3  Rail Sequence Configuration
      4. 8.4.4  Fault Responses Configuration
      5. 8.4.5  GPO Configuration
        1. 8.4.5.1 Command Controlled GPO
        2. 8.4.5.2 Logic GPO
      6. 8.4.6  Margining Configuration
      7. 8.4.7  Pin Selected Rail States Configuration
      8. 8.4.8  Watchdog Timer
      9. 8.4.9  System Reset Function
      10. 8.4.10 Cascading Multiple Devices
      11. 8.4.11 Rail Monitoring
      12. 8.4.12 Status Monitoring
      13. 8.4.13 Data and Error Logging to EEPROM Memory
      14. 8.4.14 Black Box First Fault Logging
      15. 8.4.15 PMBus Address Selection
      16. 8.4.16 ADC Reference
      17. 8.4.17 Device Reset
      18. 8.4.18 Brownout
      19. 8.4.19 Internal Fault Management
    5. 8.5 Device Configuration and Programming
  9. Application and Implementation
    1. 9.1 Application Information
    2. 9.2 Typical Application
      1. 9.2.1 Design Requirements
      2. 9.2.2 Detailed Design Procedure
      3. 9.2.3 Application Curves
  10. 10Power Supply Recommendations
  11. 11Layout
    1. 11.1 Layout Guidelines
    2. 11.2 Layout Example
  12. 12器件和文档支持
    1. 12.1 社区资源
    2. 12.2 接收文档更新通知
    3. 12.3 商标
    4. 12.4 静电放电警告
    5. 12.5 Glossary
  13. 13机械、封装和可订购信息

封装选项

机械数据 (封装 | 引脚)
散热焊盘机械数据 (封装 | 引脚)
订购信息

说明

UCD90320 器件是 32 轨 PMBus™可寻址电源序列发生器和系统管理器,采用 0.8mm 间距 BGA 封装。

24 条集成 ADC 通道 (AMONx) 监视电源电压、电流和温度。在 84 个 GPIO 引脚中,8 个可用作数字监视器 (DMONx),32 个可支持电源 (ENx),24 个用于裕量调节 (MARx),16 个用于逻辑 GPO,32 个 GPI 用于级联和系统功能。

32 个 ENx 引脚和 16 个 LGPOx 引脚可配置为电平有效驱动或开漏输出。

非易失性事件记录功能可在电源断电后保存故障事件。黑盒故障记录功能会在首次发生故障后保存所有电源轨和 I/O 引脚的状态。凭借级联功能,通过一条 SYNC_CLK 引脚连接即可轻松管理多达 128 个电压轨。

器件信息(1)

器件型号 封装 封装尺寸(标称值)
UCD90320 BGA (169) 12.0mm x 12.0mm
  1. 如需了解所有可用封装,请参阅数据表末尾的可订购产品附录。

简化应用

UCD90320 simp_app_slusch8.gif