ZHCSU66J August   2001  – December 2023 UCC29002 , UCC39002

PRODUCTION DATA  

  1.   1
  2. 1特性
  3. 2应用
  4. 3说明
  5. 4Pin Configuration and Functions
    1.     Pin Functions
  6. 5Specifications
    1. 5.1 Absolute Maximum Ratings
    2. 5.2 ESD Ratings
    3. 5.3 Recommended Operating Conditions
    4. 5.4 Thermal Information
    5. 5.5 Electrical Characteristics
    6. 5.6 Typical Characteristics
  7. 6Detailed Description
    1. 6.1 Overview
    2. 6.2 Functional Block Diagram
    3. 6.3 Feature Description
      1. 6.3.1 Differential Current-Sense Amplifier (CS+, CS−, CSO)
      2. 6.3.2 Load-Share Bus Driver Amplifier (CSO, LS)
      3. 6.3.3 Load-Share Bus Receiver Amplifier (LS)
      4. 6.3.4 Error Amplifier (EAO)
      5. 6.3.5 Adjust Amplifier Output (ADJ)
      6. 6.3.6 Enable Function (CS+, CS−)
      7. 6.3.7 Fault Protection on LS Bus
      8. 6.3.8 Start-Up and Adjust Logic
      9. 6.3.9 Bias Input and Bias_OK Circuit (VDD)
    4. 6.4 Device Functional Modes
      1. 6.4.1 Start-Up Mode
      2. 6.4.2 Normal Running Mode
      3. 6.4.3 Fault Mode
      4. 6.4.4 Disabled Mode
  8. 7Application and Implementation
    1. 7.1 Application Information
    2. 7.2 Paralleling the Power Modules
    3. 7.3 Typical Application
      1. 7.3.1 Measuring the Voltage Loop of a Power Module
      2. 7.3.2 Detailed Design Procedure
        1. 7.3.2.1 The Shunt Resistor
        2. 7.3.2.2 The CSA Gain
        3. 7.3.2.3 Determining RADJ
        4. 7.3.2.4 Error Amplifier Compensation
      3. 7.3.3 Application Curve
    4. 7.4 Power Supply Recommendations
    5. 7.5 Layout
      1. 7.5.1 Layout Guidelines
      2. 7.5.2 Layout Example
  9. 8Device and Documentation Support
    1. 8.1 接收文档更新通知
      1. 8.1.1 Documentation Support
    2. 8.2 Related Links
    3. 8.3 支持资源
    4. 8.4 Trademarks
    5. 8.5 静电放电警告
    6. 8.6 术语表
  10. 9Revision History
  11.   Mechanical, Packaging, and Orderable Information

封装选项

机械数据 (封装 | 引脚)
散热焊盘机械数据 (封装 | 引脚)
订购信息

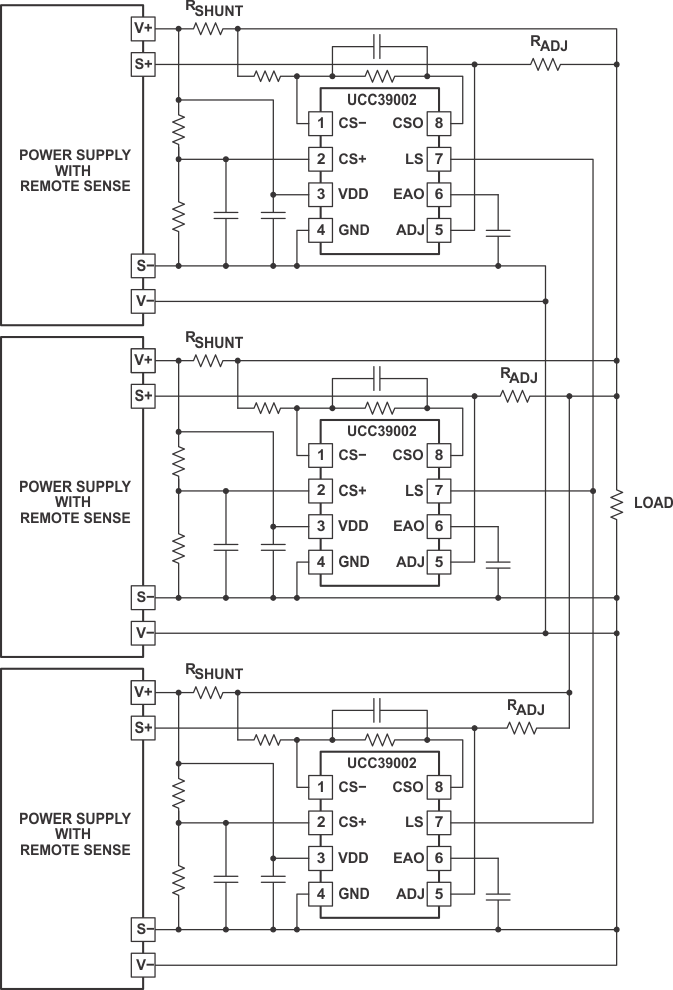
Typical Application

GUID-36E843EC-E715-4D66-9BF8-364260196FF2-low.gifFigure 7-3 Three-Module Sharing Example with High-Side Current-Sensing, System VOUT < 13.5V