ZHCSAH7C November   2012  – June 2017 UCC28710 , UCC28711 , UCC28712 , UCC28713

PRODUCTION DATA.  

  1. 特性
  2. 应用
  3. 说明
  4. 修订历史记录
  5. Device Comparison Table
  6. Pin Configuration and Functions
  7. Specifications
    1. 7.1 Absolute Maximum Ratings
    2. 7.2 ESD Ratings
    3. 7.3 Recommended Operating Conditions
    4. 7.4 Thermal Information
    5. 7.5 Electrical Characteristics
    6. 7.6 Typical Characteristics
  8. Detailed Description
    1. 8.1 Overview
    2. 8.2 Functional Block Diagram
    3. 8.3 Feature Description
      1. 8.3.1 Detailed Pin Description
        1. 8.3.1.1 VDD (Device Bias Voltage Supply)
        2. 8.3.1.2 GND (Ground)
        3. 8.3.1.3 VS (Voltage-Sense)
        4. 8.3.1.4 DRV (Gate Drive)
        5. 8.3.1.5 CS (Current Sense)
        6. 8.3.1.6 CBC (Cable Compensation), Pin 1 UCC28700
        7. 8.3.1.7 NTC (NTC Thermistor Shut-down), Pin 1 UCC28701/2/3
      2. 8.3.2 Fault Protection
    4. 8.4 Device Functional Modes
      1. 8.4.1 Primary-Side Voltage Regulation
      2. 8.4.2 Primary-Side Current Regulation
      3. 8.4.3 Valley Switching
      4. 8.4.4 Start-Up Operation
  9. Application and Implementation
    1. 9.1 Application Information
    2. 9.2 Typical Application
      1. 9.2.1 Design Requirements
      2. 9.2.2 Detailed Design Procedure
        1. 9.2.2.1 Custom Design With WEBENCH® Tools
        2. 9.2.2.2 Stand-by Power Estimate
        3. 9.2.2.3 Input Bulk Capacitance and Minimum Bulk Voltage
        4. 9.2.2.4 Transformer Turns Ratio, Inductance, Primary-Peak Current
        5. 9.2.2.5 Transformer Parameter Verification
        6. 9.2.2.6 Output Capacitance
        7. 9.2.2.7 VDD Capacitance, CDD
        8. 9.2.2.8 VS Resistor Divider, Line Compensation, and Cable Compensation
      3. 9.2.3 Application Curves
  10. 10Power Supply Recommendations
  11. 11Layout
    1. 11.1 Layout Guidelines
    2. 11.2 Layout Example
  12. 12器件和文档支持
    1. 12.1 器件支持
      1. 12.1.1 开发支持
        1. 12.1.1.1 使用 WEBENCH® 工具创建定制设计方案
      2. 12.1.2 器件命名规则
        1. 12.1.2.1  电容术语(以法拉为单位)
        2. 12.1.2.2  占空比术语
        3. 12.1.2.3  频率术语(以赫兹为单位)
        4. 12.1.2.4  电流术语(以安培为单位)
        5. 12.1.2.5  电流和电压调节术语
        6. 12.1.2.6  变压器术语
        7. 12.1.2.7  功率术语(以瓦特为单位)
        8. 12.1.2.8  电阻术语(以 Ω 为单位)
        9. 12.1.2.9  时间术语(以秒为单位)
        10. 12.1.2.10 电压术语(以伏特为单位)
        11. 12.1.2.11 交流电压术语(以 VRMS 为单位)
        12. 12.1.2.12 效率术语
    2. 12.2 文档支持
      1. 12.2.1 相关文档
      2. 12.2.2 相关链接
    3. 12.3 接收文档更新通知
    4. 12.4 社区资源
    5. 12.5 商标
    6. 12.6 静电放电警告
    7. 12.7 Glossary
  13. 13机械、封装和可订购信息

封装选项

请参考 PDF 数据表获取器件具体的封装图。

机械数据 (封装 | 引脚)
  • D|7
散热焊盘机械数据 (封装 | 引脚)
订购信息

Layout

Layout Guidelines

  • High frequency bypass Capacitor C5 should be placed across Pin 1 and 4 as close as you can get it to the pins.
  • Resistor R4 and C5 form a low pass filter and the connection of R4 and C5 should be as close to the VDD pin as possible.
  • The VS pin controls the output voltage through the transformer turns ratio and the voltage divider of R5 and R11. Note the trace length between the R5, R11 and VS pin should be as short as possible to reduce or eliminate possible EMI coupling.
  • Note the IC ground and power ground should meet at the bulk capacitor’s (C6 and C7) return. Try to ensure that high frequency/high current from the power stage does not go through the signal ground.
    • The high frequency/high current path that you need to be cautious of on the primary is C7 +, T1 (P5, P3), Q1d, Q1s, R8 to the return of C6 and C7. Try to keep all high current loops as short as possible.
  • Try to keep all high current loops as short as possible.
  • Keep all high current/high frequency traces away from or perpendicular to other traces in the design.
  • Traces on the voltage clamp formed by D1, R2, D3 and C2 as short as possible.
  • C6 return needs to be as close to the bulk capacitor supply as possible. This reduces the magnitude of dv/dt caused by large di/dt.
  • Avoid mounting semiconductors under magnetics.

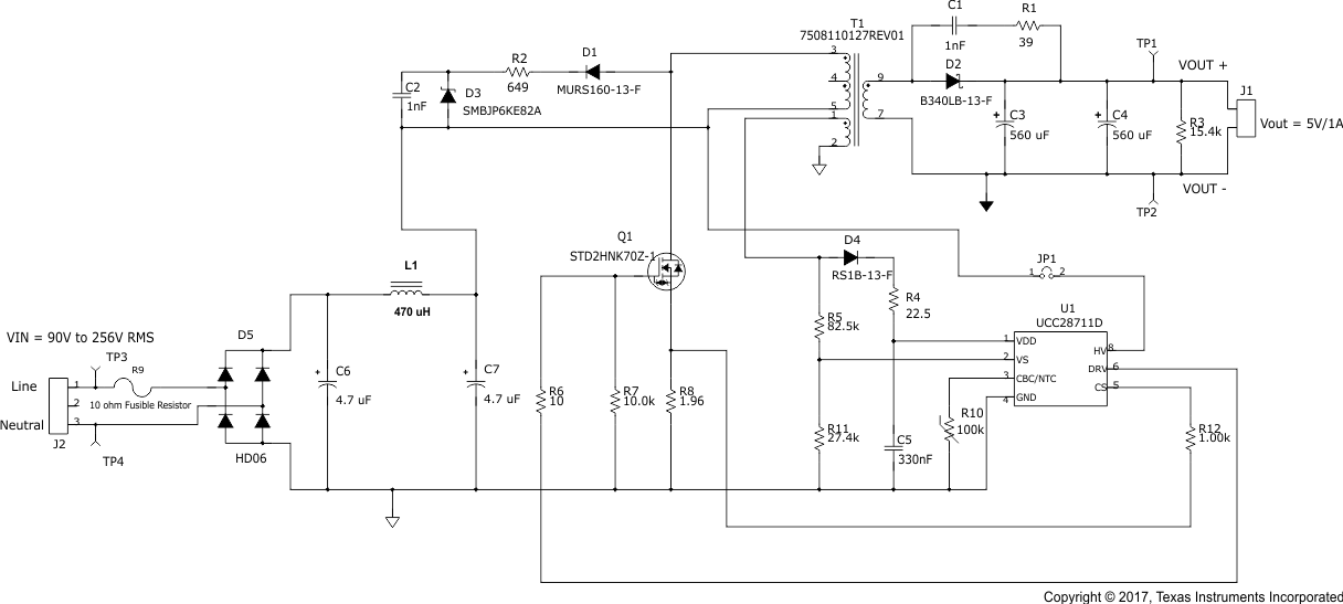
UCC28710 UCC28711 UCC28712 UCC28713 swusbadapter.gif
No value means not populated.
Figure 29. 5-W USB Adapter Schematic

Layout Example

UCC28710 UCC28711 UCC28712 UCC28713 layoutex3.gif Figure 30. Layout Example Schematic