ZHCSAH7C November 2012 – June 2017 UCC28710 , UCC28711 , UCC28712 , UCC28713
PRODUCTION DATA.
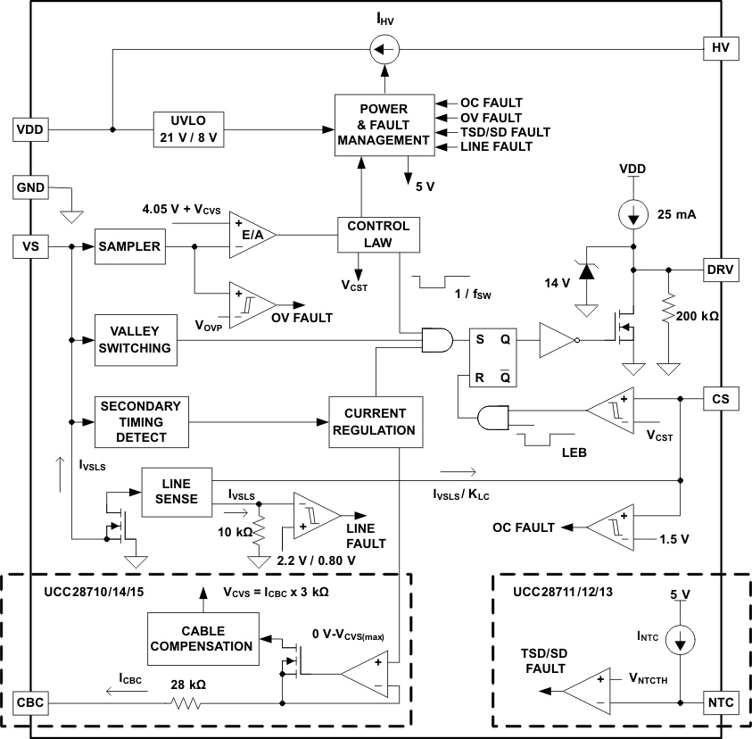
The UCC2871x family is a flyback power supply controller which provides accurate voltage and constant current regulation with primary-side feedback, eliminating the need for opto-coupler feedback circuits. The controller operates in discontinuous conduction mode with valley-switching to minimize switching losses. The modulation scheme is a combination of frequency and primary peak current modulation to provide high conversion efficiency across the load range. The control law provides a wide-dynamic operating range of output power which allows the power designer to achieve the <10-mW stand-by power requirement.
During low-power operating ranges the device has power management features to reduce the device operating current at operating frequencies below 33 kHz. The UCC2871x family includes features in the modulator to reduce the EMI peak energy of the fundamental switching frequency and harmonics. Accurate voltage and constant current regulation, fast dynamic response, and fault protection are achieved with primary-side control. A complete charger solution can be realized with a straightforward design process, low cost and low component count.
The VDD pin is connected to a bypass capacitor to ground and a start-up resistance to the input bulk capacitor (+) terminal. The VDD turnon UVLO threshold is 21 V and turnoff UVLO threshold is 8.1 V, with an available operating range up to 35 V. The USB charging specification requires the output current to operate in constant-current mode from 5 V to a minimum of 2 V; this is easily achieved with a nominal VDD of approximately 25 V. The additional VDD headroom up to 35 V allows for VDD to rise due to the leakage energy delivered to the VDD capacitor in high-load conditions. Also, the wide VDD range provides the advantage of selecting a relatively small VDD capacitor and high-value start-up resistance to minimize no-load stand-by power loss in the start-up resistor.
This is a single ground reference external to the device for the gate drive current and analog signal reference. Place the VDD bypass capacitor close to GND and VDD with short traces to minimize noise on the VS and CS signal pins.
The VS pin is connected to a resistor divider from the auxiliary winding to ground. The output-voltage feedback information is sampled at the end of the transformer secondary current demagnetization time to provide an accurate representation of the output voltage. Timing information to achieve valley-switching and to control the duty cycle of the secondary transformer current is determined by the waveform on the VS pin. Avoid placing a filter capacitor on this input which would interfere with accurate sensing of this waveform.
The VS pin also senses the bulk capacitor voltage to provide for AC-input run and stop thresholds, and to compensate the current-sense threshold across the AC-input range. This information is sensed during the MOSFET on-time. For the AC-input run/stop function, the run threshold on VS is 220 µA and the stop threshold is 80 µA. The values for the auxilliary voltage divider upper-resistor RS1 and lower-resistor RS2 can be determined by the equations below.

where

where
The DRV pin is connected to the MOSFET gate pin, usually through a series resistor. The gate driver provides a gate-drive signal limited to 14 V. The turnon characteristic of the driver is a 25-mA current source which limits the turnon dv/dt of the MOSFET drain and reduces the leading-edge current spike, but still provides gate-drive current to overcome the Miller plateau. The gate-drive turnoff current is determined by the low-side driver RDS(on) and any external gate-drive resistance. The user can reduce the turnoff MOSFET drain dv/dt by adding external gate resistance.
The current-sense pin is connected through a series resistor (RLC) to the current-sense resistor (RCS). The current-sense threshold is 0.75 V for IPP(max) and 0.25 V for IPP(min). The series resistor RLC provides the function of feed-forward line compensation to eliminate change in IPP due to change in di/dt and the propagation delay of the internal comparator and MOSFET turnoff time. There is an internal leading-edge blanking time of 235 ns to eliminate sensitivity to the MOSFET turnon current spike. It should not be necessary to place a bypass capacitor on the CS pin. The value of RCS is determined by the target output current in constant-current (CC) regulation. The values of RCS and RLC can be determined by the equations below. The term ηXFMR is intended to account for the energy stored in the transformer but not delivered to the secondary. This includes transformer resistance and core loss, bias power, and primary-to-secondary leakage ratio.
Example: With a transformer core and winding loss of 5%, primary-to-secondary leakage inductance of 3.5%, and bias power to output power ratio of 1.5%. The ηXFMR value is approximately: 1 - 0.05 - 0.035 - 0.015 = 0.9.

where

where
The cable compensation pin is connected to a resistor to ground to program the amount of output voltage compensation to offset cable resistance. The cable compensation block provides a 0-V to 3-V voltage level on the CBC pin corresponding to 0 to IOCC output current. The resistance selected on the CBC pin programs a current mirror that is summed into the VS feedback divider therefore increasing the output voltage as IOUT increases. There is an internal series resistance of 28 kΩ to the CBC pin which sets a maximum cable compensation of a 5-V output to 400 mV when CBC is shorted to ground. The CBC resistance value can be determined by the equation below.

where
These versions of the UCC28700 family utilize pin 1 for an external NTC thermistor to allow user-programmable external thermal shut-down. The shut-down threshold is 0.95 V with an internal 105-µA current source which results in a 9.05-kΩ thermistor shut-down threshold. These controllers have either zero or fixed internal cable compensation.
There is comprehensive fault protection. Protection functions include:
A UVLO reset and restart sequence applies for all fault protection events.
The output overvoltage function is determined by the voltage feedback on the VS pin. If the voltage sample on VS exceeds 115% of the nominal VOUT, the device stops switching and the internal current consumption is IFAULT which discharges the VDD capacitor to the UVLO turnoff threshold. After that, the device returns to the start state and a start-up sequence ensues.
The UCC2871x family always operates with cycle-by-cycle primary peak current control. The normal operating range of the CS pin is 0.78 V to 0.195 V. There is additional protection if the CS pin reaches 1.5 V. This results in a UVLO reset and restart sequence.
The line input run and stop thresholds are determined by current information at the VS pin during the MOSFET on-time. While the VS pin is clamped close to GND during the MOSFET on-time, the current through RS1 is monitored to determine a sample of the bulk capacitor voltage. A wide separation of run and stop thresholds allows clean start-up and shut-down of the power supply with the line voltage. The run current threshold is 225 µA and the stop current threshold is 80 µA.
The internal over-temperature protection threshold is 165°C. If the junction temperature reaches this threshold the device initiates a UVLO reset cycle. If the temperature is still high at the end of the UVLO cycle, the protection cycle repeats.
Protection is included in the event of component failures on the VS pin. If complete loss of feedback information on the VS pin occurs, the controller stops switching and restarts.
Figure 13 illustrates a simplified flyback convertor with the main voltage regulation blocks of the device shown. The power train operation is the same as any DCM flyback circuit but accurate output voltage and current sensing is the key to primary-side control.
Figure 13. Simplified Flyback Convertor In primary-side control, the output voltage is sensed on the auxiliary winding during the transfer of transformer energy to the secondary. As shown in Figure 14 it is clear there is a down slope representing a decreasing total rectifier VF and resistance voltage drop (ISRS) as the secondary current decreases to zero. To achieve an accurate representation of the secondary output voltage on the auxiliary winding, the discriminator reliably blocks the leakage inductance reset and ringing, continuously samples the auxiliary voltage during the down slope after the ringing is diminished, and captures the error signal at the time the secondary winding reaches zero current. The internal reference on VS is 4.05 V. Temperature compensation on the VS reference voltage of -0.8-mV/°C offsets the change in the output rectifier forward voltage with temperature. The resistor divider is selected as outlined in the VS pin description.
Figure 14. Auxiliary Winding Voltage
The UCC2871x family includes a VS signal sampler that signals discrimination methods to ensure an accurate sample of the output voltage from the auxiliary winding. There are however some details of the auxiliary winding signal to ensure reliable operation, specifically the reset time of the leakage inductance and the duration of any subsequent leakage inductance ring. Refer to Figure 15 below for a detailed illustration of waveform criteria to ensure a reliable sample on the VS pin. The first detail to examine is the duration of the leakage inductance reset pedestal, tLK_RESET in Figure 15. Because this can mimic the waveform of the secondary current decay, followed by a sharp downslope, it is important to keep the leakage reset time less than 600 ns for IPRI minimum, and less than 2.2 µs for IPRI maximum. The second detail is the amplitude of ringing on the VAUX waveform following tLK_RESET. The peak-to-peak voltage at the VS pin should be less than approximately 100 mVp-p at least 200 ns before the end of the demagnetization time, tDM. If there is a concern with excessive ringing, it usually occurs during light or no-load conditions, when tDM is at the minimum. The tolerable ripple on VS is scaled up to the auxiliary winding voltage by RS1 and RS2, and is equal to 100 mV x (RS1 + RS2) / RS2.
Figure 15. Auxiliary Waveform Details
During voltage regulation, the controller operates in frequency modulation mode and amplitude modulation mode as illustrated in Figure 16 below. The internal operating frequency limits of the device are 100 kHz maximum and fSW(min). The transformer primary inductance and primary peak current chosen sets the maximum operating frequency of the converter. The output preload resistor and efficiency at low power determines the converter minimum operating frequency. There is no stability compensation required for the UCC2871x family.
Figure 16. Frequency and Amplitude Modulation Modes Timing information at the VS pin and current information at the CS pin allow accurate regulation of the secondary average current. The control law dictates that as power is increased in CV regulation and approaching CC regulation the primary-peak current is at IPP(max). Referring to Figure 17 below, the primary-peak current, turns ratio, secondary demagnetization time (tDM), and switching period (tSW) determine the secondary average output current. Ignoring leakage inductance effects, the average output current is given by Equation 6. When the average output current reaches the regulation reference in the current control block, the controller operates in frequency modulation mode to control the output current at any output voltage at or below the voltage regulation target as long as the auxiliary winding can keep VDD above the UVLO turnoff threshold.
Figure 17. Transformer Currents

Figure 18. Typical Target Output V-I Characteristic
The UCC2871x family utilizes valley switching to reduce switching losses in the MOSFET, to reduce induced-EMI, and to minimize the turnon current spike at the sense resistor. The controller operates in valley-switching in all load conditions unless the VDS ringing has diminished.
Referring to Figure 19 below, the UCC2871x family operates in a valley-skipping mode in most load conditions to maintain an accurate voltage or current regulation point and still switch on the lowest available VDS voltage.
Figure 19. Valley-Skipping Mode
The internal high-voltage start-up switch connected to the bulk capacitor voltage (VBLK) through the HV pin charges the VDD capacitor. During start up there is typically 300 µA available to charge the VDD capacitor. When VDD reaches the 21-V UVLO turnon threshold, the controller is enabled, the converter starts switching and the start-up switch is turned off. The initial three cycles are limited to IPP(min). After the initial three cycles at minimum IPP(min), the controller responds to the condition dictated by the control law. The converter will remain in discontinuous mode during charging of the output capacitor(s), maintaining a constant output current until the output voltage is in regulation.