ZHCSAR7A February   2013  – September 2024 UCC27532

PRODUCTION DATA  

  1.   1
  2. 特性
  3. 应用
  4. 说明
  5. Pin Configuration and Functions
  6. Specifications
    1. 5.1 Absolute Maximum Ratings
    2. 5.2 Recommended Operating Conditions
    3. 5.3 Thermal Information
    4. 5.4 Electrical Characteristics
    5. 5.5 Typical Characteristics
  7. Detailed Description
    1. 6.1 Functional Block Diagram
    2. 6.2 Feature Description
      1. 6.2.1 VDD Under Voltage Lockout
      2. 6.2.2 Input Stage
      3. 6.2.3 Enable Function
      4. 6.2.4 Output Stage
      5. 6.2.5 Power Dissipation
    3. 6.3 Device Functional Modes
  8. Application and Implementation
    1. 7.1 Application Information
    2. 7.2 Typical Applications
  9. Layout
    1. 8.1 Layout Guidelines
    2. 8.2 Thermal Considerations
  10. Device and Documentation Support
    1. 9.1 第三方产品免责声明
    2. 9.2 接收文档更新通知
    3. 9.3 支持资源
    4. 9.4 Trademarks
    5. 9.5 静电放电警告
    6. 9.6 术语表
  11. 10Revision History
  12. 11Mechanical, Packaging, and Orderable Information

封装选项

请参考 PDF 数据表获取器件具体的封装图。

机械数据 (封装 | 引脚)
  • DBV|6
散热焊盘机械数据 (封装 | 引脚)
订购信息

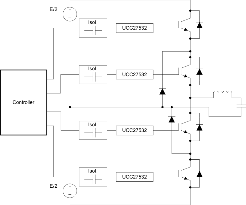
Typical Applications

UCC27532 Driving IGBT Without Negative BiasFigure 7-1 Driving IGBT Without Negative Bias
UCC27532 Driving IGBT With 13-V Negative Turn-Off BiasFigure 7-2 Driving IGBT With 13-V Negative Turn-Off Bias
UCC27532 Using UCC27532 Drivers in an InverterFigure 7-3 Using UCC27532 Drivers in an Inverter