ZHCSGH5D August   2017  – May 2019 TUSB1042I

PRODUCTION DATA.  

  1. 特性
  2. 应用
  3. 说明
    1.     Device Images
      1.      简化电路原理图
      2.      TUSB1042I 眼图
  4. 修订历史记录
  5. Pin Configuration and Functions
    1.     Pin Functions
  6. Specifications
    1. 6.1  Absolute Maximum Ratings
    2. 6.2  ESD Ratings
    3. 6.3  Recommended Operating Conditions
    4. 6.4  Thermal Information
    5. 6.5  Power Supply Characteristics
    6. 6.6  DC Electrical Characteristics
    7. 6.7  AC Electrical Characteristics
    8. 6.8  DCI Specific Electrical Characteristics
    9. 6.9  Timing Requirements
    10. 6.10 Switching Characteristics
    11. 6.11 Typical Characteristics
  7. Parameter Measurement Information
  8. Detailed Description
    1. 8.1 Overview
    2. 8.2 Functional Block Diagram
    3. 8.3 Feature Description
      1. 8.3.1 USB 3.1
      2. 8.3.2 4-level Inputs
      3. 8.3.3 Receiver Linear Equalization
    4. 8.4 Device Functional Modes
      1. 8.4.1 Device Configuration in GPIO Mode
      2. 8.4.2 Device Configuration In I2C Mode
      3. 8.4.3 Linear EQ Configuration
      4. 8.4.4 USB3.1 Modes
      5. 8.4.5 Operation Timing – Power Up
    5. 8.5 Programming
    6. 8.6 Register Maps
      1. 8.6.1 General Register (address = 0x0A) [reset = 00000001]
        1. Table 9. General Registers
      2. 8.6.2 USB3.1 Control/Status Registers (address = 0x20) [reset = 00000000]
        1. Table 10. USB3.1 Control/Status Registers (0x20)
      3. 8.6.3 USB3.1 Control/Status Registers (address = 0x21) [reset = 00000000]
        1. Table 11. USB3.1 Control/Status Registers (0x21)
      4. 8.6.4 USB3.1 Control/Status Registers (address = 0x22) [reset = 00000100]
        1. Table 12. USB3.1 Control/Status Registers (0x22)
  9. Application and Implementation
    1. 9.1 Application Information
    2. 9.2 Typical Application
      1. 9.2.1 Design Requirements
      2. 9.2.2 Detailed Design Procedure
      3. 9.2.3 Application Curve
    3. 9.3 System Examples
      1. 9.3.1 USB 3.1
  10. 10Power Supply Recommendations
  11. 11Layout
    1. 11.1 Layout Guidelines
    2. 11.2 Layout Example
  12. 12器件和文档支持
    1. 12.1 相关链接
    2. 12.2 接收文档更新通知
    3. 12.3 社区资源
    4. 12.4 商标
    5. 12.5 静电放电警告
    6. 12.6 Glossary
  13. 13机械、封装和可订购信息

封装选项

机械数据 (封装 | 引脚)
散热焊盘机械数据 (封装 | 引脚)
订购信息

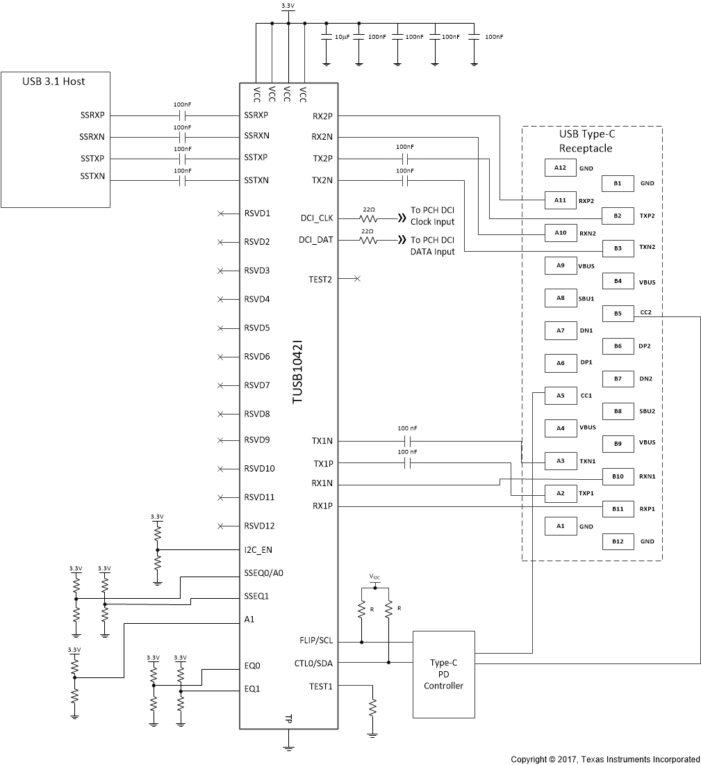
Detailed Design Procedure

A typical usage of the TUSB1042I device is shown in Figure 20. The device can be controlled either through its GPIO pins or through its I2C interface. In the example shown below, a Type-C PD controller is used to configure the device through the I2C interface. When configured for I2C mode, pins 29 (DCI_DAT) and 32 (DCI_CLK) can be used for the DCI interface. In I2C mode, the equalization settings for each receiver can be independently controlled through I2C registers. For this reason, all of the equalization pins (EQ[1:0] and SSEQ[1:0]) can be left unconnected. If these pins are left unconnected, the TUSB1042I 7-bit I2C slave address will be 0x12 because both A1 and SSEQ0/A0 will be at pin level "F". If a different I2C slave address is desired, A1 and SSEQ0/A0 pins should be set to a level which produces the desired I2C slave address.

TUSB1042I TUSB1042_App_and_Implementation_SLLSF15.gifFigure 20. Application Circuit